АКТИВНАЯ МАГНИТНАЯ АНТЕН 21321b19v ;А ДИАПАЗОНА 136КГц.

Для тех кто начинает осваивать диапазон 137 Кгц Тони Приди (G3LNP) предложил конструкцию активной магнитной приемной антенны для диапазона 136 кГц,
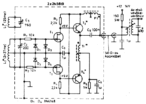
На рис.1. показана схема усилителя, где L1C1 и L2C2 настраиваются на середину диапазона;
Т1Т2 - дифференциальный усилитель на 2N3819; ТЗТ4 - эмиттерные повторители на ВС184В.
кабелю на вход приемника.
с индуктивной связью" (рис.2а), где L2 - рамка с диагональю 1150 мм и 2x27 витками, a L1 -меньшая рамка (25 витков), размещенная на расстоянии 110 мм (по диагонали) от L2 в соответствующих пазах деревянных распорок (рмс.2Ь).
Обе рамки наматывают изолированным медным проводом 00,7 мм, при этом L2 мотают одновременно двумя проводами (27 витков) и делают отвод от соединения начала одной обмотки с концом другой.
От симметричности этих обмоток во многом зависит степень подавления синфазных помех. Т г* наматывают двумя проводами, сложенными вместе, 2x20 витков на ферритовом кольце М1000...М2000, обеспечив соединение обмоток согласно электрической схеме.
Дроссель Ft* имеет такую же конструкцию, как и .
Рис.2.b.
Тони Приди (G3LNP)
RADIOTECHNIKA, N93/2001, с.142, 143

|