PROCESOARE
Procesorul reprezinta creierul unui calculator, el se numeste si unitate centrala de prelucrare (CPU - Central Processing Unit). CPU are rolul de executare a calculelor si prelucrarilor de date (cu exceptia calculelor matematice complexe, în cazul sistemelor cu coprocesor matematic). Toate calculatoarele de tip PC utilizeaza procesoare compatibile cu familia Intel, chiar daca ele sunt produse de firme ca AMD, IBM, Cyrix etc.
Caracteristicile procesorului
Procesoarele pot fi descrise prin doi parametrii principali: latimea si viteza. Viteza procesorului se masoara în megahertzi (MHz), deci în milioane de cicluri pe secunda, deci cu cât aceasta este mai mare, procesorul este mai rapid. Latimea unui procesor este indicata de trei caracteristici principale:
magistrala de intrare si iesire a datelor,
registrele interne,
magistrala de adrese.
Vitezele procesorului
Viteza ceasului unui calculator înseamna de fapt frecventa lui exprimata de obicei în perioade sau cicluri pe secunda. Frecventa ceasului este controlata de un oscilator cu cristal care este compus dintr-o lama de cuart montata într-un mic container metalic. Daca se aplica o tensiune cuartului el începe sa vibreze dupa o armonica determinata de forma si marimea lamei. Oscilatiile sunt emise sub forma unui curent alternativ cu frecventa armonicei data de cristal. Acest curent alternativ se numeste semnal de ceas (tact). Un calculator lucreaza uzual la frecvente de milioane de cicluri (perioade) pe secunda, din acest motiv unitatea de masura este MHz.
O perioada de ceas este cel mai mic element de timp al procesorului. Orice operatie necesita cel putin o perioada. De exemplu pentru a transfera date de la si spre memorie, un procesor modern cum este Pentium II are nevoie de cel putin trei perioade de tact pentru a initia primul transfer de memorie, iar apoi o singura perioada pentru fiecare din urmatoarele cinci sau sase transferuri. O perioada de asteptare (wait state) este un tact al ceasului în care nu se întâmpla nimic, pentru a nu permite procesorului sa o ia înaintea restului calculatorului.
Timpul necesar pentru executarea instructiunilor este de asemenea, variabil. Pentru a executa o instructiune, procesoarele 8086 au nevoie în medie de 12 perioade de ceas, procesoarele 286 si 386 de 4,5 perioade de ceas, iar procesoarele 486 de 2 perioade de ceas. Procesorul Pentium poseda doua canale de prelucrare paralela (pipeline) a instructiunilor, precum si alte îmbunatatiri care asigura executarea unei instructiuni medii într-o singura perioada de ceas, iar procesoarele Pentium Pro si Pentium II pot executa trei sau chiar mai multe instructiuni pe ciclu.
Procesoarele actuale sunt disponibile în diferite variante, care lucreaza la diferite frecvente de ceas, determinate de frecventa de lucru a placii de baza. Cele mai multe dintre ele utilizeaza o frecventa care este un multiplu al frecventei placii de baza. De exemplu pentru un procesor Pentium la 200 MHz, frecventa de lucru a placii de baza este de 66 MHz, deci frecventa procesorului este aproximativ multiplu de 3 a acesteia (3 x 66MHz = 198MHz).
Duratele diferite de executare a instructiunilor fac dificila comparatia între sisteme în functie doar de frecventa ceasului sau de numarul ciclurilor pe secunda. Pentru a permite comp 232h73c ararea adecvata a diferitelor procesoare cu frecvente de ceas diferite, Intel a dezvoltat o serie de teste specifice numite benchmarks pentru cipurile sale pentru a genera un indicator al performantelor. Acest indicator a fost actualizat recent pentru a reflecta performantele sistemelor pe 32 de biti si se numeste indice iCOMP 2.0 (intel Comparative Microprocessor Performance).
Frecventele procesoarelor si frecventele placilor de baza
Procesoarele moderne (peste 486 DX2) functioneaza la un multiplu al vitezei placii de baza. De exemplu, un procesor Pentium II 333 functioneaza la o viteza de cinci ori mai mare decât viteza de 66 MHz a placii de baza, în timp ce un Pentium II 400 functioneaza la o viteza de patru ori mai mare decât cea de 100 MHz a placii de baza.
Exista si câteva procesoare fabricate de firma Cyrix prevazute sa functioneze pe placi de baza de 75 MHz precum si unele procesoare produse de firma Intel.
În mod normal, viteza placii de baza si factorul de multiplicare se pot configura prin jumpere sau alte mecanisme (configurarea parametrilor CMOS) de pe placa de baza. Sistemele moderne folosesc un circuit de sintetizare cu frecventa variabila, care se afla de obicei pe setul principal de cipuri al placii de baza, pentru a controla frecventa acesteia si a procesorului. Majoritatea placilor de baza Pentium pot fi configurate la trei sau patru viteze. Procesoarele utilizate în prezent sunt disponibile într-o varietate de versiuni care functioneaza la diferite frecvente pe baza unei frecvente date a placii de baza.
În procesul de fabricatie, producatorul testeaza procesorul la diferite viteze, temperaturi si presiuni. Dupa testare cipul primeste o eticheta care indica viteza maxima garantata la care poate lucra la temperaturi si presiuni normale. De exemplu, în cazul procesorului notat cu A80486DX2-66, litera A este indicatorul Intel pentru o capsula ceramica de tipul Ceramic Pin Grid Array, 80486DX2 indica tipul procesorului, iar 66 indica faptul ca procesorul este garanta sa lucreze la o viteza maxima de 66 MHz. Datorita sistemului de dublare a frecventei de tact pentru procesor, rezulta o frecventa maxima a placii de baza de 33 MHz. În unele cazuri pe procesor se afla un radiator cu rolul de disipare a caldurii care împiedica citirea etichetei procesorului. În acest caz determinarea tipului procesorului se poate face prin scoaterea lui din soclu si citirea marcajelor de pe partea inferioara.
Magistrala de date
Unul dintre cele mai obisnuite moduri de descriere a unui procesor este specificarea dimensiunii magistralei sale externe de date. Aceasta stabileste numarul bitilor de date care pot fi emisi sau receptionati de procesor într-un singur ciclu. O magistrala este un grup de conexiuni care transfera semnale comune.
Magistrala de date reprezinta ansamblul conductoarelor (sau pinilor) utilizate pentru a trimite si a receptiona date. Magistrala este cu atât mai rapida cu cât pe ea se pot emite simultan mai multe semnale, deci transfera mai multe date într-un interval dat de timp.
Într-un calculator datele circula sub forma digitala: pentru un anumit interval de timp, pe un traseu exista un anumit nivel de tensiune pentru a semnaliza un bit de date egal cu 1 sau 0V pentru a semnaliza un bit de date egal cu 0. Cu cât exista mai multe linii, cu atât se pot emite mai multi biti distincti în acelasi timp. De exemplu un cip care emite si receptioneaza date pe 16 linii (286), are o magistrala de 16 biti, în schimb ce un cip de 32 biti, cum este 486, are de doua ori mai multe linii dedicate transmisiei si receptiei simultane de date, în acelasi interval de timp.
Printre cele mai importante consecinte a latimii magistralei de date a unui cip este aceea de definire a marimii bancului de memorie. Aceasta înseamna ca un procesor pe 32 de biti (486) citeste si scrie în memorie 32 de biti simultan. Procesoarele din clasa Pentium citesc si scriu în memorie 64 de biti simultan. Deoarece modulele SIMM (Single Inline Memory Module) standard cu 72 de pini au o latime de numai 32 de biti, ele trebuie sa fie instalate câte unul în majoritatea sistemelor din clasa 486 si câte doua în majoritatea sistemelor din clasa Pentium. Modulele mai noi de tip DIMM (Dual Inline Memory Module) au latimea de 64 de biti, astfel încât sunt instalate câte unul în sistemele din clasa Pentium.
Obs. Exista tabele care prezinta caracteristicile tehnice ale procesoarelor cum ar fi: ceasul CPU, tensiunea de alimentare, marimea registrelor interne, latimea magistralei de date, latimea magistralei de adrese, memoria maxima, cache intern, tip cache etc.
Registrele interne
Marimea registrului intern este un indiciu important asupra cantitatii de informatii pe care procesorul o poate prelucra la un moment dat si asupra modului în care datele circula în interiorul microprocesorului. Marimea registrului este marimea magistralei interne de date. Un registru este o celula de depozitare în interiorul procesorului. Marimea registrelor determina marimea datelor cu care procesorul poate lucra. De asemenea, marimea registrelor descrie tipul de soft sau comenzile si instructiunile cu care poate functiona un cip. Astfel procesoarele cu registre interne de 32 de biti pot functiona cu instructiuni de 32 de biti care prelucreaza secvente de date de 32 de biti, în timp ce procesoarele pe 16 biti nu pot face acest lucru. Cele mai multe procesoare folosesc astazi registre interne de 32 de biti.
Registrele interne sunt de obicei mai mari decât magistrala de date, ceea ce înseamna ca cipul are nevoie de doua perioade de ceas pentru a umple un registru înainte ca el sa fie operational. De exemplu atât cipurile 386 SX (cu dimensiunea magistralei de date de 16 biti), cât si cele 386 DX (cu dimensiunea magistralei de date de 32 biti), au registre interne de 32 de biti, ceea ce înseamna ca pentru a se umple cipul 386 SX are nevoie de doua perioade de ceas, fata de cipul 386DX care are nevoie de una singura. La fel se întâmpla si în cazul transferului de date din registru pe magistrala sistemului.
Cipul Pentium are în schimb o magistrala de date de 64 de biti, dar registre de doar 32 de biti. Datorita faptului ca el contine doua astfel de registre interne (pipelines) pentru prelucrarea informatiei, magistrala de date asigura umplerea acestora la o singura perioada a ceasului intern.
Magistrala de adrese
Magistrala de adrese este grupul de linii care transporta informatiile referitoare la adresa, necesare pentru precizarea locatiei de memorie catre care sunt transmise informatiile sau la care acestea pot fi regasite. Fiecare linie dintr-o magistrala de adrese transporta un singur bit de informatie care reprezinta o singura cifra a adresei. Ca si în cazul magistralei de date, fiecare linie transporta un bit de informatie. Acest bit reprezinta o singura cifra a unui numar de adresa. Cu cât exista mai multe linii (cifre) pentru calculul adresei, cu atât se vor putea adresa mai multe locatii de memorie. Marimea unei magistrale de adrese determina dimensiune maxima a memoriei RAM pe care un cip o poate adresa.
Calculatoarele folosesc sistemul de numeratie binar, deci un numar format din doua cifre furnizeaza doar patru adrese distincte (00, 01, 10 si 11), calculate ca 2 la puterea a doua, un numar format din 3 cifre asigura 8 adrese distincte (de la 000 la 111), calculate ca 2 la puterea a treia. De exemplu, procesoarele 386DX, 486 si Pentium utilizeaza o magistrala de adrese de 32 biti cu care se pot calcula maximum 2 la puterea 32, respectiv 4.294.967.296 de adrese ale locatiilor de memorie.
Magistralele de date si de adrese sunt independente, iar proiectantii de cipuri pot folosi orice dimensiune doresc pentru fiecare dintre ele. Dimensiunea magistralei de date este o indicatie a capacitatii cipului de a manipula informatii, iar dimensiunea magistralei de adrese ne arata dimensiunea memoriei de lucru.
Memoria imediata (cache) interna (de nivel 1)
Toate procesoarele moderne includ un controller pentru memoria imediata (cache) de nivel 1. Acest controller are o memorie incorporata de 8K care lucreaza integral în ritmul procesorului. Acest tip de memorie este o memorie foarte rapida cu rolul de a pastra partea de cod si de date cu care cipul lucreaza în mod curent. Memoria imediata poate fi accesata fara cicluri de asteptare deoarece ea poate lucra chiar în ritmul procesorului.
Utilizarea memoriei imediate reduce traditionala "strangulare" a sistemului care se datoreaza faptului ca adeseori memoria RAM este mult mai lenta decât procesorul. În absenta memoriei cache de nivel 1 (L1) procesorul este nevoit sa astepte pâna când memoria procesorului îl ajunge din urma.
Memoria cache de nivel 1 este deosebit de importanta în special pentru procesoarele moderne. De exemplu procesorul Pentium II 333 functioneaza la o viteza de cinci ori mai mare decât cea a placii de baza care este de 66MHz. Deoarece memoria principala este conectata la placa de baza, ea nu poate functiona decât la aceeasi viteza de 66 MHz. Într-un astfel de sistem singura memorie care functioneaza la 333 MHz este memoria imediata L1 încorporata în procesor.
Daca datele dorite exista deja în memoria imediata interna, unitatea CPU nu trebuie sa mai astepte. Daca nu, procesorul trebuie sa le aduca din memoria imediata de nivel 2 (L2), sau în cazul sistemelor mai putin evoluate, de pe magistrala sistemului.
Continutul memoriei cache trebuie sa fie identic cu cel al memoriei principale pentru a avea siguranta ca procesorul lucreaza cu datele reale.
Cele mai multe sisteme bazate pe cipuri 486 si Pentium utilizeaza o memorie imediata externa de nivel 2 (L2)alcatuita din cipuri de memorie RAM statica (SRAM), foarte rapide. Aceasta reduce si mai mult timpul pierdut de CPU în asteptarea datelor de la memoria sistemului. Aducerea informatiilor din memoria imediata secundara si nu din memoria sistemului este o operatie mult mai rapida datorita timpului de acces extrem de mic al cipurilor SRAM (15ns).
Pe masura ce frecventele de ceas cresc, durata unui ciclu scade. Majoritatea memoriilor SIMM utilizate în sistemele Pentium mai vechi au timpul de acces de 60ns, ceea ce înseamna 16 MHz. În prezent, viteza standard a placilor de baza este de 66 sau 100MHz, iar procesoarele sunt disponibile la peste 450MHz. Sistemele mai noi nu mai utilizeaza o memorie imediata montata pe placa de baza, deoarece memoriile SDRAM mai rapide, utilizate în sistemele moderne, pot tine pasul cu viteza placii de baza.
Modurile de lucru ale procesoarelor
Modurile de operare ale procesoarelor se refera la diferitele medii de operare si afecteaza instructiunile si posibilitatile cipului. Exista trei moduri de operare posibile:
- modul real,
- modul protejat,
- modul virtual real.
Calculatoarele originale IBM si calculatoarele 286 erau prevazute cu procesoare care puteau executa instructiuni pe 16 biti, folosind registre interne de 16 biti si care puteau adresa numai 1 M de memorie, folosind 20 de linii de adrese. Acest mod de operare a devenit cunoscut sub numele de mod real. Sof-ul care lucreaza în mod real este de tipul single-tasking, ceea ce înseamna ca numai un program poate rula la un moment dat. Nu exista o protectie incorporata pentru a evita ca un program sa se suprascrie în memorie peste un alt program, ceea ce înseamna ca daca ruleaza mai mult de un program, unul dintre acestea poate duce întregul sistem la blocare.
Ulterior a aparut procesorul 386 care a fost primul procesor pe 32 de biti din industria calculatoarelor. Acest cip putea prelucra un set de instructiuni de 32 de biti. Acest nou mod de operare a fost numit mod protejat si datorita faptului ca programele soft care lucreaza în acest mod sunt protejate împotriva suprascrierii reciproce în memorie.
Modul virtual real este un mediu pe 16 biti în mod real, care ruleaza în interiorul modului protejat pe 32 de biti. De exemplu rularea unei ferestre cu prompter DOS în cadrul sistemului de operare Windows 98.
Este de remarcat faptul ca toate procesoarele Intel pornesc în mod real. Daca se încarca un sistem de operare pe 32 de biti, acesta va comuta automat procesorul în modul pe 32 de biti si va prelua controlul.
Soclurile procesoarelor
Intel a creat o serie de socluri numite Socket 1pâna la Socket 8 utilizate pentru cipurile sale de la 486 în sus. Tabelul de mai jos reprezinta câteva din caracteristicile acestor socluri:
|
Tipul soclului |
Nr. de pini |
Procesoare admise |
|
Socket 1 |
SX/SX2, DX/DX2, DX4 Over Drive |
|
|
Socket 2 |
SX/SX2, DX/DX2, DX4 Over Drive, 486 Pentium Over Drive |
|
|
Socket 3 |
SX/SX2, DX/DX2, DX4 Over Drive, 486 Pentium Over Drive |
|
|
Socket 4 |
Pentium 60/66, Pentium 60/66 Over Drive |
|
|
Socket 5 |
Pentium 75-133, Pentium 75 + Over Drive |
|
|
Socket 6 |
DX4, 486, Pentium Over Drive |
|
|
Socket 7 |
Pentium 75-300, Pentium 75 +Over Drive |
|
|
Socket 8 |
Pentium Pro |
Socket 1, 2, 3, si 6 sunt socluri pentru procesoarele 486, iar Socket 4,5,7 si 8 sunt socluri pentru Pentium si Pentium Pro. Ele sunt reprezentate în figura de mai jos:


Tipuri de procesoare
Având în vedere faptul ca PC-urile compatibile IBM utilizeaza mai mult procesoare Intel, în acest capitol ne vom referi doar la acest tip de procesoare. În afara de firma Intel, cele mai utilizate procesoare sunt cele ale firmelor AMD si Cyrix.
Cunoasterea procesorului este foarte utila atât pentru întelegerea caracteristicilor sistemului, cât si pentru activitatea de service.
Procesoarele 8088 si 8086
În 1976, firma Intel a realizat un cip, 8086, pe 16 biti care adresa 1 MB RAM, dar care era foarte scump din cauza magistralei pe 16 biti. Sistemele disponibile în aceea vreme erau sisteme pe 8 biti si utilizatorii nu au fost dispusi sa plateasca pentru performantele suplimentare ale unui model integral pe 16 biti. De aceea, în 1978 Intel a introdus cipul 8088 care functiona la o frecventa de 4,77 MHz, executând o instructiune în aproximativ 12 perioade de ceas. Cipul 8088 avea o magistrala de date de 8 biti, iar magistrala de adrese de 20 biti, ceea ce permite sistemului sa acceseze 2 la puterea 20 adrese ale locatiilor de memorie, deci 1MB RAM. Ulterior cipul 8088 a fost reproiectat pentru a lucra la 8 MHz.
Procesoarele 80186 si 80188
Raporturile între 80186 si 80188 este aceleasi cu cel între 8086 si 8088: unul este versiunea îmbunatatita a celuilalt. Procesorul 80186 este aproape identic cu 8088 si este proiectat integral pe 16 biti. Cipul 80188 este un cip hibrid care face un compromis între modelul pe 16 biti si interfata de comunicatie externa pe 8 biti. Avantajul acestor procesoare este ca ele includ pe un singur cip 15-20 de componente de sistem ale seriei 8086-8088, reducând astfel numarul de componente utilizate la proiectarea unui calculator.
Procesoarele 286
Procesorul Intel 80286 (numit 286) a fost lansat în 1981. El se caracterizeaza prin magistrala de 16 biti, frecventa de ceas a procesorului de 6, 8, 10, 12, 16 si 20 MHz (în functie de tipul procesorului) si magistrala de adrese de 24 biti, ceea ce înseamna ca el poate accesa 16 MB RAM. Acest procesor a fost prima încercare a firmei Intel de a produce un cip care sa permita functionarea multitasking, prin care mai multe programe pot rula simultan.
Procesoarele 386
Procesoarele Intel 80386 (numite 386) au însemnat un adevarat pas înainte în productia de sisteme PC, datorita faptului ca au îmbunatatit spectaculos performantele calculatoarelor personale.
Cipul 386 este un procesor complet pe 32 de biti, optimizat pentru a functiona la viteza mare si cu sisteme de operare multitasking. Cipul a fost lansat în 1985, dar a fost inclus în sisteme doar la sfârsitul anului 1986.
Procesorul 386 executa o instructiune în aproximativ 4,5 perioade de ceas, cu magistrala de date de 16 biti si magistrala de adrese de 32 de biti.
Sub controlul software corespunzator, cipul 386 creeaza mai multe partitii în memorie, fiecare dintre acestea comportându-se ca un sistem de sine statator.
Un sistem 386 care functioneaza în modul real virtual sub un software de tipul Windows poate rula mai multe programe în acelasi timp. Deoarece procesorul poate rula o singura aplicatie la un moment dat, programul Windows administreaza timpul pentru executarea fiecarei aplicatii prin utilizarea unor felii de timp (time slices). Datorita faptului ca cipul este rapid, iar feliile de timp sunt fractiuni de secunda, toate aplicatiile par sa lucreze simultan sun Windows.
Printre principalele variante de procesoare 386 sunt:
386SX, pe 32 de biti, cu registre interne de 32 biti, magistrala de date de 16 biti, lucreaza în gama de frecvente între 16 si 33 MHz, magistrala de adrese de 24 biti poate adresa 16 M de memorie;
386SL are aceleasi performante ca si procesorul 386SX, dar a fost proiectat pentru laptopuri si în general lucreaza la frecventa de 25 MHz;
386DX, pe 32 de biti, cu registre interne de 32 biti, magistrala de date de 32 de biti, contine 275.000 tranzistoare, se livreaza într-o capsula cu 132 pini, este realizat în tehnologie CMOS (Complementary Metal Oxide Semiconductor), lucreaza în gama de frecvente între 16 si 33 MHz, poate adresa 4 MB de memorie.
Procesoarele 486
Aparitia procesoarelor 80486 (numite 486) a însemnat un alt pas important în productia de sisteme PC.
Un procesor 486 este practic de 2 ori mai rapid decât unul 386 cu aceeasi frecventa a ceasului datorita urmatoarelor caracteristici:
timpul redus de executie a unei instructiuni. În medie, procesorul 486 executa o instructiune în doar doua perioade de ceas.
cache-ul intern (de nivel 1). Cache-ul inclus în cipul procesorului are o proportie de reusite de 90-95%. O reusita este o operatie de citire care nu necesita stari de asteptare.
ciclurile de memorie în modul burst (în rafala). Un transfer în memorie de 32 biti (4 octeti) se face pe doua perioade de ceas. Dupa un transfer standard de 32 de biti, datele care urmeaza pâna la 12 octeti (sau 3 transferuri) pot fi mutate utilizând o singura perioada pentru fiecare transfer. Astfel un bloc de 16 octeti continuu si secvential de memorie poate fi transferat în 2 + 3 = 5 perioade de ceas, în loc de 8 perioade sau chiar mai mult.
coprocesor matematic intern. Coprocesorul matematic functioneaza sincron cu procesorul principal si executa instructiuni matematice în mai putine cicluri ale ceasului decât modelele anterioare.
Desi procesoarele 486 au câteva caracteristici comune cum ar fi arhitectura pe 32 de biti, memorie cache interna, diferitele variante se deosebesc în unele privinte cum ar fi viteza maxima si configuratia pinilor. Astfel se disting urmatoarele versiuni: 486SX, 486DX, 486DX2, 486DX4. În tabelul de mai jos sunt reprezentate pentru fiecare varianta, gamele de frecventa:
|
Tip procesor |
Frecventa ceasului (MHz) |
Caracteristici |
|
486SX |
Dimensiunea registrilor - 32 biti |
|
|
486DX |
Magistrala de date - 32 biti |
|
|
486DX2 |
Magistrala memoriei - 32 biti |
|
|
486DX4 |
|
Cache intern - 8K |
Un procesor garantat pentru o anumita frecventa functioneaza la orice frecventa mai mica. De exemplu, un cip 486DX garantat la 100 MHz lucreaza la 75 de MHz daca frecventa placii de baza este de 25MHz. Procesoarele DX2 functioneaza în interior cu de 2 ori frecventa de ceas a placii de baza, iar procesoarele 486DX4 cu de 2,5-3 ori frecventa placii de baza.
În afara diferentelor de viteze, procesoarele 486 au si mici diferente în configuratia pinilor. Procesoarele SX, DX si DX2 au aceeasi configuratie de 168 de pini, în timp ce procesorul numit 487 SX (o alta varianta de 486) are o configuratie pe 169 de pini. Daca placa de baza are doua socluri, primul corespunde unui cip cu 168 de pini, în timp ce cel de-al doilea unui cip cu 169 de pini.
Familia de procesoare 486 are performante ridicate deoarece incorporeaza dispozitive care anterior erau externe cum ar fi: controllerul de cache, memoria cache si coprocesorul matematic.
Coprocesorul matematic numit câteodata si MCP (Main CoProcessor) este inclus în procesoarele din seria 486 DX cu scopul de realizare a calculelor matematice complexe, mai rapid.
Procesorul Pentium
Primul cip Pentium a fost lansat de firma Intel în anul 1993. Acest cip se deosebeste de cele anterioare deoarece are doua canale identice de prelucrare a datelor, ceea ce îi permite sa execute doua instructiuni în acelasi timp, aceasta capacitate numindu-se tehnologie superscalara. Datorita acestei tehnologii, cipul Pentium poate executa mai multe instructiuni cu viteza de doua instructiuni pe ciclu de ceas.
Printre principalele caracteristici ale procesorului Pentium sunt:
- magistrala externa de date - 64 biti,
- dimensiunea registrelor - 32 biti,
- magistrala adreselor de memorie - 32 biti,
- memoria maxima adresata - 4G,
- frecventele nominale maxime - 60, 66 MHz (prima generatie), 75, 90, 100, 120, 133, 150, 200 MHz (a doua generatie) etc.
- multiplicarea tactului CPU - 1x (prima generatie), 1,5 x - 3x (a doua generatie)
- marimea memoriei imediate - 8K cod, 8K date
- tipul memoriei imediate incorporate - asociativa pe seturi cu 2 cai, write-back pentru date
- capsula - 273 pini, 296 pini,
- coprocesor matematic - incorporat,
- tensiunea de alimentare - 5V (prima generatie), 3,465v, 3,3 V, 3,1V, 2,9V (a doua generatie).
Cele doua canale ale unui procesor Pentium sunt numite u si v. Canalul u este canalul principal care executa toate instructiunile pentru calculul cu numere întregi si în virgula mobila. Canalul v este canalul secundar care executa numai instructiuni simple de calcul cu numere întregi si unele instructiuni în virgula mobila. Procesul prin care se executa doua instructiuni simultan se numeste pairing (împerechere).
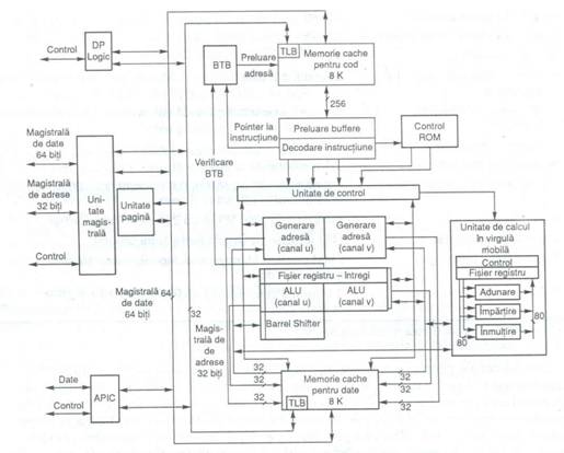
În figura este reprezentata arhitectura interna a unui procesor Pentium.

Procesorul Pentium este prevazut cu un modul BTB (Branch Target Buffer), care utilizeaza o tehnica numita branch prediction (predictia salturilor). Acest modul reduce la minim timpii de asteptare în unul sau mai multe canale de procesare, cauzati de întârzierile în preluarea instructiunilor corespunzatoare. Utilizarea acestei tehnici permite procesorului Pentium sa mentina în functiune, la viteza maxima, cele doua canale ale sale.
Pentium are doua memorii imediate (cache) ce îmbunatateste performantele, interne, separate, de câte 8K fiecare, una pentru date si una pentru instructiuni. Ele sunt organizate în doua blocuri asociate, fiecare dintre ele fiind împartit în câte doua linii de 32 de biti fiecare. Fiecare memorie cache are câte un modul TLB (Translation Lookaside Buffer) dedicat, care converteste adresele logice succesive în adrese fizice. Memoria cache poate fi configurata pentru ca datele sa fie tratate în modul Write-Back sau Write-Through, linie cu linie. În modul Write-Back, memoria cache pastreaza atât operatiile de scriere, cât si cele de citire, în comparatie cu modul Write-Through, care memoreaza doar citirile. Folosirea modului Write-Back determina reducerea volumului comunicatiei între CPU si memoria sistemului.
Sistemele bazate pe procesor Pentium pot beneficia de memorii cache de nivel 2, compuse din cipuri foarte rapide de tipul SRAM (Static RAM). Atunci când unitatea CPU are nevoie de date care înca nu exista în memoria cache de nivel 1 apar ciclurile de asteptare. Daca datele necesare sunt deja prezente în memoria cache de nivel 2, procesorul poate continua sa lucreze fara a mai folosi ciclurile de asteptare.
Toate procesoarele incorporeaza modulul de administrare SMM (System Management Mode) care asigura controlul complet al facilitatilor de gestionare a alimentarii, în scopul reducerii consumului de energie.
Tipuri de procesoare Pentium
Procesorul Pentium din prima generatie a fost furnizat la frecventele de 60 si 66MHz, folosea o capsula cu 273 pini si era alimentat la 5V. În aceasta varianta, procesorul functiona la frecventa placii de baza, deci factorul de multiplicare era 1x. Acest cip a fost realizat în tehnologie BiCMOS (Bipolar Complementary Metal Oxid Semiconductor) cu trasee de 0,8 microni. Datorita numarului mare de tranzistoare incorporate (3,1 milioane), pastila de siliciu a cipului era foarte mare si dificil de fabricat. Existau de asemenea probleme datorita consumului mare de energie, alimentarea facându-se la 5 V, ceea ce crea si probleme de protectie împotriva încalzirii procesorului. Aceasta ultima problema a putut fi rezolvata prin montarea unui ventilator, a ramânând cea a dimensiunii cipului.
Procesorul Pentium din generatia a doua a aparut în 1994, la început în variantele de 90 si 100MHz, iar ulterior variante pâna la 200 MHz. Acest cip utilizeaza tot tehnologia BiCMOS, dar cu trasee de 0,6 microni care reduc dimensiunile pastilei de siliciu, precum si consumul de energie, tensiunea de alimentare fiind de 3, 3V. Versiunile mai noi au chiar trasee de 0,35 microni. Capsula corespunzatoare acestui procesor este de tipul SPGA (Staggered PIN Grid Array) cu 296 de pini. De asemenea numarul de tranzistoare implantate în pastila de siliciu este de 3,3 milioane. Numarul suplimentar de tranzistoare se datoreaza modulului SMM, controllerului de întreruperi si interfetei pentru lucrul cu procesoare în pereche.
Controllerul APIC si interfata pentru procesoare în pereche realizeaza armonizarea configuratiilor în care doua cipuri Pentium din a doua generatie lucreaza simultan pe aceeasi placa de baza. Multe din placile de baza Pentium sunt livrate cu doua socluri Socket 7, care permit folosirea integrala a capacitatii de multiprocesare a noilor cipuri.
Procesoarele Pentium din generatia a doua au circuite de multiplicare a tactului astfel încât procesorul sa functioneze la o viteza mai mare decât magistrala. Raportul dintre frecventa interna a procesorului si cea a magistralei este controlat prin doi pini ai cipului, având indicativele BT1 si BT2. Exista tabele în care este reprezentat modul în care starea acestor pini afecteaza multiplicarea frecventei de ceas în procesorul Pentium.
Procesorul Pentium MMX face parte din a treia generatie de procesoare Pentium si a fost lansat în 1997. Gama de frecvente la care functioneaza acest procesor este de 166, 200, 233 si 266 MHz. Acest procesor are multe elemente în comun cu procesorul din a doua generatie inclusiv arhitectura superscalara, suportul multiprocesor, controllerul local APIC si posibilitatile de gestionare a energiei (Power Management). Elementele noi sunt: o unitate MMX cu canale pentru executarea instructiunilor, memorie cache write-back de 16K pentru cod si 4,5 milioane de tranzistoare. Cipurile Pentium MMX sunt produse printr-o tehnologie îmbunatatita CMOS pe siliciu, cu trasee de 0,35 microni, care permite un nivel de tensiune mai scazut, de 2,8V si deci consum mai mic de energie.
Pentru a putea utiliza acest tip de procesor, a fost necesara construirea unei placi de baza care sa fie în masura sa furnizeze aceasta tensiune de 2,8V. Pentru a crea o placa de baza mai flexibila în ceea ce priveste aceste tensiuni schimbatoare, Intel a introdus soclul Socket 7 cu VRM (Voltage Regulator Module). Acest modul se introduce în soclu alaturi de procesor si furnizeaza tensiunea corecta. El poate fi înlocuit usor, iar configurarea placii de baza la schimbarea lui se face foarte simplu. Un alt element nou pe care în aduce cipul Pentium MMX este faptul ca el incorporeaza un proces numit SIMD (Single Instruction Multiple Data) care permite ca o instructiune sa efectueze o operatie pe mai multe portiuni de date. Acest lucru este foarte util în cazul aplicatiilor multimedia si de comunicare în care aplicatiile ruleaza bucle repetitive de instructiuni care necesita foarte mult timp pentru a fi executate. În plus, au fost adaugate 57 de instructiuni noi, special pentru a trata datele audio, video si grafice.
Procesorul Pentium II a fost lansat în 1997, el numindu-se înainte de lansare oficiala Klamath. Gama de frecvente la care functioneaza acest procesor este de 233, 266, 300, 333, 350, 400 si 450MHz. Unul din elementele noi pe care le aduce acest tip de procesor este constructia fizica a sa. Cipul se prezinta sub forma unui cartus cu conector unic de margine SEC (Single Edge Contact) si împreuna cu câteva cipuri de memorie cache de nivel 2 este montat pe o mica placa cu circuite (asemeni unui modul SIMM supradimensionat) închisa într-un cartus de metal si material plastic. Conectarea la placa de baza se face printr-un conector de margine asemanator cu cel pentru placile de extensie. Aceasta solutie constructiva a dus la scaderea pretului procesorului.
Partea centrala a procesorului Pentium II are 7,5 milioane de tranzistoare, dimensiunea conectorilor variind de la 0,35 microni la 0, 25 microni. De aici rezulta o dimensiune mai mica a pastilei de siliciu, precum si consum de energie mai mic.
Un alt element de noutate îl constituie dublarea memoriei cache interne de nivel 1 de la 16K la 32 K. Procesorul Pentium II este prevazut cu executie dinamica, denumire care defineste urmatoarele îmbunatatiri:
- predictia multipla a salturilor, pentru a prevedea fluxul programului prin mai multe ramuri,
- analiza fluxului de date care programeaza instructiunile astfel încât acestea sa fie executate când sunt gata independent de ordinea lor în programul initial,
- executia speculativa, care creste viteza de executie depasind contorul programului si executând instructiunile care vor fi necesare.
O alta noutate este existenta a doua magistrale independente (arhitectura DIB - Dual Independent Bus), magistrala memoriei cache de nivel 2 si magistrala de sistem de la procesor la memoria principala. Procesorul poate utiliza ambele magistrale simultan astfel încât pot fi transferate de doua ori mai multe date în si din procesor. De exemplu la procesorul Pentium II de 333MHz memoria cache este de 2,5 ori mai rapida decât a celorlalte procesoare Pentium din generatiile anterioare.
Procesorul Pentium III a fost lansat în 1999, numele de cod dinaintea lansarii fiind Katmai. El se bazeaza pe o noua tehnologie numita SSE (Streaming SIMD, SIMD = Single Instruction Multiple Data) bazata pe un set de 70 de coduri SIMD care permit programelor sa defineasca functii de procesare tridimensionale printr-o singura comanda. SSE presupune de asemenea introducerea unor noi registre pentru executia functiilor multimedia, ceea ce a dus la cresterea numarului de tranzistoare la 9,5 milioane.
|