Porozitatea rocilor colectoare
5.1. Definitii si generalitati
Proprietate
esentiala a rocilor colectoare, porozitatea
reprezinta acea caracteristica a lor de a prezenta goluri, denumite
Pentru a intui mai bine semnificatia faptului ca rocile contin spatii libere, n figura 5.1. este prezentata o imagine obtinuta la microscopul electronic pe o suprafata slefuita dintr-o gresie. Prima remarca ce se poate face este aceea a neregularitatii spatiului numit por. Aceasta neregularitate are n vedere forma generala, conturul si suprafata care-l delimiteaza
Se definesc trei volume care caracterizeaza o roca sau un material poros oarecare: volumul de minerale sau, dupa caz, de material solid, Vm, volumul de pori, Vp si volumul brut, Vb. Volumul brut reprezinta volumul total al rocii sau al

a) b)
Fig. 1.5.1.
Imaginea unor
a) marire de 170 ori; b) marire de 510 ori.
mediului poros, privit ca un corp solid delimitat se suprafata exterioara optic sesizabila. În principiu, cel de al treilea volum este suma primelor doua.
Ponderea porilor în alcatuirea rocii este cuantificata printr-o marime care se numeste coeficient de porozitate, m. Pentru usurinta exprimarii, în literatura de specialitate coeficientul de porozitate este denumit pe scurt, porozitate. Aceasta conventie va fi respectata si n lucrarea de fata. În afara de simbolul m, se mai folosesc simbolurile sau Relatia de definitie este urmatoarea:
(5.1.)
sau, tinând seama de relatia dintre volume,
(5.2.)
Relatiile de mai sus nu prezinta nici un fel de echivoc pentru rocile sau materialele neconsolidate unde porii formeaza un spatiu continuu. Rocile consolidate contin, însa, si spatii goale izolate de reteaua de pori. Acestea s-au format, mai ales, prin precipitarea mineralelor în cursul proceselor de litificatie. Aparent, acesti pori izolati fac parte din masa rocii, fiind cuprinsi în volumul Vm. Numai sfarâmarea rocii scoate la iveala porii necomunicanti.
Pentru a evidentia acest fapt, se definesc doua porozitati: porozitatea absoluta, ma, în care Vm are semnificatia mentionata mai sus (ca volum de minerale) si porozitatea efectiva, me, în care Vm include si porii necomunicanti. Altfel spus, porozitatea efectiva ia în considerare numai porii comunicanti, iar porozitatea absoluta volumul total de pori, comunicanti si necomunicanti. Între cele doua porozitati exista relatia:
(5.3.)
Definitiile precedente sunt valabile pentru toate tipurile de roci, inclusiv pentru rocile fisurate. De altfel, fisurile nu sunt altceva decât pori de o forma speciala
Marea varietate de roci, diferite prin geneza, prin compozitie mineralogica sau granulometrica, prin structura s.a., impune unele precizari referitoare la pori, pentru ca pe aceasta baza sa se poata face si unele clasificari.
O prima distinctie se face între porozitatea primara si cea secundara.
Porozitatea primara se refera la porii formati odata cu roca, de exemplu spatiile ramase între fragmentele rocilor detritice.
Porozitatea secundara se refera la porii formati ulterior, prin procese mecanice sau fizico-chimice, cum ar fi fisurile formate prin dizolvarea mineralelor de catre apa de circulatie. Distinctia dintre cele doua tipuri de porozitati este numai formala. Nu exista posibilitatea evidentierii clare a porilor primari de cei secundari, iar ponderea celor doua tipuri de pori difera mult de la o roca la alta. Împartirea mentionata se face mai mult pentru a evidentia existenta unei dinamici în formarea porozitatii unei roci. Coexistenta celor doua tipuri de porozitate este mai evidenta la rocile fisurate.
O alta clasificare are în vedere natura rocii: detritica sau de precipitatie. Pentru prima se defineste o porozitate intergranulara, iar pentru a doua o porozitate matriciala.
Rocile fisurate au o porozitate duala: una matriciala, ca raport între volumul porilor matriciali si volumul brut al rocii, si alta fisurala, ca raport între volumul fisurilor si volumul brut. Porozitatea totala este suma celor doua. Porozitatea matriciala se foloseste si cu o acceptiune limitata, ca raport între volumul porilor matriciali si volumul matricii, facând abstractie de existenta fisurilor, adica din volumul brut al rocii se scade volumul fisurilor, si are ca semnificatie porozitatea rocii de precipitatie nainte de aparitia fisurilor. Categoriile de porozitate specifice rocilor de precipitatie fisurate pot fi extinse, dar cu precautie, si pentru rocile detritice consolidate fisurate.
O categorie speciala de porozitate o reprezinta porozitatea dinamica. Aceasta ia în considerare doar partial volumul de pori comunicanti si anume acea parte prin care are loc curgerea fluidelor. Acest tip de porozitate a fost studiata pe larg, prin experimente interesante, de Orkin [29] si Manolescu [12]. Dupa opinia noastra, aspectele legate de porozitatea dinamica au o valoare conceptuala importanta, dar valoarea practica, desi de prim ordin, este dificil de pus în evidenta.
Problema miscarii fluidelor în pori va fi analizata în doua din capitolele urmatoare: 10. si 17, asa încât referirile la porozitatea dinamica vor fi facute în capitolele respective. Ceea ce este usor de intuit, este faptul ca porozitatea dinamica este mai mica decât cea efectiva, datorita simplului motiv ca exista zone cu fluid stationar. Sunt implicate mai multe mecanisme, cum ar fi adsorbtia sau blocarea n microcapcane, care nu vor fi discutate aici. Daca se priveste imaginea din figura 5.1. se pot observa micile cavitati laterale n care, chiar si la viteze de curgere mai mai dec t cele din zacaminte (care sunt de ordinul a câtiva cm zi) fluidele sunt stationare.
Un caz special de pori este definit pentru rocile argiloase. Touret s.a. [83] introduce notiunea de por interagregat. Figura 5.2. ilustreaza foarte bine aceasta notiune.
Dupa cum se poate observa, apa este fixata fie în interiorul particulei de mineral, apa planara, fie între particule, în interiorul agregatului de particule, fie între agregatele de particule. Spatiile de cantonare a apei din interiorul agregatelor de particule sau dintre agregate reprezinta porii interagregat. Dupa cum se poate observa pe figura, dimensiunea acestor pori este extrem de mica, adica de ordinul micronilor. O particularitate importanta este si aceea ca gradul

Fig. 1.5.2. Aspectul schematic al porilor interagregat [83].
de comunicare al acestor pori cu spatiul nconjurator este foarte limitat, iar la presiuni litostatice mari (ad ncimi mari, dar nu foarte mari), comunicarea inceteaza, devenind pori necomunicanti.
4.2. Marimea porozitatii rocilor
În cele ce urmeza, atentia se va îndrepta exclusiv catre porozitatea efectiva, iar simbolul m va avea aceasta semnificatie, fara a se mai mentiona acest lucru. Faptul este justificat de interesul practic pe care îl prezinta aceasta porozitate din punctul de vedere al capacitatii de înmagazinare a rocilor colectoare.
Valoarea porozitatii unei roci depinde de multi factori, între care: compozitia mineralogica si cea granulometrica, adâncimea la care se afla roca, gradul de cimentare sau de fisurare.
Porozitatea unei roci nu poate fi evaluata pe cale teoretica, complexitatea si variabilitatea formelor si dimensiunilor porilor facând imposibil un astfel de demers.
Exista un model de roca, asa-zisa roca fictiva, pentru care se poate calcula exact porozitatea. Roca fictiva reprezinta un agregat de sfere cu aceeasi raza. Asezara sferelor este regulata, formând o retea. În figura 5.3. sunt reprezentate trei aranjamente: a) retea cubica primitiva sau P, cea mai putin compacta n care centrele sferelor sunt asezate n colturile unui cub si sunt tangente ntre ele b) retea romboedrica n care pachetele de sfere au centrele decalate n mod simetric fata de centrele pachetului de dedesubt (vezi detaliul d din figura; c) retea hexagonala sau cubica F, cu aranjamentul cel mai compact, asemanatoare cu precedenta, cu deosebirea ca centrele sferelor dintr-un pachet formeaza o retea triunghiulara
n fapt, din punct de vedere geometric toate sunt retele romboedrice dar cu unghiuri diferite.

Fig. 5.3. Schematizarea conceptului de roca fictiva:
a) retea cubica; b) retea romboedrica; c) retea tetraedrica
d) dimensiunea elementului constitutiv pentru reteaua romboedrica.
Din
considerente geometrice simple, nereproductibile aici, se poate obtine
porozitatea unei roci fictive, în functie de gradul de compactizare al
aranjamentului sferelor, masurat prin unghiul mic,
al romboedrului elementar de asezare a sferelor, care variaza
între
la
reteaua tetraedrica si
la
reteaua cubica. Relatia pentru porozitate este urmatoarea:
(5.4.)
Pentru
, rezulta
sau
, iar pentru
rezulta
sau
. Evident, pentru valori intermediare ale unghiului
, valorile porozitatii
se încadreaza între limitele de mai sus.
O prima constatare importanta este aceea ca gradul de compactizare al sferelor are o influenta mare asupra porozitatii: aproape de la simplu la dublu. O a doua constatare, la fel de importanta, este aceea ca în relatia (5.4.) nu apare raza sferelor. Cu alte cuvinte, indiferent de dimensiunea sferelor, la acelasi aranjament, corespunde aceeasi porozitate. La prima vedere s-ar putea crede ca porozitatea scade cu dimensiunea sferelor. Acest lucru este, însa, fals. Ceea ce difera este dimensiunea si, în mod corespunzator, numarul sferelor, respectiv al spatiilor dintre sfere, si nu volumul lor si, implicit, porozitatea.
Daca
la o roca fictiva în retea cubica s-ar adauga un
numar de sfere egal cu numarul de goluri dintre sfere si cu raza
egala cu
din raza sferelor care formeaza roca fictiva
considerata, adica dimensiunea maxima de sfera care se
înscrie între sferele retelei, volumul porilor va scadea exact cu
volumul tuturor sferelor mici intercalate între sferele mari. Porozitatea
va scadea de la 0,4764 la 0,3683 sau de la 47,64% la 36,83%. Continuând
procedeul, adica adaugarea de sfere mici în spatiile ramase
libere, va rezulta, în mod evident, o scadere continua a
porozitatii.
Din acest rationament se deduce concluzia ca neuniformitatea compozitiei granulometrice face ca porozitatea sa fie mica, cu atât mai mica, cu cât neuniformitatea este mai mare, prin mecanismul de intercalare a granulelor mici n spatiile libere dintre cele mari aratat mai sus.
Granulele de nisip care formeaza rocile colectoare se abat, mai mult sau mai putin, de la forma sferica. Daca ntre sfere exista un contact punctiform, ntre granulele reale exista o anumita suprafata de contact. Asta face ca "centrele" granulelor sa fie mai apropiate între ele, adica, pentru acelasi aranjament de retea, asezarea sa fie mai compacta, iar porozitatea mai mica, dar nu mult mai mica
Plecând de la considerentele de mai sus, este usor sa se evidentieze influenta adâncimii asupra porozitatii. În fond, nu este vorba de o influenta explicita, ci de faptul ca adâncimea la care se afla roca, mai precis presiunea litostatica de la adâncimea respectiva determina, asa cum s-a vazut în capitolul 2, unele transformari, între care si compactarea rocilor detritice. Compactarea reduce distanta dintre particulele rocii prin asezare, prin deformare, precum si prin dispunerea granulelor fine între cele grosiere. În figura 5.4. este sche-matizata influenta adâncimii asupra porozitatii.
Se poate observa usor ca exista o slaba corelare între porozitate si adâncime. Zona 1 din figura cuprinde cca 60% din valorile întâlnite, zonele notate cu 2 câte aproximativ 14%, iar zonele 3 cuprind cazurile de exceptie cu câte aproximativ 1%. Lipsa unei foarte bune corelari ntre porozitate si ad ncime este legata si de faptul ca n decursul timpului, o roca poate fi la o anumita ad ncime dupa ca a fost la o ad ncime si mai mare, ca urmare a fenomenului de ridicare a scoartei terestre n anumite zone sau ca urmare a eroziunii importante a stratelor de deasupra.
Ramânând la categoria de roci analizate pâna aici, aceea a rocilor detritice, se mai poate adauga si influenta gradului de cimentare. Punctul de

Fig. 5.4. Variatia porozitatii cu adâncimea
plecare este roca neconsolidata, despre care s-a discutat pâna aici. Particulele sau depunerile de minerale care reprezinta cimentul rocii, ocupa o parte a spatiului dintre granulele rocii, adica din acea parte care da porozitatea rocii. Este lesne de înteles ca, fata de roca neconsolidata, roca consolidata are o porozitate mai mica. Nu trebuie, însa, extrapolata afirmatia de mai sus. Exista numeroase roci consolidate cu porozitate mai mare decât unele roci neconsolidate. Dar, daca doua roci au o compozitie granulometrica foarte asemanatoare, cu exceptia materialului de cimentare, pentru acelasi grad de compactare, roca neconsolidata va fi mai poroasa dcât cea consolidata.
Porozitatea totala a rocilor fisurate depinde de porozitatea matricii si cea a fisurilor. În ceea ce priveste porozitatea matriciala, aceasta depinde într-o masura importanta de compozitia mineralogica si de geneza rocii, respectiv de mediul de sedimentare, de durata lui, de prezenta organismelor etc. Adâncimea influ-enteaza într-o masura nesemnificativa aceasta porozitate.
Cele mai multe roci de precipitatie au porozitati matriciale de sub 10%, chiar de sub 5%. Numai prezenta importanta a vacuolelor de dimensiune mare face ca porozitatea matriciala se depaseasca valoarea de 10%.
La rândul ei, porozitatea fisurala depinde în cea mai mare masura de densitatea si de deschiderea fisurilor. Retelele de fisuri dau o porozitate cuprinsa ntre 0,01 si 2%, iar sistemele de macrofisuri dau o porozitate de sub 0,5%. Fisurile izolate contribuie n mod nesemnificativ la porozitatea fisurala
Din valorile mentionate mai sus rezulta ca sistemul de fisuri are o importanta secundara n capacitatea de inmagazinare a hidrocarburilor. Rolul lor
major este dat de capacitatea mare de curgere, respectiv de permeabilitatea mare conferita rocilor (vezi cap. 10.).
n tabela 5.1. sunt date c teva valori orientative ale porozitatii pentru diferite tipuri de roci.
Tabela 1.5.1. Valori orientative pentru porozitatea rocilor.
|
Tipul de roca |
Porozitatea, % |
|
Roci eruptive |
|
|
|
|
|
Calcare si dolomite |
|
|
Gresie |
|
|
Nisip |
|
|
Argila |
|
|
Creta |
|
|
Geluri |
|
|
Diatomit |
|
Aceste valori nu trebuie considerate ca valori aplicabile pentru calcule. Acelasi tip de roca poate avea porozitati ntr-un domeniu foarte larg, de la simplu la dublu sau chiar mai mult.
5.3. Determinarea porozitatii rocilor
Porozitatea rocilor se determina pe cale directa, pe carote si pe cale indirecta, prin metode geofizice si hidrodinamice.
Metodele geofizice se bazeaza pe masurarea unor parametri n gaura de sonda netubata si estimarea porozitatii pe baza unor corelari, teoretice si statistice. Aceste corelari pleaca de la masuratori paralele, de laborator si geofizice, pe carote, în conditii de saturatie bine controlate. La aceasta ora exista o baza de date extrem de larga, pentru toate tipurile de carotaj, pentru o gama completa de roci si de conditii posibile. O prezentare exhaustiva se gaseste în cursul de geofizica de sonda [66]. Cele mai importante metode geofizice sunt: carotajul electric, carotajul acustic si carotajul radioactiv. Fiecare din aceste metode are mai multe variante.
Metodele geofizice prezinta si anumite slabiciuni. Unele sunt cauzate de lipsa cunoasterii distributiei spatiale a fluidelor n roca la momentul masurarii, de care depind ntr-o masura importanta marimile geofizice masurate si care este o functie complexa, n special de capacitatea de udare a rocii (v. cap. 16) si de variatiile de litofacies la toate scarile (de la micro la mega). Altele sunt cauzate de invazia filtratului din fluidul de foraj (uneori si a solidelor sau chiar a fluidului) foarte greu de controlat si imposibil de descris. Consecinta directa este modificarea starii de saturatie n zona din jurul sondei, tocmai zona care urmeaza a fi investigata. Procesul de modificare a starii de saturatie se produce atâta timp cât se mentine contactul dintre roca si fluid. Exista câteva modele teoretice si empirice de estimare a gradului de invazie a filtratului în stratul productiv, dar s-a dovedit ca sunt departe de a fi precise. Ramân necunoscute raza de invazie (variabila cu adâncimea datorita, n special, variatiilor de litofacies) si gradul de dezlocuire a fluidelor de zacamânt, neuniform pe raza. Situatia se complica daca ntre roca si fluidul de travarsare a formatiunii productive are loc o interactiune fizico-chimica, cum este, de exemplu, hidratarea mineralelor argiloase.
Singura posibilitate de a certifica valorile de porozitate obtinute prin metodele geofizice este aceea de a colecta, n paralel, probe de roca, (prin carotaje mecanice, probe laterale si de sita) si de a corecta, prin suprapunere, parametrii ecuatiilor de calcul a porozitatii. Precizia sporeste daca se executa, pe acelasi interval de adâncime, mai multe tipuri de carotaj.
Meritul cel mai mare al masuratorilor geofizice este acela de a pune la dispozitie valori ale porozitatii pe toata deschiderea stratului productiv, n toate sondele de pe structura, ceea ce permite obtinerea unei imagini globale a porozitatii zacamântului. Se pot identifica pachetele de roca cu porozitate apropiata, cu continuitate litologica, imperios necesare pentru calculul volumului de pori din zacamânt.
Metodele de investigatie hidrodinamica a zacamintelor de hidrocarburi nu au în vedere determinarea porozitatii. Totusi, din masuratorile de presiune la deschiderea sondelor sau din testele de interferenta, se poate determina volumul de pori din zona de influenta a sondei si, respectiv, porozitatea efectiva [67]. Valorile obtinute sunt valori medii pe un volum mare de zacamânt. Prin comparatei cu celelalte metode de determinare, poate furniza o buna posibilitate de corelare si de corectie.
Metodele de determinare directa pe carote sunt numeroase si variate, dat fiind interesul multor domenii tehnice pentru aceasta proprietate.
Literatura de specialitate n acest domeniu este deosebit de vasta. Exista zeci de aparate pentru determinarea porozitatii n laborator.
În principiu, sunt necesare doua din cele trei volume care se refera la porozitatea rocilor: volumul brut, Vb, volumul de pori, Vp, si/sau volumul de minerale, Vm,. Cele mai multe metode presupun determinarea volumului brut si a unuia din celelalte doua.
În cele ce urmeaza, vor fi tratate foarte succint câteva metode de determinare a volumelor mentionate. Descrierea detaliata a metodelor se gaseste n [18].
Volumul brut se determina pe cale geometrica la probele paralelipipedice si cilindrice sau prin masurarea volumului de fluid pe care l dezlocuieste cu ajutorul unui picnometru. În cel de al doilea caz, masuratoarea este corecta daca nu intra fluid de dezlocuire n proba si daca nu ramân bule de aer prinse n capcane capilare la suprafata probei. Sunt doua posibilitati: fie se satureaza proba cu un fluid inert si cu tensiune superficiala mica (petrol lampant, toluen etc), fie se foloseste mercurul care nu intra n porii probei la presiuni mici, din gama presiunilor de lucru.
Balanta Westman foloseste principiul lui Arhimede. Este masurata forta necesara submergentei probei n mercur, egala cu greutatea mercurului dezlocuit, proportionala, la rândul ei, cu volumul brut.
Determinarea volumului brut al nisipurilor neconsolidate este o problema dificila, mai ales pentru probele conventionale (v. anexa 2). Refacerea gradului de compactare din zacamânt se realizeaza prin introducerea probei ntr-o celula cilindrica si exercitarea unei presiuni egale sau putin superioare presiunii litostatice cu ajutorul unui piston, actionat de o presa hidraulica. Rezultatul nu este foarte sigur, tasarea naturala fiind diferita de cea artificiala.
Volumul de pori sau volumul de minerale se determina, n mod curent prin trei metode.
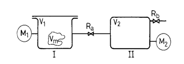
Porozimetrul Boyle-Mariotte, a fost construit n numeroase variante. Schematizarea unui astfel de aparat este aratata n figura 5.5.

Fig. 5.5. Schema unui porozimetru Boyle-Mariotte.
Proba se introduce ntr-un vas de volum cunoscut, V1, si se creste presiunea la valoarea p1, de 4...5 bar prin introducerea unui gaz (azot, heliu sau aer). Prin intermediul robinetului Ra se realizeaza comunicatia cu un alt vas de volum V2, presiunea scade pâna la o valoare p2. Presiunile n cele doua vase se masoara cu manometrele M1 si M2. Operatia se repeta, pornind de la aceeasi presiune p1, fara proba n aparat. În acest caz, presiunea va atinge valoarea p'2 > p2, deoarece volumul ocupat de gaz este mai mare exact cu volumul partii solide a rocii, Vm. Numarul de moli de gaz din celula fara proba este, evident, mai mare.
Scriind de doua ori legea lui Boyle-Mariotte se obtine:
(5.5.)
(5.6.)
Din cele doua relatii se obtine:
(5.7.)
Pentru ca precizia determinarii sa creasca, se face corectia de neidealitate prin folosirea factorului Z.
O posibilitate de a determina volumul de pori comunicanti este aceea de a evacua aerul din proba prin relizarea unui vacuum naintat si masurarea volumului de aer extras. Volumul acestuia reprezenta o buna aproximare pentru volumul de pori comunicanti. Precizia creste pe masura ce vacuumul este mai avansat, adica volumul de aer ramas n proba este mai mic. Un aparat de acest fel este porozimetrul Washburn-Bunting (v.[18]).
O metoda de determinare a volumului de pori comunicanti este si saturarea probei cu un lichid. Proba este cântarita nainte si dupa saturare. Prin mpartirea cresterii de masa la densitatea lichidului se obtine volumul de lichid din proba, adica volumul de pori comunicanti. Saturarea completa cu lichid nu este usor de obtinut. O discutie completa este prea ampla pentru a fi prezentata aici (v. [18]).
Problemele care apar n determinarea porozitatii sunt legate mai putin de metoda sau aparatul folosit dar mai mult de alterarea probelor de roca. Aceste probleme sunt prezentate pe larg n anexa 2. Vom aminti aici doar cazul rocilor neconsolidate când trebuie refacut gradul de consolidare, cazul rocilor fisurate când fisurile se pot largi si cazul rocilor care contin minerale argiloase când pot aparea transformari ireversibile cu modificari ale volumului de pori, mai ales datorita modificarii echilibrului ntre aceste minerale si apa de contact. O alta dificultate potentiala rezulta din aparitia cristalelor din mineralele dizolvate n apa de zacamânt n procesele de carotare, transport si pregatire a probelor, mai ales n cazul zacamintelor de gaze.
Metodele de determinare a porozitatii se fac, de regula, la presiunea atmosferica sau la presiuni scazute si la temperatura din laborator, mult diferite de cele din zacamânt. În capitolul 9 este discutata pe larg modificarea volumului de pori prin modificarea presiunii litostatice si a presiunii fluidelor din pori. Van der Knaap a propus urmatoarele corelari pentru corectarea porozitatii masurate n laborator, ms:
(5.10.)
pentru gresii si
(5.11.)
pentru calcare. În aceste relatii, presiunea, p, reprezinta presiunea efectiva, adica diferenta dintre presiunea litostatica si cea hidrostatica
n ultimii ani a fost adaptata pentru determinarea porozitatii efective si radiografia neutronica [111], principial asemanatoare cu tomografia cu raza X prezentata n capitolul 4.
Foarte recent, n anul 2003, a fost pusa la punct o noua metoda de determinare a porozitatii efective folosind rezonanta magnetica nucleara
Determinarile pe carote sunt aproape totdeauna insuficiente, atât pentru a cuprinde toata grosimea formatiunii productive cât si pentru toata suprafata productiva. Fara a mai evidentia dificultatile pe care aceasta lipsa de informatii le creaza celor care proiecteaza exploatarea zacamântului, vom sublinia numai faptul ca efectele necunoasterii se traduc în pagube importante determinate de calculul inexact al resurselor de hidrocarburi. În mod obisnuit se procedeaza la integrarea tuturor informatiilor disponibile: analize de carote, diagrafii diverse (carotaj acustic de viteza, carotaj electric cu microdispozitive, carotaj neutronic, carotaj de densitate) si cercetarea hidrodinamica.
Pentru valori medii pe zacamânt se recurge la prelucrarea statistica a tuturor informatiilor prin metode specifice, care nu fac obiectul lucrarii de fata. Pentru detalii, vezi [88,89]
Aplicatia 1.
Sa se calculeze porozitatea unei probe de roca cu urmatoarele caracteristici:
Masa probei uscate: mm = 104,1 g;
Masa probei saturata cu apa: mb = 120,2 g;
Densitatea apei: a = 1001 kg/m3;
Masa probei saturate cufundata în apa: mc = 64,7 g.
Aceasta este porozitatea efectiva sau cea absoluta? Care este cea mai probabila compozitie mineralogica a rocii si de ce?
Raspuns
Determinarea volumului de
Masa apei din pori este: ma = mb - mm = 16,1 g.
Volumul apei din pori: Va = ma / a = 16,08 cm3
Presupunând ca proba este complet saturata cu apa, volumul de pori este
Vp = 16,08 cm3.
Determinarea volumului brut.
Volumul mineralelor rocii este: Vm =(mm - mc)/ ρa = 39,36 cm3
Volumul brut Vb = Vm + Vp = 55,44 cm3.
3. Porozitatea : m = Vp/Vb = 0,29 = 29%.
Porozitatea este cea efectiva deoarece volumul de pori s-a determinat prin intermediul volumului de apa care satureaza proba, care a patruns, evident, numai în porii comunicanti.
4. În primul rând este vorba de o proba consolidata. Este probabil sa fie o gresie provenita dintr-un nisip relativ uniform si nu foarte compact. Un nisip uniform bine tasat are porozitati de ordinul a 25%. Daca este si neuniform porozitatea este înca mai mica, iar daca are si material de cimentare, porozitatea este si mai mica.
Aplicatia 2.
Sa se estimeze scaderea porozitatii unei roci datorita umflarii mineralelor argiloase continute, n conditiile n care numai o parte din acestea vin n contact cu apa. Se cunosc: porozitatea initiala, m=35%, coeficientul de umflare, a) cu=3 sau b) cu=6, fractia de minerale argiloase, 1) fa=1%, 2) fa=5% sau 3) fa=10%. Se vor considera trei situatii pentru partea mineralalor argiloase care vin n contact cu apa: ) fah=30% , ) fah=50% si ) fan=100%.
Raspuns
Cresterea de volum a mineralelor argiloase dintr-un metru cub de roca, care reprezinta, în acelasi timp scaderea porozitatii de la m la m' este dat de relatia:
![]()
Aplictia numerica a relatiei pentru datele problemei este data n tabela urmatoare:
|
cu |
fa, |
fah, |
m, |
m', |
|
|
|
|
|
|
|
|
|
|
||
|
|
|
|
||
|
|
|
|
|
|
|
|
|
|
||
|
|
|
|
||
|
|
|
|
|
|
|
|
|
|
||
|
|
|
|
||
|
|
|
|
|
|
|
|
|
|
||
|
|
|
|
||
|
|
|
|
|
|
|
|
|
|
||
|
|
|
|
||
|
|
|
|
|
|
|
|
|
|
||
|
|
|
|
Se poate observa intervalul mare de valori ale porozitatii m', datorita conditiilor foarte diverse privind fractia de minerale argiloase hidratabile si coeficientii de umflare.
n realitate, este greu de presupus un proces care sa duca la valori foarte mici ale porozitatii, pentru ca, pe masura ce are loc micsorarea volumului porilor, are loc si micsorarea dimensiunii acestora, concomitent cu crearea de blocaje locale n zona constrictiilor, astfel ca accesul apei devine din ce n ce mai limitat.
ntrebari si probleme
|