ALTE DOCUMENTE
|
||||||||||
|
jen někdy |
elektrické dobrzďování |
při nesamosvorné převodovce |
ruční ovládání |
polohové x momentální |
2,5% indikace 1% zpětná vazba |
|||||
|
|
| |||||||||
|
energie ====> |
elektrický motor |
brzda |
převodovka 323s1817d |
koncové spínače |
vysílač polohy | |||||
|
samosvorná x nesamosvorná | ||||||||||
Parametry: - rozměr
mechanická charakteristika (
. [
] . [
])
konstantnost (proměnnost) otáček a moznost jejich regulace
přetízitelnost
tepelná a klimatická odolnost
zatězovatel ![]()
Dělení motoru podle napájení: - stejnosměrné
- střídavé
Dělení motoru podle principu činnosti: - stejnosměrné
- indukční
- synchronní
Stejnosměrné
Stator zpravidla tvořen stálým magnetem, rotor cívkou napájenou stejnosměrným napětím. Kontakty na rotoru uspořádány tak, aby při otáčení rotoru docházelo k přepólovávání magnetického pole, čím se motor udrzuje v otáčkách.
a) sériové - budící a rotorové vinutí spojeno sériově, otáčky lze řídit pouze změnou výkonu motoru, nelze pouzít k reprodukci (vrácení) energie
pouzití: tramvaje, trolejbusy(dopravní prostředky)
|
|
|
moment vzrůstá s klesajícími otáčkami |
b) derivační - paralelní spojení budícího a rotorového vinutí umozňuje velkou změnu otáček regulací budícího proudu malá závislost otáček na momentu momentu umozňuje rekuperaci
|
|
|
c) kompaudní - sérioparalelní spojení budících a rotorových vinutí
momentová charakteristika má různý tvar, podle toho, zda převazuje sériová či derivační slozka ve statoru
lze rekuperovat
lze vhodným způsobem dosáhnout velkého záběrného momentu při současné regulaci otáček
Střídavé
a) jednofázové
podobné jako stejnosměrné motory (vinutí ve statoru, rotoru)
magnetické obvody ze skládaných ocelových plechů vzájemně izolovaných kvůli omezení vířivých proudů
sérové zapojení (moment kolísá mezi 0 a maximem s dvojnásobnou frekvencí napájecího napětí)
relativně velká závislost otáčky / moment
nemají omezeno maximum otáček
pouzití - ruční nářadí
Třífázový asynchronní motor
Připojen na 3 fázovou soustavu. V kotvě se indukují magnetickým polem statoru proudy, které vytváří dalsí magnetické pole kotvy. Působením obou polí se rotor roztočí. Aby se motor točil, tj. aby docházelo k indukci v kotvě, musí se kotva točit pomaleji, nez točivé pole statoru (odtud název asynchronní) - tomuto zpozdění se říká skluz a vyjadřuje se v procentech (výpočet viz. 2. vzorec - s). Jednoduchá konstrukce, obsluha, hodně rozsířené - vyuzívá se předevsím tam, kde lze vyuzít motor s konstantními otáčkami. Kdyz chceme, aby se točil opačně, jen prohodíme dvě fáze.
počet
pólových dvojic
skluz - o
kolik % jsou otáčky nizsí něz ty synchronní (2 - 5%)
|
|
|
|
momentová charakteristika asynchronního motoru |
|
Třífázový synchronní motor
Připojen na 3 fázovou soustavu. Stator - 3 fázové vinutí napájené ze sítě. Rotor je tvořen vinutím buzeným stejnosměrným proudem. Otáčky rotoru jsou synchronní s točivým magnetickým polem. Při velké zátězi dojde k rozsynchronizování.
![]()
Pouzití třífázového motoru jako jednofázového:

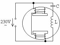
Jednofázový indukční motor
|
|
Pro roztočení je potřeba pomocné vinutí. Kondenzátor způsobí posun proudu v pomocné cívce. Točivé magnetické pole po rozběhu cívku odpojí odstředivou silou. Pro napájení a řízení elektrických motorů se pozívají usměrňovače, střídače, stejnosměrné a střídavé měniče. Pouzití: Pračky, ledničky. |
Krokový motor
Pro řízení potřebují speciální jednotku, která zajistí postupné budící impulsy pro jednotlivá vinutí statoru. Stator opatřen několikafázovým vinutím. Speciální napájecí jednotka vytváří sled impulzů, kazdý impulz vytvoří (vyvolá) pootočení o 1 krok. Pouzívá se pro pohon polohovacích zařízení. Snadné ovládání počítačem.
|
řídící |
| ||||||||||
|
signál | |||||||||||
|
t |
|||||||||||
|
A | |||||||||||
|
B | |||||||||||
|
C | |||||||||||
|
D |
Typy krokových motorů
a) krokový motor s pasivním rotorem - Rotor je tvořen svazkem plechu s výstupky nalisovanými na hřídel. Mohou být tří a více fázové.
b) krokový motor s aktivním rotorem - Rotor je tvořen magnety.
c) krokový motor s odvalujícím se rotorem - Hodí se pro ovládání posunu, rotace přesně definované hodnoty, není třeba zpětná vazba.
|
|
|
Pneumatické pohony
Vyznačují se jednoduchým a robustním provedením, čistotou provozu, vysokou provozní spolehlivostí, velkými silami (az 104 N), poměrně krátkými přestavnými dobami.
Hodí se pro agresivní prostředí s nebezpečím pozáru či exploze.
Membránový pohon
Změnou tlaku p vzduchu dochází k posuvu akčního členu. Při zvýsení tlaku p jde proti pruzině akční člen směrem dolů. Při snízení tlaku je akční člen vlivem pruziny tlačen nahoru.

Pístový pohon
|
|
Pro velká zdvihy |
Rotační křídlový pohon
|
|
vysoké otáčky dostatečný kroutící moment hlučný při delsím provozu namrzá |
|