ALTE DOCUMENTE
|
||||||||||
Integrované stabilizátory napětí a stabilizátory proudu
Účinnost stabilizátoru se vyjadřuje t.zv. činitelem
stabilizace
který má být co největsí. Protoze pro
dobrou účinnost stabilizátoru má být poměr
co nejblíze roven 1, musí být
co největsí.
Obecně dělíme stabilizátory na stabilizátory stejnosměrných veličin a střídavých veličin a na stabilizátory proudů a stabilizátory napětí.
Stabilizátory stejnosměrných napětí
Rozeznáváme stabilizátory parametrické, které nemají zpětnou vazbu mezi výstupem a vstupem a stabilizátory degenerativní, které mají zpětnou vazbu mezi výstupním a vstupním napětím.
Parametrické stabilizátory - jsou zalozeny na činnosti stabilizačních diod, z nichz nejznámějsí je Zenerova dioda.
Degenerativní stabilizátory napětí
Pouzívají tranzistor jako regulační prvek a to 17417b116r buď v podélné větvi
(v sérii se zátězí), nebo v příčné větvi (paralelně k zátězi).

Je-li tranzistor v podélné větvi, vykazuje stabilizátor velmi malý vnitřní odpor a musíme zdroj chránit před zkratem na výstupu, který obvykle vzdy vede ke zničení tranzistoru. Ovsem úbytek napětí na tranzistoru bývá malý a stabilizátor mívá velkou účinnost.
Je-li tranzistor v příčné větvi, dochází na podélném odporu k trvalé wattové ztrátě, která zhorsuje účinnost stabilizátoru. Ovsem tyto stabilizátory jsou automaticky odolné proti zkratu.
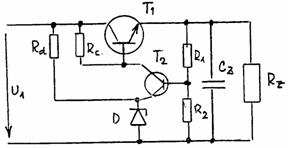
Ukazme činnost stabilizátoru s tranzistorem v podélné větvi podle

Stabilizátor s tranzistorem Stabilizátor se zesilovačem
v podélné větvi odchylky
Na bázi regulačního tranzistoru je konstantní napětí, určované referenčním zdrojem Uref. Tranzistor je řízen napětím UBE , které je dáno rozdílem Uref - Uvýst . Klesne-li výstupní napětí (ať uz z důvodů poklesu zátěze, nebo z důvodů poklesu vstupního napětí), zmensí se napětí na emitoru transistoru, tím vzroste řídící napětí tranzistoru UBE , tranzistor se více otevře, jeho dynamický odpor klesne a výstupní napětí vzroste, čímz se kompenzuje pokles napětí, který regulační zásah vyvolal. Při vzrůstu výstupního napětí proběhne regulační proces opačným způsobem.
Výstupní napětí je určeno hodnotou napětí referenčního zdroje a výsledná odchylka zádané hodnoty výstupního napětí od zadané hodnoty referenční je nepřímo úměrná zesílením v regulační smyčce. Čím je toto zesílení větsí, tím je odchylka mensí (jedná se o statický systém).
Proto se nejčastěji pouzívají stabilizátory se zesilovačem odchylky.
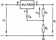
V praxi se vyrábí monolitické stabilizátory v integrované formě, které se pouzívají jako normální součástky.
Základními typy integrovaných
stabilizátorů jsou typy TESLA řady MA 78.., které se vyrábí pro
kladná napětí 5, 12,

Hodnota výstupního napětí je dána vztahem
.
Dalsími stabilizátory jsou obvody typu MAA
723. Tyto stabilizátory mají vnitřní zdroj referenčního napětí
7,15 V, výrobce dovolí připojit na obvod maximální napětí +40V
(přičemz mezi společnou svorkou obvodu
a) výstupní napětí < 7,15V a proud < 150 mA
b) b) výstupní napětí 40 V> Uvýst >7,15V, výstupní proud < 150 mA
c) c) výstupní napětí > 40 V
d) d) výstupní proud > 150 mA.
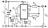
Uvedeme základní zapojení pro tyto jednotlivé varianty
a) Zapojení stabilizátoru pro Uvýst = 4,5 V, proud 50 mA.

Protoze doporučuje výrobce zatězovat vnitřní referenční zdroj proudem
1 mA platí ![]()
Na svorce 3 je jeden vstup vnitřního operačního zesilovače, druhý vstup je na svorce 2. Napětí na svorce 3 určí velikost výstupního napětí, platí tedy
, takze lze psát
, tudíz
.
Hodnota
odporu R3 se volí tak, aby oba vstupy operačního
zesilovače byly stejně zatízeny, tudíz R3 = R1
// R2= 4 ,5.103//2,65.103=1,67kW. Proudové omezení se nastavuje rezistorem R0. Jeho
hodnota je dána vztahem
.
Kondenzátor C3 má výrobcem doporučenou hodnotu C3 =
1000 pF.
Kondenzátor C2 filtruje dodatečně vydělené referenční napětí a jeho hodnota není kritická, obvykle se volí 1 mF. Kondenzátor C1 je součástí předřazeného usměrňovače a jeho hodnota se volí tak, aby zvlnění napětí U1 nepřesáhlo 10 U2.
b) b) Výstupní napětí je 10V, výstupní proud 100 mA.
Protoze výstupní napětí je větsí nez 7,15V, volí se zapojení : 
Výstupní napětí je nutno vydělit
děličem R1-R2 na hodnotu referenčního
napětí, coz lze zapsat vztahem
.
Jako druhou podmínku pro určení odporového děliče je výhodné
volit proud děličem jako v předchozím případě Id
= 1 mA. Potom
.
Protoze napětí na celém děliči je 10V a napětí na R2
je 7,15V, zbývá na R1 napětí 2,85V, coz při proudu 1 mA dá
odpor 2k85. Tento je nejlépe sestavit ze dvou rezistorů, (např.
2k7+150J). Rezistor R3 pouze převádí potenciál
referenčního zdroje na vstup 3 porovnávacího operačního
zesilovače a z důvodů symetrického zatízení obou
vstupů OZ je dán vztahem R3 = R1//R2=7,15//2,85=2kW. Tato hodnota ale není kritická a lze jí nahradit odporem 1k8
nebo 2k2.
Rezistor R0 je opět dán
vztahem ![]()
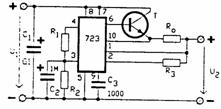
c)Výstupní napětí U2 = 5V, výstupní proud I2 = 4A.
Mozné schéma zapojení je na obr, 
Protoze maximální dovolený proud
stabilizátoru je 150 mA, musíme pro dosazení proudu
.
Vzhledem k zadání omezíme tedy výstupní proud odporem
.
Na odporu bude wattová ztráta asi 2,6 W, proto musí být navinut z odporového drátu nebo umístěn na chladiči. Ostatní hodnoty odporů se určí jako v prvním případě. Pro proud děličem 1 mA je odpor děliče R1 - R2 roven 7k15 a odpor R2 = 5 kW, R1 = 2k15. Odpor R3 je opět R1//R2=1k5.
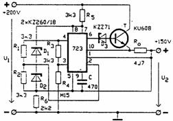
d) Výstupní napětí stabilizátoru je +150 V.
Mozné schéma zapojení je na obr. 
Celé zapojení je napájeno z napětí + 200 V. Musíme dodrzet podmínky,ze
U8-5max = 40V, a U5-výstup < 35V. Vytvoříme kaskádu R5 - D1 - D2
- R6, kde na Zenerových diodách vznikne napětí +36 V. Svorka 5
je spojena přímo s výstupem. Na odporu R6 je tedy plné
výstupní napětí a teče jím proud
.Protoze
proud vývodem 5 (vlastní spotřeba obvodu 723) je 4 mA, teče přes
Zenerovy diody rozdíl 64 mA. Vzhledem k hodnotám odporů R1
a R2, které jsou shodné a je na nich referenční napětí, je
na svorce 2 napětí Uref/2 = 3,58 V. Napětí na svorce 3
(druhý vstup vnitř. zesilovače) je získáno z odporového
děliče R3-R4. Rezistor R4 je
připojen dole na zem výstupního napětí a hodnoty R3 a R4
musí být zvoleny tak, aby na svorce 3 bylo rovněz 3,58 V. Zvolíme-li tedy
proud tímto děličem 1 mA, bude na R4 právě úbytek 150
V. Jako tranzistor zvolíme KU 607 s h21E = 50. Maximální proud
ze stabilizátoru bychom získali I2max = I6max . h21E
= 0,15.50 =7,5 A Pouzijeme.li R0 = 4J7, omezíme výstupní proud na
.
Tento proud by dal samotný obvod 723, ale není schopen zabezpečit
pozadované napětí +150 V, proto musí být pouzit externí tranzistor s UCEM
= 250V.
Stabilizátory střídavých veličin
Mezi stabilizátory střídavého napětí patří stabilizátory ferorezonanční a stabilizátory pouzívající přesytku.
Zapojení ferorezonančního stabilizátoru je na obr.

Indukčnost L je provedena jako transformátor, s primárním i sekundárním vinutím, její sycení je zvoleno tak, aby pracovala za kolenem magnetizační křivky. Primární vinutí je zapojeno v serii s kondenzátorem, jehoz kapacita je zvolena tak, aby byla v rezonanci s indukčností L.Kolísá-li vstupní napětí o veličinu Du1, projeví se změna na výstupním napětí pouze o Du2. Napětí na kapacitě je otočeno oproti napětí na indukčnosti o 1800 (jsou v rezonanci) a tudíz se část napětí Du2 snímá pomocí transformátoru T1 a odečítá se od napětí u2 tak, aby výsledná změna výstupního napětí byla nulová. Sekundární vinutí indukčnosti L má takový převod, aby výstupní napětí mělo zádanou velikost.
-
stabilizátory s přesytkou mají zařazenou v serii se
spotřebičem indukčnost, jejíz pracovní bod je ovládán
řídícím vinutím, napájeným stejnosměrným proudem. Změny
výstupního napětí se snímají přímo zhavenou diodou, po
usměrnění se porovnávají s referenčním napětím a odchylka
obou napětí se vede přes výkonový zesilovač do řídícího
vinutí k ovládání pracovního bodu přesytky. Schema zapojení je na obr.
Tvar výstupního napětí těchto stabilizátorů je zkreslen vyssími
harmonickými v důsledku přesycené tlumivky a proto pro zlepsení tvaru
křivky bývá na výstupu zapojen filtr na
|