PROTOKOL
Název Úlohy:
Zadání: A změřte VA charakteristiku rezistoru v rozmezí 0-100mA
B ) změřte VA charakteristiku zárovky
C ) znázorněte VA charakteristiky graficky v lneárních souřadnicích
D ) znázorněte závislost R= f ( U ), v grafu vyznačte toleranční pásmo hodnot
Měřený předmět: zárovka, R = 510 , R = 5,1
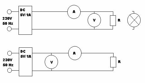
Pouzité měřící přístroje a zdroje: ampérmetr - miliampéry, voltmetr - volty, zdroj DC 5V/1A
Schéma zapojení:

Popis měření - postup:
Sestavíme obvod podle schématu a odečítáme hodnoty na měřících přístrojích, vse opakujeme se zárovkou.
Zárovka:
|
Napětí |
Proud |
Odpor 545i88f |
Chyba | ||||||
|
α [díly] |
k |
U [ V ] |
[díly] |
k |
I [ mA] |
Rs |
Rd |
Δa | |
Rezistor 510 Ω:
|
Napětí |
Proud |
Odpor 545i88f |
Chyba | ||||||
|
α[díly] |
k |
U [ V ] |
[díly] |
k |
I [ mA] |
Rs |
Rd |
Δa | |
|
| |||||||||
Rezistor 5,1 kΩ:
|
Napětí |
Proud |
Odpor 545i88f |
Chyba | ||||||
|
α[díly] |
k |
U [ V ] |
[díly] |
k |
I [ mA] |
Rs |
Rd |
Δa | |
Grafy:
Graf zárovky:

Graf rezistoru:

Závěr:
Měřením jsme si ověřili pravdivost Ohmova zákona. Rezistor je lineární, zárovka je nelineární. Pro větsí přesnost je lepsí pouzít digitální přístroje.
|