International Lebanese School 30.11.2004
PHYSICS
The maximum mark is 46
A student has available some resistors, each of resistance 100 W
(a) Draw circuit diagrams, one in each case, to show how a number of these resistors may be connected to produce a combined resistance of (i) W (ii) W (iii) W

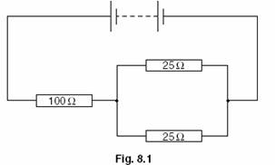
(b) The arrangement of resistors shown in Fig. 8.1 is
connected to a battery.
The power dissipation in the 100 W resistor is 0.81W. Calculate
(i) the current in the circuit,
(ii) the power dissipation in each of the 25 resistors.
[ 8 marks ]
A household electric lamp is rated as 240V, 60W. The filament of the lamp is made from tungsten and is a wire of constant radius 6.0 m. The resistivity of tungsten at the normal operating temperature of the lamp is
7.9 Wm
(a) For the lamp at its normal operating temperature,
(i) calculate the current in the lamp,
(ii) show that the resistance of the filament is 960 W [ 3 ]
(b) Calculate the length of the filament. [ 3 ]
(c) Comment on your answer to (b) [ 1 ]
A thermistor has resistance 3900 W at 0 °C and resistance 1250 W at 30 °C. The thermistor is connected into the circuit of Fig. 8.1 in order to monitor temperature changes.

Fig. 8.1.
The battery of e.m.f. 1.50V has negligible internal resistance and the voltmeter has infinite resistance.
(a) The voltmeter is to read 1.00 V at 0 °C. Show that the resistance of resistor R is 7800 W [2]
(b) The temperature of the thermistor is increased to 30 °C. Determine the reading on the voltmeter. [ 2 ]
(c) The voltmeter in Fig. 8.1 is replaced with one having a resistance of 7800 W. Calculate the reading on this voltmeter for the thermistor at a temperature of 0 °C.

![]() |
![]()
elementary charge, e C mass of electron, m kg
![]()
[ 2+1 ]


The heater is connected to a mains supply by means of two long cables.

[ 6 marks ]
The diagram shows an electron in a uniform electric field. In which direction will the field accelerate the electron?

[ 1 ]

7 The diagram shows a thundercloud
whose base is 500 m above the ground.
The potential difference between the base of the cloud and the ground is 200 MV. A raindrop with a charge of 4.0 x 10 C is in the region between the cloud and the ground. What is the electrical force on the raindrop?
[ 2 ]
Two wires made of the same material and of the same length are connected in parallel to the same voltage supply. Wire P has a diameter of 2 mm. Wire Q has a diameter of 1 mm. What is the ratio current in P/ current in Q
[ 2 ]
What is an equivalent unit to 1 volt?
A 1 J A B 1 J C C 1 W C D 1 W s
[ 1 ]
The potential difference between point X and point Y is 20 V. The time taken for charge carriers to move from X to Y is 15 s, and, in this time, the energy of the charge carriers changes by 12 J. What is the current between X and Y?
[ 2 ]
Kirchhoff's two laws for electric circuits can be derived by using conservation laws. On which conservation laws do Kirchhoff's laws depend?
[ 2 ]
The variation with potential difference V of the current I in a semiconductor diode is shown below.

What is the resistance of the diode for applied potential differences of
+1.0V and -1.0V?
|