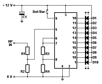
Je vous propose ici un projet de VU mètre logarithmique 10 leds. Ce montage convient pour afficher la puissance de sortie d'un amplificateur de puissance. L'entrée étant pourvue d'un diviseur de tension (R1 et R2), il est possible de l'adapter toute puissance comprise entre 100 et 600 watts, sous 4 ou 8 ohms, de sorte obtenir une tension de sortie égale la sensibilité d'entrée du LM3915. La résistance R2 étant de 10 K, il suffit de modifier la valeur de R1 pour adapter le niveau.
Il faut prendre pour référence les tensions la
sortie de l'ampli (valeurs
RMS
- 350 W sous 8 ohms = 52,9
V 350 W sous
4 ohms = 37,4 V
- 200 W sous 8 ohms = 40
V 200 W sous 4 ohms = 28,3 V
- 100 W sous 8 ohms =
28,3V 100 W sous 4 ohms = 20 V
- 50 W sous 8 ohms = 20
V 50 W sous 4 ohms = 14,1 V
La valeur de R1 se calcule de la façon suivante tension de référence ampli - 10 = la valeur en K de
R1, exemples :
52,9 - 10 = 42,9 K
40 - 10 = 30 K
Toujours arrondir la valeur entière
supérieure la plus proche.
La sensibilité d'entrée du LM3915 (via R3 et R4) est de +/- 10 Volts. Un courant de +/- 15 mA traverse les diodes D1 D10. Un cavalier permet de sélectionner un affichage en mode point ou barre. La consommation globale est de +/- 20 mA en mode point et de +/- 160 mA en mode barre.
Le circuit LM3915 indique les niveaux par pas de 3 db; de -27 db +0 db.



Je vous propose deux versions de la platine, choisir en fonction de l'encombrement.
R1 = 47 K (valeur
recalculer en fonction des besoins
R2 = 10 K
R3 = 1K2
R4 = 8K2
C1 = 10 µF 25 V
IC1 = LM3915
SW1 = switch pour mode dot/bar des leds
D1 = led rouge
D2 = led jaune/orange
D3..D10 = led verte
|