
ELECTRICITE
ELECTRONIQUE
AUTOMOBILES CITROËN
Société Anonyme au capital de 1 400 000 000 F
R.C.S. Nanterre B 642 050 199
Siège Social : 62, boulevard
Victor Hugo
92208 Neuilly-sur-Seine Cedex
Tél. : 01.47.48.41.41 - Télex : CITR 614 830 F
AUTOMOBILES CITROËN
Centre International de Formation CITROËN
Edition janvier 2003

SOMMAIRE
- 1 - LE MULTIMETRE .................... 19319x239t .................... 19319x239t .................... 19319x239t ................... page 1
ELECTROMAGNETISME.................... 19319x239t .................... 19319x239t .................... 19319x239t .... page 2
2.1 Electromagnétisme .................... 19319x239t .................... 19319x239t .................... 19319x239t .................... 19319x239t ....... page 2
- 3 - PRINCIPE DE L'EFFET HALL .................... 19319x239t .................... 19319x239t ............. page 3
- 4 - LES TRANSDUCTEURS PIEZO-ELECTRIQUES page 4
- 5 - COMPOSANTS ELECTRONIQUES .................... 19319x239t .................... 19319x239t ... page 5
5.1 La diode .................... 19319x239t .................... 19319x239t .................... 19319x239t .................... 19319x239t ................... page 5
5.2 La diode de Zener .................... 19319x239t .................... 19319x239t .................... 19319x239t .................... 19319x239t ..... page 5
5.3 Le transistor NPN .................... 19319x239t .................... 19319x239t .................... 19319x239t .................... 19319x239t ..... page 6
5.4 Le transistor PNP .................... 19319x239t .................... 19319x239t .................... 19319x239t .................... 19319x239t ..... page 6
- 6 - CIRCUIT PARALLELE .................... 19319x239t .................... 19319x239t .................... 19319x239t .......... page 7
- 7 - CIRCUIT SERIE .................... 19319x239t .................... 19319x239t .................... 19319x239t .................... 19319x239t .... page 7
- 8 - SCHEMA ELECTRIQUE .................... 19319x239t .................... 19319x239t .................... 19319x239t ...... page 8
- 9 - SITUATION PROBLEME .................... 19319x239t .................... 19319x239t .................... 19319x239t ..... page 9
- 10 - PRODUCTION D'ENERGIE .................... 19319x239t .................... 19319x239t ................ page 9
10.1 Nécessité .................... 19319x239t .................... 19319x239t .................... 19319x239t .................... 19319x239t ................ page 9
10.2 Flux des énergies.................... 19319x239t .................... 19319x239t .................... 19319x239t .................... 19319x239t ...... page 9
- 11 - MISE EN SITUATION .................... 19319x239t .................... 19319x239t .................... 19319x239t .......... page 10
- 12 - RAISON D'ETRE DU CIRCUIT DE CHARGE .................... 19319x239t page 10
- 13 - DESCRIPTION .................... 19319x239t .................... 19319x239t .................... 19319x239t .................... 19319x239t .... page 11
- 14 - PRINCIPE DE FONCTIONNEMENT .................... 19319x239t .................. page 11
14.1 Conditions pour avoir un courant induit .................... 19319x239t .................... 19319x239t ............ page 12
- 15 - CONDITIONS A REMPLIR PAR UN ALTERNATEUR page 12
- 16 - LES DIFFERENTS ELEMENTS .................... 19319x239t .................... 19319x239t ......... page 13
16.1 Le rotor ou inducteur .................... 19319x239t .................... 19319x239t .................... 19319x239t ................... page 13
16.2 Le stator ou l'induit.................... 19319x239t .................... 19319x239t .................... 19319x239t .................... 19319x239t .. page 14
16.3 Le pont de diodes.................... 19319x239t .................... 19319x239t .................... 19319x239t .................... 19319x239t .... page 15
16.4 Le régulateur .................... 19319x239t .................... 19319x239t .................... 19319x239t .................... 19319x239t ........... page 16
- 17 - SCHEMA DE PRINCIPE DU CIRCUIT DE CHARGE page 19
- 18 - CONTRÔLE DU CIRCUIT DE CHARGE .................... 19319x239t .......... page 19
18.1 Description du contrôleur du circuit de charge .................... 19319x239t .................... 19319x239t .. page 19
18.2 Branchement du contrôleur du circuit de charge.................... 19319x239t .................... 19319x239t page 20
18.3 Caractéristiques et contrôles d'un circuit de charge .................... 19319x239t .............. page 20
- 19 - CONTRÔLES ELECTRIQUES DE L'ALTERNATEUR page 21
- 20 - SITUATION PROBLEME .................... 19319x239t .................... 19319x239t .................... 19319x239t .. page 22
- 21 - CONDITIONS A REMPLIR .................... 19319x239t .................... 19319x239t .................. page 22
21.1 Nécessité .................... 19319x239t .................... 19319x239t .................... 19319x239t .................... 19319x239t ................ page 22
21.2 Flux des énergies.................... 19319x239t .................... 19319x239t .................... 19319x239t .................... 19319x239t ...... page 22
- 22 - MISE EN SITUATION .................... 19319x239t .................... 19319x239t .................... 19319x239t .......... page 23
- 23 - RAISON D'ETRE DU DEMARREUR .................... 19319x239t ................... page 23
- 24 - DESCRIPTION .................... 19319x239t .................... 19319x239t .................... 19319x239t .................... 19319x239t .... page 24
- 25 -FONCTIONNEMENT .................... 19319x239t .................... 19319x239t .................... 19319x239t ............ page 25
25.1 Principe de fonctionnement du moteur électrique.................... 19319x239t ................... page 25
25.2 Application simplifiée au démarreur .................... 19319x239t .................... 19319x239t .................. page 25
25.3 Phases de fonctionnement du démarreur.................... 19319x239t .................... 19319x239t ........... page 26
25.4 Synthèse de fonctionnement .................... 19319x239t .................... 19319x239t .................... 19319x239t ......... page 27
- 27 - LE LANCEUR .................... 19319x239t .................... 19319x239t .................... 19319x239t .................... 19319x239t ....... page 28
27.1 Constitution.................... 19319x239t .................... 19319x239t .................... 19319x239t .................... 19319x239t .............. page 28
27.2 Situation problème.................... 19319x239t .................... 19319x239t .................... 19319x239t .................... 19319x239t ... page 28
27.3 Fonctionnement.................... 19319x239t .................... 19319x239t .................... 19319x239t .................... 19319x239t ........ page 28
- 28 - CONTRÔLE DU CIRCUIT DE DEMARRAGE page 29
28.1 Description du contrôleur du circuit de démarrage .................... 19319x239t ................ page 29
28.2 Branchement du contrôleur du circuit de démarrage.................... 19319x239t .............. page 29
28.3 Caractéristiques et contrôles d'un circuit de démarrage .................... 19319x239t ........ page 30
- 29 - SCHEMA ELECTRIQUE.................... 19319x239t .................... 19319x239t .................... 19319x239t ..... page 31
- 30 - DIAGNOSTIC.................... 19319x239t .................... 19319x239t .................... 19319x239t .................... 19319x239t ........ page 32
- 31 - SITUATION PROBLEME .................... 19319x239t .................... 19319x239t .................... 19319x239t .. page 33
- 32 - PRODUCTION D'ENERGIE .................... 19319x239t .................... 19319x239t ................ page 33
32.1 Nécessité .................... 19319x239t .................... 19319x239t .................... 19319x239t .................... 19319x239t ................ page 33
32.2 Flux des énergies.................... 19319x239t .................... 19319x239t .................... 19319x239t .................... 19319x239t ...... page 34
- 33 - FONCTION GLOBALE .................... 19319x239t .................... 19319x239t .................... 19319x239t ....... page 34
- 34 - ELEMENTS CONSTITUTIFS DU SYSTEME .................... 19319x239t .. page 35
34.1 Les bougies de préchauffage .................... 19319x239t .................... 19319x239t .................... 19319x239t ........ page 35
34.2 Le boîtier de préchauffage.................... 19319x239t .................... 19319x239t .................... 19319x239t ............ page 36
34.3 Contrôle des alimentations du boîtier .................... 19319x239t .................... 19319x239t ............... page 37
34.4 Le postchauffage.................... 19319x239t .................... 19319x239t .................... 19319x239t .................... 19319x239t ...... page 38
- 35 - DIAGNOSTIC .................... 19319x239t .................... 19319x239t .................... 19319x239t .................... 19319x239t ....... page 39
LE RELAIS
PROBLEME POSE.................... 19319x239t .................... 19319x239t .................... 19319x239t ................ page 40
- 37 - LE RELAIS .................... 19319x239t .................... 19319x239t .................... 19319x239t .................... 19319x239t ............ page 41
37.1 Raison d'être .................... 19319x239t .................... 19319x239t .................... 19319x239t .................... 19319x239t .......... page 41
37.2 Description.................... 19319x239t .................... 19319x239t .................... 19319x239t .................... 19319x239t .............. page 41
37.3 Entrées / Sorties .................... 19319x239t .................... 19319x239t .................... 19319x239t .................... 19319x239t ...... page 42
37.4 Modélisation.................... 19319x239t .................... 19319x239t .................... 19319x239t .................... 19319x239t ............ page 42
37.5 Schématisation .................... 19319x239t .................... 19319x239t .................... 19319x239t .................... 19319x239t ........ page 42
37.6 Principe de fonctionnement.................... 19319x239t .................... 19319x239t .................... 19319x239t ........... page 43
- 38 - RELAIS AVEC DIODE DE ROUE LIBRE .................... 19319x239t ......... page 44
38.1 L'auto-induction .................... 19319x239t .................... 19319x239t .................... 19319x239t .................... 19319x239t ...... page 44
38.2 Suppression du courant dans un circuit inductif .................... 19319x239t .................... 19319x239t . page 44
38.3 Protection des circuits inductifs .................... 19319x239t .................... 19319x239t .................... 19319x239t .... page 45
38.4 Norme des relais.................... 19319x239t .................... 19319x239t .................... 19319x239t .................... 19319x239t ...... page 45
- 39 - APPLICATION .................... 19319x239t .................... 19319x239t .................... 19319x239t .................... 19319x239t ..... page 46
LE GROUPE MOTO-VENTILATEUR
SITUATION PROBLEME.................... 19319x239t .................... 19319x239t .................... 19319x239t .. page 47
- 41 - IMPLANTATION DU GMV .................... 19319x239t .................... 19319x239t ................... page 47
- 42 - LE MOTO-VENTILATEUR .................... 19319x239t .................... 19319x239t ................... page 48
42.1 Raison d'être .................... 19319x239t .................... 19319x239t .................... 19319x239t .................... 19319x239t .......... page 48
42.2 Constitution .................... 19319x239t .................... 19319x239t .................... 19319x239t .................... 19319x239t ............. page 48
42.3 La commande .................... 19319x239t .................... 19319x239t .................... 19319x239t .................... 19319x239t ......... page 48
- 43 - FONCTIONNEMENT .................... 19319x239t .................... 19319x239t .................... 19319x239t .......... page 49
43.1 Nécessité de deux vitesses .................... 19319x239t .................... 19319x239t .................... 19319x239t .......... page 49
43.2 Rappel sur le diviseur de tension .................... 19319x239t .................... 19319x239t .................... 19319x239t .. page 49
- 44 - BRANCHEMENT MOTO-VENTILATEUR .................... 19319x239t ....... page 50
44.1 Moto-ventilateur à une vitesse .................... 19319x239t .................... 19319x239t .................... 19319x239t ..... page 50
44.2 Moto-ventilateur à deux vitesses .................... 19319x239t .................... 19319x239t .................... 19319x239t .. page 50
- 45 - DEUX MOTO-VENTILATEURS A DEUX VITESSES page 51
45.1 Nécessité de deux moto-ventilateurs .................... 19319x239t .................... 19319x239t ................ page 51
45.2 Nécessité de deux vitesses .................... 19319x239t .................... 19319x239t .................... 19319x239t .......... page 51
45.3 Schéma de réalisation .................... 19319x239t .................... 19319x239t .................... 19319x239t .................. page 52
LE MULTIPLEXAGE
SITUATION PROBLEME.................... 19319x239t .................... 19319x239t .................... 19319x239t .. page 55
46.1 Problème posé .................... 19319x239t .................... 19319x239t .................... 19319x239t .................... 19319x239t ........ page 55
46.2 Solution .................... 19319x239t .................... 19319x239t .................... 19319x239t .................... 19319x239t .................. page 55
- 47 - PRINCIPE DE FONCTIONNEMENT .................... 19319x239t .................. page 55
47.1 Principe de fonctionnement .................... 19319x239t .................... 19319x239t .................... 19319x239t .......... page 56
47.2 Constitution d'une trame .................... 19319x239t .................... 19319x239t .................... 19319x239t .............. page 57
47.3 Composition d'une trame .................... 19319x239t .................... 19319x239t .................... 19319x239t ............ page 57
47.4 Organisation du multiplexage .................... 19319x239t .................... 19319x239t .................... 19319x239t ....... page 58
- 48 - RESEAUX MULTIPLEXE DE C5 .................... 19319x239t .................... 19319x239t ....... page 59
48.1 Généralités .................... 19319x239t .................... 19319x239t .................... 19319x239t .................... 19319x239t .............. page 59
48.2 Réseau CAN .................... 19319x239t .................... 19319x239t .................... 19319x239t .................... 19319x239t .......... page 59
48.3 Réseau VAN confort .................... 19319x239t .................... 19319x239t .................... 19319x239t .................. page 60
48.4 Réseau VAN carrosserie .................... 19319x239t .................... 19319x239t .................... 19319x239t ............. page 61
- 49 - BOITIER SERVITUDE INTELLIGENT (BSI).................... 19319x239t ... page 62
SCHEMAS ELECTRIQUES
FEUX INDICATEURS DE DIRECTION.................... 19319x239t ............. page 63
50.1 Etat repos .................... 19319x239t .................... 19319x239t .................... 19319x239t .................... 19319x239t ............... page 63
50.2 Changement de direction à gauche .................... 19319x239t .................... 19319x239t ................... page 64
50.3 Feux de détresse .................... 19319x239t .................... 19319x239t .................... 19319x239t .................... 19319x239t ..... page 65
- 51 - RETROVISEURS ELECTRIQUES .................... 19319x239t .................... 19319x239t .... page 66
- 52 - ABS MULTIPLEXE .................... 19319x239t .................... 19319x239t .................... 19319x239t ............... page 67
- 53 - REFROIDISSEMENT MOTEUR MULTIPLEXE page 68
53.1 Organisation du fonctionnement .................... 19319x239t .................... 19319x239t .................... 19319x239t ... page 68
53.2 Incidence de la climatisation .................... 19319x239t .................... 19319x239t .................... 19319x239t ......... page 69
53.3 Incidence de boite de vitesse automatique .................... 19319x239t .................... 19319x239t ........ page 69
53.2 Incidence de la climatisation .................... 19319x239t .................... 19319x239t .................... 19319x239t ......... page 69
53.4 Schéma électrique .................... 19319x239t .................... 19319x239t .................... 19319x239t .................... 19319x239t ... page 70
Rappel
:
Compléter les égalités suivantes :
0.230kW W 0.0025 MW W 0.0025 MW = __________kW
W =________ kW 36.2 MW ___________kW 6892kW = _________MW
Christian OERSTED : (Rudkobing, 1777 - Copenhague, 1851) physicien danois qui découvrit l'existence du champ magnétique créé par un courant électrique.
Michael FARADAY : (Newington, 1791 - Hampton Court, 1867), physicien et chimiste anglais qui découvrit les phénomènes d'induction électromagnétique.

![]()


L'élément essentiel de
ce système est une plaquette d'épaisseur infime
de 1,2 mm de côté.
Cette plaquette est parcourue par un courant entre ses points A et B. En l'absence de tout champ magnétique, on ne recueille aucune tension entre les points équidistants E et F.
Lorsque l'on applique un champ magnétique S - N perpendiculairement à la plaquette, on recueille une tension de Hall très faible 0,001 volt entre les points E et F.
(Celle-ci provient de la déviation des lignes de courant A.B par le champ magnétique, dans la mesure où les deux conditions simultanées de courant électrique et champ magnétique sont réalisées).
Exemple d'un capteur de vitesse véhicule
Le capteur doit fournir un signal électrique proportionnel à la vitesse de rotation du secondaire BV, donc à la vitesse du véhicule. Il permet au calculateur de savoir en position pied levé si le véhicule est roulant ou non et également de connaître le rapport de BV pour certaines fonctions.
Roue polaire
Capteur Hall
Palier
Entraînement
Un
transducteur transforme un signal électrique en un signal mécanique et
inversement. Ce sont les transducteurs des sondes qui permettent de générer les
ondes acoustiques et de les recueillir.
La piezo-électricité est la propriété de certains cristaux de générer de l'électricité sous l'effet d'une pression et inversement.
|
|
|
Apparition d'un potentiel électrique sur certaines faces d'un cristal lorsque celui-ci est soumis à une pression mécanique. En revanche, le cristal subit une distorsion mécanique lorsqu'un champ électrique est appliqué sur certaines de ses faces. L'effet piézo-électrique fut découvert en 1880 sur le quartz et le sel de Rochelle, par Pierre Curie et son frère Jacques, qui lui donnèrent le nom de piezo-électricité (du grec piezein, «presser »).
L'effet piézo-électrique peut être observé sur un grand nombre de substances cristallines, comme le titanate de baryum et la tourmaline. Il est du au déplacement d'ions dans un cristal dont la cellule élémentaire, plus simple polyèdre de la structure du cristal, est asymétrique. Sous l'effet de la compression du cristal, les ions de toutes les cellules 'élémentaires sont déplacés, ce qui engendre une polarisation de ces cellules. Comme la structure cristalline est régulière, cette polarisation se propage vers d'autres cellules, créant ainsi une différence de potentiel entre certaines faces du cristal. Lorsqu'un champ 'électrique externe est appliqué au cristal, les ions des cellules élémentaires sont déplacés par des forces électrostatiques, ce qui engendre la déformation mécanique du cristal. Pouvant convertir un effort mécanique en tension électrique, et réciproquement, les cristaux piézo-électriques sont utilisés dans la fabrication de dispositifs tels que le transducteur et le microphone. Les cristaux piézo-électriques sont également employés comme résonateurs dans les oscillateurs électroniques et les amplificateurs haute fréquence : convenablement coupés, ces cristaux ont une fréquence de résonance mécanique bien définie et stable.
La diode est un composant électronique qui a la particularité de bloquer le courant dans un sens, comme un clapet hydraulique.
Sens de
non-conduction

Sens de
conduction

C'est une diode qui fonctionne comme une diode classique dans le sens passant et qui laisse passer le courant dans le sens inverse à partir d'une certaine valeur plus importante : Exemple 4,5 volts.



Le débit d'un fluide est bloqué par une vanne en C, si un débit plus faible vient commander la vanne par un circuit B en dérivation, le débit peut alors s'effectuer entre C et E.


Un débit peut s'effectuer entre Emetteur et Collecteur si un débit plus faible vient commander la vanne entre Emetteur et Base



Exemple de
schémas :
LA TENSION :
.................... 19319x239t .................... 19319x239t .................... 19319x239t ...............
.................... 19319x239t .................... 19319x239t .................... 19319x239t ...............
.................... 19319x239t .................... 19319x239t .................... 19319x239t ...............
L'INTENSITE :
.................... 19319x239t .................... 19319x239t .................... 19319x239t ...............
.................... 19319x239t .................... 19319x239t .................... 19319x239t ...............
.................... 19319x239t .................... 19319x239t .................... 19319x239t ...............
RESISTANCE
EQUIVALENTE :
= .................... 19319x239t .................... 19319x239t .................... 19319x239t .
LA TENSION :
.................... 19319x239t .................... 19319x239t .................... 19319x239t ...............
.................... 19319x239t .................... 19319x239t .................... 19319x239t ...............
.................... 19319x239t .................... 19319x239t .................... 19319x239t ...............
L'INTENSITE :
.................... 19319x239t .................... 19319x239t .................... 19319x239t ...............
.................... 19319x239t .................... 19319x239t .................... 19319x239t ...............
.................... 19319x239t .................... 19319x239t .................... 19319x239t ...............
RESISTANCE EQUIVALENTE :
Req = .................... 19319x239t .................... 19319x239t .................... 19319x239t ....
Repassez en vert le circuit de puissance et en bleu le circuit de commande puis compléter le tableau suivant sachant que le contacteur allumage/démarrage CA00 est en position contact (M). Sachant qu'une lampe de feu de recul a une puissance de 21w.

Un véhicule se présente dans un atelier de maintenance automobile avec le dysfonctionnement suivant :
La batterie du véhicule a été remplacée par une batterie neuve. Après trois jours d'utilisation, cette batterie neuve est de nouveau déchargée.
Cette situation problème met en évidence la nécessité d'avoir sur le véhicule un système qui permet de recharger la batterie. Nous allons donc étudier la production d'énergie électrique.
Recharger la batterie d'accumulateurs pour permettre le fonctionnement de l'ensemble des systèmes électriques du véhicule.
Ces fonctions sont assurées par l'alternateur qui est entraîné par le moteur thermique. L'alternateur débite un courant redressé sous une tension régulé vers la batterie, le démarreur, et tout l'équipement électrique du véhicule.



- 11 - MISE
EN SITUATION DU CIRCUIT DE CHARGE
La batterie étant un générateur de courant statique, il faut au véhicule un système de production de courant dynamique c'est à dire pendant que le moteur fonctionne, afin d'alimenter tous les circuits électriques véhicule roulant.
Ce générateur dynamique est L'ALTERNATEUR.
![]()
![]()

![]()
![]()
![]()
![]()
![]()
![]()
![]()
![]()


![]()
![]()

![]()
- 14 - PRINCIPE DE FONCTIONNEMENTUn électro-aimant entraîné en rotation génère un champ magnétique tournant. Un bobinage fixe de fil de cuivre isolé, mis dans ce champ, est soumis à un flux d'induction magnétique variable.
Il apparaît alors, aux bornes de cet enroulement, une force électromotrice (f.e.m) induite de forme sinusoïdale (courant induit).

La tension est constituée de deux alternances symétriques par rapport à l'axe d'évolution du temps. L'expression de la force électromotrice est de la forme :
E en volts
F en weber
t en secondes
Un champ magnétique produit par un aimant ou électro-aimant. ( l'inducteur ou le rotor )
une ou plusieurs spires n fermées sur elles-mêmes par le circuit de charge (le stator ou l'induit)
Une variation de flux magnétique (mouvement produit par la rotation du rotor)
La tension produite est de forme alternative, or la batterie n'accepte que du courant continu pour se recharger. un système de redressement est nécessaire pour avoir une tension continue afin de recharger la batterie.
Si la vitesse du rotor augmente, la tension augmente. Il faut donc un régulateur de tension pour ne pas détruire l'équipement électrique.
Si le courant augmente dans le rotor, le champ magnétique et le flux magnétique (F) augmentent. Ce qui augmente la tension induite (e). Ce paramètre sera utilisé pour la régulation qui sera vu en fin de cours.
- Produire un courant continu dont la tension est sensiblement constante quelle que soit la vitesse de rotation du moteur
- Adapter l'intensité débitée aux besoins. Avoir une puissance massive et un rendement élevés
- Résister mécaniquement aux hautes vitesses de rotation (paliers réalisés par roulement)
- Etre protégé du courant inverse venant de la batterie lorsque sa tension est inférieure à celle de la batterie.
Il comporte un noyau sur lequel est enroulé un bobinage. Ce bobinage est relié à deux bagues collectrices sur lequel portent les balais. Le champ magnétique provoqué par le passage du courant dans la bobine est canalisé par deux pièces polaires. Ces pièces polaires déterminent un ensemble de plusieurs aimants.
Lorsque la bobine est parcourue par un courant, il se crée un champ magnétique dans les pôles. Ce champ magnétique est proportionnel aux nombres de spires de la bobine et à la valeur de ce courant..................... 19319x239t .................... 19319x239t .................... 19319x239t ..... B = k n I
B : champ magnétique en TESLAS K : coefficient de fabrication n :
régime de rotation en tr/s I : intensité en Ampère
Schéma
normalisé Schéma
constructeur non normalisé
![]()
![]()
C'est l'élément qui produit le courant induit. Il est constitué par un ensemble de bobines formant les phases. Les bobines sont logées dans les encoches d'un noyau. Les phases sont décalées les unes par rapport aux autres. Les alternateurs actuels comportent trois phases.
Ce sont des alternateurs triphasés.






Pour recharger la batterie, il est nécessaire de redresser le courant alternatif produit par le stator en un courant ondulé. Ce redressement de courant très voisin d'un courant continu est assuré par des diodes.
b) Constitution

|
c) La diode
I = 0A
C'est un élément semi-conducteur qui ne laisse passer le courant que dans un seul sens.
La tension générée
par le stator est alternative. La diode ne laisse passer que les alternances
positives. L'alternance négative est bloquée. La
tension aux bornes de la résistance est toujours positive, mais non continue. La tension n'est pas intégralement utilisée.
e) Le redressement triphasé

Sur ce montage, les trois phases sont additionnées pour avoir une tension presque continue
Dans le principe de production d'une tension induite, il a été observé que la force électromotrice de sortie augmente avec :
Le régime de rotation de l'alternateur n
L'intensité d'excitation (I.exc)
Soit : E = k n Iexc (k est un coefficient de fabrication)
Afin de ne pas détériorer l'équipement électrique et ne pas faire bouillir la batterie, il faut réguler la tension à environ 14,5V
|

Vers
équipement électrique


![]()
![]()
La tension de sortie de l'alternateur est mesurée puis comparée à une valeur de référence.
La tension est inférieure à 13,5V, l'inducteur est relié à la masse
La tension augmente et dépasse la valeur de référence maximum (15V), la masse de l'inducteur est momentanément interrompue.

La tension redevient inférieure à 15V, le circuit est de nouveau
refermé, le courant circule dans l'inducteur.
![]()
Solution : Les composants électroniques
La diode Zener Elle laisse
passer le courant inverse à partir d'une tension déterminée. Le transistor bipolaire NPN Il permet le passage du courant du
collecteur vers l'émetteur seulement s'il y a circulation d'un petit
courant de la base vers l'émetteur




|
U BAT< 14,4V |
||||||
|
VR2 |
Diode DZ |
VBE1 |
T1 |
VBE2 |
T2 |
I excitation |
|
< VZ+VBE1 |
Bloqué |
< 0,7V |
Bloqué |
> 0,7V |
Passant |
> 0A |
|
U BAT= 14,4V |
||||||
|
> VZ+VBE1 |
Passant |
> 0,7V |
Passant |
< 0,7V |
Bloqué |
= 0A |



Courbe
de débit I = f (N)
(documentation
CITROËN BX)
Caractéristiques :
Alternateur : 50A - 750W type à régulateur électronique incorporé avec détection de charge
Marques et références : BOSCH A 120 427 141
MELCO A 002 T 26 391
Contrôle du débit de l'alternateur :
Sous 13.5 volts Vitesse alternateur Vitesse moteur BX 16 BX 19 D BX 16 Climat 32A 47A 54A 75A
Contrôle de la tension régulée :
A chaud : 13.8 à 14.5 volts
Résistance :
Ohmmètre, la résistance de la bobine est donnée par le constructeur, elle est généralement comprise entre 3 et 7.5 ohms. Une résistance inférieure est le signe d'un court- circuit entre les spires
Isolement :
Ohmmètre, isolement entre la bobine et l'axe, la valeur doit être infinie sinon le rotor est en court-circuit.
Continuité des bobines :
W1 : Continuité entre A et B
W2 : Continuité entre A et C
W3 : Continuité entre B et C
Isolement :
W4. Isolement entre les bobines et leur support, la valeur doit être infinie sinon le stator est en court-circuit.
Contrôle des diodes :
A l'aide d'un diodemètre, contrôler une diode dans le sens passant :
Valeur :
Contrôler la diode dans le sens non passant :
Valeur :
Effectuer les mêmes opérations pour les autres diodes.
Les moteurs thermiques, pour démarrer demandent à être entraînés à une vitesse de rotation suffisante :
v moteur à essence, 250 tr/min
v moteur Diesel, 350tr/min.
Cette vitesse est nécessaire pour permettre :
v La vaporisation de l'essence.
v Une f.e.m d'allumage correcte.
v Une pression de compression suffisante (T° auto-inflammation du gazole).
Fournir un couple supérieur au couple résistant offert par le moteur
Le couple résistant dépend de :
v Force d'adhérence des pièces en mouvement (moteur et boite).
v Inertie des pièces à mettre en mouvement.
v Action des temps résistants (compression fonction du rapport volumétrique)


CONTACTEUR A CLEF
![]()
Lors de la phase démarrage, le moteur doit avoir une vitesse de rotation suffisante pour permettre sa mise en fonctionnement. Nous devons pouvoir commander, du poste de conduite, un moteur électrique.
Ce système de commande associé au moteur électrique s'appelle LE DEMARREUR.
-1 - MOTEUR ELECTRIQUE Induit à collecteur plat Inducteurs Carcasse Porte balais Balais positif et négatif Nez de démarreur Flasque AR -2 - SOLENOIDE 2.1 bobinage de maintien et d 'appel. 2.2 Noyau. -3 - LANCEUR 3.1 Pignon 3.2 Roue libre 3.3 Fourchette


Le moteur électrique utilise le courant pour engendrer un mouvement rotatif. De l'énergie électrique y est transformée en énergie mécanique.
Ce phénomène est dû au fait qu'une force est exercée sur un conducteur
traversé par un courant électrique à l'intérieur d'un champ magnétique. La
valeur de la force est proportionnelle à l'intensité du champ magnétique et à
l'intensité du courant électrique. Sa valeur est maximale dès que le champ
magnétique est perpendiculaire à la direction du courant électrique.
Le conducteur présente, pour des raisons pratiques, la forme d'une boucle à rotation libre à l'intérieur du champ magnétique. Lorsque cette boucle est traversée par un courant électrique, elle se place normalement en position verticale par rapport au champ magnétique et y est maintenue par la force magnétique. Par contre, si le sens du courant électrique est inversé dans la boucle conductrice en ce point neutre, il y a possibilité d'empêcher l'immobilisation. Le couple de rotation possède alors le même sens et permet une rotation continue de la boucle conductrice. Cette inversion du courant électrique est réalisée au niveau d'un collecteur (inverseur de courant) qui, dans le cas de ce modèle, est constitué de deux segments en forme de demi-cercles isolés entre eux, auxquels sont raccordés les deux extrémités de la boucle conductrice. Deux balais sont reliés à la source de courant et permettent le passage du courant électrique à travers chaque boucle conductrice.




Phase 1 : Fermeture du contacteur de démarrage.

Le conducteur ferme le contacteur de démarrage. Le bobinage de maintien est alimenté en direct alors que celui d'appel est alimenté au travers du moteur électrique. Le noyau N se déplace engrenant le lanceur sur la couronne puis réalisant le contact de puissance.
Phase 2 : Fermeture du contacteur de puissance.

Le contacteur de puissance est fermé, le lanceur engrené, le moteur est alimenté en direct et lance le moteur thermique à une vitesse de rotation suffisante.
Le moment du couple obtenu est égal à :
C = k . F . I
C : Couple
k : Coefficient de construction
F : Intensité du flux inducteur
I : Intensité du courant qui circule dans les spires de l'induit.
Phase
3 : Mise hors service.
Le contacteur de démarrage s'ouvre, le courant passe depuis le contacteur de puissance et alimente les bobinages de maintien et d'appel. Les deux champs magnétiques sont en opposition et s'annulent.
Phase 4 : Retour position repos.

Les deux champs magnétiques sont en opposition et s'annulent. Le noyau revient à sa position initiale sous l'action du ressort coupant le contacteur de puissance.
Le système est au repos.

-27 - LE LANCEUR1 : Le pignon
2 : La roue libre
3 : La fourchette
Lorsque le conducteur tourne la clef de contact en position démarrage, la fourchette bascule afin engrener le pignon sur la couronne du volant moteur et de lancer le moteur à une vitesse de rotation de l'ordre de 300 tr/min. Mais si la clef de contact reste en position démarrage et que le moteur démarre, celui-ci tournera à sa vitesse de rotation de l'ordre de 800 tr/min et entraînera le démarreur. Le rapport pignon / couronne étant d'environ 10 à 15/1, le démarreur tournera alors entre 8 000 et 12 000 tr/min.
Aussi il est nécessaire d'avoir une roue libre (comme sur un vélo) pour protéger le démarreur d'une vitesse de rotation excessive.

Dispositif de roue libre à rouleaux.
L'arbre d'induit
étant en rotation, les rouleaux sont bloqués dans l'espace à rétrécissement
progressif et réalisent ainsi une liaison énergétique. En cas d'inversion du
sens des forces sous l'influence de l'accélération du moteur, les rouleaux se
décollent et sont poussés contre l'action du ressort dans l'espace à
élargissement progressif. Il y a alors désolidarisation de l'induit et du
pignon de démarreur.
![]()
![]()
28.1 Description du contrôleur du circuit de démarrage
(documentation CITROËN BX)
CARACTÉRISTIQUES :
Marque et référence : DUCELLIER 532 014
PARIS-RHONE D 8 E 151
BOSCH 9 000 142 002
Type à commande positive par solénoïde. Lanceur: 9 dents module 2,116/1,814.
CONTRÔLES :
Avec une batterie correspondante (35 A.h ) correctement chargée.
Démarreur :
Couple bloqué : 8,5 N.m mini. pour une intensité de 350 A max.
Point de fonctionnement à 1200 tr/mn
Couple :4,5 N.m mini pour une intensité de 220 A max.
Solénoïde :
- Intensité à l'appel ( appel et maintien 30 A max.)
- Intensité de maintien : 8,5 A max.
COURBES CARACTERISTIQUES :

Pour une puissance de 1.2 kW :
Tension : .................... 19319x239t ..
Intensité : .................... 19319x239t ..
Couple : .................... 19319x239t ...
Régime : .................... 19319x239t ...

Circuit de démarrage
Circuit de charge


Lors du démarrage d'un
moteur diesel à froid, la masse d'air admise dans les cylindres est trop froide
pour que la température de fin compression soit suffisante pour enflammer le
gazole (environ 400°C).
De plus au moment du démarrage, la pression de compression peut s'avérer insuffisante pour assurer l'auto-inflammation du gazole si :
F La T° de l'air d'admission est basse
F Les pertes thermiques sont élevées, absorption de la chaleur par les parois.
F Les pertes de pression sont élevées :
Taux de fuite importante
Usure moteur importante
Le film d'huile n'est pas formé
Il est donc nécessaire de chauffer l'enceinte thermique des moteur diesel lors des démarrages à froid, c'est le but du SYSTEME DE PRECHAUFFAGE
Remarque : les moteurs diesel de grosses cylindrées (cas des moteurs à injection directe en poids lourds) ne nécessitent pas de système de préchauffage car les pertes thermiques sont moins élevées du fait d'un faible rapport entre le volume d'air aspiré et les surfaces froides.
Nous allons chauffer les cylindres du moteur à l'aide de bougies de préchauffage (résistances électriques). Les bougies de préchauffage (une par cylindres) transforment de l'énergie électrique en énergie thermique.


d'où W = R . I2 . t
- 33 - FONCTION GLOBALE
Le filament chauffant assure la transmission de la chaleur à la poudre isolante et au tube.
Le filament de régulation assure la limitation du courant par augmentation de sa résistance (CTP) ce qui évite la surchauffe de la bougie.
Caractéristiques :
Tension d'utilisation : 11 volts
Intensité absorbée : environ
15 à 20A
Résistance : 0,6 à 0,8 W
Durée de vie : 50 000 à 60 000 km
Temps de préchauffage : temps nécessaire pour atteindre une T° de 850°C (1 à 8 secondes)
Déterminer le temps de préchauffage et le temps d'allumage du voyant à partir de la courbe suivante

Circuit
de puissance
Circuit
de commande
Le boîtier de préchauffage assure les fonctions suivantes
F Alimentation des bougies :
Sous l'action du contacteur à clef, dépends un temps variable fonction de la T° ambiante et de l'action du démarreur.
F Coupure de l'alimentation des bougies :
Dès la fin de l'action du démarreur (préchauffage) ou 10 à 20s après la mise en marche du moteur (postchauffage).
F Allumage et extinction du voyant
F Sécurité du circuit : Coupure de l'alimentation en cas de court circuit ou de surtension

A l'aide d'un voltmètre, contrôler l'alimentation des différentes bornes du boîtier de préchauffage en respectant le tableau suivant. Vous indiquerez les différentes valeurs de tension.

Phases de fonctionnement Borne 1 Borne 2 Borne 3 Borne 4 Borne 5 Borne 6
Contact coupé U = U = U = U = U = U =
Contact mis U = U = U = U = U = U =
Contact à clé en position U = U = U = U = U = U = démarrage après extinction
du voyant
Moteur en marche U = U = U = U = U = U =
34.4 Le
postchauffageNECESSITE Le chauffage des bougies après le démarrage moteur apporte une amélioration de la qualité de la combustion ce qui permet :
F De réduire les fumées (pollution)
F De diminuer les bruits dus aux cognements.
F D'assurer un régime de ralenti plus régulier
COUPURE DU POSTCHAUFFAGE
Afin d'éviter la destruction des bougies et une perte de qualité de combustion, le postchauffage se coupe :
F Après une temporisation variable suivant les systèmes (3min avec un chauffage à 50%, 1min avec un chauffage à 100%)
F Si la T° moteur est élevée (T° > 60°C)
F Si la charge moteur augmente (accélération : micro-contact sur pompe)
Système de pré-postchauffage moteur TUD5 (Xsara)
1150 : boîtier préchauffage
1157 : thermocontact postchauffage
1160 : bougies
1203 : contacteur à inertie
1208 : pompe d'injection
8207 : Relais ADC
Repasser les liaisons électriques suivant la nomenclature.
Alimentation démarrage
Alimentation AC
Masse
Alimentation bougies
T° moteur


Un client souhaite participer à un rallye de nuit avec son véhicule personnel. Pour mieux voir, il décide de faire installer un ensemble de quatre longues portées d'une puissance totale de 400W sur le faisceau pré-câblé d'origine. Le câblage d'origine est prévu pour 120W.
Le faisceau peut-il supporter une telle puissance ?
1 Représentation du schéma électrique

2 Calcule l'intensité totale théorique consommée par les lampes pour une tension batterie de 12V.
![]()
3 Justifier la variation de l'intensité totale réelle consommée.
Cette intensité sera différente car :
la puissance totale des lampes n'est pas réellement de 400W(fabrication)
La tension n'est pas exactement de 12V
Le filament de chaque lampe chauffe, ce qui diminue l'intensité
4 Quelles sont les remarques par rapport à ce résultat ?
Le faisceau d'origine et la commande prévues pour 10A ne peuvent supporter cette intensité de 33A
5 Quelles sont les modifications éventuelles à apporter ?
Il faut remplacer le faisceau. La commande ne doit pas alimenter directement les lampes. Il faut un système de commande à distance appelé : le relais
L'alimentation des récepteurs ne passe pas par les organes de commande ce qui permet de :
Réduire les chutes de tension dans les fils électriques souvent très longs (cas des circuits avec la commande passant par le tableau de bord ).
Réduire le coût des fils de gros diamètre
Automatiser le fonctionnement de certains circuits (projecteurs de complément, ventilateurs de circuit de refroidissement, etc.)
Rappel :
La chute de tension dépend de la résistance du fil (donc de sa section et de sa longueur) et de l'intensité qui circule : U=R.I.



Relais à un étage Relais à deux étages


Le circuit de commande n'est pas alimenté, aucun courant de puissance ne circule entre les bornes 3 et 5. Mais un courant de puissance peut circuler entre les bornes 3 et 4.

Un courant de commande alimente la bobine (bornes 1 et 2 ) qui génère un champ d'attraction électromagnétique provocant la fermeture de l'interrupteur.
F Le courant de puissance circule entre les bornes 3 et 5 vers le consommateur.
F Le courant de puissance est coupé entre les bornes 3 et 4.

NB : la résistance du bobinage se situe entre 50 et 100W
Une force électromotrice induite apparaît dans un circuit dès qu 'il est soumis à un flux variable. Lorsqu'un générateur impose la circulation d'un courant variable dans une bobine, celle-ci se trouvant dans le flux variable qu'elle produit, une fém est induite Ce phénomène s'appelle l'auto-induction.
Avec un montage nous
observons le comportement d'une bobine lorsque l'intensité i du courant varie
rapidement de
- L'interrupteur K étant préalablement fermé, un courant continu d'intensité I circule dans la bobine B la diode D est bloquée et l'intensité du courant dans l'ampoule est nulle.
- A l'ouverture de K, nous observons que l'ampoule L s'allume brièvement.
Interprétation
L'ouverture de K ne se traduit pas par la suppression immédiate du courant dans la bobine. L'intensité i du courant dans celle-ci décroît, ce qui entraîne une variation du flux embrassé par la bobine et l'induction d'une fém. Cette fém impose la circulation d'un courant dans le circuit constitué de B, L et D, ce qui explique l'éclairage bref de la lampe.
La loi de Lenz s'applique : la cause du phénomène d'induction est la variation de l'intensité i du courant.
La fém auto-induite dans la bobine B doit s'opposer à la décroissance de l'intensité i. La diode D devient passante et le courant induit traverse la lampe.
Pendant la durée du phénomène d'auto-induction, la bobine B joue le rôle de générateur. Elle fournit de l'énergie électrique au circuit. Cette énergie résulte de la transformation de l'énergie électromagnétique emmagasinée dans la bobine avant l'ouverture de K.
Une force électromotrice auto-induite s'oppose aux variations de courant dans un circuit comportant une bobine ou plus généralement dans un circuit dit inductif.
La
diode de protection du relaisUn circuit inductif ne doit pas être mis en situation de rupture brutale de courant. C'est la raison pour laquelle une diode de protection (diode de roue libre) est montée en parallèle du bobinage pour protéger la commande du relais.
Ces relais sont polarisés
Norme CEI : relais Valéo ou Cartier



Représentation du schéma électrique du circuit d'éclairage complémentaire de 400W avec un relais à deux étages et diode de roue libre. Un fusible protège le circuit de puissance. La commande est alimentée par le circuit d'éclairage des feux de route.
La température du liquide dans le radiateur de refroidissement dépend de :
la température du liquide dans le moteur
L'ouverture ou non du thermostat
La vitesse de rotation de la pompe à eau
La vitesse de l'air traversant le radiateur
Au ralenti, la vitesse de l'air traversant le radiateur est insuffisant. Il faut donc un ventilateur pour forcer l'air à traverser le radiateur.
Deux solutions qui peuvent exister pour la conception de ce ventilateur
Le ventilateur débrayable (plus utilisé)
Le Moto-ventilateur

Le moto-ventilateur de refroidissement a pour but de faire circuler de l'air ambiant sur les ailettes du radiateur de refroidissement.

Pour conserver un bon rendement thermique au moteur, le ou les moto-ventilateurs doivent fonctionner dès que la température de l'eau atteint une température de 80 à 90°.
Le thermocontact simple ou double assure la commande du ou des moto-ventilateurs

Symbole électrique du thermocontact double.
Lorsque le moto-ventilateur fonctionnent sur une tension de 12V, la circulation importante de l'air ambiant sur les ailettes du radiateur de refroidissement diminue la température du radiateur. Le rendement du moteur thermique diminue.
Pour éviter ce problème, il faut diminuer la vitesse de rotation du moto-ventilateur en diminuant sa tension d'alimentation
Soit deux résistances montées en série et alimentées sous une tension U.
Déterminer que la tension aux bornes de la résistance R2 est
égale à la moitié de la tension d'alimentation si R1 = R2
I = U1 / R1 = U2 / R2 = U / R1+R2
U2 = U x R2 / R1+R2
Or R1 = R2
Donc U2 = U x R2 / R2+R2 = U x R2 / 2 x R2
U2 = U / 2
Déterminer la tension U2 si R2 = 3 x R1
Donc U2 = U x 3R1 / R1+3R1= 3U / 4
Quelle conclusion peut-on en déduire ?
Pour augmenter U2 il faut que R2>R1
Pour diminuer U2 il faut que R2<R1
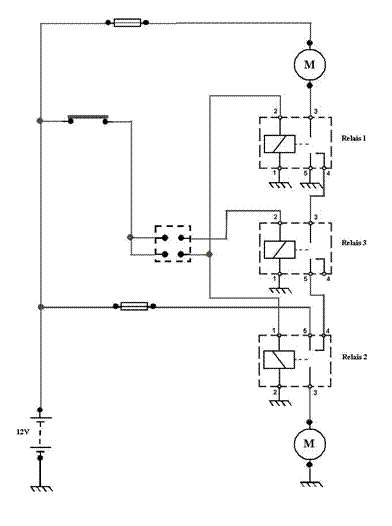
Compléter le schéma ci-dessous sachant que le thermocontact commande la masse du relais

Compléter le schéma ci-dessous sachant qu'en petite vitesse la résistance est en série avec le moto-ventilateur

Si la puissance du moteur thermique augmente, il faut augmenter la surface d'échange du radiateur
Pour les véhicules équipés de la climatisation
Lorsque les moto-ventilateurs fonctionnent simultanément sur une tension de 12V, la circulation importante de l'air ambiant sur les ailettes du radiateur de refroidissement diminue considérablement la température du radiateur. Le rendement du moteur thermique diminue.
La solution pour éviter ce problème est de diminuer la vitesse de rotation des moto-ventilateurs en les associant en série.


Surligner :
En rouge les alimentations
En noir les masses en noir
En bleu le circuit de commande des relais concernés pour la petite vitesse
En vert le circuit de
commande des relais concernés pour la grande vitesse

A l'aide du schéma précédent représenter les contacts du thermocontact et des relais.
Surligner :
En bleu les circuits de commande concernés
En vert les circuits de puissance

Deuxième
vitesseA l'aide du schéma précédent représenter les contacts du thermocontact et des relais.
Surligner :
En bleu les circuits de commande concernés
En vert les circuits de puissance
Compléter le tableau ci-dessous.
1 pour un fonctionnement de l'élément
0 pour un non-fonctionnement
Pour les voltmètres V1 et V2 placés aux bornes de chaque GMV, indiqué la tension correspondante en Volt.
|
|
Relais 1 |
Relais 2 |
Relais 3 |
GMV 1 |
GMV2 |
V1 |
V2 |
|
T°< |
|
|
|
|
|
|
|
|
<T° |
|
|
|
|
|
|
|
|
T°> |
|
|
|
|
|
|
|
Depuis 1970, l'électronique incorporée dans les véhicules ne cesse de s'étendre. Qu'il s'agisse d'allumer ses phares ou bien de la gestion électronique du fonctionnement du moteur, les véhicules contiennent un nombre de plus en plus important de fils électriques. Aussi certaines voitures «haut de gamme » sont saturées de fils.
De plus, en cas de panne, le nombre d'épissures, de connexions, démultiplie le nombre de causes possibles et le dépannage n'en est que plus complexe.
En fait, la longueur de câblage dépend de la gamme du véhicule. En effet, une voiture simple a un nombre de connexions se limitant à un système fonctionnel. Le problème se pose pour des véhicules possédant au moins 10 modules électroniques (injection, ABS, ASR, climatisation,... ).
Le multiplexage consiste à faire circuler plusieurs informations numériques entre divers équipements électriques, sur un seul canal de transmission matérialisé par 2 fils.
Le multiplexage est un mode de mise en action d'équipements électriques, nécessitant une architecture adaptée.
L'utilisation du multiplexage permet
v Une simplification des faisceaux électriques
v Un enrichissement du nombre de fonctions (à nombre de fils équivalent).
Jusqu'à présent, nous avions l'habitude de considérer une tension batterie comme étant comprise entre 12,6 V (batterie chargée au repos) et 14,4 V (tension de régulation moteur tournant). Bien entendu, toutes les valeurs comprises dans cet intervalle existent (12,7 ; 12,8 ; 12,9 ; ... ). C'est ce que l'on appelle un système analogique dans lequel existe une infinité de solutions.
Un système logique ou numérique (digital) est un système qui ne présente que 2 possibilités, marche ou arrêt, oui ou non, allumé ou éteint, 0 ou 12 V, 0 ou 5V.
Or, les calculateurs sont numériques et fonctionnent en 0 ou 5 V. Les organes tels que les phares, essuie-glaces, injecteurs, sont alimentés en 12 V.
En informatique, cette petite unité d'information s'appelle le bit (binary digit = chiffre binaire). Pour avoir plus de 2 informations, plusieurs bits sont nécessaires.
Avec
2 bits: binaire décimal

0
01 1
10 2
11 3
Il s'agit de compter en base 2 (0.1) et non en base 10 (0, 1, 2, 3, 4, .)
Avec 3 bits: binaire décimal
0
001 1
010 2
011 3
100 4
101 5
110 6
111 7
Avec 3 bits, on obtient 8 informations différentes. Or, 23 = 8 ; avec 8 bits, on obtient 28 = 256 informations différentes.
On appelle octets (bytes en anglais) un regroupement de 8 bits qui se représentent de 2 façons.
v
En chiffre
10011101

v Ou en impulsions de tension
Les calculateurs communiquent entre eux de cette manière : on envoie les bits les uns à la suite des autres à une vitesse donnée ; c'est la vitesse de transmission définie en baud. Une vitesse de 250 baud correspond à 250 bits/s.
L'association de ces bits forme la trame qui est toujours composée de :
v Un bit de début de trame
v Un groupe de bits d'information
v Un ou plusieurs bits de parité (contrôle des erreurs de transmission)
v Uun bit de stop (qui indique la fin de la trame).
Exemple de trame relevée à l'aide d'un oscilloscope :

Début : symbole indiquant le début d'une trame
Identificateur : champ d'identification de la trame (11 ou 29 bits en CAN, 12 bits en VAN)
Com. : champ de commande
Informations : données transmises par un équipement ou lues dans un équipement
- jusqu'à 8 octets en CAN
- jusqu'à 28 octets en VAN
Contrôle : champ de contrôle (15 bits redondants)
Ack : champ accusé de réception
Fin : symbole indiquant la fin de la trame
Solution classique Solution multiplexée
En automobile, on devra utiliser non pas un, mais 4 fils :
v Alimentation 12 V
v Alimentation 0 V
v 2 fils de données (data : terme informatique désignant les informations transmises)
Désormais, on pourra considérer la voiture comme un véhicule composé d'un système informatique embarqué, c'est à dire comme étant un réseau informatique (les calculateurs étant de petits ordinateurs ).
Les différentes solutions du multiplexage
J1850 : bus U.S.A utilisé par CHRYSLER, GM et FORD (3 définitions du protocole)
ABUS : bus propriétaire VOLKSWAGEN
CAN : (Controller Area Network) : bus allemand normalisé, origine Robert BOSCH
VAN : (Vehicle Area Network) : bus français normalisé, origine PSA/RENAULT
Tous les messages envoyés sur le "bus" comportent une partie "information" ou "commande" et une partie identification du destinataire.
Sur la C5 on utilise 2 protocoles de communication : Le CAN et le VAN
Le véhicule est équipé de 3 réseaux de multiplexage, qui fonctionnent chacun dans un environnement bien précis.
v Le réseau CAN
v Le réseau VAN CONFORT
v Le réseau VAN CARROSSERIE
Les réseaux multiplexés sont gérés par le BSI (boîtier de servitude intelligent).
- Présentation
Le réseau CAN relie l'ensemble des calculateurs du groupe motopropulseur, comme le système de freinage, le calculateur moteur et la suspension.
Le
réseau CAN est un réseau "multi-maîtres" ou chaque calculateur
diffuse en permanence des informations (taux de transfert : 250 kbits/s).
Les informations diffusées sont récupérées par les calculateurs qui en ont l'utilité.
Exemple: le calculateur ABS met à disposition sur le réseau CAN les informations suivantes
v vitesse du véhicule
v accélération longitudinale
v distance parcourue
NOTA : La représentation des réseaux multiplexés est symbolique ; voir la schématisation électrique pour le câblage réel.
- Présentation
Le réseau VAN CONFORT relie les calculateurs
des équipements de l'habitacle comme l'écran multifonctions, le combiné,
l'autoradio et la climatisation. Le réseau VAN CONFORT est un réseau "
multi-maîtres " ou chaque calculateur diffuse en permanence des
informations.
Les informations diffusées sont récupérées par les calculateurs qui en ont l'utilité (taux de transfert: 125 kbits/s). Les calculateurs reliés au réseau VAN CONFORT acquièrent les informations provenant du groupe motopropulseur (par l'intermédiaire du BSI) pour renseigner le conducteur sur l'état du véhicule. Le réseau VAN CONFORT assure l'interface "homme/machine".
Exemple: le combiné acquiert l'information sur la température d'eau moteur (diffusée par le calculateur moteur) pour renseigner le conducteur sur la température du liquide de refroidissement
Présentation
Le réseau VAN CARROSSERIE est qualifié de réseau de sécurité et de protection du véhicule. Le réseau VAN CARROSSERIE est un réseau "maître/esclave". Le BSI envoie des demandes à chaque calculateur relié au réseau VAN CARROSSERIE (taux de transfert : 62,5 kbits/s).
Le VAN CARROSSERIE est constitué de deux réseaux :
v VAN CARROSSERIE 1 (éléments de sécurité)
v VAN CARROSSERIE 2
Le réseau VAN CAR 1
Le réseau VAN CARROSSERIE 1 relie le système de gestion des coussins gonflables ainsi que le boîtier de servitude moteur, intégrant les commandes électriques de puissance du véhicule comme les feux avant. Le réseau VAN CARROSSERIE 1 retransmet les actions de l'utilisateur au BSI par l'électronique du module de commutation sous volant de direction.
BSI Boîtier
de servitude intelligent BM34 Boîtier
de servitude moteur CV00 Module
de commutation sous volant de
direction Calculateur
coussins gonflables
- Le réseau VAN CAR 2
Le réseau VAN CARROSSERIE 2 relie les équipements de gestion des ouvrants (modules de porte, toit ouvrant) de l'alarme anti-effraction, et du système d'additivation gazole (filtre à particules).
BSI Boîtier
de servitude intelligent Calculateur
d'additif de gazole Calculateur de toit ouvrant Calculateur d'alarme anti-effraction Module de porte (avant
gauche)
Module de porte (avant droit)

Le boîtier de servitude intelligent (BSI) est un calculateur qui intègre les éléments suivants :
v Une électronique d'interface (relais, fusibles, prise diagnostic).
v Une électronique de contrôle : le BSI gère la communication entre les calculateurs et le transfert d'informations entre les réseaux.
v Une électronique de calcul : le BSI gère de manière autonome des fonctions de base.
v Une mémoire non-volatile pour la protection antivol (code BSI, code VIN du véhicule, code des clés, de la télécommande, identification de l'autoradio,... ). Un code appelé code diagnostic est mémorisé dans le BSI Ce code accessible par les outils de diagnostic permet de connaître précisément la nature des calculateurs installés sur le véhicule.
v Un programme qui permet de contrôler l'ensemble, d'effectuer un diagnostic et du télécodage
Le BSI contribue à la gestion de l'énergie en commandant des modes de consommation réduite pour lui et les autres calculateurs multiplexés.
Le BSI sert d'interface entre les réseaux : le BSI acquiert les informations provenant du réseau CAN et les diffuse sur le réseau VAN (et inversement), pour les besoins d'une fonction.
Fonctions gérées par le BSI
Alimentation électrique
Eclairage intérieur
Eclairage extérieur - signalisation
Lève-vitres électriques
Système audio
Gestion des ouvrants
Alarme anti-effraction
Antidémarrage codé
Coussins gonflables
Appel d'urgence
Refroidissement
Rétrovision
Dégivrage
Climatisation
Détection de sous gonflage
Contrôle de survitesse

Surligner :
En vert les masses
En rouge l'alimentation batterie (12v continu)
En bleu
l'alimentation en signal carré (centrale clignotante)

Surligner :
En vert les masses
En rouge l'alimentation batterie (12v continu)
En bleu
l'alimentation en signal carré (centrale clignotante)

Surligner pour le rétroviseur droite l'alimentation des moteurs :
En vert les masses.
En rouge l'alimentation APC.

Surligner:
En vert les masses.
En rouge l'alimentation APC.
En bleu clair les signaux capteurs
En bleu foncé les liaisons multiplexés

Le calculateur moteur fixe la consigne de vitesse du
moto-ventilateur en fonction de la température d'eau moteur mesurée par la
sonde, soit par le besoin de refroidissement associé à la réfrigération.
Le groupe moto-ventilateur a trois vitesses de fonctionnement. Le calculateur moteur commande la petite vitesse et la grande vitesse. Le BSI commande la vitesse moyenne, en fonction des informations délivrées par le calculateur moteur via le réseau CAN (température d'eau moteur et de la pression du circuit de réfrigération).
La petite vitesse est obtenue en alimentant le moto-ventilateur au travers d'une résistance disposée en série sur le circuit d'alimentation.
La vitesse moyenne est obtenue en alimentant le moto-ventilateur au travers de deux résistances disposées en parallèle sur le circuit d'alimentation.
La grande vitesse est obtenue en alimentant en direct le moto-ventilateur.
Les deux résistances sont implantées sur la façade avant, à proximité de l'échangeur air-air et du moto-ventilateur.
A Acquisition par liaison filaire du signal provenant de la sonde de température d'eau moteur par le calculateur moteur
Transmission des informations sur la température d'eau moteur et alerte
température d'eau moteur au BSI par le calculateur moteur sur le réseau CAN
B Si la température est comprise entre 94 °C et 97 °C le calculateur moteur
commande au groupe moto-ventilateur la petite vitesse
Si la température est comprise entre 98 °C et 110 °C le BSI
commande au groupe moto-ventilateur la moyenne vitesse
Si la température est comprise entre 111 'C et 115 `C le calculateur moteur
commande au groupe moto-ventilateur la grande vitesse
C Diffusion de l'information sur la température d'eau moteur par le BSI via le
réseau VAN Confort, pour le combiné et l'écran multifonctions
Transmission de l'information sur l'alerte de la température d'eau moteur par le
BSI via le réseau VAN Confort pour le combiné et l'écran multifonctions
L'alerte de température d'eau élevée est donnée au combiné à partir de 118 °C.
Pour le refroidissement du condenseur, la sonde linéaire, implanté sur le condenseur, fournit une tension proportionnelle au calculateur moteur, suivant la pression du circuit de réfrigération. Ainsi le calculateur donne une consigne de vitesse au groupe moto-ventilateur proportionnelle à la pression du fluide réfrigérant.
Graphique gestion de la motoventalation en fonction de la pression fluide réfrigérant
Légende Désignation
a Seuils d'enclenchement des vitesses du groupe moto-ventilateur
b Seuils de désencIenchement des vitesses du groupe moto-ventilateur
A Petite vitesse
B Vitesse moyenne
C Grande vitesse
P Pression (en bars)
Le calculateur de boite de vitesses automatique peut demander un refroidissement de son échangeur thermique, grâce à l'information que lui délivre la sonde de température d'huile. La sonde de température d'huile est implantée dans le bloc hydraulique de la boite de vitesses automatique.
Surligner:
En vert les masses.
En rouge l'alimentation BB
En bleu foncé L'alimentation CC
En bleu clair les commandes des relais

Surligner pour chacun des schémas
En vert la masse.
En rouge le circuit de puissance
En bleu le circuit de commande
1er vitesse

2ème vitesse

3ème vitesse
|