Bremsanlage Golf 5
mjs dem Inhalt: Bremsbel ge wechseln
Bremsscheibe pr fen
Bremsscheibe wechseln
Bremse entl ften Handbremse einstellen ABS/EDS/ASR/ESP
Handbremsseil
Bremskraftverst rker
Bremslichtschalter
Das Arbeiten an der Bremsanlage erfordert peinliche Sauberkeit und exakte Arbeitsweise. Falls die n tige Arbeitserfahrung fehlt, sollten Reparaturarbe 11511m1222l iten an der Bremsanlage von einer Fachwerkstatt durchgef hrt werden.
Das Bremssystem besteht aus dem Hauptbremszylinder, dem Bremskraftverst rker und den Scheibenbremsen f r die Vorderr der und die Hinterr der. Das hydraulische Bremssystem ist in zwei Kreise aufgeteilt, die diagonal wirken. Ein Bremskreis ist mit den Bremss tteln vorn rechts/hinten links verbunden, der zweite mit den Bremss tteln vorn links/hinten rechts. Dadurch kann bei Ausfall eines Bremskreises, zum Beispiel durch ein Leck, das Fahrzeug ber den anderen Bremskreis zum Stehen gebracht werden. Der Druck f r beide Bremskreise wird im Tandem-Hauptbremszylinder ber das Bremspedal aufgebaut.
Der Bremsfl ssigkeitsbeh lter befindet sich im Motorraum ber dem Hauptbremszylinder. Er versorgt das Bremssystem wie auch das hydraulische Kupplungssystem mit Bremsfl ssigkeit.
Der Bremskraftverst rker speichert beim Benzinmotor einen Teil des vom Motor erzeugten Ansaugunterdruckes. Beim Bet tigen des Bremspedals wird dann die Pedalkraft durch den Unterdruck verst rkt. Einige Benzinmotoren mit Automatikgetriebe ben tigen eine elektrische Unterdruckpumpe zur Verst rkung des Bremsdrucks. Die Unterdruckpumpe ist vorne am Automatikgetriebe angeschraubt.
Da beim Dieselmotor der Ansaugunterdruck nicht vorhanden ist, erzeugt eine Vakuumpumpe den Unterdruck f r den Bremskraftverst rker. Die Vakuumpumpe sitzt zusammen mit der Kraftstoffpumpe in einem Geh use am Zylinderkopf und wird ber die Nockenwelle angetrieben.
Die Bremsbel ge sind Bestandteil der Allgemeinen Betriebserlaubnis (ABE), au erdem sind sie vom Werk auf das jeweilige Fahrzeugmodell abgestimmt. Es d rfen deshalb nur die vom Automobilhersteller beziehungsweise vom Kraftfahrtbundesamt (KBA) freigegebenen Bremsbel ge verwendet werden. Diese Bremsbel ge haben eine KBA-Freigabe-nummer.
Hinweis: W hrend des Fahrens auf stark regennassen Fahrbahnen die Fu bremse von Zeit zu Zeit bet tigen, um die Bremsscheiben von R ckst nden zu befreien. W hrend der Fahrt wird zwar durch die Zentrifugalkraft das Wasser von den Bremsscheiben geschleudert, doch bleibt teilweise
ein d nner Film von Fett und Verschmutzungen zur ck, der das Ansprechen der Bremse vermindert.
Eingebrannter Schmutz auf den Bremsbel gen und zugesetzte Regennuten in den Bremsbel gen f hren zur Riefenbildung auf den Bremsscheiben. Dadurch kann eine verminderte Bremswirkung eintreten.
Sicherheitshinweis
Beim Reinigen der Bremsanlage f llt Bremsstaub an, der zu gesundheitlichen Sch den f hren kann. Beim Reinigen der Bremsanlage Bremsstaub nicht einatmen.
ABS/HBA/EBV/EDS/ASR/ESP
Grunds tzlich d rfen Arbeiten an den elektronisch gesteuerten Brems- und Fahrwerkskomponenten nur in der Fachwerkstatt ausgef hrt werden.
ABS: Das Anti-Blockier-System verhindert bei scharfem Abbremsen das Blockieren der R der, dadurch bleibt das Fahrzeug lenkbar.
HBA: Der hydraulische Bremsassistent erkennt aufgrund der Geschwindigkeit und der Kraft, mit der das Bremspedal heruntergedr ckt wird, ob eine Notbremssituation gegeben ist. In diesem Fall erh ht der Bremsassistent innerhalb von Millisekunden automatisch den Bremsdruck ber den vom Fahrer vorgegebenen Wert, bis die ABS-Regelung einsetzt. Dadurch wird der Bremsweg verk rzt.
EBV: Die Elektronische Bremskraftverteilung verteilt mittels ABS-Hydraulik die Bremskraft an die Hinterr der. Bei Geradeausfahrt wird die Hinterradbremse voll an der Bremsleistung beteiligt. ber die ABS-Drehzahlsensoren erkennt die EBV, ob das Fahrzeug geradeaus oder durch eine Kurve f hrt. Bei Kurvenfahrt wird der Bremsdruck f r die Hinterr der reduziert. Dadurch k nnen die Hinterr der die maximale Seitenf hrungskraft aufbringen und ein Schleudern des Fahrzeugs beim Bremsen in der Kurve wird verhindert.
EDS: Die Elektronische Differenzialsperre bremst ein durchdrehendes Antriebsrad ab und lenkt dadurch das Antriebsdrehmoment auf das andere, greifende Rad um. Die EDS ist beim Anfahren und bis zu einer Geschwindigkeit von etwa 40 km/h voll wirksam. Danach l sst die EDS-Regelung allm hlich nach. Die EDS ist ebenfalls bei R ckw rtsfahrt aktiv.
ASR: Die elektronische Antriebs-Schlupf-Regelung verhindert beim Beschleunigen den Schlupf der zum Durchdrehen neigenden R der. Dies wird durch das Abbremsen der R der und die Reduzierung der Motorleistung erreicht. Die ASR- beziehungsweise die ESP-Warnleuchte im Kombiinstrument blinkt, wenn ein Rad die Schlupfgrenze erreicht hat. Die Antriebs-Schlupf-Regelung l sst sich ber den ASR- beziehungsweise ESP-Schalter in der Mittelkonsole abschalten. dann leuchtet die Warnleuchte im Kombiinstrument.
Hinweis: Bei Fahrbahnen mit Sand, Kies oder im Tiefschnee sowie bei Schneekettenbetrieb kann es von Vorteil sein, ASR abzuschalten, um mit h herem Antriebsschlupf und ohne elektronischen Motoreingriff fahren zu k nnen.
ESP: ber die ABS-Funktionen hinaus verringert das Elektronische Stabilit ts-Programm das Schleuderrisiko des Fahrzeugs. Im ESP sind die Funktionen der Traktionskontrolle (EDS, ASR) integriert. In schnell durchfahrenen Kurven oder bei abrupten Ausweichman vern erkennt ESP, ob das Fahrzeug auszubrechen droht. ber Sensoren erfasst ESP den Lenkwinkel und die Drehgeschwindigkeit des Fahrzeugs um die Hochachse. Unstabile Fahrzust nde werden sofort erkannt. Durch das Abbremsen einzelner R der und die Regulierung der Motorleistung wird das Fahrzeug bestm glichst auf dem gew nschten Kurs gehalten.
Achtung: Damit ESP ohne St rungen funktionieren kann, m ssen an allen 4 R dern die gleichen Reifen montiert sein.
Ist die ESP-Regelung aktiv, wird dies durch Blinken der ESP-Warnleuchte im Kombiinstrument signalisiert. Die Fahrweise sollte dann den Stra enverh ltnissen angepasst werden, sonst besteht Unfallgefahr.
Hinweise zum ABS/ESP/EDS
Eine Sicherheitsschaltung im elektronischen Steuerger t sorgt daf r, dass sich die Anlage bei einem Defekt (zum Beispiel Kabelbruch) oder bei zu niedriger Betriebsspannung (Batteriespannung unter 10 Volt) selbst abschaltet. Angezeigt wird dies durch das Aufleuchten der Kontrolllampen im Kombiinstrument. Die herk mmliche Bremsanlage bleibt dabei in Betrieb. Das Fahrzeug verh lt sich dann beispielsweise beim Bremsen so, als ob keine ABS/ESP/EDS-Anlage eingebaut w re.
Sicherheitshinweis
Wenn w hrend der Fahrt die Kontrollleuchten f r das ABS und f r die Bremsanlage leuchten, k nnen bei starkem Abbremsen die Hinterr der blockieren, da die Bremskraftverteilung ausgefallen ist.
Leuchten eine oder mehrere Kontrolllampen im Kombiinstrument w hrend der Fahrt auf, folgende Punkte beachten:
Fahrzeug kurz anhalten, Motor abstellen und wieder starten.
Batteriespannung pr fen. Wenn die Spannung unter 10,5 Volt liegt, Batterie laden.
Achtung: Wenn die Kontrolllampen am Anfang einer Fahrt aufleuchten und nach einiger Zeit wieder erl schen, deutet das darauf hin, dass die Batteriespannung zun chst zu gering war, bis sie sich w hrend der Fahrt durch Ladung ber den Generator wieder erh ht hat.
Pr fen, ob die Batterieklemmen richtig festgezogen sind und einwandfreien Kontakt haben.
Fahrzeug aufbocken, R der abnehmen, elektrische Leitungen zu den Drehzahlf hlern auf u ere Besch digungen (Scheuerstellen) pr fen. Weitere Pr fungen der ABS/ESP/EDS-Anlage sollten von einer Fachwerkstatt durchgef hrt werden.
Achtung: Vor Schwei arbeiten mit einem elektrischen Schwei ger t muss der Stecker von der ABS-Steuereinheit im Motorraum abgezogen werden. Stecker nur bei ausgeschalteter Z ndung abziehen. Bei Lackierarbeiten darf das Steuerger t kurzzeitig mit max. +95 C, langzeitig (max. 2 Std.) mit +85 C belastet werden.
Technische Daten Bremsanlage
|
Scheibenbremse |
vorn |
hinten |
||
|
Bremssattel-Bezeichnung |
FS-HI |
FN-3 |
C-38 |
C-II41 |
|
Bremsbelagdicke neu (ohne R ckenplatte) mm |
|
|
|
|
|
Verschlei grenze (ohne R ckenplatte) mm |
|
|
|
|
|
Bremsscheibendurchmesser mm |
|
|
|
|
|
Bremsscheibendicke - neu mm |
|
|
|
|
|
Bremsscheibendicke - Verschlei grenze mm |
|
|
|
|
*) Die Bremsscheibe vorne ist innenbel ftet.
Vorderrad-Scheibenbremse FS-I
|
|
Motoren unterer Leistungsstufen im GOLF
-Schrauben, 10 Nm
- Bremsscheibe
Grunds tzlich achsweise ersetzen.
- Sicherungsschraube, 4 Nm
F r Bremsscheibe.
- Bremsbel ge
Mit Verschlei anzeige. Grunds tzlich achsweise ersetzen.
- Verschlei anzeige
Mit Stecker.
- Bremssattel
- F hrungsbolzen, 30 Nm
- Abdeckkappe
- Bremsschlauch
Mit Ringstutzen und Hohlschraube, 35 Nm
- F hrungsbolzen, 30 Nm
- Abdeckkappe
- Schraube 13-Halterung
F r Leitung Verschlei anzeige und Bremsschlauch.
- Achsschenkel
Mit integriertem Bremstr ger.
- ABS-Drehzahlsensor
Vor dem Einsetzen des Sensors die Innenfl che der Bohrung reinigen und mit Hochtemperaturfett, zum Beispiel Keramikpaste von Liqui Moly. bestreichen.
- Innensechskantschraube, 8 Nm
- Radnabeneinheit
Mit integriertem ABS-Sensorring.
18-Abdeckblech
Vorderrad-Scheibenbremse FN-3
|
|
li^C |
TOURAN und leistungsstarke Motoren im GOLF
- Sicherungsschraube, 4 Nm
F r Bremsscheibe.
- Bremsscheibe
Grunds tzlich achsweise ersetzen.
- Bremsbel ge
Mit Verschlei anzeige. Grunds tzlich achsweise ersetzen.
- Haltefeder
In beide Bohrungen des Bremssattels einsetzen.
- Bremssatteltr ger
Am Achsschenkel angeschraubt.
- Bremssattel
- F hrungsbolzen, 30 Nm
- Abdeckkappe
- Bremsschlauch
Mit Ringstutzen und Hohlschraube, 35 Nm.
- Schrauben, 190 Nm
F r Bremssatteltr ger.
-Schraube
12-Halterung
F r Leitung Verschlei anzeige. ABS-Sensor und Bremsschlauch.
13-Achsschenkel
F r angeschraubten Bremssatteltr ger.
- ABS-Drehzahlsensor
Vor dem Einsetzen des Sensors die Innenfl che der Bohrung reinigen und mit Hochtemperaturfett, zum Beispiel Keramikpaste von Liqui Moly, bestreichen.
- Innensechskantschraube, 8 Nm
16-Abdeckblech
17-Schrauben, 10 Nm
18 - Radnabeneinheit
Mit integriertem ABS-Sensorring.
Bremsbel ge vorn aus- und einbauen
Bremssattel FN-3/FS-III
Achtung: Es werden 2 unterschiedliche Bremssattel-Ausf hrungen an der Vorderradbremse des GOLF verwendet. Deshalb zuerst anhand der Abbildungen kl ren, welche Ausf hrung im eigenen Fahrzeug eingebaut ist. Beim TOURAN ist nur der Bremssattel FN-3 eingebaut.
Ausbau
Achtung: Bremsbel ge sind Bestandteil der Allgemeinen Betriebserlaubnis (ABE) und vom Werk auf das jeweilige Modell abgestimmt. Es d rfen deshalb nur die vom Automobilhersteller freigegebenen Bremsbel ge verwendet werden.
Achtung: Sollen die Bremsbel ge wieder verwendet werden, m ssen sie beim Ausbau gekennzeichnet werden. Ein Wechsel der Bel ge von der Au en- zur Innenseite oder vom rechten zum linken Rad ist nicht zul ssig.
Achtung: Grunds tzlich alle Scheibenbremsbel ge einer Achse gleichzeitig ersetzen, auch wenn nur ein Belag die Verschlei grenze erreicht hat.
Reifen-Laufrichtung mit Pfeil am Reifen markieren. Radschrauben l sen. Fahrzeug vorne aufbocken und Rad abnehmen. Achtung: Unbedingt Hinweise im Kapitel Rad aus- und einbauen beachten.
Sicherheitshinweis
Beim Aufbocken des Fahrzeugs besteht Unfallgefahr! Hinweise im Kapitel Fahrzeug aufbocken beachten.


Bremssattel FN-3: Haltefeder f r Bremsbel ge mit einem Schraubendreher aus den Bohrungen -Pfeil- heraushebeln und abnehmen.

A46-0087
Abdeckkappen aus den Lagerbuchsen des Bremssattels herausziehen und beide F hrungsbolzen -Pfeile- aus dem Bremssattel herausdrehen.
Bremssattel von Bremssatteltr ger abnehmen und mit Draht am Aufbau aufh ngen. Achtung: Bremssattel nicht einfach nach unten h ngen lassen; der Bremsschlauch darf nicht auf Zug beansprucht oder verdreht werden.
Bremsbel ge herausziehen.
Steckverbindung -1- f r Bremsbelag-Verschlei anzeige trennen.
Einbau
Achtung: Bei ausgebauten Bremsbel gen nicht auf das Bremspedal treten, sonst wird der Kolben aus dem Geh use herausgedr ckt. In diesem Fall Bremssattel komplett ausbauen und Kolben in der Werkstatt einsetzen lassen.
Vor Einbau der Bel ge ist die Bremsscheibe durch Abtasten mit den Fingern auf Riefen zu untersuchen. Riefige Bremsscheiben k nnen abgedreht werden (Werkstattarbeit), sofern sie noch eine ausreichende Dicke aufweisen. Grunds tzlich beide Bremsscheiben einer Achse auf gleiches Ma abdrehen lassen.
Bremsscheibendicke messen, siehe entsprechendes Kapitel.
Achtung: Zum Reinigen der Bremse ausschlie lich Spiritus verwenden. F hrungsfl che beziehungsweise Sitz der Bel ge im Geh useschacht mit einem Lappen reinigen. Keine scharfkantigen Werkzeuge verwenden. Besonders auf das Entfernen eventueller Klebefolienreste an den Anlagefl chen der u eren Bremsbel ge achten.
Staubkappe f r Bremskolben auf Anrisse pr fen. Eine besch digte Staubkappe umgehend ersetzen lassen, da eingedrungener Schmutz schnell zu Undichtigkeiten des Bremssattels f hrt. Der Bremssattel muss hierzu zerlegt werden (Werkstattarbeit).
Bei hohem Bremsbelagverschlei Leichtg ngigkeit des Kolbens pr fen. Dazu einen Holzklotz in den Bremssattel einsetzen und durch Helfer langsam auf das Bremspedal treten lassen. Der Bremskolben muss sich leicht heraus-und hineindr cken lassen. Zur Pr fung muss der andere Bremssattel eingebaut sein. Darauf achten, dass der Bremskolben nicht ganz herausgedr ckt wird. Angerosteten Bremskolben nur mit Bremsfl ssigkeit oder Spiritus reinigen. Bei schwerg ngigem Kolben Bremssattel in der Werkstatt reparieren lassen oder ersetzen.
Achtung: Beim Zur ckdr cken des Kolbens wird Bremsfl ssigkeit aus dem Bremszylinder in den Vorratsbeh lter gedr ckt. Fl ssigkeit im Beh lter beobachten, eventuell Bremsfl ssigkeit mit einem Saugheber absaugen.
Sicherheitshinweis
Zum Absaugen eine Entl fter- oder Plastikflasche verwenden, die nur mit Bremsfl ssigkeit in Ber hrung kommt. Keine Trinkflaschen verwenden! Bremsfl ssigkeit ist giftig und darf auf gar keinen Fall mit dem Mund ber einen Schlauch abgesaugt werden. Saugheber verwenden. Auch nach dem Belagwechsel darf die MAX-Marke am Bremsfl ssigkeitsbeh lter nicht berschritten werden, da sich die Fl ssigkeit bei Erw rmung ausdehnt. Ausgelaufene Bremsfl ssigkeit l uft am Hauptbremszylinder herunter, zerst rt den Lack und f hrt zur Rostbildung.

Deckel des Bremsfl ssigkeitsbeh lters aufschrauben und Bremskolben mit R cksetzwerkzeug, zum Beispiel HA-ZET 4970/6 oder einem Hartholzstab, zur ckdr cken.
Achtung: Darauf achten, dass der Kolben nicht verkantet wird und Kolbenfl che sowie Staubkappe nicht besch digt werden.
Vor dem Einsetzen neuer Bremsbel ge Bremse gr ndlich reinigen und hitzebest ndiges Schmierfett, zum Beispiel Bremsen-Antiquietschpaste von Liqui Moly, d nn auf die Belagf hrungsfl chen auftragen.
Bremssattel FN-3
Schutzfolie von der R ckenplatte des u eren Bremsbelags abziehen und Bremsbelag auf den Bremssatteltr ger aufsetzen.

Inneren Bremsbelag in den Bremssattel einsetzen, dabei Spreizclip -1- an den Bremskolben dr cken.
Bremssattel an den Bremssatteltr ger aufsetzen, dabei darauf achten, dass der u ere Bremsbelag nicht zu fr h mit dem Bremssattel verklebt.
Bremssattel FS-IM
Bremsbel ge in die F hrungen des Bremssattels einsetzen. Achtung: Innere und u ere Bremsbel ge nicht vertauschen. Der u ere Belag hat einen kleinen, schwarz eingef rbten 3-Finger-Spreizclip an der R ckseite. Der innere Belag hat einen gr eren 3-Finger-Spreiz-clip (Kolbenseite).

Bremssattel mit Bremsbel gen zuerst unten -Pfeil- am Bremssatteltr ger ansetzen, dabei muss der Zapfen -Pfeil- vom Bremssattel hinter der F hrung des Bremssatteltr gers stehen.
Beide F hrungsbolzen f r Bremssattel am Bremssatteltr ger einschrauben und mit 30 Nm festziehen.
Beide Abdeckkappen einsetzen.

Reifen-Laufrichtung
beachten, R der
anschrauben, Fahr
zeug ablassen, erst dann Radschrauben ber Kreuz mit
120 Nm festziehen. Achtung: Unbedingt Hinweise im
Kapitel Rad aus-
und einbauen
beachten.
Achtung: Bremspedal im Stand mehrmals kr ftig niedertreten, bis fester Widerstand sp rbar ist. Dadurch legen sich die Bremsbel ge an die Bremsscheiben an und nehmen einen dem Betriebszustand entsprechenden Sitz ein.
Bremsfl ssigkeit im Vorratsbeh lter pr fen, gegebenenfalls bis zur MAX-Marke auff llen. Deckel des Beh lters festschrauben.
Neue Bremsbel ge vorsichtig einbremsen, dazu Fahrzeug mehrmals von ca. 80 km/h auf 40 km/h mit geringem Pedaldruck abbremsen. Dazwischen Bremse etwas abk hlen lassen.
Achtung: Nach dem Einbau neuer Bremsbel ge m ssen diese eingebremst werden. W hrend einer Fahrtstrecke von rund 200 km sollten unn tige Vollbremsungen unterbleiben.
Hinweis: Bremsbel ge m ssen in einigen Kommunen als Sonderm ll entsorgt werden. Die rtlichen Beh rden geben dar ber Auskunft, ob auch eine Entsorgung ber den haus-m ll hnlichen Gewerbem ll zul ssig ist.
Achtung, Sicherheitskontrolle durchf hren:
Sind die Bremsschl uche festgezogen?
Befindet sich der Bremsschlauch in der Halterung?
Sind die Entl ftungsschrauben angezogen?
Ist gen gend Bremsfl ssigkeit eingef llt?
Bei laufendem Motor Dichtheitskontrolle durchf hren. Hierzu Bremspedal mit 200 bis 300 N (entspricht 20 bis 30 kg) etwa 10 Sekunden bet tigen. Das Bremspedal darf nicht nachgeben. S mtliche Anschl sse auf Dichtheit kontrollieren.
Anschlie end einige Sicherheitsbremsungen auf einer Stra e mit geringem Verkehr durchf hren.
0 Bremssattel FN-3: Haltefeder in den Bremssattel einsetzen. Achtung: Nach dem Einsetzen in die beiden Bohrungen muss die Haltefeder unter den Bremssatteltr ger gedr ckt werden. Bei fehlerhafter Montage stellt sich trotz Verschlei der u ere Bremsbelag nicht nach, so dass sich der Pedalweg vergr ert.
Stecker f r Bremsbelag-Verschlei anzeige verbinden.
Bremssattel vorn aus- und einbauen
Bremssattel FN-3/FS-III
Ausbau
Bremsbel ge ausbauen, siehe entsprechendes Kapitel.
Bremssattel vom Bremssatteltr ger abnehmen.

Einbau
Achtung: Bei ausgebauten Bremsbel gen nicht auf das Bremspedal treten, sonst wird der Kolben aus dem Geh use herausgedr ckt.
Bremssattel FN-3: Schrauben f r Bremssatteltr ger mit
Schraubensicherungsmittel, zum Beispiel LOCHTE 243,
bestreichen. Vorher Gewinde reinigen oder nachschnei
den.
Achtung: Hohes Anzugsdrehmoment der Schrauben!
Bremssattel FN-3: Bremssatteltr ger am Achsschenkel ansetzen und mit 190 Nm festschrauben.
War der Bremsschlauch demontiert, Hohlschraube f r Bremsschlauch mit neuen Dichtringen im Bremssattel eindrehen. Dabei darauf achten, dass der Bremsschlauch nicht verdreht wird. Hohlschraube mit 35 Nm festziehen.
Bremsbel ge einbauen, siehe entsprechendes Kapitel.
Bremsanlage entl ften, siehe entsprechendes Kapitel.
Hohlschraube -1- f r Bremsschlauch am Bremssattel abschrauben und sofort mit neuen Dichtringen am neuen Bremssattel anschrauben.
Sicherheitshinweis
Beim ffnen vom Bremskreis l uft Bremsfl ssigkeit aus. Bremsfl ssigkeit in einer untergelegten Schale auffangen. Man kann auch zuvor die Bremsfl ssigkeit mit einem Saugheber aus dem Vorratsbeh lter absaugen.
Hinweis: Wird der Bremssattel nur zum Ausbau der Bremsbel ge oder der Bremsscheibe ausgebaut, muss der Bremsschlauch nicht vom Bremssattel abgeschraubt werden. In diesem Fall den Bremssattel mit Draht so am Aufbau aufh ngen, dass der Bremsschlauch nicht verdreht oder auf Zug beansprucht wird.
Bremssattel FN-3: 2 Schrauben -Pfeile- herausdrehen und Bremssatteltr ger vom Achsschenkel abnehmen.
Achtung: Hohes L se- und Anzugsdrehmoment der Schrauben f r den Bremssatteltr ger! Wir empfehlen, vor L sen und Anziehen der Schrauben den Reifen zu montieren und das Fahrzeug auf die R der zu stellen.
Achtung: Bleibt das Fahrzeug zum Herausdrehen der Schrauben aufgebockt, gew hrleisten, dass das Fahrzeug sicher aufgebockt ist und der Schraubenschl ssel waagerecht angesetzt wird.
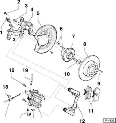
Hinterrad-Scheibenbremse
|
|
|
|
15 14 13 |
A - C-38, GOLF B-C-II41.TOURAN
C- C-l 141. Allradantrieb
- ABS-Drehzahlsensor
Vor dem Einsetzen des Sensors die Innenfl che der Bohrung reinigen und mit Hochtemperaturfett, zum Beispiel Keramikpaste von Liqui Moly. bestreichen.
- Innensechskantschraube, 8 Nm
- Schrauben
Selbstsichernd. Mit 90 Nm voranziehen, danach um 90 weiterdrehen. F r Bremssatteltr ger.
- Achsschenkel
- Abdeckblech
- Schrauben, 9 Nm
- Radnabeneinheit
Mit integriertem ABS-Sensorring.
- Bremsscheibe
Grunds tzlich achsweise ersetzen.
- Sicherungsschraube, 4 Nm
F r Bremsscheibe.
- Radnabenschraube"
Selbstsichernd. Mit 180 Nm voranziehen. danach um 180 weiterdrehen.
- Bremsbel ge
Grunds tzlich achsweise ersetzen.
- Bremssatteltr ger
Mit F hrungsbolzen. Am Achsschenkel angeschraubt.
- Bremssattel
- Halterung
F r Bremsschlauch.
- Bremsleitung
Mit Hohlschraube. 14 Nm.
- Schrauben, 35 Nm *
Selbstsichernd. F r Bremssattel.
- Handbremszug
18- Halteklammer F r Handbremszug
- Bremsschlauch
- Belaghaltefedern
Bei Belagwechsel immer ersetzen.
I Nach jeder Demontage ersetzen.
Bremsbel ge hinten aus- und einbauen
Bremssattel C-38/C-II41
Achtung: Es gibt bei der Hinterradbremse unterschiedliche Bremssattel-Ausf hrungen. Deshalb zuerst anhand der Abbildungen kl ren, welche Ausf hrung im eigenen Fahrzeug eingebaut ist.
Ausbau
Achtung: Bremsbel ge sind Bestandteil der Allgemeinen Betriebserlaubnis (ABE) und vom Werk auf das jeweilige Modell abgestimmt. Deshalb d rfen nur die vom Automobilhersteller freigegebenen Bremsbel ge verwendet werden.
Bremssattel C-38: Bremsbel ge aus dem Bremssatteltr ger herausnehmen.
Bremssattel C-II41: Bremsbel ge mit Belaghaltefedern aus dem Bremssatteltr ger herausnehmen.
Einbau
Achtung: Bei ausgebauten Bremsbel gen nicht auf das Bremspedal treten, sonst wird der Kolben aus dem Geh use herausgedr ckt.
Bremsscheibe auf Sch den und Verschlei untersuchen. Bremssattel ausschlie lich mit Spiritus reinigen. Achtung: Keine scharfkantigen Werkzeuge oder Drahtb rste verwenden. Siehe Anweisungen und Hinweise im Kapitel f r die Vorderradbremse, Seite 161.
|
Sicherheitshinweis |
|
|
|
|
|
Beim Aufbocken |
des |
Fahrzeugs besteht |
Unfallgefahr! |
|
|
Deshalb vorher |
das |
Kapitel |
>Fahrzeug |
aufbocken |
|
durchlesen. |
|
|
|
|
Fahrzeug aufbocken.
Reifen-Laufrichtung mit Pfeil am Reifen markieren. Radschrauben l sen. Fahrzeug hinten aufbocken und Hinterrad abnehmen. Achtung: Unbedingt Hinweise im Kapitel Rad aus- und einbauen beachten.
Achtung: Sollen die Bremsbel ge wieder verwendet werden, m ssen sie beim Ausbau gekennzeichnet werden. Ein Wechsel der Bel ge von der Au en- zur Innenseite und umgekehrt oder auch vom rechten zum linken Rad ist nicht zul ssig. Grunds tzlich alle Scheibenbremsbel ge an einer Achse gleichzeitig ersetzen, auch wenn nur ein Belag die Verschlei grenze erreicht hat.


Bremskolben mit Spezial-R ckstellwerkzeug f r Hinterradscheibenbremsen -1-, zum Beispiel HAZET 4970/6, zur ckdr cken.
Achtung: Der Bremskolben darf nicht mit einem herk mmlichen R ckstellwerkzeug zur ckgedr ckt werden. Die Nachstellung f r die Handbremse w rde dabei zerst rt werden.
Kolben durch Drehen im Uhrzeigersinn mit dem Spezial-werkzeug langsam einschrauben. Der Bund -2- des Werkzeugs muss dabei am Bremssattel anliegen. Darauf achten, dass die Staubkappe nicht besch digt wird. Bei schwerg ngigem Kolben mit einem Maulschl ssel an den Abflachungen des Werkzeugs drehen.
Vor dem Einsetzen neuer Bremsbel ge hitzebest ndiges Schmierfett, zum Beispiel Bremsen-Antiquietschpaste von Liqui Moly, d nn auf die Belagf hrungsfl chen des Bremssattels auftragen.
Achtung: Beim Zur ckdr cken des Kolbens wird Bremsfl ssigkeit aus dem Bremszylinder in den Vorratsbeh lter gedr ckt. Fl ssigkeit im Beh lter beobachten.
Schutzfolie
von der R ckenplatte der Bremsbel ge abzie
hen.
Befestigungsschrauben f r Bremssattel oben und unten herausdrehen, dabei am F hrungsbolzen gegenhalten.
Bremssattel vom Bremssatteltr ger abnehmen und mit angeschlossenem Bremsschlauch mit Draht am Aufbau aufh ngen. Achtung: Bremssattel nicht einfach nach unten h ngen lassen; der Bremsschlauch darf nicht auf Zug beansprucht oder verdreht werden.

Bremssattel C-38: Bremsbel ge -1- im Bremssatteltr ger -2- einsetzen.
Bremssattel hinten aus- und einbauen
Bremssattel C-38/C-II41
Ausbau
|
Sicherheitshinwels |
|
|
|
|
|
Beim Aufbocken |
des |
Fahrzeugs besteht |
Unfallgefahr! |
|
|
Deshalb vorher |
das |
Kapitel |
>Fahrzeug |
aufbocken |
|
durchlesen. |
|
|
|
|
Fahrzeug aufbocken.
Reifen-Laufrichtung mit Pfeil am Reifen markieren. Radschrauben l sen. Fahrzeug hinten aufbocken und Hinterrad abnehmen. Achtung: Unbedingt Hinweise im Kapitel Rad aus- und einbauen beachten.
|

A46-0305
Bremssattel C-II41: Neue Belaghaltefedern -Pfeile- und neue Bremsbel ge -1- im Bremssatteltr ger -2- einsetzen. Dabei auf korrekten Sitz der Bremsbel ge in den Belaghaltefedern achten.
Bremssattel aufsetzen, dabei darauf achten, dass die Bremsbel ge nicht zu fr h mit dem Bremssattel verkleben.
Bremssattel mit neuen, selbstsichernden Schrauben und mit 35 Nm festschrauben, dabei am F hrungsbolzen gegenhalten. Achtung: Im Reparatursatz sind selbstsichernde Schrauben enthalten, die in jedem Fall einzubauen sind.
Reifen-Laufrichtung beachten, Hinterrad anschrauben. Fahrzeug ablassen, erst dann Radschrauben ber Kreuz mit 120 Nm festziehen. Achtung: Unbedingt Hinweise im Kapitel Rad aus- und einbauen beachten.
Bremspedal im Stand mehrmals kr ftig niedertreten, bis fester Widerstand sp rbar ist. Dadurch legen sich die Bremsbel ge an die Bremsscheiben an.
Bremsfl ssigkeit im Vorratsbeh lter pr fen, gegebenenfalls bis zur MAX-Marke auff llen.
Mit einem Schraubendreher Halteklammer -1 - abhebein.
Hebel -2- am Bremssattel in Pfeilrichtung dr cken und Handbremsseil -3- aush ngen.
Handbremszug aus der Halterung herausnehmen.
Bremsleitung vom Bremsschlauch trennen. Dazu Hohlschraube herausdrehen und Bremsschlauch von der Halterung nehmen. Bremsschlauch mit einem Stopfen verschlie en.
Sicherheitshinweis
Beim ffnen vom Bremskreis l uft Bremsfl ssigkeit aus. Bremsfl ssigkeit in einer untergelegten Schale auffangen. Man kann auch zuvor die Bremsfl ssigkeit mit einem Saugheber aus dem Vorratsbeh lter absaugen.
Befestigungsschrauben f r Bremssattel oben und unten herausdrehen, dabei am F hrungsbolzen gegenhalten.
Bremssattel vom Bremssatteltr ger abnehmen.
Bremsbel ge ausbauen, siehe entsprechendes Kapitel.
2 Schrauben herausdrehen und Bremssatteltr ger vom Achsschenkel abnehmen.
Achtung: Hohes L se- und Anzugsdrehmoment der Schrauben f r den Bremssatteltr ger! Wir empfehlen, vor L sen und Anziehen der Schrauben den Reifen zu montieren und das Fahrzeug auf die R der zu stellen.
Achtung: Bleibt das Fahrzeug zum Herausdrehen der Schrauben aufgebockt, gew hrleisten, dass das Fahrzeug sicher aufgebockt ist und der Schraubenschl ssel waagerecht angesetzt wird.
Einbau
Achtung: Bei ausgebauten Bremsbel gen nicht auf das Bremspedal treten, sonst wird der Kolben aus dem Geh use herausgedr ckt.
Achtung: Hohes Anzugsdrehmoment der Schrauben!
Bremssatteltr ger am Achsschenkel ansetzen und mit
neuen selbstsichernden Schrauben anschrauben.
Schrauben in 2 Stufen ber
Kreuz festziehen:
Stufe: . . mit Drehmomentschl ssel 90 Nm anziehen.
Stufe: .... mit starrem Schl ssel 90 weiterdrehen.
Hinwels: Um die Winkelgrade beim Anziehen einzuhalten, ist es sinnvoll, aus Pappe eine Winkelscheibe auszuschneiden oder die Winkelscheibe HAZET 6690 zu verwenden.
Bremsbel ge einbauen, siehe entsprechendes Kapitel.
Bremssattel am Bremssatteltr ger aufsetzen, mit neuen, selbstsichernden Schrauben und 35 Nm festschrauben, dabei am F hrungsbolzen gegenhalten.
Handbremszug in die Halterung am Bremssattel einf hren und Halteklammer einsetzen.
Hebel am Bremssattel nach vorne dr cken und Handbremsseil einh ngen.
Bremsleitung in Bremsschlauch einschrauben. Hohlschraube mit 14 Nm festziehen.
Bremsanlage entl ften, siehe entsprechendes Kapitel.
Fu bremse im Stand mehrmals bet tigen.
Handbremse einstellen, siehe entsprechendes Kapitel.
Reifen-Laufrichtung beachten, Hinterrad anschrauben. Fahrzeug ablassen, erst dann Radschrauben ber Kreuz mit 120 Nm festziehen. Achtung: Unbedingt Hinweise im Kapitel Rad aus- und einbauen beachten.
Bremsscheibendicke pr fen
Pr fen
Reifen-Laufrichtung mit Pfeil am Reifen markieren. Radschrauben l sen. Fahrzeug aufbocken und R der abnehmen. Achtung: Unbedingt Hinweise im Kapitel Rad aus- und einbauen beachten.

Bremsscheibendicke immer an der d nnsten Stelle -Pfeile- messen. Die Werkstatt benutzt dazu einen speziellen Messschieber oder eine Mikrometer-B gelmessschrau-be, da sich durch die Abnutzung der Bremsscheibe ein Rand bildet. Man kann die Bremsscheibendicke auch mit einer normalen Schieblehre messen, allerdings muss dann auf jeder Seite der Bremsscheibe eine entsprechend starke Unterlage zwischengelegt werden (beispielsweise 2 M nzen). Um das exakte Ma der Bremsscheibendicke zu ermitteln, m ssen von dem gemessenen Wert die Dicke der M nzen beziehungsweise der Unterlage abgezogen werden. Achtung: Messung an mehreren Punkten der Bremsscheibe vornehmen.
Soll- und Verschlei werte f r Bremsscheibe, siehe Technische Daten Bremsanlage
Wird die Verschlei grenze erreicht, Bremsscheibe erneuern.
Bei gr eren Rissen oder bei Riefen, die tiefer als 0,5 mm sind, Bremsscheibe erneuern, siehe entsprechendes Kapitel.
Reifen-Laufrichtung beachten, R der anschrauben, Fahrzeug ablassen, erst dann Radschrauben ber Kreuz mit 120 Nm festziehen. Achtung: Unbedingt Hinweise im Kapitel Rad aus- und einbauen beachten.
Bremsscheibe aus- und einbauen
Bremsscheiben erneuern, wenn sie korrodiert sind oder die Verschlei grenze erreicht haben.
Um beidseitig eine gleichm ige Verz gerung sicherzustellen, m ssen alle Bremsscheiben die gleiche Oberfl che bez glich Schliffbild und Rautiefe aufweisen. Deshalb grunds tzlich beide Bremsscheiben einer Achse ersetzen, beziehungsweise abdrehen lassen.
Achtung: Wenn die Bremsscheiben ersetzt oder abgedreht werden, m ssen gleichzeitig auch neue Bremsbel ge eingebaut werden.
Korrodierte Bremsscheiben erzeugen beim Abbremsen einen Rubbeleffekt. der sich auch durch l ngeres Bremsen nicht beseitigen l sst. In diesem Fall m ssen die Bremsscheiben erneuert werden.
Ausbau
|
Sicherheitshinweis |
|
|
|
|
|
Beim Aufbocken |
des |
Fahrzeugs besteht |
Unfallgefahr! |
|
|
Deshalb vorher |
das |
Kapitel |
■ Fahrzeug |
aufbocken |
|
durchlesen. |
|
|
|
|
Reifen-Laufrichtung mit Pfeil am Reifen markieren. Radschrauben l sen. Fahrzeug aufbocken und R der abnehmen. Achtung: Unbedingt Hinweise im Kapitel Rad aus- und einbauen beachten.
Bremsbel ge und Bremssattel ausbauen, siehe entsprechendes Kapitel.
Um ein Herausgleiten des Bremskolbens zu verhindern, Holzst ck zwischen Bremskolben und Bremssattel klemmen.
Bremssattel mit Drahthaken so am Aufbau oder an der Schraubenfeder aufh ngen, dass der Bremsschlauch nicht verdreht oder auf Zug beansprucht wird.
t Sicherungsschraube f r Bremsscheiben-Befestigung herausdrehen, siehe entsprechende Bremsen-Abbildung.
Bremsscheibe abnehmen.
Achtung: Die Bremsscheibe darf nicht durch Gewaltanwendung (Hammerschl ge) von der Radnabe getrennt werden. Stattdessen handels blichen Rostl ser anwenden, um Sch den an der Bremsscheibe zu vermeiden. Falls der Ausbau nur durch kr ftige Hammerschl ge m glich ist, aus Sicherheitsgr nden Bremsscheibe und Radlager erneuern. Auch wenn ein Abzieher verwendet wird, Bremsscheibe erneuern.
Einbau
Die Werkstatt kann die Bremsscheibe auf Schlag pr fen. Maximaler Scheibenschlag an der Bremsfl che gemessen: 0,05 mm. Maximal zul ssige Dickentoleranz: 0,01 mm.
Bremsscheibendicke messen, siehe entsprechendes Kapitel.
Falls vorhanden, Rost am Flansch der Bremsscheibe und der Radnabe entfernen.
Neue Bremsscheibe mit Verd nnung vom Schutzlack reinigen.
Bremsscheibe auf Radnabe aufsetzen, Sicherungsschraube eindrehen und mit 4 Nm festziehen.
Bremsbel ge einsetzen und Bremssattel anschrauben, siehe entsprechendes Kapitel.
Hinterradbremse: Handbremse einstellen, siehe entsprechendes Kapitel.
Achtung: War der Bremsschlauch demontiert, Bremsschlauch anschrauben und Bremsanlage entl ften, siehe entsprechendes Kapitel.
Reifen-Laufrichtung beachten, R der anschrauben, Fahr
zeug ablassen, erst dann Radschrauben ber Kreuz mit
120 Nm festziehen. Achtung: Unbedingt Hinweise im
Kapitel Rad aus-
und einbauen
beachten.
Achtung: Bremspedal im Stand mehrmals kr ftig niedertreten, bis fester Widerstand sp rbar ist.
Bremsfl ssigkeitsstand im Bremsfl ssigkeitsbeh lter pr fen, gegebenenfalls auff llen.
Achtung, Sicherheitskontrolle durchf hren:
Sind die Bremsschl uche festgezogen?
Befindet sich der Bremsschlauch in der Halterung?
Sind die Entl ftungsschrauben angezogen?
Ist gen gend Bremsfl ssigkeit eingef llt?
Bei laufendem Motor Dichtheitskontrolle durchf hren. Hierzu Bremspedal mit 200 bis 300 N (entspricht 20 bis 30 kg) etwa 10 Sekunden bet tigen. Das Bremspedal darf nicht nachgeben. S mtliche Anschl sse auf Dichtheit kontrollieren.
Neue Bremsscheiben vorsichtig einbremsen, dazu Fahrzeug mehrmals von ca. 80 km/h auf 40 km/h mit geringem Pedaldruck abbremsen. Dazwischen Bremse etwas abk hlen lassen.
![]()
|
|
| V-4439 | |
Handbremsseil aus- und einbauen
Ausbau
Handbremse l sen.
Mittelkonsole ausbauen, siehe Seite 244/247.

Handbremszug -1- aus der vorderen Halterung -4- aush ngen und aus der Durchf hrung -5- herausziehen.
Handbremszug vom Fahrzeugunterboden abnehmen.
Nachstellmutter -3- am Handbremshebel so weit l sen, bis das Handbremsseil -1- aus dem Ausgleichb gel -2-ausgeh ngt werden kann. Handbremsseil aush ngen.
Handbremszug am hinteren Bremssattel aush ngen, siehe Kapitel Bremssattel hinten aus- und einbauen

Schraube -2- herausdrehen und Halteclip des Handbremszugs -1- vom L ngstr ger -3- der Hinterachse l sen.
Einbau
Handbremszug am Fahrzeugunterboden durch die Durchf hrung -5- zum Handbremshebel durchschieben und an der vorderen Halterung -4- einh ngen.
Handbremszug am hinteren Bremssattel einh ngen, siehe Kapitel Bremssattel hinten aus- und einbauen
Hinweis: Der Handbremszug muss zwischen der Halterung am Bremssattel und dem Halteclip am L ngstr ger spannungsfrei verlegt werden. Daher Einbau-Reihenfolge einhalten.
Zuletzt Halteclip des Handbremszugs am L ngstr ger festschrauben.
Handbremszug am Handbremshebel in den Ausgleichb gel einh ngen und mit der Nachstellmutter vorspannen.
Handbremse einstellen, siehe entsprechendes Kapitel.
Mittelkonsole einbauen, siehe Seite 244/247.
Handbremse einstellen
Die Hinterradbremse verf gt ber eine automatische Nachstellung, so dass die Handbremse im Rahmen der Wartung nicht nachgestellt werden muss. Erforderlich ist die Einstellung der Handbremse nach dem Aus- und Einbau von:
Handbremsseilen.
Bremssattel/Bremssatteltr ger hinten.
Bremsscheiben hinten.
Einstellen
Handbremse l sen.
Mittelkonsole ausbauen, siehe Seite 244/247.
Bremspedal mindestens 3-mal kr ftig bet tigen.
Hinweis: Die Fu bremse muss funktionsf hig und entl ftet sein.
Handbremse 3-mal kr ftig anziehen und wieder l sen.
|
Sicherheitshinweis |
|
|
|
|
|
Beim Aufbocken |
des |
Fahrzeugs besteht |
Unfallgefahr! |
|
|
Deshalb vorher |
das |
Kapitel > |
Fahrzeug |
aufbocken |
|
durchlesen. |
|
|
|
|
Fahrzeug hinten aufbocken, die Hinterr der m ssen vom Boden abheben.

/
I V-4440
Handbremshebel in Ruhestellung. Nachstellmutter -Pfeil- so weit anziehen, bis sich die beiden Hebel f r die Handbremsbet tigung an den Bremss tteln vom Anschlag abheben.

Die Nachstellmutter muss so verdreht werden, dass bei gel ster Handbremse der Abstand -a- zwischen Hebel -1- und Anschlag -2- an beiden Bremss tteln zusammen 1 bis 3 mm betr gt.
Sicherstellen, dass beide Hinterr der frei drehen. Gegebenenfalls die Nachstellmutter etwas zur ckdrehen.
Fahrzeug ablassen.
Bremsanlage entl ften
Beim Umgang mit Bremsfl ssigkeit sind folgende Hinweise zu beachten:
Sicherheitshinweis
Bremsfl ssigkeit ist giftig. Keinesfalls Bremsfl ssigkeit mit dem Mund ber einen Schlauch absaugen. Bremsfl ssigkeit nur in Beh lter f llen, bei denen ein versehentlicher Genuss ausgeschlossen ist.
Bremsfl ssigkeit ist tzend und darf deshalb nicht mit dem Autolack in Ber hrung kommen, gegebenenfalls Bremsfl ssigkeit sofort abwischen und mit viel Wasser abwaschen.
Bremsfl ssigkeit ist hygroskopisch, das hei t, sie nimmt aus der Luft Feuchtigkeit auf. Bremsfl ssigkeit deshalb nur in geschlossenen Beh ltern aufbewahren.
Bremsfl ssigkeit, die schon einmal im Bremssystem verwendet wurde, darf nicht wieder verwendet werden. Auch beim Entl ften der Bremsanlage nur neue Bremsfl ssigkeit verwenden.
Bremsfl ssigkeits-Spezifikation: FMVSS 116 DOT 4.
Bremsfl ssigkeit darf nicht mit Mineral l in Ber hrung kommen. Schon geringe Spuren von Mineral l machen die Bremsfl ssigkeit unbrauchbar, beziehungsweise f hren zum Ausfall des Bremssystems. Stopfen und Manschetten der Bremsanlage werden besch digt, wenn sie mit mineral lhaltigen Mitteln zusammenkommen. Zum Reinigen keine mineral lhaltigen Putzlappen verwenden.
Bremsfl ssigkeit alle 2 Jahre wechseln, m glichst nach der kalten Jahreszeit.
Achtung: Bremsfl ssigkeit ist ein Problemstoff und darf auf keinen Fall einfach weggesch ttet oder dem Hausm ll mitgegeben werden. Gemeinde- und Stadtverwaltungen informieren dar ber, wo sich die n chste Problemstoff-Sammelstelle befindet.
Entl ften
Nach jeder Reparatur an der Bremse, bei der die Bremsanlage ge ffnet wurde, kann Luft in die Druckleitungen eingedrungen sein. Dann muss das Bremssystem entl ftet werden. Luft ist auch dann in den Leitungen, wenn sich beim Treten des Bremspedals der Bremsdruck schwammig anf hlt. In diesem Fall muss die Undichtigkeit beseitigt und die Bremsanlage entl ftet werden.
In der Werkstatt wird die Bremse in der Regel mit einem Bremsentl ftungsger t entl ftet. Zwingend vorgeschrieben ist die Verwendung eines Bremsentl ftungsger tes, wenn ein Bremsschlauch demontiert wurde, wenn nur eine Kammer des Bremsfl ssigkeitsbeh lters leer war oder wenn die hydraulische Kupplungsbet tigung ebenfalls entl ftet werden muss. Im Normalfall geht es auch ohne das Bremsentl ftungsger t. Die Bremsanlage wird dann durch Pumpen mit dem Bremspedal entl ftet, dazu ist eine zweite Person notwendig.
Muss die ganze Anlage entl ftet werden, jede Radbremse einzeln und den Kupplungsnehmerzylinder entl ften. Das ist immer dann der Fall, wenn Luft in jeden einzelnen Bremszylinder gedrungen ist. Daf r immer ein Bremsentl ftungs-ger t verwenden. Falls nur ein Bremssattel erneuert bzw. berholt wurde, gen gt in der Regel das Entl ften des betreffenden Bremszylinders.
Sicherheitshinweis
Ist eine Kammer des Bremsfl ssigkeitbeh lters komplett leergelaufen (zum Beispiel bei Undichtigkeiten im Bremssystem oder wenn beim Entl ften vergessen wurde, Bremsfl ssigkeit nachzuf llen), wird Luft angesaugt, die in die ABS-Hydraulikpumpe gelangt. Die Bremsanlage muss dann in der Werkstatt mit dem Entl ftungsger t entl ftet werden. Bei Ausstattung mit EDS muss die Bremsanlage zus tzlich vorentl ftet werden und es muss eine Grundeinstellung durch ein Testger t eingeleitet werden. Bei Einbau eines neuen Bremsschlauchs muss die Anlage ebenfalls mit einem Entl ftungsger t entl ftet werden.
Die Reihenfolge der Entl ftung: 1. Bremssattel vorn links, 2. Bremssattel vorn rechts, 3. Bremssattel hinten links, 4. Bremssattel hinten rechts.
Fahrzeug aufbocken.
Reifen-Laufrichtung mit Pfeil am Reifen markieren. Radschrauben l sen. Fahrzeug hinten aufbocken und Hinterr der abnehmen. Achtung: Unbedingt Hinweise im Kapitel Rad aus- und einbauen beachten.
Hinweis: Die Entl fterventile der hinteren Bremss ttel sind erst nach Abnahme der Hinterr der zug nglich.
Bremsfl ssigkeitsbeh lter bis MAX-Markierung auff llen.
Achtung: Entl fterventile reinigen und vorsichtig ffnen, damit sie nicht abgedreht werden. Es empfiehlt sich, die Ventile ca. 1 Stunde vor dem Entl ften mit Rostl ser einzuspr hen. Bei festsitzenden Ventilen das Entl ften von einer Werkstatt durchf hren lassen.
Achtung: W hrend des Entl ftens die Entl fterflasche 30 Zentimeter h her als das Entl fterventil halten und ab und zu den Bremsfl ssigkeitsbeh lter beobachten. Der Fl ssigkeitsspiegel darf nicht zu weit sinken, sonst wird ber den Bremsfl ssigkeitsbeh lter Luft angesaugt. Immer nur neue Bremsfl ssigkeit nachgie en!

Staubkappe vom Entl fterventil des Bremszylinders abnehmen. Entl fterventil reinigen, sauberen Schlauch aufstecken, anderes Schlauchende in eine mit Bremsfl ssigkeit halbvoll gef llte Flasche stecken. Hinweis: Einen geeigneten Schlauch und ein passendes Gef gibt es im Autozubeh r-Handel.
Von einem Helfer Bremspedal so oft niedertreten lassen, pumpen , bis sich im Bremssystem Druck aufgebaut hat - zu sp ren am wachsenden Widerstand beim Bet tigen des Pedals.
Ist gen gend Druck vorhanden, Bremspedal ganz durchtreten und Fu auf dem Bremspedal halten.

Entl fterventil am Bremssattel etwa 14 Umdrehung mit Ringschl ssel -1- ffnen. Zum ffnen der Ventile gibt es spezielle Entl ftungsschl ssel, zum Beispiel HAZET 4968/5. Ausflie ende Bremsfl ssigkeit in der Flasche sammeln. Hinweis: Die Abbildung zeigt nicht den Bremssattel des GOLFATOURAN.
Ausflie ende Bremsfl ssigkeit in der Flasche sammeln. Darauf achten, dass sich das Schlauchende in der Flasche st ndig unterhalb des Fl ssigkeitsspiegels befindet und dass die Flasche ber dem Bremssattel steht.
Sobald der Fl ssigkeitsdruck nachl sst, Entl fterventil bei weiterhin niedergetretenem Bremspedal schlie en.
Pumpvorgang wiederholen, bis sich Druck aufgebaut hat. Bremspedal niedertreten, Fu auf dem Bremspedal lassen, Entl fterventil ffnen, bis der Druck nachl sst. Entl fterventil schlie en.
Entl ftungsvorgang an einem Bremszylinder so lange wiederholen, bis sich in der Bremsfl ssigkeit, die in die Entl fterflasche str mt, keine Luftblasen mehr zeigen.
Nach dem Entl ften Schlauch vom Entl fterventil abziehen, Entl fterventil mit 10 Nm festziehen und Staubkappe auf Ventil stecken.
Die Bremszylinder an den anderen R dern auf die gleiche Weise entl ften, dabei Reihenfolge einhalten.
Nach dem Entl ften den Bremsfl ssigkeitsbeh lter bis zur MAX-Markierung auff llen.
Entl ften mit Bremsentl ftungsger t
Verschlussdeckel vom Bremsfl ssigkeitsbeh lter abschrauben und Entl ftungsger t ber einen Adapter am Bremsfl ssigkeitsbeh lter anschlie en.
Im Bremssystem einen Arbeitsdruck von 2 bar einstellen.
Fahrzeuge mit EDS: Bremsanlage vorentl ften, wenn eine Kammer des Bremsfl ssigkeitsbeh lters leer gelaufen ist. Zun chst vordere Bremss ttel gleichzeitig entl ften, anschlie end hintere Bremss ttel. Dazu Schl uche an beide Entl fterventile aufstecken, Ventile ffnen und Fl ssigkeit ausstr men lassen, bis sich keine Luftblasen mehr zeigen. Anschlie end Ventile schlie en. Zuletzt Grundeinstellung durch ein Testger t einleiten und Bremsanlage nochmals entl ften.
Alle Fahrzeuge: In der angegebenen Reihenfolge jeden Bremszylinder einzeln entl ften. Dazu Schlauch am Entl fterventil aufstecken, Ventil ffnen und Fl ssigkeit ausstr men lassen, bis sich keine Luftblasen mehr zeigen. Anschlie end Ventil schlie en.
Nach dem Entl ften Adapter und Entl ftungsger t abbauen, dabei darauf achten, dass der Bremsfl ssigkeitsbeh lter unter Druck steht.
Jeden Bremssattel 5-mal nach der konventionellen Methode ohne Entl ftungsger t nachentl ften.
Reifen-Laufrichtung beachten, Hinterr der anschrauben. Fahrzeug ablassen, erst dann Radschrauben ber Kreuz mit 120 Nm festziehen. Achtung: Unbedingt Hinweise im Kapitel Rad aus- und einbauen beachten.
Anschlie end auf einer Stra e mit geringem Verkehr
Fahrzeug mehrmals abbremsen. Dabei muss mindestens
eine starke Bremsung mit ABS-Regelung (erkennbar am
pulsierenden Bremspedal) vorgenommen werden. Ach
tung: Dabei besonders auf nachfolgenden Verkehr
achten.
Achtung: Alte Bremsfl ssigkeit ist ein Problemstoff und darf auf keinen Fall einfach weggesch ttet oder dem Hausm ll mitgegeben werden. Gemeinde- und Stadtverwaltungen informieren dar ber, wo sich die n chste Problemstoff-Sammelstelle befindet.
Bremskraftverst rker pr fen
Der Bremskraftverst rker ist auf Funktion zu berpr fen, wenn zur Erzielung ausreichender Bremswirkung die Pedalkraft au ergew hnlich hoch ist.
Bremspedal bei stehendem Motor mindestens 5-mal kr ftig durchtreten, dann bei belastetem Bremspedal Motor starten. Das Bremspedal muss jetzt unter dem Fu sp rbar nachgeben.
Andernfalls Unterdruckschlauch am Bremskraftverst rker herausziehen, Motor starten. Durch Fingerauflegen am Ende des Unterdruckschlauches pr fen, ob Unterdruck vorhanden ist.
Ist kein Unterdruck vorhanden: Unterdruckschlauch auf Undichtigkeiten und Besch digungen pr fen, gegebenenfalls ersetzen. S mtliche Schellen fest anziehen.
Dieselmotor: Unterdruckschlauch von der Vakuumpumpe abziehen und mit dem Finger pr fen, ob Unterdruck am Schlauchanschluss anliegt.
Ist Unterdruck vorhanden: Unterdruck messen, gegebenenfalls Bremsservo ersetzen (Werkstattarbeit).
Achtung, Sicherheitskontrolle durchf hren:
Sind die Entl ftungsschrauben angezogen?
Ist gen gend Bremsfl ssigkeit eingef llt?
Bei laufendem Motor Dichtheitskontrolle durchf hren. Hierzu Bremspedal mit 200 bis 300 N (entspricht 20 bis 30 kg) etwa 10 Sekunden bet tigen. Das Bremspedal darf nicht nachgeben. S mtliche Anschl sse auf Dichtheit kontrollieren.
Anschlie end einige Sicherheitsbremsungen auf einer Stra e mit geringem Verkehr durchf hren.
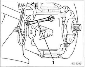
Bremsschlauch aus- und einbauen
Das Bremsleitungssystem stellt die Verbindung vom Hauptbremszylinder zu den vier Radbremsen her.
Achtung: Die starren Bremsleitungen aus Metall sollen von einer Fachwerkstatt verlegt werden, da zur fachgerechten Montage einige Erfahrung n tig ist.
Als flexible Verbindungen zwischen den starren und beweglichen Fahrzeugteilen, beispielsweise den Bremss tteln, werden druckfeste Bremsschl uche verwendet. Diese m ssen bei erkennbaren Sch den sofort ausgewechselt werden. ltere Bremsschl uche k nnen so aufquellen, dass sich in ihrem Innern der Durchflussquerschnitt verringert. In einem solchen Fall kann die Bremsfl ssigkeit nicht aus dem Radbremszylinder in den Hauptbremszylinder zur ckflie en; die Radbremse erhitzt sich. Wird dann das betreffende Entl fterventil am Radbremszylinder ge ffnet und das Rad blockiert nicht mehr, ist das ein Zeichen f r einen defekten Bremsschlauch.
Sicherheitshinweis, Fahrzeuge mit ABS Ist ein Bremsschlauch montiert worden oder eine Kammer des Bremsfl ssigkeitbeh lters leergelaufen, wird Luft angesaugt, die in die ABS-Hydraulikpum-pe gelangt. Die Bremsanlage muss dann in der Werkstatt mit dem Entl ftungsger t entl ftet werden.
Achtung: Bremsschl uche nicht mit l oder Petroleum in Ber hrung bringen, nicht lackieren oder mit Unterbodenschutz bespr hen.
Achtung: Regeln im Umgang mit Bremsfl ssigkeit beachten, siehe Kapitel Bremsanlage entl ften
Einbau
Nur vom Werk freigegebene Bremsschl uche einbauen. Neuen Bremsschlauch so einbauen, dass er ohne Drall durchh ngt.
Bremsleitung mit 14 Nm am Bremsschlauch festschrauben.
Bremsschlauch am Bremssattel mit 35 Nm festziehen. Achtung: Bremsschlauch, sofern erforderlich, mit neuem Dichtring anschrauben.
Achtung: Bremsanlage ausschlie lich mit einem Entl ftungsger t entl ften (Werkstatt).
Fahrzeug ablassen.
Achtung, Sicherheitskontrolle durchf hren:
Sind die Bremsschl uche festgezogen?
Befindet sich der Bremsschlauch in der Halterung?
Sind die Entl ftungsschrauben angezogen?
Ist gen gend Bremsfl ssigkeit eingef llt?
Bei laufendem Motor Dichtheitskontrolle durchf hren. Hierzu Bremspedal mit 200 bis 300 N (entspricht 20 bis 30 kg) etwa 10 Sekunden bet tigen. Das Bremspedal darf nicht nachgeben. S mtliche Anschl sse auf Dichtheit kontrollieren.
Anschlie end einige Bremsungen auf einer Stra e mit
geringem Verkehr durchf hren.
Ausbau
Achtung: Regeln im Umgang mit Bremsfl ssigkeit beachten, siehe Kapitel Bremsanlage entl ften
|
Sicherheitshinweis |
|
|
|
|
|
Beim Aufbocken |
des |
Fahrzeugs besteht |
Unfallgefahr! |
|
|
Deshalb vorher |
das |
Kapitel |
Fahrzeug |
aufbocken |
|
durchlesen. |
|
|
|
|
Fahrzeug aufbocken.
Bremsschlauch am Halter ausclipsen.
Bremsschlauch zuerst an der Bremsleitung und dann am Bremssattel abschrauben, dabei Bremsschlauch nicht verdrillen. Achtung: Auslaufende Bremsfl ssigkeit mit Lappen auffangen. Leitungsanschluss in Richtung Hauptbremszylinder mit geeignetem Stopfen verschlie en.
Bremslichtschalter aus- und einbauen
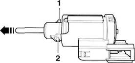
Der Bremslichtschalter sitzt am Pedalbock. Beim Bet tigen des Bremspedals wird ber den Schalter das Bremslicht eingeschaltet. Au erdem dient der Bremslichtschalter dem ABS/EDS-Steuerger t als Signalgeber f r den Beginn eines Bremsvorganges. Daher ist eine korrekte Funktion und Einstellung u erst wichtig.
Bremslichtschalter pr fen
Z ndung einschalten.
Stecker vom Bremslichtschalter abziehen und Steckerkontakte mit kurzer Hilfsleitung berbr cken. Wenn die Bremslichter jetzt aufleuchten, ist der Bremslichtschalter defekt.
Ausbau
Achtung: Der Bremslichtschalter kann nur einmal montiert werden. Nach dem Ausbau muss er grunds tzlich ersetzt werden.
Untere Verkleidung der Armaturentafel auf der Fahrerseite ausbauen, siehe Seite 252.
Stecker zusammendr cken und Stecker vom Bremslichtschalter abziehen.
Bremslichtschalter
45" nach links drehen und dadurch
ausrasten.
Bremslichtschalter
herausnehmen.
Einbau

Vor der Montage des Bremslichtschalters muss das Bremspedal mit dem Bremskraftverst rker verclipst werden. Kugelkopf der Druckstange vor die Aufnahme halten und Bremspedal in Richtung Bremskraftverst rker dr cken, so dass der Kugelkopf h rbar einrastet.

A46-01J
Beim neuen
Bremslichtschalter St el ganz
herauszie
hen -Pfeil- und dadurch Bremslichtschalter einstellen.
Achtung: W hrend des Einbaus d rfen die Pedale nicht bet tigt werden.
Bremslichtschalter
mit seinen Rastnasen -1/2- in die
Aussparung des Lagerbockes einf hren.

Bremslichtschalter durch Drehen um 45 nach rechts einrasten. Der feste Sitz muss gew hrleistet sein. Beim Einf hren des Bremslichtschalters justiert sich der St el automatisch.
Stecker f r Bremslichtschalter einrasten, Schalter auf Funktion pr fen.
Nach der Einstellung des Bremslichtschalters pr fen, ob sich das Bremspedal im Endanschlag (L sestellung) befindet.
St rungsdiagnose Bremse
St rung
Ursache
Abhilfe
Leerweg des Bremspedals zu gro
Ein Bremskreis ausgefallen.
Bremskreise auf Fl ssigkeitsverlust pr fen.
Bremspedal l sst sich weit und federnd durchtreten.
Luft im Bremssystem.
Zu wenig Bremsfl ssigkeit im Bremsfl ssigkeitsbeh lter.
Dampfblasenbildung. Tritt meist nach starker Beanspruchung auf, z. B. Passabfahrt.
Bremse entl ften.
Neue Bremsfl ssigkeit nachf llen. Bremse entl ften.
Bremsfl ssigkeit wechseln. Bremse entl ften.
Bremswirkung l sst nach, und Bremspedal l sst sich durchtreten.
Undichte Leitung.
Besch digte Manschette im Hauptoder Radbremszylinder.
Leitungsanschl sse nachziehen oder Leitung erneuern.
Manschette erneuern. Beim Hauptbremszylinder Innenteile ersetzen (Werkstatt), gegebenenfalls Hauptbremszylinder ersetzen oder Radbremszylinder berholen lassen.
Schlechte Bremswirkung trotz hohen Fu drucks.
Bremsbel ge ver lt.
Ungeeigneter oder verh rteter Bremsbelag.
Bremsbel ge abgenutzt.
Bremskraftverst rker defekt, Unterdruckleitung por s, defekt.
Bremsbel ge erneuern.
Bel ge erneuern. Nur vom Automobilhersteller freigegebene Bremsbel ge verwenden.
Bremsbel ge erneuern.
Bremskraftverst rker und Unterdruckleitung pr fen.
Bremse zieht einseitig.
Unvorschriftsm iger Reifendruck.
Bereifung ungleichm ig abgefahren.
Bremsbel ge ver lt.
Verschiedene Bremsbelagsorten auf einer Achse.
Schlechtes Tragbild der Bremsbel ge.
Verschmutzte Bremssattelsch chte.
Korrosion in den Bremssattelzylindern.
Bremsbelag ungleichm ig verschlissen.
Reifendruck pr fen und berichtigen.
Abgefahrene Reifen ersetzen.
Bremsbel ge erneuern.
Bel ge erneuern. Nur vom Automobilhersteller freigegebene Bremsbel ge verwenden.
Bremsbel ge austauschen.
Sitz- und F hrungsfl chen der Bremsbel ge im Bremssattel reinigen.
Bremssattel erneuern.
Bremsbel ge erneuern (an beiden R dern), Bremss ttel auf Leichtg ngigkeit pr fen.
Bremse zieht von selbst an. Hauptbremszylinder defekt.
Hauptbremszylinder ersetzen.
Bremsen erhitzen sich w hrend der Fahrt.
Bremse schwerg ngig.
Handbremsseil schwerg ngig. Bremsschlauch innen aufgequollen, dicht.
Korrosion in den Bremsattelzylindem.
Bewegliche Teile der Bremse schmieren. Bremssattel berholen lassen (Werkstattarbeit).
Seil schmieren oder erneuern.
Bremsschlauch erneuern.
Bremssattel erneuern.
Bremsen rattern.
Ungeeigneter Bremsbelag.
Bremsscheibe stellenweise korrodiert. Bremsscheibe hat Seitenschlag.
Bel ge erneuern. Nur vom Automobilhersteller freigegebene Bremsbel ge verwenden.
Scheibe mit Schleifkl tzen sorgf ltig gl tten.
Scheibe nacharbeiten oder ersetzen.
St rung
Ursache
Abhilfe
R der lassen sich schwer von Hand drehen.
Bremsbel ge l sen sich nicht von der Bremsscheibe, Korrosion in den Bremssattelzylindern.
Bremssattel berholen, eventuell austauschen.
Ungleichm iger Belag-Verschlei
Ungeeigneter Bremsbelag. Bremssattel verschmutzt. Bremssattel klemmt. Kolben nicht leichtg ngig. Bremssystem undicht.
Bel ge erneuern. Bremssattelsch chte reinigen. F hrungsbuchsen und -stifte gangbar machen. Kolben gangbar machen (Werkstattarbeit). Bremssystem auf Dichtigkeit pr fen.
Keilf rmiger Bremsbelag-Verschlei
Bremsscheibe l uft nicht parallel zum Bremssattel.
Korrosion in den Bremss tteln.
Anlagefl che des Bremssattels pr fen.
Verschmutzung beseitigen oder Bremssattel erneuern.
|
Bremsschlauch innen aufgequollen, dicht. |
Bremsbel ge l sen sich Korrosion in den Bremssattelzylindern.
nicht von der Bremsscheibe, R der lassen sich schwer von Hand drehen.
Bremssattel berholen, eventuell austauschen.
Bremsschlauch erneuern.
Bremse quietscht.
Oft auf atmosph rische Einfl sse (Luftfeuchtigkeit) zur ckzuf hren.
Ungeeigneter Bremsbelag.
Bremsscheibe l uft nicht parallel zum Bremssattel.
Verschmutzte Sch chte im Bremssattel.
Keine Abhilfe erforderlich, wenn Quietschen nach l ngerem Stillstand des Wagens bei hoher Luftfeuchtigkeit auftritt, sich dann aber nach den ersten Bremsungen nicht wiederholt.
Bel ge erneuern. R ckenplatte mit Anti-Quietsch-Paste bestreichen.
Anlagefl che des Bremssattels pr fen. Bremssattelsch chte reinigen.
Bremse pulsiert.
ABS bei Vollbremsung in Funktion.
Seitenschlag oder Dickentoleranz der Bremsscheibe zu gro
Bremsscheibe l uft nicht parallel zum Bremssattel.
Normal, keine Abhilfe. Schlag und Toleranz pr fen. Scheibe nacharbeiten oder ersetzen.
Anlagefl che des Bremssattels pr fen.
ABS-Kontrollleuchte
leuchtet Betriebsspannung zu niedrig
w hrend der Fahrt. (unter ca. 10 Volt).
ABS-Anlage defekt.
Batteriespannung pr fen. Pr fen, ob Kontrolllampe f r Generator nach dem Motorstart erlischt, andernfalls Keilrippenriemen und Generator pr fen.
Hinweise zu ABS/ESP/EDS beachten.
ABS-Anlage in der Fachwerkstart pr fen lassen.
Wirkung der Handbremse nicht ausreichend.
Bowdenz ge korrodiert.
Neuteile einbauen.
|