Motor-Mechanik Golf 5
ujs dem Inhalt: Zylinderkopfausbau
Zahnriemen spannen
Keilriemen wechseln
Motor-Schmierung Das richtige Motor l Motor-K hlung
K hlmittel wechseln Frostschutz pr fen K hlerausbau
Motorabdeckung oben aus- und einbauen
1,4-l-Benzinmotor BCA
Ausbau
Hinweis: Die obere Motorabdeckung besteht aus Luftfiltergeh use-Oberteil und -Unterteil.
Schlauch vom Nockenwellengeh use am Luftfiltergeh use-Oberteil abziehen.

Motorabdeckung an den 4 Halterungen
-Pfeile- nach
oben ziehen und von der Drosselklappensteuereinheit
abnehmen.
Einbau
Motorabdeckung auf die Drosselklappensteuereinheit und an den Befestigungspunkten aufsetzen, andr cken und einrasten.
Schlauch vom Nockenwellengeh use am Luftfiltergeh use-Oberteil aufstecken.
1,4-/1,6-l-FSI-Benzinmotor
Ausbau
Hinweis: Die obere Motorabdeckung besteht aus Luftfiltergeh use-Oberteil und -Unterteil.
|
AJ |
Um |
|
|
|
|
|
|
¥"■'■■■ X ¥ |
QQHj |
tw -:.-.^» |
|
|
jO |
i -^1 |
|
|
|
|
IS) 21421x2312v |
■ * |
|
gV-10105B |
Stecker -1- vom Ansaugluft-Temperaturgeber ausrasten und abziehen. Dazu abgewinkelten Schraubendreher, zum Beispiel HAZET 818-1 oder -2, in den Schlitz hinter der Rastnase stecken. Rastnase mit Schraubendreher etwas in Richtung Fahrerseite ziehen und Stecker abnehmen, siehe Bildausschnitt -A-.
Unterdruckschlauch -2- abziehen. Dazu geriffelte B gen am Stecker zusammendr cken und Steckverbindung trennen.
Luftschlauch -3- abziehen. Dazu Federklammer mit geeigneter Zange, zum Beispiel HAZET-798-9, ffnen und zur ckschieben. Schlauch von der Abdeckung abziehen.

Olmessstab-1-herausziehen.
Molorabdeckung an den Befestigungspunkten -2- kr ftig nach oben ziehen und ausrasten.
Motorabdeckung nach oben herausnehmen und umgedreht auf eine weiche Unterlage legen. Dabei Gummif hrung f r lmessstab nicht verlieren.
lmessstab in das F hrungsrohr schieben, damit keine Schmutzteilchen durch das lmessstab-F hrungrohr in den Motor fallen k nnen.
Einbau
lmessstab herausziehen.
Motorabdeckung an den Befestigungspunkten -2- ansetzen, nach unten dr cken und einrasten.
Stecker und Schlauchverbindung unterhalb der Motorabdeckung zusammenstecken.
lmessstab in das F hrungsrohr schieben.
1,6-l-Einspritzmotor BGU/BSE/BSF
|
|
|
N01-10142 |
|
lmessstab-1-herausziehen. |
Ausbau
Motorabdeckung
an den Befestigungspunkten -2- aus-
clipsen und nach oben abnehmen.
Einbau
Der Einbau erfolgt in umgekehrter Ausbaureihenfolge.
2,0-l-FSI-Direkteinspritzer
Ausbau

Motorabdeckung
an den Befestigungspunkten -Pfeile-
ausclipsen und nach oben abnehmen.
Einbau
Der Einbau erfolgt in umgekehrter Ausbaureihenfolge.
2,0-l-TFSI-Direkteinspritzer(GTI)
Ausbau

AOO-10078
Schelle -1- am Lufteinlassstutzen mit der Zange f r Federbandschellen, zum Beispiel VAS-5024A oder HAZET-798-9, ffnen und zur ckschieben. Hinweis: Die Abbildung zeigt die baugleiche Abdeckung im AUDI A3.
Gummimanschette in Richtung Turbolader zur ckschieben.
Stecker -2- vom Lufimassenmesser abziehen und zur Seite legen.
Seitlich unter die Abdeckung greifen und Motorabdeckung zuerst vorne -Pfeile 3- und danach hinten -Pfeile 4- abziehen.
Einbau
Der Einbau erfolgt in umgekehrter Ausbaureihenfolge.
Dieselmotor
Ausbau
|
2,0-l-Dieselmotor AZV/BKD |
,9-/2.0-l-Dieselmotor au er AZV/BKD


Motorabdeckung vorn -Pfeile A- ruckartig nach oben ziehen und ausrasten. Anschlie end Abdeckung, in Fahrtrichtung gesehen, nach vorn ziehen und aus der hinteren Befestigung aush ngen -Pfeil B-.
Einbau
Motorabdeckung in die hintere Aufnahme einschieben, an den Befestigungspunkten -A- ansetzen und aufdr cken.
1,4-l-Benzinmotor 55 kW (75 PS)
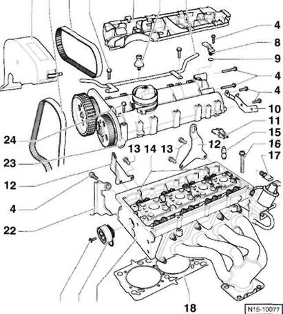
Beim 1,4-l-Benzinmotor BCA sind Motorblock und Zylinderkopf aus Aluminiumguss gefertigt.
Die im Zylinderkopf untergebrachten Nockenwellen bet tigen die 4 Ventile pro Zylinder ber Rollenschlepphebel. Durch die nadelgelagerten Rollen in den Schlepphebeln wird der Nockenhub besonders reibungsarm auf den Ventilschaft bertragen. Hydraulische Abst tzelemente unterhalb der Schlepphebel gleichen jegliches Ventilspiel aus. Die Einlass-Nockenwelle wird von der Motor-Kurbelwelle ber den Haupt-
trieb-Zahnriemen angetrieben und treibt ihrerseits durch einen Koppeltrieb-Zahnriemen die Auslass-Nockenwelle an.
Der Alu-Motorblock besitzt eingegossene Zylinderlaufbuchsen aus Grauguss. Im unteren Teil des Motorblocks ist die Kurbelwelle ber 5 Kurbelwellenlager angeschraubt. Diese Verschraubungen d rfen nicht gel st werden, sonst muss der komplette Motorblock mitsamt der Kurbelwelle ersetzt werden. Die K hlmittelpumpe sitzt vorn im Motorblock und wird durch den Zahnriemen angetrieben. Die Zahnrad- lpumpe wird durch einen Mitnehmerzapfen von der Kurbelwelle angetrieben.
Zahnriementrieb
1,4-l-Benzinmotor BCA mit 55 kW (75 PS)
|
|
|
|
Zahnriemen-Abdeckung oben
Schraube, 20 Nm + 90 (Vi Umdrehung)
Immer ersetzen. Zum L sen und Anziehen wird das Absteckwerkzeug VW-T10016 ben tigt.
Nockenwellenrad
Die Fixierbohrungen in den Nockenwellenr dern m ssen mit den Passbohrungen im Nockenwellengeh use fluchten.
Koppeltrieb-Spannrolle
- Koppeltrieb-Zahnriemen
Vor dem Ausbau Laufrichtung auf dem Riemen kennzeichnen. Auf Verschlei pr fen. nicht knicken.
- Halter
7-Schraube, 10 Nm
- K hlmittelpumpe
Bei Besch digungen und Undichtigkeiten komplett ersetzen.
- Zahnriemen-Abdeckung hinten
10-Schraube, 20 Nm
-Schraube, 50 Nm
- Umlenkrolle f r Haupttrieb-Zahn-
riemen
- Haupttrieb-Spannrolle
- Kurbelwellen-Zahnriemenrad
OT-Stellung: Der abgeschr gte Zahn muss mif der Markierung auf dem lpumpengeh use bereinstimmen.
- Haupttrieb-Zahnriemen
Vor dem Ausbau Laufrichtung auf dem Riemen kennzeichnen. Auf Verschlei pr fen, nicht knicken.
16-Schraube, 12 Nm
Immer ersetzen.
17 - Kurbelwellen-Riemenscheibe Bei der Montage Fixierung beachten.
18-Schraube
Achtung: Es k nnen 2 unterschiedliche Schrauben eingebaut sein. Schraube nach dem Ausbau grunds tzlich ersetzen. Achtung: Die Anpressfl chen zwischen Riemenscheibe und Befestigungsschraube m ssen l- und fettfrei sein. Schraube mit ge ltem Gewinde einsetzen. Anzugsdrehmomente: Alte Schraube, erkennbar am massiven Schraubenkopf: 90 Nm + 90 (Vi Umdr.).
Neue Schraube, erkennbar am angebohrten Schraubenkopf: 150 Nm + 180 (Vi Umdr.). Das Weiterdrehen der Schraube kann in mehreren Stufen erfolgen. Der Weiterdrehwinkel kann mit einer handels blichen Winkelmessscheibe, zum Beispiel HAZET 6690, gemessen werden.
- Keilrippenriemen
Vor dem Ausbau Laufrichtung auf dem Riemen kennzeichnen. Auf Verschlei pr fen, nicht knicken.
- Zahnriemen-Abdeckung unten
- Motorhalter
- Schraube, 50 Nm
Immer ersetzen.
- Schraube, 25 Nm
- Umlenkrolle
Motor auf Z nd-OT f r Zylinder 1 stellen
1,4-l-Benzinmotor BCA mit 55 kW (75 PS)
Hinweis: Zylinder 1 befindet sich, in Fahrtrichtung gesehen, auf der rechen Seite des Motors.
Motorabdeckung oben ausbauen, siehe Seite 178.
Hinweise zum Zahnriemeneinbau
1,4-l-Benzinmotor BCA mit 55 kW (75 PS)
Achtung: Der exakte Wechsel des Zahnriemens f r den 1,4-l-Benzinmotor wird nicht beschrieben. Hier einige wichtige Zahnriemen-Einbauhinweise.
Obere Zahnriemen-Abdeckung abschrauben.
Nockenwellen-Zahnr der in OT-Stellung fixieren
|
|
|
|
Kurbelwelle in Motordrehrichtung drehen, also im Uhrzeigersinn, bis die Kerbe auf der Riemenscheibe mit der Kante der Markierung -O- bereinstimmt. Zum Drehen der Kurbelwelle Getriebe in Leerlaufstellung schalten und Handbremse anziehen. Kurbelwelle an der Zentralschraube der Riemenscheibe mit tiefgekr pftem Ringschl ssel oder Innenvielzahn-Stecknuss SW-19 durchdrehen.
Achtung: Motor nicht an der Befestigungsschraube des Nockenwellenrades durchdrehen. Dadurch wird der Zahnriemen berbeansprucht.
Motor auf Z nd-OT f r Zylinder 1 stellen.
Arretierwerkzeug, zum Beispiel HAZET-2588-4 oder VW-T-10016, mit den beiden Arretierstiften durch die Fixierbohrungen der Nockenwellenr der bis zum Anschlag in die Passbohrungen im Nockenwellengeh use einf hren. Die beiden Arretierstifte sind richtig eingesetzt, wenn die Endst cke -D- mit der Linie -A- in einer Flucht liegen.
Halter -B- bis zum Anschlag an das Einlass-Nockenwellenrad -C- schieben.
Koppeltrieb-Spannrolle einbauen
|
|
|
|
Die Fixierbohrungen in den Nockenwellenr dern m ssen mit den Passbohrungen im Nockenwellengeh use fluchten -Pfeile-,
Hinweis: Stehen die Fixierbohrungen auf der entgegengesetzten Seite der Zahnriemenr der, muss die Kurbelwelle noch einmal eine Umdrehung weitergedreht werden.
Koppeltrieb-Spannrolle am Innensechskant -1- im Uhrzeigersinn in Richtung des Markierungsfensters drehen -Pfeil-. Die Spannrolle befindet sich jetzt in entspannter Stellung. 2 - Nase der Grundplatte.
Spannrolle ansetzen und mit dem Zahnriemen nach oben dr cken. Befestigungsschraube einschrauben.
Schraube handfest anziehen. Die Nase der Grundplatte muss in die Bohrung am Zylinderkopf eingreifen -2-.

V-1067
Zahnriemen spannen. Dazu Spannrolle am Innensechs-kant -1- gegen den Uhrzeigersinn drehen, bis der Zeiger -2- ber der Nase in der Grundplatte im Markierungsfenster steht -Pfeil-. In dieser Stellung Klemmschraube -3-mit 20 Nm festziehen.
Haupttrieb-Zahnriemen spannen

Falls die Haupttrieb-Spannrolle ausgebaut war, Spannrolle am Innensechskant gegen den Uhrzeigersinn drehen -Pfeil-, bis die in der Abbildung dargestellte Position erreicht ist.

Befestigungsschraube -2- handfest anziehen. Die Aussparung der Grundplatte -1- muss ber die Befestigungsschraube -2- greifen.
Spannrolle mit Innensechskanlschl ssel in Pfeilrichtung -linker Pfeil- drehen, bis der Zeiger -3- ber der Kerbe in der Grundplatte steht -rechter Pfeil-.
Klemmschraube der Spannrolle mit 20 Nm festziehen.
Fixierwerkzeug aus den Nockenwellenr dern herausnehmen.
Kurbelwelle um 2 Umdrehungen durchdrehen und anschlie end Stellung der Spannrollen pr fen.
Zahnriemenverlauf

A - Koppel-Zahnriemen B - Haupttrieb-Zahnriemen
![]()
|
Zylinderkopf
1,4-l-Benzinmotor BCA mit 55 kW (75 PS)
|
3 4 |
|
|
|
Nockenwellengeh use abdichten |
|
|
6 7
Dichtmittel auf die saubere Dichtfl che -gerasterte (graue) Fl che- des Nockenwellengeh uses d nn und gleichm ig auftragen. Achtung: Zu dick aufgetragenes Dichtmittel kann in die lbohrungen gelangen und dadurch Motorsch den verursachen.
- Zahnriemen-Abdeckung oben
- Haupttrieb-Zahnriemen
- Koppeltrieb-Zahnriemen
- Schraube, 10 Nm
Immer ersetzen.
Von au en nach innen anziehen.
- Leitungsf hrung, 8 Nm
- Stehbolzen, 6 Nm
F r Luftfilter.
- K hlmittelrohr
- Hallgeber 9-O-Ring
Immer ersetzen. 10-Halter
-Rollenschlepphebel
Rollenlager auf leichten Lauf pr fen. Lauffl che len. Zur Montage mit der Sicherungsklammer aut das Abst tzelement aufclipsen.
- Aufh nge se
- Schrauben, 20 Nm 14-Passstifte
- Abst tzelement
Beim Einbau nicht vertauschen. Mit hydraulischem Ventilspielausgleich. Lauffl che len.
- Zylinderkopfschraube
Immer ersetzen.
|
|
|
|
|
|
||
|
|
r |
Jr |
-Jr |
"- Ir |
i |
|
|
|
'f- |
-T_ |
_T_ |
J |
V |
|
|
|
|
|
|
|V ■VJ'Jlil |
||
Zylinderkopfschrauben
in 3 Stufen
anziehen. In jeder Stufe die Reihen
folge von 1 bis 10 einhalten.
I.Stufe 30 Nm
Stufe {'/> Umdr.)
Stufe (Vi Umdr.)
- ldruckschalter, 25 Nm
- 0,7 bar. Dichtring bei Undichtigkeit autkneifen und ersetzen.
- Zylinderkopfdichtung
Immer ersetzen. Nach dem Ersetzen das gesamte K hlmittel wechseln.
19-Zylinderkopf
- Koppeltrieb-Spannrolle
- Schrauben, 20 Nm
- Zahnriemen-Abdeckung hinten
- Nockenwellengeh use
Alte Dichtmittelreste entfernen. Vor dem Autlegen mit Dichtmittel VW-DI 88003A1 bestreichen, siehe Abbildung N15-0075. Beim Einbau vorsichtig senkrecht von oben aul die Stehbolzen und Passstifte aulsetzen.
- Schraube, 10 Nm + 90 ('/■ Umdr.)
Immer ersetzen. Spiralf rmig von innen nach au en anziehen.
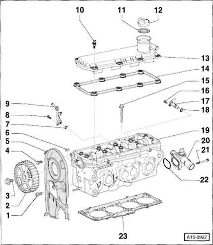
1,4-/1,6-l-FSI-Benzinmotor 66/85 kW
BKG/BLN/BAG/BLF/BLP
Beim Benzin-Direkteinspritzmotor werden die Nockenwellen von einer wartungsfreien Steuerkette angetrieben.
Einlass- und Auslass-Nockenwelle sind in einem separaten Nockenwellengeh use gelagert, das auf den Zylinderkopf aufgeschraubt ist.
![]()
![]()
|
|
N15-0650 |
1 - Leitungsf hrung, 8 Nm 2-Schraube, 10 Nm
- Schraube, 10 Nm + 90 (Vi Umdr.)
- Schraube, 8 Nm
- Leitung zum Luftfilter 6-Hallgeber
7-O-Ring
Bei Besch digung ersetzen.
- Halter
- Stehbolzen, 6 Nm
F r Luftfiltergeh use.
10 - Zylinderkopfschraube
Immer ersetzen.
4 2 6 8
rtlft dm vi Im AU
\T T-v_T_-T t1
0i>6 |
Zylinderkopfschrauben
in 3 Stufen anzie
hen. In jeder Stufe die Reihenfolge von
1 bis 10 einhalten.
I.Stufe 30 Nm
Stufe.............. 90" ('/< Umdr.)
Stufe.............. 90 ('A Umdr.)
11 - Rollenschlepphebel
Rollenlager auf leichten Lauf pr fen. Lauffl che len. Beim Einbau mit der Sicherungsklammer auf das Abst tzelement aufclipsen.
12-Abst tzelement
Nicht vertauschen. Lauffl che len.
13-Passstifte
- ldruckschalter, 25 Nm
0,3 - 0,7 bar. Dichtring bei Undichtigkeit aufkneifen und ersetzen.
-Zylinderkopf
Maximaler Verzug = 0,05 mm. Nach dem Ersetzen das gesamte K hlmittel erneuern.
- Zylinderkopfdichtung
Immer ersetzen, anschlie end das gesamte K hlmittel erneuern.
- F hrungsbolzen, 20 Nm
18- Auf h nge se
19-Schraube, 20 Nm
20 - Nockenwellengeh use
Alte Dichtmittelreste entfernen.
|
|
T10171 i | |
|
| ||
|
|
||
|
| V-1097| |
Vor dem Auflegen Dichtmittel VW-DI 88003A1 auf die saubere Dichtfl che -gerasterte (graue) Fl ched nn und gleichm ig auftragen. Beim Einbau vorsichtig senkrecht von oben auf die Stehbolzen und Passstifte aufsetzen. T10171 = VW-Arretierwerkzeug f r Nockenwellenfixierung.
- Tassenst el
Lauffl che len.
- O-Ring
Immer ersetzen. Vor dem Einsetzen mit l benetzen.
- Hochdruckpumpe
F r Kraftstoffversorgung. Mit integriertem Regelventil f r Kraftstoffdruck.
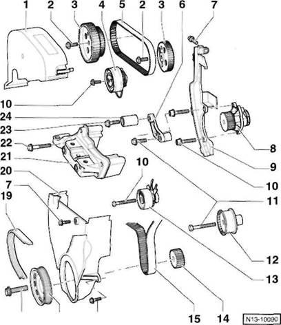
1,6-l-Benzinmotor 75 kW (102 PS)
Beim 1,6-l-Benzinmotor BGU/BSE/BSF wird die Nockenwelle von der Kurbelwelle ber einen Zahnriemen angetrieben. Die Nockenwelle bet tigt ber hydraulische Tassenst el die senkrecht h ngenden Ein- und Auslassventile.
Zahnriementrieb
1,6-l-Benzinmotor BGU/BSE/BSF mit 75 kW (102 PS)
|
7 8 9 10 11 12 13 14 |
|
A13-0636 |
22 21
18
-Schraube, 10 Nm
Mit Sicherungsmittel einsetzen.
- Zahnriemen-Abdeckung Mine
- Motorhalter
- Schraube, 45 Nm
- Zahnriemen-Abdeckung oben
- Mutter, 23 Nm
- Scheibe
- Halbautomatische Spannrolle
- Schraube, 100 Nm
- Nockenwellenrad
Einbaulage wird durch die Schei-benteder -14- fixiert.
-Schraube, 10 Nm
Mit Sicherungsmittel einsetzen. 12-Schraube, 23 Nm
Mit Sicherungsmittel einsetzen. 13-Zahnriemen-Abdeckung hinten
14-Scheibenfeder
Auf festen Sitz im Flansch der Nockenwelle achten. 15-O-Ring
Immer ersetzen.
16 - K hlmittelpumpe 17-Schraube, 15 Nm
- Kurbelwellen-Zahnriemenrad
An der Anlagefl che zwischen Zahnriemenrad und Kurbelwelle darf sich kein l befinden.
- Schraube, 90 Nm + 90 ('/■ Umdr.)
Immer ersetzen. Nicht len.
- Zahnriemen
Bei Wiederverwendung vor dem
Ausbau Laufrichtung mit Kreide
oder Filzstift kennzeichnen.
Auf Verschlei pr fen, siehe Seite
- Zahnriemen-Abdeckung unten
- Schraube, 10 Nm
Mit Sicherungsmittel einsetzen.
Motor auf Z nd-OT f r Zylinder 1 stellen
1,6-l-Benzinmotor BGU/BSE/BSF mit 75 kW (102 PS)

Achtung: Einbaulage der oberen Zahnriemen-Abdeckung besonders am bergang zur mittleren Zahnriemen-Abdeckung notieren.
Drehverschluss gegen den Uhrzeigersinn verdrehen, -Pfeil A-, so dass der Schraubenschlitz in senkrechter Position steht.
Obere Zahnriemen-Abdeckung ausclipsen. Dazu Rastnasen vom Clipverschluss nach oben abdr cken -Pfeil B-.
Obere Zahnriemen-Abdeckung abnehmen.

Hinweise zum Zahnriemeneinbau
1,6-l-Benzinmotor BGU/BSE/BSF mit 75 kW (102 PS)
Achtung: Der exakte Wechsel des Zahnriemens f r den 1,6-l-Benzinmotor wird nicht beschrieben. Hier einige wichtige Zahnriemen-Einbauhinweise.
Hinweis zum Ausbau: Motor mit Motorheber oder Werk-Stattkran abst tzen und rechtes Motorlager ausbauen.
Einbau (Steuerzeiten einstellen)
Achtung: Auch wenn bei Reparaturen der Zahnriemen nur vom Nockenwellenrad abgenommen wurde, ist das Einstellen der Steuerzeiten erforderlich.
OT-Stellung des Motors pr fen, gegebenenfalls Kurbel-und/oder Nockenwelle entsprechend verdrehen. Achtung: Beim Drehen der Nockenwelle ohne Zahnriemen darf die Kurbelwelle mit keinem Zylinder auf OT stehen. Besch digungsgefahr f r Ventile und/oder Kolbenb den.
Zahnriemen auf Kurbelwellenrad und K hlmittelpumpe auflegen. Achtung: Laufrichtung beachten.
Mittlere und untere Zahnriemen-Abdeckung einsetzen und anschrauben.
Kurbelwellen-Riemenscheibe so aufsetzen, dass die Bohrung auf der Riemenscheibe mit der Erhebung am Zahnriemenrad der Kurbelwelle bereinstimmt. In dieser Stellung Kurbelwellen-Riemenscheibe mit neuen Schrauben und 10Nm + 90 anschrauben.
Zahnriemen auf Spannrolle und Nockenwellenrad auflegen.
Zahnriemen spannen
Achtung: Der Motor darf maximal handwarm sein.
Pr fen, ob die Markierungen am Nockenwellenrad und
der hinteren Zahnriemen-Abdeckung sowie an der Kur
belwellen-Riemenscheibe und der unteren Zahnriemen-
Abdeckung bereinstimmen.

Handbremse anziehen. Getriebe in Leerlaufstellung bringen. Kurbelwelle an der Zentralschraube des Zahnriemenrades in Motordrehrichtung, also im Uhrzeigersinn, drehen, bis die Markierungen am Nockenwellenrad -Pfeile- und an der Kurbelwelle bereinstimmen.
Einbaulage der Spannrolle berpr fen: Die Haltekralle -Pfeil- muss in die Aussparung am Zylinderkopf eingreifen, andernfalls Halterung entsprechend verdrehen.
|
|
|
|
Bevor der Zahnriemen gespannt wird, Spannrolle am Ex-zenter mit dem Zweiloch-Mutterndreher VW-T10020 oder HAZET 2587 f nfmal in beide Richtungen bis zum Anschlag drehen.
Exzenter mit dem Mutterndreher im Gegenuhrzeigersinn -Pfeilrichtung- bis zum Anschlag drehen.
Anschlie end Zahnriemen langsam entspannen, bis sich die Kerbe -1- und der Zeiger -2- gegen berstehen. Zur Kontrolle gegebenenfalls einen Spiegel verwenden. In dieser Stellung Befestigungsmutter -3- mit 23 Nm festziehen.
Kurbelwelle zwei Umdrehungen in Motordrehrichtung weiterdrehen, bis der Motor wieder auf OT f r Zylinder 1 steht. Dabei ist es wichtig, dass die letzten 45 "/b Umdrehung) ohne Unterbrechung gedreht werden. S mtliche Markierungen m ssen bei gespanntem Zahnriemen gleichzeitig bereinstimmen, gegebenenfalls Zahnriemen wieder abnehmen und Einstellung wiederholen.
Zahnriemenspannung nochmals pr fen: Der Zeiger und die Kerbe m ssen einander gegen ber stehen. Andernfalls Einstellung der Steuerzeiten und Spannen des Zahnriemens wiederholen.
Zahnriemen-Spannrolle pr fen. Dazu Zahnriemen mit kr ftigem Daumendruck belasten. Der Zeiger -2- muss sich verschieben. Zahnriemen entlasten. Kurbelwelle 2 Umdrehungen durchdrehen und wieder auf OT stellen. Dabei die letzten 45 <V6 Umdrehung) ohne Unterbrechung drehen. Kerbe und Zeiger der Spannrolle m ssen sich jetzt wieder gegen berstehen, andernfalls ist die Spannrolle defekt.
Weiterer Einbau
Motorhalter von oben am Motorblock anbauen und die beiden oberen Schrauben mit 45 Nm anziehen.
Motor mit dem Motorheber bis auf Einbaulage absenken. Untere Schraube f r Motorhalter einsetzen und mit 45 Nm anziehen.
Motorlager einbauen, siehe Seite 198.
Motorlager am Motorhalter anschrauben -Pfeile-. Dazu die Anlagefl chen zur Auflage bringen und die Schrauben mit 60 Nm + 90 festziehen.
Motor-Abfangvorrichtung (Motorheber) abbauen.
Obere Zahnriemen-Abdeckung einclipsen. Drehverschluss im Uhrzeigersinn verdrehen, so dass der Schraubenschlitz in waagerechter Position steht.
Keilrippenriemen einbauen, siehe entsprechendes Kapitel.
Motorabdeckung oben einbauen, siehe entsprechendes Kapitel.
Zylinderkopf-Montage bersicht
1,6-l-Benzinmotor BGU/BSE/BSF mit 75 kW (102 PS)
|
- Schraube, 23 Nm
Mit Sichemngsmiltel einsetzen.
- Nockenwellenrad
3-Schraube, 100 Nm
4-Schraube, 10 Nm
Mit Sicherungsmittel einsetzen.
- Zahnriemen-Abdeckung hinten
- Passfeder
7-Dichtring
Immer ersetzen.
8-Schraube, 10 Nm
9 - Entl ftungsanschluss
- SpezialSchraube, 9 Nm
Mit Abstandsh lse. Zur Befestigung des Zy-linderkopldeckels. Bei Besch digung oder Undichtigkeit ersetzen.
-Dichtung
Bei Besch digung oder Undichtigkeit ersetzen.
- Verschlussdeckel
- Zylinderkopfdeckel
Zum Ausbau Schrauben spiralf rmig von au en nach innen l sen, zum Einbau spiralf rmig von innen nach au en festziehen.
- Dichtung f r Zylinderkopfdeckel
In die Abstandsh lsen -10- einkn pfen. Dichtung bei Besch digung oder Undichtigkeit ersetzen.
- Zylinderkopfschraube
Immer ersetzen.
4
tjljt f/
E
Zylinderkopfschrauben
in 3 Stufen
anziehen. In jeder Stufe die Reihen
folge von 1 bis 10 einhalten.
I.Stufe 40 Nm
Stufe (</< Umdr.)
Stufe (Vi Umdr.)
16-Schraube, 10 Nm
17-Hallgeber
18-O-Ring
Immer ersetzen.
19-Zylinderkopf
Maximaler Verzug = 0,1 mm. Nach dem Ersetzen das gesamte K hlmittel erneuern.
Minimale Zylinderkopfh he: 132,9 mm.
- Anschlussstutzen
21-Schraube, 10 Nm
- O-Ring
Immer ersetzen.
- Zylinderkopfdichtung
Immer ersetzen. Nach dem Ersetzen das gesamte K hlmittel wechseln. Einbaulage: Die Teile-Nr. zeigt zum Zylinderkopf und muss von der Einlassseite her lesbar sein.
2,0-l-FSI-Benzinmotor 110 kW (150 PS)
Beim 2.0-I-Benzinmotor AXW/BLR/BLX/BLY wird die Auslass-Nockenwelle von der Kurbelwelle ber einen Zahnriemen angetrieben. Auslass- und Einlass-Nockenwelle sind ber eine Einfachrollenkette miteinander verbunden. ber
das Motorsteuerger t k nnen die Steuerzeiten der Einlass-Nockenwelle mithilfe eines hydraulischen Fl gelzellenver-stellers entsprechend den Betriebsbedingungen des Motors kontinuierlich verstellt werden. Die Ventilbet tigung durch die beiden Nockenwellen erfolgt ber Rollenschlepphebel mit hydraulischen Abst tzelementen.
Zahnriementrieb
2,0-l-Benzinmotor AXW mit 110 kW (150 PS)
![]()
|
|
|
|
8 9 10 11 12 13 14 |
|
16 |
|
V-10108 |
|
-Schrauben, 10 Nm Mit Sicherungsmittel einsetzen. - Zahnriemen-Abdeckung oben |
|
Schrauben -Pfeile- herausdrehen. Obere Abdeckung aus der mittleren Abdeckung aushangen und nach oben abnehmen. |
♦ Beim Einbau obere Abdeckung sorgf ltig in die mittlere Abdeckung einh ngen und oben anschrauben.
- Schraube, 45 Nm
- Motorhalter
- Zahnriemen-Abdeckung Mitte
6-Schrauben, 10 Nm
Mit Sicherungsmittel einsetzen.
- Zahnriemen-Abdeckung unten
- Zahnriemen
Bei Wiederverwendung vor dem Ausbau Lautrichtung mit Kreide oder Filzstift markieren. Auf Verschlei pr fen.
- Mutter, 23 Nm
10-Scheibe
11 - Halbautomatische Spannrolle 12-Schraube, 65 Nm
13 - Nockenwellenrad
Die Einbaulage wird durch die Scheibenfeder -15- fixiert.
14-Schraube, 10 Nm
Mit Sicherungsmittel einsetzen. 15-Scheibenfeder
Auf festen Sitz pr fen.
- Nockenwelle
-Zahnrlemen-Abdeckung hinten
- Halteplatte f r Spannrolle

Schrauben in der Reihenfolge von -1- bis -5- mit 10 Nm festziehen.
19-Schraube, 40 Nm
- Umlenkrolle
-Schraube, 10 Nm
- K hlmittelpumpe
- O-Ring
Immer ersetzen.
24-Schraube, 15 Nm 25 - Halteplatte
|
i O | -,NiQ?^,% ffll Vi :i r~i |
h |
c |
|
| A13-07H4 l/f^: ifcltnjta / A |
|
|
Zuerst die Schrauben ~1- mit 40 Nm, dann die Schraube -2- mit 15 Nm festziehen.
- Kurbelwellen-Zahnriemenrad
Montage nur in einer Stellung m glich. Anlagefl che von Zahnriemenrad und Kurbelwelle muss l- und fettfrei sein.
- Schraube, 90 Nm + 90 (V4 Umdr.)
Immer ersetzen. Gewinde nicht len.
- Beruhigungsrolle
- Schraube, 25 Nm
![]()
![]()
|
2,0-l-Benzinmotor BLR/BLX/BLY mit 110 kW (150 PS)
|
23 22 5 21 |
|
|
| N13-10129
-Schraube, 10 Nm
- Zahnriemen-Abdeckung oben
- Schraube, 65 Nm
- Nockenwellenrad
Die Einbaulage wird durch die Scheibenfeder -7- fixiert.
5-Schraube, 10 Nm
Mit Sicherungsmittel einsetzen.
- Zahnriemen-Abdeckung hinten
- Scheibenfeder
Auf festen Sitz pr fen.
- Mutter, 25 Nm
9- Halbautomatische Spannrolle 10 - K hlmittelpumpe
11-O-Ring
Immer ersetzen. 12-Schraube, 25 Nm 13 - Beruhigungsrolle 14-Schraube, 15 Nm 15-Schraube, 35 Nm 16 - Beruhigungsrolle 17-Dichtflansch
- Kurbelwellen-Zahnriemenrad
Montage nur in einer Stellung m glich. Anlagefl che von Zahnriemenrad und Kurbelwelle muss l- und fettfrei sein.
- Schraube, 90 Nm + 90 (Va Umdr.)
Immer ersetzen. Gewinde nicht len. 20-Zahnriemen
Bei Wiederverwendung vor dem Ausbau Laufrichtung mit Kreide oder Filzstift markieren. Auf Verschlei pr fen.
-Zahnriemen-Abdeckung unten
- Motorhalter
- Schraube, 45 Nm
- Deckel f r obere Zahnriemen-Ab-
deckung
Zylinderkopf-Montage bersicht
2,0-l-Benzinmotor AXW/BLR/BLX/BLY mit 110 kW (150 PS)
|
|
lelnf lldeckel
- Dichtung
Bei Besch digung oder Undichtigkeit ersetzen.
- Schraube, 10 Nm
- Halter
- Kabelhalter
10-Schraube, 10 Nm 11 -Schraube, 10 Nm
12-Geh use
F r Ventil 1 der Nockenwellenverstellung.
13-Dichtung
Immer ersetzen.
- Transportlasche 15-Schraube, 25 Nm
- Stiftschraube, 10 Nm
F r Saugrohr.
- Trennplatte
-Zylinderkopf
Maximal zul ssiger Verzug: 0,1 mm. Nach dem Ersetzen das gesamte K hlmittel erneuern.
- Zylinderkopfdichtung
Immer ersetzen. Nach dem Ersetzen das gesamte K hlmittel wechseln. Einbaulage: Die Teile-Nr. zeigt zum Zylinderkopf.
- Schraube, 10 Nm
- Hallgeber
- Dichtring
- Stiftschraube, 10 Nm
F r Spannrolle.
- Stiftschraube, 20 Nm
F r Abgaskr mmer.
- Halter
26-Schraube, 10 Nm
1 -
Zylinderkopfschraube
Immer ersetzen.
2-Schraube, 10 Nm
![]()
![]()
|
|
|
| Al 5-0767 |
10 4 1 2 6 14
3 |N15-10047|
Zylinderkopfschrauben in 3 Stufen
anziehen.
In jeder Stufe die Reihenfolge von 1 bis 10
einhalten.
I.Stufe................. 40 Nm
Stute (1/4 Umdr.)
Stufe 90" (V4 Umdr.)
Zylinderkopfdeckcl
Schrauben f r Zylinderkopfdeckel in der Reihenfolge von 1 bis 14 mit 10 Nm anziehen.
- Dichtung
Bei Besch digung oder Undichtigkeit ersetzen
1,9-/2,0-l-Dieselmotor mit 55-77 kW
Die im Zylinderkopf eingesetzte Nockenwelle bet tigt die 8 senkrecht h ngenden Ventile ber hydraulische Tassen-
st el. Die hydraulischen Tassenst el gleichen automatisch jegliches Ventilspiel aus. Die Nockenwelle wird ber einen Zahnriemen von der Motor-Kurbelwelle angetrieben.
Zahnriementrieb
1,9-/2,0-I-Dieselmotor AVQ/BRU/BJB/BKC/BLS/BDK mit 55/66/74/77 kW (75/90/100/105 PS)
![]()
![]()
|
|
N13-10000 |
1 - Zahnriemen-Abdeckung oben 2-Schraube, 100 Nm
- Schraube, 25 Nm
- Nockenwellenrad
5-Nabe
Mil Geberrad.
6-Schraube, 10 Nm
Immer ersetzen.
- Zahnriemen-Abdeckung hinten
- Schraube, 25 Nm
- Dichtt lle
Bei Besch digung ersetzen.
- Mutter, 20 Nm + 45" (Vi Umdr.)
- Spannrolle 12-Mutter, 20 Nm 13-Umlenkrolle
- K hlmittelpumpe
- Kurbelwellen-Zahnriemenrad
- Schraube, 120 Nm + 90 "A Umdr.)
Immer ersetzen. Gewinde nicht zus tzlich len oder fetten. 17-Schraube, 15 Nm
- Zahnriemen-Abdeckung unten
- Kurbelwellen-Riemenscheibe
Montage nur in einer Stellung m glich, da die Bohrungen versetzt sind.
- Schraube, 10 Nm + 90 (Vi Umdr.)
- Abdeckung
- Zahnriemen
Vor dem Ausbau Laufrichtung auf dem Riemen kennzeichnen. Auf Verschlei pr fen, nicht knicken.
- Schraube, 45 Nm
- Zahnriemen-Abdeckung Mitte
- Motorhalter
Motor auf Z nd-OT f r Zylinder 1 stellen
1,9-/2,0-I-Dieselmotor AVQ/BRU/BJB/BKC/BLS/BDK mit 55/66/74/77 kW (75/90/100/105 PS)
Hinweis: Zylinder 1 befindet sich, in Fahrtrichtung gesehen, auf der rechen Seite des Motors.
Rechten Innenkotfl gel, Keilrippenriemen, Kurbelwellen-Riemenscheibe und Zahnriemen-Abdeckungen ausbauen.
Kurbelwelle an der Befestigungsschraube f r das Zahnriemenrad -1- (Abbildung V-10111) so weit drehen, dass die Markierung auf dem Zahnriemenrad der Kurbelwelle oben steht und gleichzeitig die Markierung am Nockenwellen-Geberrad mit der Markierung an der hinteren Zahnriemen-Abdeckung bereinstimmt -Pfeil-.
Das Durchdrehen der Kurbelwelle kann auf mehrere Arten erfolgen:
Fahrzeug seitlich vorn aufbocken. F nften Gang einlegen, Handbremse anziehen. Angehobenes Vorderrad von Hand durchdrehen. Dadurch dreht sich auch die Motor-Kurbelwelle. Zum Drehen des Rades wird ein Helfer ben tigt.
Fahrzeug auf ebene Fl che stellen. F nften Gang einlegen. Fahrzeug vor- oder zur ckschieben.
Getriebe in Leerlaufstellung schalten, Handbremse anziehen. Kurbelwelle an der Zentralschraube der Riemenscheibe im Uhrzeigersinn durchdrehen.
Achtung: Motor nicht an der Befestigungsschraube des Nockenwellenrades durchdrehen. Dadurch wird der Zahnriemen berbeansprucht.

Nabe des Nockenwellen-Zahnriemenrades mit Absteckstift HAZET-2588-3 arretieren. Dazu den Absteckstift durch das linksseitige freie Langloch in den Zylinderkopf stecken. Hinweis: Anstelle des HAZET-Werkzeuges kann auch ein Dorn mit 6 mm 0 genommen werden.
Zahnriemenrad der Kurbelwelle mit SpezialWerkzeug HA-ZET-2588-1 (Kurbelwellenstop) arretieren. Dazu Kurbelwellenstop von der Stirnseite des Zahnriemenrades her so in dessen Verzahnung schieben, dass der Zapfen des Werkzeuges in den Dichtflansch eingreift.
Achtung: Die Markierungen auf dem Kurbelwellen-Zahnriemenrad und dem Arretierwerkzeug m ssen sich gegen berstehen. Dabei muss der Zapfen des Werkzeuges in die Bohrung des Dichtflansches eingreifen. Steht das Werkzeug nicht zur Verf gung, OT-Markierung auf dem Dichtflansch anbringen.
Hinweise zum Zahnriemeneinbau
1,9/2.0-l-Dieselmotor AVO/BRU/BJB/BKC/BLS/BDK mit 55/66/74/77 kW (75/90/100/105 PS)
Achtung: Der exakte Wechsel des Zahnriemens f r den 1,9-l-Dieselmotor wird nicht beschrieben. Hier einige wichtige Zahnriemen-Einbauhinweise.
Ausbauhinweise
Motor auf OT stellen.
Laufrichtung des Zahnriemens kennzeichnen.

Schrauben -1- f r Nockenwellenrad so weit lockern, bis sich das Nockenwellenrad in den Langl chern verdrehen l sst.

Mutter der Zahnriemen-Spannrolle lockern.
Spannrolle mit Mutterndreher HAZET-2587-1 im Gegenuhrzeigersinn -Pfeil- drehen, bis sie mit einem geeigneten Absteckstift, zum Beispiel VW-T10115, arretiert werden kann.
Bei eingestecktem Absteckstift Mutterndreher im Uhrzeigersinn bis zum Anschlag drehen und Mutter handfest anziehen. Achtung: Beim 2,0-l-Motor die Zahnriemen-Spannrolle mit einem Innensechskantschl ssel drehen. Nur wenn die Innensechskantbohrung nicht vorhanden ist, den Mutterndreher verwenden.
Zahnriemen abnehmen, zuerst von der K hlmittelpumpe.
Einbau
Nockenwellenrad in den Langl chern auf Mittelstellung drehen.
Zahnriemen auf Kurbelwellenrad, Spannrolle, Nockenwellenrad, Umlenkrolle und zuletzt auf das K hlmittelpumpen-Zahnrad auflegen.
Pr fen, ob die Lasche der Spannrolle in die hintere Zahnriemen-Abdeckung eingreift.
|
|
|
Klemmmutter l sen und Absteckstitt herausziehen |
Spannrolle mit Mutterndreher im Uhrzeigersinn drehen, bis der Zeiger mittig in der L cke der Grundplatte steht -Pfeil-. Dabei darauf achten, dass sich die Befestigungsmutter nicht mitdreht.
Spannrolle in dieser Position festhalten und Befestigungsmutter mit 20 Nm festziehen und danach um 45 (Vfe Umdrehung) weiterdrehen.

Nockenwellenrad mit Gegenhalter -B-, zum Beispiel HA-ZET 2540-1 oder VW-T10172, in Pfeilrichtung drehen und unter Vorspannung halten.
In dieser Stellung die Schrauben des Nockenwellenrades mit 25 Nm festziehen.
Absteckstift und Kurbelwellen-Arretierwerkzeug abnehmen.
Kurbelwelle 2 Umdrehungen in Motordrehrichtung (Uhrzeigersinn) weiterdrehen und wieder auf OT f r Zylinder 1 stellen. Kurz bevor die OT-Stellung nach der zweiten Umdrehung erreicht wird, aus der Drehbewegung heraus den Absteckstift HAZET 2588-3 einstecken.
Kontrollieren, ob sich die Kurbelwelle mit dem Kurbel-wellen-Stop arretieren l sst.
L sst sich der Absteckstift nicht einstecken, ist folgenderma en zu verfahren:
Kurbelwellenstopp herausnehmen und Kurbelwelle verdrehen, bis sich die Nabe des Nockenwellenrades mit dem Absteckstift arretieren l sst.
Schrauben f r Nockenwellenrad l sen.

Kurbelwelle etwas entgegen der Motordrehrichtung drehen, bis der Zapfen des Kurbelwellenstop 2588-1 kurz vor der Bohrung des Dichtflansches steht -Pfeil-.
Kurbelwelle jetzt in Motordrehrichtung drehen, bis der Kurbelwellenstop aus der Drehbewegung heraus in den Dichtflansch eingeschoben werden kann.
Nockenwellenrad mit Gegenhalter auf Vorspannung halten, siehe Abbildung V-10113 und Schrauben f r Nockenwellenrad mit 25 Nm festziehen.
Absteckstift und Kurbelwellen-Arretierwerkzeug abnehmen.
Kurbelwelle 2 Umdrehungen in Motordrehrichtung weiterdrehen und wieder auf OT f r Zylinder 1 stellen.
Absteckstift und Kurbelwellen-Arretierwerkzeug abnehmen.
Motorhalter am Motorblock ansetzen und mit 45 Nm festschrauben.
Motorlager ansetzen und mit neuen Schrauben an der Karosserie anschrauben. Anzugsdrehmoment M8-Schrauben: 20 Nm + 90 (Vi Umdrehung), M10-Schrau-ben: 40 Nm + 90 (Vi Umdrehung).
Motorlager am Motorhalter mit 60 Nm + 90 (Vi Umdrehung) anschrauben.
Mittlere und untere Zahnriemen-Abdeckung einbauen.
Kurbelwellen-Riemenscheibe mit 10 Nm + 90 (Vi Umdrehung) anschrauben.
Keilrippenriemen einbauen, siehe Seite 199.
Obere Zahnriemen-Abdeckung einbauen.
Verbindungsrohre Ladeluftk hler/Abgasturbolader und Ladeluftk hler/Saugstutzen einbauen.
Innenkotfl gel vorn rechts einbauen.
Motorabdeckung unten und oben einbauen.
K hlmittel-Ausgleichbeh lter einbauen.
Zylinderkopfdeckel/Zylinderkopf
1,9-/2,0-l-Dieselmotor AVQ/BRU/BJB/BKC/BLS/BDK mit 55/66/74/77 kW (75/90/100/105 PS)
Zylinderkopfschrauben festziehen:
Achtung: Der exakte Wechsel
von Zylinderkopf/Zylinderkopfdeckel wird nicht beschrieben. Hier
einige wichtige Einbauhinweise.
Zylinderkopfdeckel
Z7-\=
II
zr^z
II O
|
|
f_!f_Jf
U-1046
Beim Ausbau Schrauben f r Zylinderkopf in der Reihenfolge von 10 bis 1 l sen.
Beim Einbau
Zylinderkopfschrauben in der Anzugsrei
henfolge von 1 bis 10 in 4 Stufen anziehen:
I.Stufe:.......... ..... ...... .......... ..... ...... .. 35 Nm
Stufe: 60 Nm
Stufe:... mit starrem Schl ssel 90 (Vi Umdrehung)
Stufe:... mit starrem Schl ssel 90" (Vi Umdrehung)
Vor Einbau des Zylinderkoptdeckels die beiden
Kanten an den Dichtfl chen
Nockenwellenlagerdeckel/Zylinder-kopt vorn -Pfeile- und hinten jeweils mit
einem Tropfen Dichtmittel versehen, zum Beispiel VW-AMV 174 004 01 (Tropfen-0
ca. 5 mm).

Beim Ausbau Schrauben f r Zylinderkopfdeckel in der Reihenfolge von 13 bis 1 l sen.
Beim Einbau Schrauben in der Reihenfolge von 1 bis 13 handfest anziehen und anschlie end in der gleichen Reihenfolge mit 10 Nm festziehen.
2,0-l-Dieselmotor 100/103 kW
Der Dieselmotor mit 100/103 kW (136/140 PS) hat einen Querstrom-Aluminium-Zylinderkopf mit 2 Auslass- und 2 Einlassventilen je Zylinder. Die Ventile sind senkrecht stehend angeordnet und werden von 2 obenliegenden Nockenwellen ber Rollenschlepphebel bet tigt. Die Schlepphebel st tzen sich auf hydraulische Ausgleichselemente, die jegliches Ventilspiel ausgleichen.
Beide Nockenwellen werden von der Motor-Kurbelwelle ber einen Zahnriemen angetrieben. Dabei bernimmt die Aus-
lass-Nockenwelle neben der Steuerung der Auslassventile auch den Antrieb der Pumpe-D se-Einheiten, die mittig zwischen den 4 Ventilen jedes Zylinders angeordnet sind.
Die Einlass-Nockenwelle bernimmt neben der Steuerung der Einlassventile den Antrieb der Tandempumpe, die auf der einen Seite den Kraftstoff f r die Pumpe-D se-Einheiten f rdert und auf der anderen Seite Unterdruck f r den Bremskraftverst rker erzeugt.
Zahnriementrieb
I Dieselmotor AZV/BKD mit 100/103 kW (136/140 PS)
![]()
![]()
![]()
|
|
N13-10017 |
|
2 3 4 |
5 6 7 8 9 10 11
27 26 10 25 24 23 22 10 21
- Zahnriemen-Abdeckung oben
Zahnriemen
Vor dem Ausbau Laufrichtung auf dem Riemen kennzeichnen. Auf Verschlei pr fen, nicht knicken.
- Umlenkrolle
4-Schraube, 100 Nm
- Schraube, 25 Nm
- Auslass-Nockenwellenrad 7-Nabe
- Einlass-Nockenwellenrad
- Nabe
- Schraube, 10 Nm
-Zahnriemen-Abdeckung hinten 12-Spannrolle
13 - Mutter, 20 Nm + 45 (Vi Umdr.)
14- Umlenkrolle
15-Schraube, 20 Nm
16 - K hlmittelpumpe
17-Schraube, 15 Nm
- Kurbelwellen-Zahnriemenrad
- Schraube, 120 Nm + 90 <Vi Umdr.)
Immer ersetzen. Gewinde oder Bund nicht zus tzlich len oder fetten. Das Weiterdrehen kann in mehreren Stufen erfolgen.
- Schraube, 40 Nm + 90 <V Umdr.)
Immer ersetzen.
- Zahnriemen-Abdeckung unten
- Kurbelwellen-Riemenschelbe
Montage nur in einer Stellung m glich, da die Bohrungen versetzt sind.
- Schraube, 10 Nm + 90 i'/i Umdr.)
Immer ersetzen.
- Abdeckung
- Zahnriemen-Abdeckung Mitte
- Motorhalter
- Schraube, 45 Nm
![]()
|
|
|
|
|
OT-Stellung des Motors/ Zahnriemen-Einbauhinweise
2,0-l-Dieselmotor A2V/BKD mit 100/103 kW (136/140 PS)
Achtung: Hier werden nur die Abweichungen zum 1,9-/2,0-1-2-Ventil-Dieselmotor beschrieben,
Z nd-OT-Stellung
Hinweis: Zylinder 1 befindet sich, in Fahrtrichtung gesehen, auf der rechen Seite des Motors.

F r die OT-Stellung der Nockenwellenr der muss die Markierung auf der hinteren Zahnriemen-Abdeckung mit dem Nockenwellen-Geberrad bereinstimmen. Die weitere Einstellung erfolgt wie bei den 2-Ventil-Dieselmotoren, siehe Seite 194.
Anzugsdrehmomente f r Aggregatelagerung
Alle Motoren
Achtung: Bei den Befestigungsschrauben f r die Aggregatelagerung handelt es sich um Dehnschrauben, die nach jedem L sen grunds tzlich ersetzt werden m ssen.
A = 20 Nm + 90 (Vi Umdr.) B = 40 Nm + 90 (Vi Umdr.) C = 60 Nm + 90 (V* Umdr.)
) Stiftschraube beim 1,4-l-Benzinmotor BCA mit 55 kW.
A = 40 Nm + 90 {V* Umdr.) B = 60 Nm + 90 (V4 Umdr.)
A = 40 Nm + 90 (1/4 Umdr.) B = 100 Nm + (V* Umdr.)
Keilrippenriemen aus- und einbauen
|
|
Dieselmotor
- Kurbelwellen-Riemenscheibe
Montage ist nur in einer Stellung m glich, da die Schraubbohrungen versetzt sind.
- Schraube, 25 Nm
- Drehstrom-Generator
- Halter
F r Generator und Klimakompressor.
- Spannelement f r Keilrippenrie-
men
Zum Entspannen des Keilrippenriemens Spannelement an der Nase -a- mit einem Gabelschl ssel schwenken.
- Schraube, 25 Nm
- Klimakompressor
- Schraube, 25 Nm
- Passh lsen
10 - Keilrippenriemen
Vor dem Ausbau Lautrichtung durch einen Pfeil mit Kreide oder Filzstift kennzeichnen. Auf Verschlei pr fen. Nicht knicken.
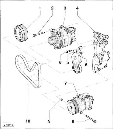
Hinweis: Die Anordnung der Bauteile ist beim 1,6-l-Benzinmotor" BGU/BSE/BSF und beim 2,0+(T)FSI-Benzinmotor sehr hnlich.
Der Keilrippenriemen treibt s mtliche Nebenaggregate an. Das sind je nach Ausstattung und Motor: Generator (Lichtmaschine), K hlmittelpumpe und Klimakompressor. Der Keilrippenriemen wird durch eine Spannrolle gespannt. Die Spannung muss im Rahmen der Wartung nicht gepr ft werden
Achtung: Wird der alte, gelaufene Keilrippenriemen wieder eingebaut, vor dem Ausbau Laufrichtung des Keilrippenriemens kennzeichnen. Dazu mit Filz- oder Fettstift auf dem Riemen einen Pfeil in Laufrichtung anbringen. Der Motor dreht, von der Keilrippenriemenseite aus gesehen, rechtsherum, also im Uhrzeigersinn. Ein Einbau entgegen der bisherigen Laufrichtung erh ht den Verschlei des Riemens beziehungsweise kann diesen zerst ren.
Dieselmotor
1,6-l-Benzinmotor BGU/BSE/BSF
2,0-I-(T)FSI-Benzinmotor AXW/BLR/BLX/BLY/AXX
Ausbau
Untere Motorabdeckung ausbauen, siehe Seite 272.
Dieselmotor: Kraftstofffilter aus der Halterung ziehen und mit angeschlossenen Schl uchen zur Seite legen.
Laufrichtung des Keilrippenriemens kennzeichnen.

Keilrippenriemen entspannen. Dazu Maulschl ssel an der oberen Nase des Spannelements ansetzen und in Pfeilrichtung schwenken.
|
|

Dieselmotor: Spannelement so weit drehen, bis sich der Dorn VW-T10060 -A- oder ein Bohrer mit 5 mm 0 beziehungsweise ein Innensechskantschl ssel SW-4 einsetzen l sst. Spannelemenl dadurch arretieren.

Riemenverlauf ohne Klimakompressor:
1,6-/2,0-l-Benzinmotor: Spannelement so weit drehen, bis sich der Dorn VW-T10060A -B- oder ein geeigneter Bohrer einsetzen l sst. Spannelement dadurch arretieren.
Keilrippenriemen abnehmen.
Einbau
Achtung: Wurden bei ausgebautem Keilrippenriemen Nebenaggregate abgebaut, vor dem Auflegen den festen Sitz der Nebenaggregate pr fen.
Hinweis: Wird der bisherige Riemen wieder eingebaut, Markierung der Laufrichtung beachten.
Keilrippenriemen auflegen. Dabei an der Kurbelwellen-Riemenscheibe beginnen und zuletzt am Generator auflegen.
Spannelement etwas im Uhrzeigersinn drehen, Arretierstift herausnehmen und Spannelement zur ckdrehen.
Pr fen, ob der Keilrippenriemen in s mtlichen Riemenscheiben b ndig sitzt.
Dieselmotor: Kraftstofffilter in die Halterung einsetzen.
Untere Motorabdeckung ausbauen, siehe Seite 272.
|
|
|
|
1,4-/1,6-l-FSI-Benzinmotor BKG/BLN/BAG/BLF/BLP
Ausbau
Abdeckung f r Keilrippenriemen ausbauen.
Riemenverlauf ohne Klimakompressor:
- K hlmittelpumpen-Riemenscheibe
- Spannrolle
- GeneratorVLichtmaschinen-Riemenscheibe
- Keilrippenriemen
- Kurbelwellen-Riemenscheibe
Spannrolle mit Schraubenschl ssel SW-16 an der Befestigungsschraube im Gegenuhrzeigersinn -Pfeilrichtung-schwenken und mit Innensechskantschl ssel SW-4 -1-arretieren.
Keilrippenriemen abnehmen.
Ein besch digter Keilrippenriemen muss umgehend ersetzt werden.
Riemenverlauf mit Klimakompressor:

Einbau
Achtung: Wird der bisherige Riemen wieder eingebaut, Markierung der Laufrichtung beachten.
Keilrippenriemen auflegen, dabei an der Kurbelwellen-Riemenscheibe beginnen.
Spannrolle mit Schraubenschl ssel etwas im Gegenuhrzeigersinn schwenken, Arretierstift herausnehmen und Spanner langsam zur ckschwenken, siehe Abbildung N13-0835.
Pr fen, ob der Keilrippenriemen in s mtlichen Riemenscheiben b ndig sitzt.
Abdeckung f r Keilrippenriemen einbauen.
- K hlmittelpumpen-Riemenscheibe
- Umlenkrolle
- Generator-/Lichtmaschinen-Riemenscheibe
- Spannrolle
- Klimakompressor-Riemenscheibe
- Kurbelwellen-Riemenscheibe
|
|
1,4-l-Benzinmotor BCA
Ausbau
Abdeckung f r Keilrippenriemen ausbauen.
Rechten Innenkotfl gel ausbauen, siehe Seite 281.
Einbau
Achtung: Wird der bisherige Riemen wieder eingebaut, Markierung der Laufrichtung beachten.
Keilrippenriemen auflegen, dabei an der Kurbelwellen-Riemenscheibe beginnen und Riemen zuletzt an der Spannrolle auflegen.
Spannrolle mit Schraubenschl ssel an der Befestigungsschraube etwas im Uhrzeigersinn schwenken, Arretierstift herausnehmen und Spanner langsam zur ckschwenken.
Pr fen, ob der Keilrippenriemen in s mtlichen Riemenscheiben b ndig sitzt.
Abdeckung f r Keilrippenriemen einbauen.
Rechten Innenkotfl gel einbauen, siehe Seite 281.
Spannrolle mit Schraubenschl ssel an der Befestigungsschraube im Uhrzeigersinn -Pfeilrichtung- schwenken und mit Dorn -A- arretieren, zum Beispiel mit VW-T10060A. Hinweis: In der Abbildung ist nicht der Dorn VW-T10060A dargestellt.
Laufrichtung auf dem Keilrippenriemen markieren und Riemen abnehmen.
Ein besch digter Keilrippenriemen muss umgehend ersetzt werden.
Riemenverlauf mit Klimakompressor:

- K hlmittelpumpen-Riemenscheibe
- Spannrolle
- Generator-/Lichtmaschinen-Riemenscheibe
- Keilrippenriemen
- Klimakompressor-Riemenscheibe
|
P oder N stellen. |
Motor starten
Alle Motoren
■ Schaltgetriebe: Handbremse anziehen, Kupplung ganz durchtreten und halten, Schaltgetriebe in Leerlauf schalten. Besonders bei niedrigen Au entemperaturen erleichtert eine bet tigte Kupplung das Starten, da die Reibung vom Getriebe entf llt.
Automatikgetriebe: W hlhebel in Fu bremse treten und halten.
Achtung: Anlasser nicht l nger als 30 Sekunden ununterbrochen bet tigen, sonst k nnen Anlasser und Verkabelung berhitzen.
Benzinmotor
Z ndschl ssel drehen und Anlasser bet tigen, dabei kein Gas geben. Sobald der Motor l uft, Schl ssel loslassen. Springt der Motor nach 10 Sekunden nicht an oder bleibt sofort wieder stehen, 30 Sekunden warten und Startvorgang wiederholen. Bei hei em Motor Gaspedal w hrend des Startens langsam niedertreten.
Grunds tzlich sofort losfahren, nur bei strengem Frost Motor ca. 30 Sekunden warm laufen lassen.
Achtung: Vergebliche Startversuche hintereinander k nnen den Katalysator sch digen, da unverbranntes Benzin in den Katalysator gelangt und bei Erw rmung explosionsartig verbrennt.
Dieselmotor
Bei kaltem Motor: Z ndung einschalten, bis die Vorgl h-
Kontrolllampe erlischt. Sofort nach Verl schen der Kon
trolllampe Motor anlassen, dabei kein Gas geben. Set
zen beim Starten nur unregelm ige Z ndungen
ein, An
lasser so lange weiter bet tigen (maximal 20 Sekunden),
bis der Motor aus eigener Kraft durchl uft. Springt der
Motor nicht an, Z ndschl ssel in Stellung 0 zur ckdrehen
und ca. 30 Sekunden warten. Anschlie end nochmals
vorgl hen und Startvorgang wie
beschrieben wiederho
len
Hinweis: Aufgrund der guten Kaltstarteigenschaften des Diesel-Direkteinspritzers, braucht in der Regel erst bei Au entemperaturen unter 0" C vorgegl ht zu werden.
Wurde der Tank v llig leergefahren, dauert der Anlassvorgang nach dem Tanken deutlich l nger (bis zu 1 Minute), da hierbei die Kraftstoffanlage entl ftet wird.
Bei warmem
Motor braucht nicht vorgegl ht zu werden.
Motor sofort anlassen, kein Gas geben.
St rungsdiagnose Motor
Benzinmotor: Wenn der Benzinmotor nicht anspringt, Fehler systematisch einkreisen. Damit der Motor berhaupt anspringen kann, m ssen immer zwei Grundvoraussetzungen erf llt sein: Das Kraftstoff-Luftgemisch muss bis in die Zylinder gelangen und der Z ndfunke muss an den Z ndkerzenelektroden berschlagen. Als erstes ist deshalb immer zu pr fen, ob berhaupt Kraftstoff gef rdert wird. Wie man dabei vorgeht, steht in den Kapiteln Kraftstoffanlage und Motormanagement . St rungen in der Steuerelektronik lassen sich nur noch mit speziellen Messger ten herausfinden.
Beim Dieselmotor Vorgl h- und Kraftstoffanlage pr fen.
St rung: Der Motor springt schlecht oder gar nicht an.
Ursache
Abhilfe
Sicherung defekt f r: - Elektrische Kraftstoffpumpe,
Elektronische Einspritzanlage,
Vorgl hanlage.
Sicherung pr fen, siehe Elektrische Anlage
Benzinmotor: Z ndanlage defekt.
Systempr fung des Motormanagements (Werkstattarbeit).
Fehler im Motormanagement.
Motormanagement pr fen lassen (Werkstattarbeit).
Kraftstoffanlage defekt, verschmutzt.
Kraftstoffpumpe und -leitungen berpr fen.
Anlasser dreht zu langsam.
Batterie laden. Anlasserstromkreis berpr fen. Korrodierte Anschl sse reinigen.
Wegfahrsperre sperrt den Motor.
Z ndschl ssel herausziehen und umgedreht ins Z ndschloss stecken. Z ndschl ssel beim Starten am u ersten Rand des Griffes anfassen. Funk-Fernbedienung in der N he der Empfangsantenne (innerhalb des Fahrzeuges) bet tigen. Z ndschl ssel vom Schl sselbund abnehmen. Ersatzschl ssel verwenden. Batterie f r Funk-Fernbedienung ersetzen. Fehlerspeicher der Wegfahrsperre auslesen lassen.
Zylinderkopfdichtung defekt.
Dichtung ersetzen.
F r die Motor-Schmierung sind Mehrbereichs le vorgeschrieben, so dass ein jahreszeitbedingter lwechsel (Sommer/Winter) nicht erforderlich ist. Mehrbereichs le bauen auf einem d nnfl ssigen Einbereichs l auf (zum Beispiel: 10 W) und werden durch so genannte Viskosit tsindexverbesse-rer im hei en Zustand stabilisiert. Dadurch ist sowohl f r den kalten wie auch f r den hei en Motor die richtige Schmierf higkeit gegeben.
Die SAE-Bezeichnung gibt die Viskosit t des Motor ls an, SAE = Society of Automotive Engineers.
Beispiel: SAE 10W40:
10 - Viskosit t des ls in kaltem Zustand. Je kleiner die Zahl,
desto d nnfl ssiger ist das kalte Motor l. W - Das Motor l ist wintertauglich. 40 - Viskosit t des ls in hei em Zustand. Je gr er die
Zahl, desto dickfl ssiger ist das hei e Motor l.
Longlifc Motor l
Die GOLFATOURAN-Motoren sind werksseitig mit einem Longlife-Motor l bef llt. Das Longlife-Motor l ist ein Mehrbe-reichs l, das durch spezielle Zus tze auf hohe Alterungsbest ndigkeit und daher f r lange Motor l-Wechselintervalle ausgelegt ist. Beim Nachf llen von Motor l und beim lwechsel darf nur Longlife-Motor l nach VW-Norm verwendet werden, damit die 2-Jahres-Wartungsintervalle eingehalten werden k nnen.
Es kann auch handels bliches Motor l nach VW-Norm verwendet werden. Allerdings m ssen dann die Wartungsintervalle auf 12 Monate/15.000 km umgestellt werden (Werkstattarbeit).
Zuordnung der VW-Longlife-Motor l-Normen:
VW-Norm Motor
Benzinmotor
Dieselmotor
Hinweis: Bei Fahrzeugen mit Longlife-Service empfiehlt es sich, f r l ngere Fahrten oder Fahrten ins Ausland eine l-dose mit dem richtigen Motor l im Kofferraum mitzuf hren. Falls zum Nachf llen kein Longlife- l verf gbar ist, kann bis zu 0,5 I Motor l der VW-Norm 502 00 (Benziner) beziehungsweise 505 00/505 01 (Diesel/Diesel-PD) nachgef llt werden, ohne dass die Service-Intervallanzeige auf nicht flexibel umgestellt werden muss.
Handels bliches Mehrbereichs-Motor l
Dieses l ist nur zul ssig, wenn auf feste Wartungsintervalle von 12 Monaten oder 15.000 km umgestellt wurde (Werkstattarbeit).
Zuordnung der VW-Motor l-Normen f r handels bliches Mehrbereichs l:
VW-Norm Motor
500 00, 501 01, 502 00 . . Benzinmotor
Pumpe-D se-Dieselmotor

|
|
C 40 |
A |
|
|
|
|
|
|||
|
|
|
|
|
|
|
|
20 |
|
30/OW |
|
|
|
|
|
|
|
|
|
|
|
SAE 0W |
|
|
|
|
|
|
|
|
|
|
|
|
|
|
|
i .______ . i |
|||
|
I I |
|
| A02-0256 |
||
|
|
|
|
|
|
A - Mehrbereichs-Longlife le gem VW 503 00 beziehungsweise VW 506 01.
Benzinmotoren:
A - Mehrbereichs-Leichtlauf le, der Spezifikation VW 500 00. A - Mehrbereichs-Leichtlauf le, Spezifikation VW 502 00.
B - Mehrbereichs le, Spezifikation VW 501 01.
B - Mehrbereichs le, Spezifikation API-SF oder API-SG. Diese le d rfen nur verwendet werden, wenn kein von VW freigegebenes Motor l zur Verf gung steht.
Dieselmotoren:
A - Mehrbereichs-Leichtlauf le, Spezifikation VW 500 00 zusammen mit VW 505 00.
B - Mehrbereichs le, Spezifikation VW 505 00, VW 505 01.
B - Mehrbereichs le, Spezifikation VW 501 01 zusammen mit VW 505 00.
B - Mehrbereichs le, Spezifikation API-CD. Diese le d rfen nur notfalls zum Nachf llen verwendet werden.
Olpumpe/Olwanne
1,4-/1,6-l-FSI-Benzinmotor
|
3 4 |
27 26 25 24 23 22 21 20
N17-0228
23 - Antriebskette
F r lpumpe. Vor dem Ausbau Laufrichtung kennzeichnen.
24-Schraube, 25 Nm
lpumpe
Kann nur komplett ersetzt werden.
- Schrauben, 10 Nm
lstand- und ltemperaturgeber
Bei Besch digung ersetzen.
lwanne
|
-v / \ |
$f |
|
J? |
|
|
[V |
Dichtfl chen gr ndlich l- und fettfrei reinigen. Dichtmittelreste mit einer rotierenden Kunststoffb rste entfernen. lwanne mit Silikon-Dichtmittel VW-D 176 404 A2 einbauen.
|
~^M |
*& |
|
|
f| |
J> |
|
|
|
|
|
|
|
~^~~j^X^ |
|
|
HfOsi>~ |
|
|
|
"^z^. |
|
V-1G10 ] |
lmessstab
lstand darf die MAX-Markierung nicht berschreiten.
2-Dichtung"21
lk hler21
- K hlmittelrohr21 f r lk hler
- Schrauben, 8 Nm
- O-Ring "
- Kettenrad f r den lpumpen-Antrieb.
- Steuergeh use
Beim Einbau zur besseren F hrung 2 Stehbolzen M6x80 in Nockenwellengeh use und Motorblock einschrauben sowie die lwanne mit 2 Schrauben bereits ansetzen.
- Dichtring
Bei Besch digung ersetzen.
- Verschlussdeckel
Dichtung bei Besch digung ersetzen.
HIIterdeckel, 25 Nm
Enth lt ein Kurzschlussventil und R cklaufsperrventil. Der ffnungsdruck des Kurzschlussventils betr gt 2,5 bar.
- Ventil
13/14-Schraube, 10 Nm
- Schraube, 90 Nm + 90 Umdr.)"
Mit ge ltem Gewinde einsetzen. Anlagefl che muss l- und fetttrei sein. Zum L sen und Festziehen Riemenscheibe mit handels blichem Gegenhalter festhalten. Achtung: Die bisherige Schraube wird durch eine Ausf hrung mit angebohrtem Schraubenkopf ersetzt. Dadurch ndert sich die Anzugsmethode auf: 150 Nm + 180 (Vi Umdr.). Beim Anziehen der Schraube darf sich auf keinen Fall die Kurbelwellen-Riemenscheibe mitdrehen. Nach dem Anziehen OT-Stellung von Kurbelwelle und Auslass-Nockenwelle pr fen.
- Kurbelwellen-Riemenscheibe
17-Dichtring"
18 - Lagerbuchse
Anpressfl chen der Lagerbuchse m ssen l- und fettfrei sein.
19- Druckregelventil
Mit Entl flungsschlauch.
20-Schraube, 10 Nm
- Schraube, 20 Nm + 90 IV Umdr.)
- Kettenrad
F r lpumpe.
Dichtmittelraupe von 2 bis 3 mm. Achtung: Die Dichtmittelraupe darf nicht dicker sein, sonst kann bersch ssiges Dichtmittel in die lwanne geraten und das Sieb im lansaugrohr verstopfen. Dichtmittelraupe im Bereich der Schraubenbohrungen an der Innenseite vorbeif hren -Pfeile-.
Nach Dichtmittelauftrag innerhalb von 5 Minuten einbauen. Nach der Montage Dichtmittel ca. 30 Minuten aush rten lassen. bevor Motor l eingef llt wird. Die lwanne l sst sich leichter ansetzen. wenn zur F hrung am Motorblock 2 M6-Gewindestifte eingesetzt werden.
lablassschraube, 30 Nm "
Mit unverlierbarem Dichtring.
30-Schraube, 13 Nm
Zum L sen und Anziehen der Schrauben an der Schwungradseite wird ein spezieller Steckschl sseleinsatz ben tigt, zum Beispiel VW-T10058.
- Schraube, 45 Nm
l Immer ersetzen.
I Nur 1,6-l-FSI-Motor BAG/BLF/BLP.
K hlmittelkreislauf
Zur K hlung des Motors wird das K hlmittel von der K hlmittelpumpe st ndig in Bewegung gehalten. Solange der Motor kalt ist, zirkuliert das K hlmittel nur im Zylinderkopf, im Motorblock und im W rmetauscher der Innenraumheizung. Mit zunehmender Erw rmung ffnet ein Thermostat (K hlmittelregler) den gro en K hlmittelkreislauf. Die K hlfl ssigkeit durchstr mt dann den K hler und wird dabei durch die an den K hlrippen vorbeistreichende Luft abgek hlt.
Der K hlluftstrom wird durch einen hinter dem K hler angebrachten L fter verst rkt. Der L fter wird durch einen Elektromotor angetrieben. Entsprechend der K hlmitteltemperatur wird der Elektrol fter zu- oder abgeschaltet.
Sicherheitshinweis
Der Elektrol fter kann sich auch bei ausgeschalteter Z ndung einschalten. Durch Stauw rme im Motorraum ist auch mehrmaliges Einschalten m glich. Abhilfe: Stecker f r K hlerl fter abziehen.
Achtung: Bei Arbeiten am K hlsystem unbedingt darauf achten, dass kein K hlmittel auf den Zahnriemen gelangt. Der Glykolanteil des K hlmittels kann das Gewebe des
Zahnriemens so sch digen, dass der Riemen nach einiger Betriebszeit rei t, wodurch schwer wiegende Motorsch den auftreten k nnen.
Hinweis: K hlmittelschl uche beim Einbau spannungsfrei verlegen, ohne dass diese mit anderen Bauteilen in Ber hrung kommen. Falls an den K hlmittelrohren und K hlmittelschlauchenden Markierungen oder Pfeile angebracht sind, so m ssen sich diese beim Einbau gegen berstehen.
Zweikreis-K hlsystem im 1,4-/1,6-l-FSI-Benzinmotor
Der FSI-Motor hat ein Zweikreis-K hlsystem. Dabei erfolgt eine getrennte K hlmittelf hrung mit unterschiedlichen Temperaturen durch den Motorblock und den Zylinderkopf. Gesteuert wird die K hlmittelf hrung durch 2 Thermostate (K hlmittelregler) im K hlmittelregler-Geh use. Ein Thermostat ist f r den Motorblock, der andere f r den Zylinderkopf zust ndig.
Das Zweikreis-K hlsystem hat folgende Vorteile:
Der Motorblock wird schneller aufgeheizt, weil das K hlmittel bis zum Erreichen von +105" C im Motorblock bleibt.
Durch das h here Temperaturniveau im Motorblock vermindert sich die Reibung im Kurbeltrieb.
Eine bessere K hlung der Brennr ume durch das geringere Temperaturniveau im Zylinderkopf.
|
|
12 11 10 |
Anschlussplan f r K hlmittelschl uche
Die Abbildung zeigt den 1,4-/1,6-l-FSI-Benzinmotor mit 66/85 kW (90/115 PS).
- Ausgleichbeh lter
- K hlmittelschlauch
Vom Abgasr ckf hrventil.
- Abgasr ckf hrventil
- W rmetauscher f r Heizung
- Getriebe lk hler
Nur bei automatischem Getriebe.
- K hlmittelschlauch
Zum Abgasr ckf hrventil.
- K hlmittelschlauch oben
- K hlmittelschlauch unten
- K hler
lk hler
Nur 1,6-l-Motor.
- K hlmittelregler-Geh use
Thermostatgeh use.
- Zylinderkopf/Zylinderblock (Mo-
torblock)
13-K hlmittelrohr
- K hlmittelpumpe
-Ansaugrohr
Kennfeldk hlung im 2,0-l-FSI-Benzinmotor
Die Kennfeldk hlung besteht aus einem K hlmittelverteilergeh use mit Dehnstoff-Thermostat, einem elektrischen Heizelement sowie Druckfedern zum mechanischen Verschlie en der K hlmittelkan le.
ber den beheizbaren Dehnstoff-Thermostat wird die K hlmitteltemperatur vom Motor-Steuerger t anhand von dort gespeicherten Kennfeldern auf einen, je nach Leistungsabgabe des Motors, optimalen Wert geregelt.
Beispielsweise wird bei Volllast das Dehnstoffelement aufgeheizt und damit der Thermostat weiter ge ffnet. Dadurch reduziert sich die K hlmitteleintrittstemperatur, wodurch auch die Brennr ume st rker gek hlt werden. K hlere Brennr ume erlauben einen fr heren Z ndzeitpunkt und damit einen Drehmomentgewinn.
K hler-Frostschutzmittel
Die K hlanlage wird ganzj hrig mit einer Mischung aus Wasser und VW-K hlerfrost- und Korrosions-Schutzmittel bef llt. Dies verhindert Frost- und Korrosionssch den, Kalkansatz und hebt au erdem die Siedetemperatur des K hlmittels an. Im K hlkreislauf entsteht durch die Ausdehnung der Fl ssigkeit bei Erw rmung ein berdruck, was ebenfalls zur Siedepunkterh hung der K hlfl ssigkeit beitr gt. Der Druck wird durch ein Ventil im Verschlussdeckel am Ausgleichbeh lter begrenzt, das bei 1,4 - 1,6 bar ffnet. Erforderlich ist der h here Siedepunkt der K hlfl ssigkeit f r ein einwandfreies Funktionieren der Motork hlung. Bei zu niedrigem Siedepunkt der Fl ssigkeit kann es zu einem Hitzestau kommen, wodurch die K hlung des Motors vermindert wird. Deshalb muss das K hlsystem unbedingt ganzj hrig mit einer K hlkonzentrat-Mischung gef llt sein.
Als K hlmittelzusatz nur VW-K hlkonzentrat G12 Plus (Farbe lila, genaue Bezeichnung G 012 A8F ) verwenden oder ein anderes K hlkonzentrat mit dem Vermerk gem VW-TL-774-F , zum Beispiel Glysantin-Alu-Protect-Premi-um/G30
Achtung: Zum Nachf llen - auch in der warmen Jahreszeit - nur eine Mischung aus G12-Plus (lila) und kalkarmem, sauberem Wasser verwenden. Auch im Sommer darf der K hlerfrostschutzanteil im K hlmittel nicht unter 40% liegen. Deshalb beim Nachf llen Frostschutz erg nzen.
K hlmittel-Mischungsverh ltnis in Litern
|
Motor |
Frostschutz |
F llmenge |
|||
|
bis -25 C |
bis -35 C |
||||
|
G12 |
Wasser |
G12 |
Wasser |
||
|
Benziner mit 55/66/85 kW |
|
|
|
|
|
|
Benziner mit 75/110 kW Diesel |
|
|
|
|
|
|
GTI |
|
|
|
|
|
Der Frostschutz sollte in unseren Breiten bis -25" C, besser bis -35 C reichen. Der Anteil des Frostschutzmittels darf
60% (Frostschutz dann bis -40" C) nicht berschreiten, sonst verringern sich Frostschutz und K hlwirkung wieder. Hinweis: Die K hlmittel-F llmenge kann je nach Fahrzeug-Ausstattung von dem angegebenen Wert etwas abweichen.
K hlmittel wechseln
Das K hlmittel muss nur nach Reparaturen am K hlsystem erneuert werden, wenn dabei das K hlmittel abgelassen wurde. Ein Wechsel im Rahmen der Wartung ist nicht vorgesehen. Falls bei Reparaturen der Zylinderkopf, die Zylinderkopfdichtung, der K hler, der W rmetauscher oder der Motor ersetzt wurden, muss die K hlfl ssigkeit auf jeden Fall ersetzt werden. Das ist erforderlich, weil sich die Korrosionsschutzanteile in der Einlaufphase an den neuen Leichtmetallteilen absetzen und somit eine dauerhafte Korrosionsschutzschicht bilden. Bei gebrauchter K hlfl ssigkeit ist der Korrosionsschutzanteil in der Regel nicht mehr gro genug, um eine ausreichende Schutzschicht an den neuen Teilen zu bilden.
Hinweis: K hlmittel ist leicht giftig. Gemeinde- und Stadtverwaltungen informieren dar ber, wie das alte K hlmittel entsorgt werden soll.
K hlmittel ablassen
Motorraumabdeckung unten ausbauen, siehe Seite 272.
Sicherheitshinweis
Bei hei em Motor vor dem ffnen des Ausgleichbeh lters einen dicken Lappen auflegen, um Verbr hungen durch hei e K hlfl ssigkeit oder Dampf zu vermeiden. Deckel nur bei K hlmitteltemperaturen unter +90 C abnehmen.
Verschlussdeckel am K hlmittel-Ausgleichbeh lter ff
nen.
|
Hinweis: Um die K hlfl ssigkeit gezielt in einen Beh lter ablaufen zu lassen, empfiehlt es sich einen Hiltsschlauch auf den Ablaufstutzen -1- zu stecken. |
Sauberes Auffanggef unter den K hler stellen.

Ablassschraube -2- ffnen und K hlmittel vollst ndig ablaufen lassen. Anschlie end Ablassschraube schlie en.
Achtung: Bei Fahrzeugen ohne Ablassschraube Halteklammer -3- seitlich herausziehen, K hlmittelschlauch vom K hler abziehen und K hlmittel ablaufen lassen. Anschlie end K hlmittelschlauch wieder aufstecken und mit Halteklammer sichern.

1,6-l-Benzinmotor BGU/BSE/BSF (Abbildung), Dieselmotor: K hlmittel aus dem Motorblock ablassen. Dazu Federbandschelle ffnen, K hlmittelschlauch -Pfeil- am lk hler abziehen und restliches K hlmittel in die Auffangwanne ablaufen lassen. Anschlie end K hlmittelschlauch sofort wieder aufschieben und mit Federbandschelle sichern.
|
|
|
|
|
| |
|
kl/ |
|
jlff />v\ 1 in T /Cj s ifii | |||
|
|
|||||
|
(prf \ |
|||||
|
|
| ||||
|
|
_^ |
V-1813 | |||
|
|
| ||||
2,0-l-Benzlnmotor: K hlmittel aus dem Motorblock ablassen. Dazu K hlmittelschlauch -1- unten am K hlmittelrohr abziehen. Dabei Federklammer ffnen und ganz zur ckschieben. Restliches K hlmittel ablaufen lassen. Anschlie end K hlmittelschlauch sofort wieder aufschieben und mit Schelle sichern.
K hlmittel einf llen
K hlmittel aus 50% Trinkwasser und 50% VW-K hlerfrost- und Korrosions-Schutzmittel mischen.
Motorraumabdeckung unten einbauen, siehe Seite 272.
Fahrzeug ablassen.
|
r-^ |
|
| |
|
i |
|
||
|
|
|
||
|
viv v m i n XvSaw |
|||
|
|
j |
||
|
|bir-oo?m| |
K hlmittelmischung ber die ffnung am Ausgleichbeh l
ter langsam bis zur oberen Markierung des gerasterten
Feldes (MAX-Markierung) auff llen.
K hlsystem entl ften
Ausgleichbeh lter verschlie en.
Heizungsbet tigung im Innenraum auf kalt stellen.
Motor starten und Drehzahl f r etwa 3 Minuten auf 2.000/min halten.
Anschlie end den Motor im Leerlauf so lange weiter laufen lassen, bis der K hlerl fter anl uft.
Sicherheitshinweis
Bei hei em Motor vor dem ffnen des Ausgleichbeh lters einen dicken Lappen auflegen, um Verbr hungen durch hei e K hlfl ssigkeit oder Dampf zu vermeiden. Deckel nur bei K hlmitteltemperaturen unter +90 C abnehmen.
K hlmittelstand pr fen und gegebenenfalls bis an die obere Markierung erg nzen.
Bei betriebswarmem Motor muss der K hlmittelstand an der oberen Markierung (MAX-Markierung), bei kaltem Motor in der Mitte des gerasterten Feldes liegen (zwischen der MAX- und der MIN-Markierung).
Motor abstellen.
|
- O-Ring Immer ersetzen. - K hlmittel- Verteilergeh use 3-O-Ring Immer ersetzen. 4 - K hlmittelrohr unten 5-Schraube, 10 Nm 6-Schraube, 15 Nm |
K hlmittelregler (Thermostat) aus- und einbauen
1,6-l-Benzinmotor BGU/BSE/BSF Dieselmotor
Ausbau
K hlmittel ablassen, siehe entsprechendes Kapitel.
Dieselmotor: Generator ausbauen, siehe Seite 75.

K hlmittelschlauch vom Anschlussstutzen -2- am Motorblock abziehen, vorher Federbandschelle ffnen und zur ckschieben. Hinweis: Die Abbildung zeigt den 1,9-1-Dieselmotor/2,0-I-Dieselmotor BDK.
Anschlussstutzen -2- vom Motorblock mit 2 Schrauben -1- abschrauben und mit K hlmittelregler abnehmen.
K hlmittelregler -4- 90 (Vi Umdrehung) nach links drehen und aus dem Anschlussstutzen herausnehmen.
O-Ring -3- abnehmen und ersetzen.
K hlfl ssigkeit auff llen.
Motor laufen lassen, bis der Thermostat ffnet - der untere K hlmittelschlauch wird dann warm. Dichtung f r Anschlussstutzen und K hlmittelschlauch auf Dichtheit berpr fen.
|
|
K hlmittelregler 2,0-l-FSI-Benzlnmotor AXW/BLFI/BI-X/BLY
- Dichtring
Immer ersetzen.
- Anschluss Heizwider-
stand
- Anschlussstecker
10 - K hlmittelregler (Thermostat)
F r kennfeldgesteuerte Motork hlung. ffnungsbeginn bei ca. + 105 C.
Einbau
Neuen O-Ring -3- mit K hlmittel benetzen und in den Anschlussstutzen -2- einsetzen.
K hlmittelregler -4- in den Anschlussstutzen einsetzen und 90 (Vi Umdrehung) nach rechts drehen. Hinweis: Die B gel des K hlmittelreglers muss nahezu senkrecht stehen.
Anschlussstutzen mit K hlmittelregler ansetzen und mit 15 Nm anschrauben.
K hlmittelschlauch aufschieben und mit Schelle sichern.
Dieselmotor: Generator einbauen, siehe Seite 75.
K hlmittelregler/K hlmittelrohr
3 4
3 13 3 12 11
6 7
V-1814
1,4-l-Benzinmotor BCA
- Anschlussstutzen
- Schneidschraube, 7 Nm
3-0-Ring
Immer ersetzen.
- K hlmittelregler (Thermostat)
- Zum W rmetauscher
- K hlmittelreglergeh use
- Vom W rmetauscher
- K hlmittelrohr
- Dichtring
Immer ersetzen.
- K hlmittelpumpengeh use
Am Motorblock.
- Halteklammer
Aul lesten Sitz pr fen.
12-Schraube, 10 Nm
- Verschlussstopfen
- Geber f r K hlmitteltemperatur
15- Halteklammer
Auf festen Sitz pr fen.
- Schneidschraube, 7 Nm
- Verbindungsrohr
F r Abgasr ckf hrung.
- Zum K hler unten
- Vom K hler oben
![]()
16 l I N19-0415I
1,4-/1,6-l-FSI-Benzlnmotor
1 - Anschlussstutzen
2-O-Ring
Immer ersetzen.
- Druckfeder
- Geber f r K hlmitteltemperatur
- St el
- Halteklammer
Auf festen Sitz pr fen.
7-Schraube, 10 Nm
- K hlmittelreglergeh use
- Dichtring
Immer ersetzen.
- Zum W rmetauscher
- Vom W rmetauscher
- K hlmittelpumpengeh use
Am Motorblock.
- Anschlussstutzen
- Zum Ausgleichbeh lter 15-K hlmittelrohr
16 - K hlmittelregler (Thermostat)
ffnungsbeginn bis ffnungsende: Langes Thermo-Elemenl: +87' bis Kurzes Thermo-Elemenl: .103" bis <120"
17-Schraube, 5 Nm
- Zum K hler unten
- Vom K hler oben
K hlmittelregler pr fen
Alle, au er 1,4-/1,6-l-FSI-Motor
Pr fen
K hlmittelregler ausbauen, siehe entsprechendes Kapitel.
Ma -a- am Regler messen und notieren, siehe Abbildung SX-1802.
|
"^ |
^y^ |
|||
|
|
1 |
|
|
|
|
i |
|
|||
|
SX-I80I |
||||
Regler im Wasserbad erw rmen. Dabei darf der Thermostat nicht die W nde des Beh lters ber hren.
Temperatur mit einem Thermometer kontrollieren und ffnungsbeginn und -ende des Reglers pr fen.
|
Motor |
K hlmittelregler- ffnung |
|
|
Beginn |
Ende |
|
|
1.4IBCA |
ca. +84 C |
ca. +98 C |
|
1.6IBGU/BSE/BSF |
ca. +87 C |
ca. +102 C |
|
2,0-l-FSI-Benziner |
ca.+105 C |
|
|
2,0-l-TFSI-Benziner |
ca. +87 C |
|
|
Diesel |
ca. +85" C |
ca. C |
|
|
flfirtf a -b- |
SX-1802 |
Nach Erhitzen des Reglers auf ca. +100 C muss Ma -b- gegen ber Ma -a- um ca. 7 mm gr er sein. Der ffnungshub muss also mindestens 7 mm betragen.
Hinweis: Beim 2,0-l-FSI-Motor muss der ffnungshub von 7 mm nach mindestens 10 Minuten in kochender K hlfl ssigkeit und bei angelegter Batteriespannung erreicht werden.
K hlmittelregler einbauen, siehe entsprechendes Kapitel.
K hlmittelpumpe aus- und einbauen
1,4-/1,6-l-FSI-Benzinmotor BKG/BLN/BAG/BLF/BLP
Hinweis: Da bei den anderen Motoren zun chst der Zahnriemen ausgebaut werden muss, bevor die K hlmittelpumpe zug nglich ist, werden Aus- und Einbau hier nicht beschrieben.
Ausbau
K hlmittel ablassen, siehe entsprechendes Kapitel.
Rechten Innenkotfl gel ausbauen, siehe Seite 281.
Befestigungsschrauben der K hlmittelpumpen-Riemenscheibe bei eingebautem Keilrippenriemen lockern. Gegebenenfalls Riemenscheibe mit Wasserpumpenzange an 2 Schraubenk pfen gegenhalten.
Keilrippenriemen ausbauen, siehe Seite 199.

Riemenscheibe -4- der K hlmittelpumpe abschrauben
K hlmittelpumpe -1- abschrauben -2- und aus dem Mo
torblock -5- herausnehmen.
Achtung: Die integrierte Dichtung der K hlmittelpumpe darf nicht von der Pumpe getrennt werden. Bei Besch digung oder Undichtigkeit K hlmittelpumpe komplett mit Dichtung ersetzen.
Einbau
Der Einbau erfolgt in umgekehrter
Ausbaureihenfolge.
Beim Einbau der Riemenscheibe Fixierung beachten. An
zugsdrehmomente f r K hlmittelpumpe: 9 Nm, Riemen
scheibe: 20 Nm.
|
|
K hler aus- und einbauen
Hinweis: Die Abbildung zeigt den K hler. wie er im Benzinmotor und im 2,0-l-Die-selmotor BDK eingebaut ist.
- K hlmittelschlauch oben
Mit Halteklammer am K hler gesichert. Aut testen Sitz pr fen.
- O-Ring
Bei Besch digung ersetzen.
- K hler
- Dichtung
Nicht bei allen Modellen vorhanden.
- Verschlussdeckel
Pr fdruck: t ,4 - 1,6 bar.
- Anschlussstecker
- Schraube, 5 Nm
- Ausgleichbeh lter
- Halter
F r K hler.
10-Schraube, 5 Nm 11 -Aufnahme 12-Mutter, 10 Nm
- Luftf hrungshutze
- Schraube, 5 Nm 15-K hler-L fter 2 16 - Anschlussstecker
17-K hler-L tter 1
Mit Steuerger t f r K hler-L tter.
18 - K hlmittelschlauch unten
Zum Anschlussstutzen des K hlmittelreglers (Thermostats). Mit Halteklammer am K hler gesichert. Aul festen Sitz pr fen. 19- Halteklammer
Auf festen Sitz pr fen.
- Geber f r K hlmitteltemperatur
Am K hlerausgang.
-O-Ring
Immer ersetzen.
Ausbau
Hinweis: Die Beschreibung bezieht sich auf die Motoren 1,4-l BCA, 2,0-1 AXW/BLR/BLX/BLY, 2,0-l-Diesel BDK. Hinweise zu den anderen Motoren stehen am Ende des Kapitels. Au erdem Hinweise zur Klimaanlage beachten.
Schlosstr ger in Servicestellung bringen, siehe Seite 274.
K hlmittel ablassen, siehe entsprechendes Kapitel.
L fter ausbauen, siehe entsprechendes Kapitel.
K hlmittelschl uche vom K hler abziehen. Vorher Schellen ffnen und ganz zur ckschieben beziehungsweise Halteklammern seitlich herausziehen.
Befestigungsschrauben rechts und links am K hlerlager herausdrehen.
K hler etwas nach hinten schwenken und nach oben herausnehmen.
Einbau
Der Einbau erfolgt in umgekehrter
Ausbaureihenfolge.
K hlerlager mit 5 Nm am Schlosstr ger anschrauben.
Speziell 1,4-/1,6-l-FSI-Benzinmotor/1,9-l-Dieselmotor
Stecker vom Thermoschalter und L fter abziehen.
K hler zusammen mit L fter nach unten herausnehmen.
Speziell 1.6-1-Benzinmotor BGU/BSE/BSF
Anstatt den Schlosstr ger in Servicestellung zu bringen, muss hier die Sto f ngerabdeckung vorn ausgebaut werden, siehe Seite 276.
Durch die Bohrungen im Sto f nger die Befestigungsschrauben rechts und links f r die K hlerlager herausdrehen und K hler nach oben herausnehmen.
Speziell 2,0-l-Dieselmotor AZV/BKD
Stecker vom L fter abziehen.
K hler zusammen mit L fter nach oben herausnehmen.
Speziell 2,0-l-TFSI-Benzinmotor AXX
Ladeluftschl uche unten abbauen.
K hler nach unten herausnehmen.
Hinweise zur Klimaanlage:
Sicherheitshinweis
Der K ltemittelkreislauf der Klimaanlage darf nicht ge ffnet werden, da das K ltemittel bei Hautber hrung Erfrierungen hervorrufen kann.
Bei versehentlichem Hautkontakt sofort mindestens 15 Minuten lang mit kaltem Wasser sp len. K ltemittel ist f rb- und geruchlos sowie schwerer als Luft. Bei austretendem K ltemittel besteht am Boden beziehungsweise in unteren R umen Erstickungsgefahr (nicht wahrnehmbar).
Um Besch digungen am Kondensator sowie an den K l-temittelleitungenAschl uchen zu vermeiden, unbedingt darauf achten, dass die Leitungen und Schl uche nicht berdehnt, geknickt oder verbogen werden.
Halteschellen der K ltemittelleitungen abschrauben.
Kondensator vom K hler abschrauben und am Schlosstr ger mit Draht befestigen.
K hler-L fter aus- und einbauen
Hinweis: Die Beschreibung bezieht sich auf die Motoren 1,4-1 BCA, 1,4-/1,6-l-FSI BKG/BLN/BAG/BSE/BSF, 1,9-l-Diesel. Der Ausbau des L ftergeh uses bei den anderen Motoren steht am Ende des Kapitels. Der Abbau des L fters vom L ftergeh use erfolgt bei allen Motoren auf die gleiche Weise.
Ausbau
Falls vorhanden, Motor-Spritzschutz unten ausbauen.
Schlosstr ger in Servicestellung bringen, siehe Seite 274.

Steckverbindung-1-trennen.
Schrauben -Pfeile- herausdrehen.
L ftergeh use (Luftf hrungshutze) mit den beiden L ftern nach oben herausnehmen.

Steckverbindung -2- trennen.
Anschlussstecker-1-ausclipsen.
S mtliche Leitungen freilegen.
Muttern -Pfeile- herausdrehen und L fter vom L ftergeh use abnehmen.
Einbau
Der Einbau erfolgt in umgekehrter
Ausbaureihenfolge.
L fter an L ftergeh use mit 10 Nm, L ftergeh use an
K hler mit 5 Nm anschrauben.
Speziell 1,6-l-Benzinmotor BGU/BSE/BSF
Luftschlauch vom Schlosstr ger und Luftfilter abbauen.
Untere Motorraumabdeckung ausbauen, siehe Seite 272.
Schelle l sen und Luftf hrungsschlauch unten vom Vorvolumenbeh lter abziehen, siehe Abbildung V-2031, Seite 231.
Unteren K hlmittelschlauch vom K hler l sen.
Stecker vom L fter abziehen.
Schrauben f r L ftergeh use herausdrehen und L ftergeh use nach oben herausnehmen.
L fter vom L ftergeh use abbauen.
Speziell 2,0-l-FSI-Benzinmotor AXW/BLR/BLX/BLY
Obere Motorabdeckung ausbauen, siehe Seite 178.
Luftschlauch vom Schlosstr ger und Luftfilter abbauen.
Obere Schrauben f r L ftergeh use herausdrehen.
K hlfl ssigkeit ablassen, siehe entsprechendes Kapitel.
Unteren K hlmittelschlauch vom K hler abziehen und ausclipsen.
Schelle l sen und Luftf hrungsschlauch unten vom Vorvolumenbeh lter abziehen, siehe Abbildung V-2031, Seite 231.
Stecker vom L fter abziehen.
Untere Schrauben f r L ftergeh use herausdrehen und L ftergeh use nach unten herausnehmen.
L fter vom L ftergeh use abbauen.
Speziell 2,0-l-Dieselmotor BDK
Untere Motorabdeckung ausbauen, siehe Seite 272.
Ansaugluftf hrung vom Luftfilter abbauen.
Stecker vom L fter abziehen, L ftergeh use abschrauben und mit L ftern nach unten herausnehmen.
L fter vom L ftergeh use abbauen.
Speziell 2,0-l-TFSI-Benzlnmotor AXX
Obere Motorabdeckung ausbauen, siehe Seite 178.
Obere Schrauben f r L ftergeh use herausdrehen.
Untere Motorraumabdeckung ausbauen, siehe Seite 272.
Stecker vom L fter abziehen, untere Schrauben f r L ftergeh use herausdrehen und L ftergeh use nach unten herausnehmen.
L fter vom L ftergeh use abbauen.
St rungsdiagnose Motor-K hlung
St rung: Die K hlmitteltemperatur ist zu hoch, die Warnleuchte im Kombiinstrument leuchtet w hrend der Fahrt.
Ursache
Abhilfe
Zu wenig K hlfl ssigkeit im Kreislauf.
Der K hlmittelstand soll bei kaltem Motor (K hlmitteltemperatur ca. +20 C) zwischen der MAX- und der MIN-Markierung, also im gerasterten Bereich der Anzeige am Ausgleichbeh lter liegen. Bei warmem Motor darf der K hlmittelstand etwas ber der MAX-Markierung stehen.
Gegebenenfalls K hlmittel nachf llen. K hlsystem auf Dichtheit pr fen.
K hlmittelregler (Thermostat) ffnet nicht, K hlfl ssigkeit zirkuliert nur im kleinen Kreislauf.
Pr fen, ob der obere K hlmittelschlauch warm wird. Wenn nicht, K hlmittelregler (Thermostat) ausbauen und pr fen, gegebenenfalls ersetzen. Unterwegs (nicht beim FSI-Motor): Thermostat ausbauen. Ohne Thermostat erreicht der Motor seine normale Betriebstemperatur sp ter oder gar nicht, deshalb defekten Thermostat alsbald ersetzen.
K hlerlamellen verschmutzt.
K hler von der Motorseite her mit Pressluft durchblasen.
K hler innen durch Kalkablagerungen zugesetzt, unterer K hlerschlauch wird nicht warm.
K hler erneuern.
Elektrol fter l uft nicht.
Stecker am L ftermotor auf festen Sitz und guten Kontakt pr fen.
Sicherung f r K hlerl fter pr fen.
Ausgleichbeh lter-Verschlussdeckel defekt.
Druckpr fung durchf hren, ggf. Verschlussdeckel ersetzen.
K hlmitteltemperaturanzeige defekt.
Anzeigeger t/Geber berpr fen lassen.
|