Bazinis laikmatis (Basic timer) naudojamas LCD displėjaus sinchronizavimui ir zemo daznio laikinių intervalų formavimui. Bazinio taimerio savybės:
- &nb 10110k1013k sp; &nb 10110k1013k sp; pasirenkamas sinhrosignalų saltinis;
- &nb 10110k1013k sp; &nb 10110k1013k sp; gali dirbti kaip du nepriklausomi 8 bitų skaitikliai;
- &nb 10110k1013k sp; &nb 10110k1013k sp; pertraukimų formavimas;
- &nb 10110k1013k sp; &nb 10110k1013k sp; LCD valdymo signalo formavimas.

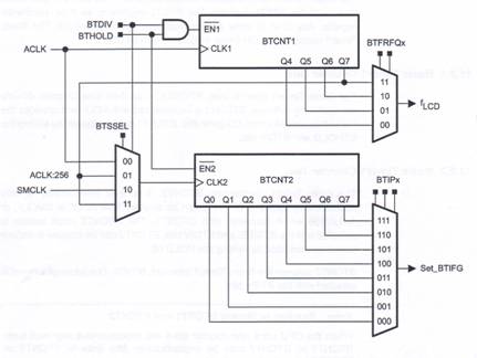
31 pav. Bazinio taimerio blokinė schema
Bazinis taimeris programiniu būdu (panaudojant valdymo registrą BTCTL) gali būti nustatytas dirbti (1) kaip du nepriklausomi 8 bitų skaitikliai arba (2) kaip vienas 16 bitų skaitiklis. Bazinis taimeris formuoja LCD displėjaus kadrinius impulsus - skaitiklis BTCNT1 (24 pav.). Skaitiklis BTCNT1 sinchronizuojamas signalu ACKL ir pilnai prieinamas programiniu būdu (ir skaitomas, ir rasomas).
Skaitiklis BTCNT2 - 8 bitų skaitiklis, taip pat pilnai prieinamas programiniu būdu (ir skaitomas, ir rasomas). BTCNT2 gali būti sinchronizuojamas signalais ACKL, SMCKL arba signalu ACKL/256 (kai dirba kaskaduotas kartu su skaitikliu BTCNT1).Sinchronizavimo signalas isrenkamas valdančio zodzio bitais BTSEL ir BTDIV. Skaitklis gali būti sustabdytas įjungiant valdančio registro bitą HOLD. Būtent skaitklis BCTN2 formuoja pertraukimo signalą BTIFG. Pertraukimo intervalas nustatomas bitais BTIPx.
Kai Bazinis taimeris nustatomas darbui 16 bitų rezime abu skaitkliai apjungiami ir skaitklis BTCNT1 sinhronizuojamas signalu ACKL, o skaitklis BTCNT2 - signalu ACKL/256 is pirmojo skaitiklio.
Mikrovaldiklio LCD kontroleris naudoja skaitiklio BTCNT1 signalą fLCD segmentinių ir valdymo (Common) signalų formavimui. Signalas fLCD isrenkamas valdančio registro bitais BTFREQx ir gali būti vienas is signalų ACKL/256, ACKL/128, ACKL/64 arba ACKL/32. Teisingas signalo fLCD daznis nustatomas sekančiu būdu:
fLCD = 2 x MUX x fFrame.
Pavyzdziui, reikia suskaičiuoti fLCD daznį, kai LCD kontroleris dirba 3-MUX rezime, o kadrų daznis fFrame (paprastai pateikiamas indikatorių dokumentacijoje) nuo 30 iki 100 Hz:
fFrame = 30- 100 Hz,
fLCD = 2 x 3 x fFrame,
fLCD(min) = 180 Hz,
fLCD(max) = 600 Hz,
todėl parenkamas fLCD = ACKL/128 (=32768/128=256Hz)
arba ACKL/64 (=32768/64 = 512 Hz).
Bazinis taimeris naudoja du specialių registrų SFR bitus pertraukimų valdymui:
- &nb 10110k1013k sp; &nb 10110k1013k sp; "bazinio taimerio pertraukimo vėliavėle BTIFG (registro IFG2 7 bitas);
- &nb 10110k1013k sp; &nb 10110k1013k sp; Bazinio taimerio pertraukimų leidimo vėliavėlę BTIE (registro IE2 7 bitas).

32 pav. Bazinio taimerio valdymo registras BTCTL
BTSSEL - kartu su bitu BTDIV isrenka skaitiklio BTCNT2 sinchronizavimo signalą;
BTHOLD - stabdo bzinio taimerio skaitiklių darbą:
BTHOLD = 0 - skaitkliai BTCNT1 ir BTCNT2 dirba;
BTHOLD = 1 - skaitkliai BTCNT1 ir BTCNT2 stabdomi.
BTDIV - kartu su bitu BTSSEL isrenka skaitiklio BTCNT2 sinchronizavimo signalą:
-------- ----- ------ -------- ----- ------ -----------
BTSSEL BTDIV Sinchro signalas
-------- ----- ------ -------- ----- ------ -----------
0 0 ACKL
0 1 ACKL/256
1 0 SMCLK
1 1 ACKL/256
-------- ----- ------ -------- ----- ------ ----------
BTFRFQx - isrenka signalo fLCD daznį:
00 - fACLK/32;
01 - fACLK//64;
10 - fACLK//128;
11 - fACLK/256.
BTIPx - Bazinio taimerio pertraukimų intervalas:
000 - fCLK2/2;
001 - fCLK2/4;
010 - fCLK2/8;
011 - fCLK2/16;
100 - fCLK2/32;
101 - fCLK2/64;
110 - fCLK2/128;
111 - fCLK2/256.
|