ALTE DOCUMENTE
|
|||||||||
16.A. Ismertesse a bipoláris és térvezérlésű tranzisztorokból felépített differenciálerősítő kapcsolási megoldásait, a munkapont-beállítás módját és a kisjelű vezérlés lehetőségeit! Magyarázza el, hogyan történik a váltakozó 14114u204o áramú jellemzők meghatározása helyettesítő kép alapján!
Differenciál erősítő:
A műveleti erősítők bemeneti fokozati az eredő áram- és feszültségdrift lehetőleg kis szinten tartására a bemeneten differenciál fokozatokat alkalmaznak. A differenciálerősítők két szimmetrikus erősítőfokozatból épülnek fel.

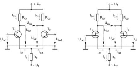
Bipoláris tranzisztorral Térvezérlésű tranzisztorral
A tranzisztorok bázisa (FET-nél a kapuelektródái) képezi a földhöz képest a szimmetrikus bemeneti pontokat. A szimmetrikus kimeneti feszültség (Ukis) a két kollektor (FET-nél a két drain-elektróda) között jelenik meg. A differenciálerősítő ideálisnak tekinthető, ha a két tranzisztor paraméterei és a megfelelő ellenállások tökéletesen egyformák, tehát felépítésében és tulajdonságaiban szimmetrikus a kapcsolás.
A valóságos differenciálerősítők esetén is a szimmetrikus felépítésre törekszünk, de a tökéletes szimmetria csak megközelítő. Azonos bemeneti feszültség beállítása nem eredményez azonos kollektoráramot. A nemkívánatos aszimmetria miatt nulla bemeneti jelnél is Ukis≠0. Ennek a kompenzálása ellentétes aszimmetria létesítésével lehetséges, amelyet nullázásnak, vagy ofszetkiegyenlítésnek nevezünk.

Differenciálerősítő nullázási lehetőségei
Differenciális vezérlés:
A két bázist, illetve vezérlőelektródákat a földhöz
képest különböző jelek vezérli. Tökéletes szimmetriát feltételezve, a két
tranzisztor áramainak változása is azonos nagyságú és fázisú, azonosan változik
tehát a két kollektor potenciálja is. Ezért szimmetrikus kimeneti jel nincs:
.

Differenciálerősítő vezérlése
Feltételezzük, hogy a differenciálerősítőt az Ube1
és Ube2 feszültségek vezérlik. A két bemeneti feszültséget mindig
felbonthatjuk egy Ubek közös módusú és egy Ubes szimmetrikus
(differenciális) feszültség-összetevőre:
,
. Ebből a szimmetrikus és a közös módusú bemeneti
feszültség:
,
.
A bemenetekre kapcsolt vezérlő jelek hatására a
kimeneteken keletkező feszültségek is két összetevőkre bonthatók. A tranzisztorok úgy működnek, mintha terheletlen emitter-kapcsolású fokozatok
lennének, amelyek erősítése:
, megegyezik a szimmetrikus (differenciális) erősítéssel.
Közös módusú vezérlés:
A
differenciálerősítő két párhuzamosan
kapcsolt, emitter-kapcsolású fokozatnak tekinthető. A kimeneten fellépő feszültségváltozás mindkét kollektoron azonos
fázisú:
.
A közös módusú feszültségerősítés:
.
A közös módusú feszültségerősítés ideális esetben 0. A valóságos differenciálerősítők esetén a kimeneti közös módusú feszültség nem marad tökéletesen állandó, hanem a bemeneti jel hatására változik. Ugyanakkor a közös módusú erősítés sem nulla. A valóságos differenciálerősítők minőségét a differenciális és közös módusú feszültségerősítések hányadosa fejezi ki, amelyet közös módusú feszültség-elnyomási tényezőnek (KME) neveznek.
|