Tranzisztor vezérlése sztatikus üzemmódban:
A munkapont beállításához meghatározott egyenfeszültséget kell vezetni a tranzisztor kimeneti és bemeneti kapcsaira. A kapcsokkal sorba kapcsolt ellenállások szablyák meg a bemeneti és kimeneti körben folyó egyenáram nagyságát. Ha el akarjuk kerülni a nagy amplitúdójú váltakozó á 12312x2323m ramú jelek torzulását, a munkapontot a jelleggörbe egyenes szakaszának közepére kell helyezni. Ilyenkor képes a tranzisztor a legnagyobb bemenőjelet lineárisan feldolgozni. Ez a beállítás biztosítja a legnagyobb kimenőjelet, tehát a legnagyobb kivezérelhetőséget is.

Elvi kapcsolás Jelleggörbék
Annak függvényében, hogy a tranzisztor munkapontja vezérlés nélküli állapotban a karakterisztika melyik szakaszán helyezkedik el, a következő beállításokat különböztetjük meg:
A osztályú beállítás: a munkapont a karakterisztika lineáris szakaszán van elhelyezve (MA) és vezérlés alatt a lineáris szakaszon mozog. A tranzisztor működése lineárisnak tekinthető.
B osztályú beállítás: a munkapont (MB) a jelleggörbe zárási pontjában van. A tranzisztor működése csak az egyik félperiódusban tekinthető lineárisnak.
AB osztályú beállítás: a munkapont (MAB) az A- és B osztályú beállításnak megfelel két munkapont között helyezkedik el. A tranzisztoron a fél periódusidőnél hosszabb ideig folyik áram vezérlés esetén.
C osztályú beállítás: a munkapont (MC) a jelleggörbe zárási szakaszán helyezkedik el. A tranzisztoron a fél periódusidőnél rövidebb ideig folyik áram vezérlés esetén.

A tranzisztor munkapont-beállítása
Teljesítmény-tranzisztor kivezérlésének korlátai:
Teljes kivezérlésnek nevezzük a tranzisztor telítődéséig és lezárásáig történő vezérlését.
A munkapont és a kivezérlés megválasztásának korlátai: ![]()
Legnagyobb veszteségi teljesítmény (PDmax vagy Ptot) hiperbolája (kollektor disszipációs hiperbola). Ez a környezeti hőmérséklettől és a hőelvezetéstől függ.
Legnagyobb kollektor-feszültség (UCEmax), amelyen túl már a letörés következik
Legnagyobb kollektoráram (ICmax), amely fölött megnő a torzítás
Telítési tartomány, amely kisebb feszültségeken a kivezérelhetőséget korlátozza
Lezárási tartomány, amely kis áramerősségek esetén határt szab a kivezérlésnek

A-osztályú teljesítményerősítő:
Az alacsony hatásfok miatt viszonylag kis jelteljesítmény előállítására alkalmazzák. Nagyon kis torzítása miatt, nagyobb teljesítményű fokozatok vezérlésére használják.
Ellenütemű teljesítményerősítő:
Két teljesítménytranzisztort két egyenlő nagyságú de fázisban 180°-kal eltérő feszültség vezérli. Ebben az esetben hol az egyik, hol a másik tranzisztor vezet, miközben a másik lezárt állapotban van. A vezérlésnek ellenütemben kell bekövetkeznie, így a terhelésen egy-egy tranzisztor váltakozó áramának a kétszerese jelenik meg. Az ilyen teljesítményfokozatok csak alacsony minőségi követelményeket képesek kielégíteni a transzformátoros csatolások miatt. Olyan helyeken alkalmazzák, ahol a rendelkezésre álló tápfeszültség túl kicsi (zsebrádiók).
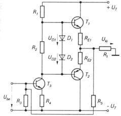
Komplementer teljesítményerősítő:
A megvalósításnál alkalmazott két tranzisztor ellentétes réteg-elrendezésű. Ebben az esetben nincs szükség a bemeneti fázisfordító transzformátorra, mivel a vezérlőjel pozitív félperiódusa az NPN, negatív félperiódusa a PNP tranzisztort nyitja ki és vezérli.
Működés:
Ha nincs vezérlőjel, mindkét tranzisztor lezár, ezért az áramkör nem vesz fel egyenáramú teljesítményt
A vezérlőjel pozitív félperiódusában T1 nyit (T2 lezár), a terhelésen a vezérlőjel nagyságától függő I1 áram folyik
A vezérlőjel negatív félperiódusában T2 nyit (T1 lezár), a terhelésen a vezérlőjel nagyságától függő I2 áram folyik
A teljesítménytranzisztorok munkapontját a D1 és D2 nyitóirányban polarizált diódák állítják be. A diódák kis értékű differenciális ellenállása váltakozó áramú szempontból gyakorlatilag rövidre zárja a két tranzisztor bázisát. Az áramkör stabilitását az R5 ellenállással megvalósított negatív visszacsatolás is növeli, ami hatékonyan csökkenti a fellépő torzításokat.
|