Компьютерные сети разделяются на лок 13313v2122n 1072;льные (в пределах здания или группы соседних зданий) и глобальные. В настоящее время в лок 13313v2122n 1072;льных сетях установилось практически полное господство технологии Ethernet с пропускной способностью 10,100 и 1000 Мбит/с, не за горами и скорость 10 Гбит/с. Из множества технологий и интерфейсов глобальных подключений здесь рассмотрим лишь интерфейс широко используется для подключения модемов. Других технологий - лок 13313v2122n 1072;льных ARCNet, Token Ring, l OOVG- Any LAN и беспроводных, а также глобальных касаться не будем. Как и Ethernet, они достаточно подробно описаны в литературе [3].
Технология Ethernet позволяет использовать различные среды передачи, для каждой из которой имеется стандартное название вида XBaseY, где X- скорость передачи, Мбит/с (10, 100, 1000...); Base - ключевое слово (обозначает немодулированную передачу); Y- условное обозначение среды передачи и дальности связи. Все современные версии Ethernet используют кабель «витая пара» или оптоволок 13313v2122n 1086;нный и звездообразную топологию. Центральным устройством звезды может быть повторитель (он же хаб, hub) или коммутатор (switch). Возможно и двухточечное соединение Есть и экзотический вариант пассивной оптической шины lOBaseFP. Иногда в сетях применяются конверторы среды передачи (media converter), преобразующие также применяют и конверторы одномодового оптоволок 13313v2122n 1085;а в многомодовое.
Для Ethernet со скоростью 10 Мбит/с существуют следующие стандарты.
♦ 10Base5 - сеть на толстом коаксиальном кабеле RG-8 (50 Ом) с шинной топологией, максимальная длина кабельного сегмента - 500 м. Для подключения сетевой адаптер должен иметь интерфейс AUI, подключаемый кабелем-спуском (4 экранированные витые пары) к трансиверу, установленному на кабеле. В настоящее время для новых сетей не применяется (дорого, громоздко, неэф
Глава 10. Интерфейсы компьютерных сетей
10Base2 - сеть на тонком коаксиальном кабеле RG-58 (50 Ом) с шинной топологией, максимальная длина кабельного сегмента - 185 м. Для подключения сетевой адаптер должен иметь интерфейсный разъем BNC (или AUI с трансивером). Это самый дешевый (по оборудованию) вариант сети; перспектив на развитие нет.
WBaseT- фейсный разъем RJ-45 (или АШ с трансивером). Это эффективный вариант тегории 5 и выше позволяет переходить на скорости 100 и даже 1000 Мбит/с
WBaseF и FOIRL - сеть на оптоволок 13313v2122n 1086;нном кабеле (пара волок 13313v2122n 1086;н). Для подключения адаптер должен иметь интерфейс AUI, на который устанавливается оптический трансивер. Используются дешевые многомодовые трансиверы (длина волны - 850 нм) с дальностью до 1 км. Для дальних дистанций (десятки км на одномодовом волок 13313v2122n 1085;е) используются одномодовые трансиверы (1310 нм), которые могут работать и с многомодовым волок 13313v2122n 1085;ом (до 2 км).
Для сетей Fast Ethernet со скоростью 100 Мбит/с существуют следующие стандарты.
100BaseTX - сеть на витой паре категории 5 и выше (2 пары проводов), длина луча - до 100 м. Сетевой адаптер подключается через разъем RJ-45. Это популярный и оптимальный (цена/производительность) вариант подключения уз скорость 1000 Мбит/с (с заменой карт и концентраторов).
100BaseT4 - сеть на витой паре категории 3 и выше (4 пары проводов), длина луча - до 100 м. Разъем RJ-45, вариант малораспространенный.
100BaseFX - сеть на оптоволок 13313v2122n 1086;нном кабеле (пара волок 13313v2122n 1086;н). Используются одномодовые трансиверы (1310 нм), которые могут работать и с многомодовым волок 13313v2122n 1085;ом (до 2 км). Дальность в полнодуплексном режиме - десятки км.
lOOBaseSX - сеть на оптоволок 13313v2122n 1086;нном кабеле с дешевыми многомодовыми трансиверами (850 нм), дальность - до 300 м. Совместима с lOBaseF, поддерживается автосогласование режима и скорости (10/100).
Для сетей Gigabit Ethernet со скоростью 1000 Мбит/с существуют следующие стандарты.
lOOOBaseCX - соединение активного оборудования коротким (до 25 м) кабелем STP или двухосевым кабелем.
lOOOBaseT - соединение витой парой категории 5 и выше (4 пары) на расстояние до 100 м. Разъемы RJ-45.
lOOOBaseSX - соединение по паре многомодовых волок 13313v2122n 1086;н, дальность - 200-500 м (в зависимости от параметров волок 13313v2122n 1085;а).
lOOOBaseLX - соединение по паре одномодовых волок 13313v2122n 1086;н, дальность - до 50 км (в зависимости от параметров трансиверов).
10.1. Стандарты и интерфейсы Ethernet_____ _______ ______ _________ 407
(в котором коллизий нет как таковых). Для 10-Мбитных сетей Ethernet должны
Для сетей Fast Ethernet ограничения жестче.
Число
повторителей
в домене
коллизий - не
более двух
класса II, не
более
одного
класса I.
В Gigabit Ethernet применяются только коммутаторы, так что действуют только ограничения на длину соединений.
Для оптических соединений применяемые разъемы разнообразны: ST, SC, MT-RJ и другие. Коаксиальные разъемы для «толстого» и «тонкого» кабелей различны (серии «N» и BNC соответственно). Отметим, что каждый сегмент коаксиала должен оканчиваться терминаторами 50 Ом и быть заземлен в одной точке. «Схемная земля» компьютера не имеет гальванической связи с экраном коаксиального разъема, так что следует избегать случайного касания BNC-разъемов с металли
Для витой пары применяются разъемы RJ-45 (рис. 10.1), назначение контактов разъема сетевого адаптера (порт MDI) приведено в табл. 10.1. Порты концентраторов lOBaseT, 100BaseTX и 100BaseT4 имеют тип MDIX, у них сигналы ТХ и RX поменяны местами. Для подключения конечных узлов к портам активного оборудования (соединение портов MDI-MDIX, рис. 10.2, а) используется «прямой» кабель (рис. 10.3, а), для непосредственного соединения адаптеров (MDI-MDI, рис. 10.2, 6) или соединения двух коммуникационных устройств (MDIX-MDIX) применяют «перекрестный» кабель (рис. 10.3, б). В коммуникационных устройствах, как правило, один из портов снабжают переключателем MDI-MDIX или
Разъем RJ-45 адаптера Ethernet
10BaseT/100BaseTX 100BaseT4 1000BaseTX
|
|
|
Tx_D1 + |
BlD1 + |
|
|
|
Tx_D1- |
BlD1- |
|
|
RX+ |
Rx_D2+ |
BlD2+ |
|
|
|
BI_D3+ |
B!_D3+ |
|
|
|
BI_D3- |
BI_D3- |
|
|
Rx- |
Rx_D2- |
BI_D2- |
|
|
|
BI_D4+ |
BI_D4+ |
|
|
|
BI_ D4- |
BI_ D4- |

. Разъем RJ-45: a - вилка, б - розетка

Сеть 10BaseT/100BaseTX: а -звезда, б-двухточечное соединение

б
Интерфейсные кабели Ethernet: а - «прямой», б - «перекрестный»
10.1. Стандарты и интерфейсы Ethernet_____ _______ ______ __________ 409
В лок 13313v2122n 1072;льных сетях обычно используется кабельная проводка, состоящая из стацио «прямыми», так и «перекрестными». Заметим, что связи контактов 4, 5, 7 и 8 требуются только в 100BaseT4 и lOOOBaseTX, но для lOBaseT и 100BaseTX они не
В Gigabit Ethernet lOOOBaseTX применяются только «прямые» кабели. Универсальные порты совместимы с Fast Ethernet (поддерживают автосогласование). Если два порта Gigabit Ethernet соединить «перекрестным» кабелем, они свяжутся в режиме 100BaseTX.
Для приведенных выше реализаций Ethernet на витой паре предусмотрен протокол согласования режимов (autonegotiation), который исполняется каждый раз при установлении соединения после физического подключения и (или) инициализа оритеты режимов в порядке убывания: ЮООВазеТ, 100BaseTX полнодуплексный, 100BaseT4,100BaseTX полудуплексный, lOBaseT полнодуплексный, lOBaseT полу ях портов (например, Fast Ethernet 10/100), поддержка режима 100BaseT4 встре
В стандарте Ethernet (10 Мбит/с) определен интерфейс AUI (Attachment Unit Interface - интерфейс устройства подключения), с помощью которого к адаптеру можно подключать трансивер (приемопередатчик) для любой среды передачи. коллизий. Назначение контактов интерфейса AUI приведено в табл. 10.2, здесь используется оазъем DB-15 (розетка на адаптере, вилка на трансивере).
Разъем AUI -интерфейса Ethernet Сигнал
|
|
Collision (экран) |
|
|
Collision + |
|
|
Transmit + |
|
|
Receive (экран) |
|
|
|
|
|
|
|
|
|
|
|
|
|
|
|
|
|
|
|
|
|
|
|
Receive + |
|
|
DC Power GND |
|
|
He подключен |
|
|
He подключен |
|
|
Collision - |
|
|
Transmit - |
|
|
Transmit (экран) |
|
|
Receive - |
|
|
DC Power (+12B) |
|
|
DC Power (экран) |
|
|
He подключен |
В
стандарте на Fast
Ethernet фигурирует
интерфейс МП
(Media Independent Interface - интерфейс,
независимый
от среды
передачи). В МП
данные для
приемника и
передатчика
передаются в
некодированном
виде по
4-битным
параллельным
шинам (с
частотой
синхронизации
2,5 и 25 МГц для скоростей
10 и 100 Мбит соответственно)
или в
последовательном
коде (для 10
Мбит/с). В
интерфейсе
име управления
SMI (см. п. 11.2), по
которому
можно
общаться с
управляющими
ре
Интерфейсы лок 13313v2122n 1072;льных сетей в ПК обеспечивают сетевые адаптеры, или сетевые интерфейсные карты (Network Interface Card, NIC). Адаптеры имеют передающую и принимающую части, которые в случае поддержки полного дуплекса должны быть независимы друг от друга. Задача передающей части: по получении со стороны центрального процессора (ЦП) блок 13313v2122n 1072; данных и адреса назначения для преамбулу, CRC-код), делая повторные попытки в случае обнаружения коллизий. и на «неразборчивый» режим (promiscuous mode), в котором он будет принимать ошибок (длина кадра, корректность CRC). О приеме корректных кадров уведомляется центральный процессор и организуется передача кадра из лок 13313v2122n 1072;льного буфе
Сетевые адаптеры для PC выпускаются для шин ISA, EISA, MCA, VLB, PCI, PC Card. Существуют адаптеры, подключаемые к стандартному LPT-порту PC; их преимущество - отсутствие потребностей в системных ресурсах (порты, прерывания и т. п.) и легкость подключения (без вскрытия компьютеров), недостаток - при обмене они значительно загружают процессор и не обеспечивают высокой скорости передачи («потолок» - 10 Мбит/с). Есть адаптеры и для шины USB. Сетевые
данных между лок 13313v2122n 1072;льной памятью адаптера и системной памятью компьютера, а также от возможности параллельного выполнения нескольких операций. В качестве «средств доставки» используются каналы прямого доступа к памяти (DMA), программный ввод-вывод (РЮ), прямое управление шиной. Стандартные 8-битные каналы прямого доступа шины ISA способны развивать скорость до 2 Мбайт/с, 16-битные - до 4 Мбайт/с. Кадр максимальной длины (1514 байт) они передают примерно за 1,3 или 2,6 мс соответственно. По сравнению с 12 мс, требуемыми для передачи кадра в среде Ethernet, это время относительно невелико. Однако для Fast Ethernet, где тот же кадр в среде передается за 1,2 мс, такая транспорти интеллектуальные адаптеры с прямым управлением шиной (bus mastering) ISA/ EISA, сочетающие относительно высокую скорость (до 8 Мбайт/с ISA 16 бит и до 33 Мбайт/с EISA). Однако для скорости 100 Мбит/с производительности шины ISA уже недостаточно. На сегодняшний день широко применяются адаптеры шины PCI, где для 32-разрядного интерфейса при частоте 33 МГц пропускная способность достигает 132 Мбайт/с. Но для технологии Gigabit Ethernet и этого только-только хватает, правда, у PCI есть резервы: переход на частоту 66 МГц и разрядность 64 бит, что позволяют далеко не все системные платы. Особенно эффективны активные адаптеры, имеющие собственный процессор, для шины PCI. Они выполняют передачи на полной скорости PCI, практически не загружая цен выполнение операций подразумевает поддержку полного дуплекса - полную На производительность адаптера для ISA/EISA влияет и объем буферной памяти: шины применяют буферную память объемом до 64 Кбайт, которую делят между чика. Для шины PCI при эффективных средствах доставки (интеллектуальное прямое управление шиной) для скорости 100 Мбит/с большой буфер не нужен -
Глава 10. Интерфейсы компьютерных сетей
достаточно по 2 Кбайт на приемник и передатчик. Однако адаптеры Gigabit Ethernet опять снабжают буфером значительного размера (256 Кбайт).
ит - они могут стать узким местом сети и «пожирателями» ресурсов ЦП.
широко применяются адаптеры, программно совместимые с картами NE2000 - 16-битными неинтеллектуальными картами для шины ISA разработки Novell-Eagle. Совместимость с этой моделью имеют и ряд карт для шины PCI. Наиболее удобны и популярны двухскоростные карты 10/100 Мбит/с - для их подключе колодку для установки Boot ROM, современные модели часто обеспечивают возможность «пробуждения» по сети (remote wake up), поддерживают интерфейс DMI и ACPI. Для этого они имеют специальный дополнительный 3-проводный интерфейс - кабель с коннектором, подключаемый к системной плате. По этому жение (линия +5VSB), даже когда основное питание на системную плату и все ма, которая настроена на прием кадра специфического формата (Magic Packet) no ние блок 13313v2122n 1072; питания; компьютер включается и загружается ОС с поддержкой DMI. Теперь администратор может выполнить все запланированные действия, а по
должны иметь высокопроизводительную шину - сейчас используют PCI32/64 бит 33/66 МГц, раньше в серверах часто применяли шину EISA или МСА. Для серверных карт критична загрузка ЦП при обмене данными, поэтому эти карты наделяют интеллектом для прямого управления шиной и па приоритизацию трафика по 802.1р, фильтрацию многоадресного трафика, поддержку ВЛС с маркированными кадрами (tagged VLAN), Fast IP, аппаратный подсчет контрольных сумм IP-пакетов. Поддержка ВЛС позволяет серверу, подключенному одной линией к коммутатору, быть членом нескольких ВЛС, определенных на всей лок 13313v2122n 1072;льной сети. Для повышения надежности серверные карты могут поддерживать резервирование линий (Resilient Link) - резервный адаптер и линия вающиеся» драйверы (Self-Healing Drivers) в случае обнаружения проблем функ-
413
SNMP и RMON. Для серверов выпускаются и многопортовые (как правило, на 4 порта) адаптеры, конфигурируемые как для раздельного независимого использования, так и для резервирования друг друга. Такие карты позволяют экономить слоты PCI (для шины EISA проблема экономии слотов не была острой). Типовая скорость для серверных карт на сегодняшний день - 100 Мбит/с, производительность Gigabit Ethernet может быть востребована лишь очень мощными серверами.
BNC - коаксиальный разъем для подключения к сегменту сети 10Base2;
AUI -
розетка DB-15 для
подключения
внешних
адаптеров
(трансиверов)
lOBaseS, 10Base2, lOBaseT, lOBaseF, FOIRL;
RJ-45 - 8-контактное гнездо для подключения кабелем «витая пара» к концентратору (хабу или коммутатору) lOBaseT, 100BaseTX и/или 100BaseT4;
SC (пара), иногда ST - оптические разъемы для подключения к концентраторам 100BaseFX, lOOOBaseSX, lOOOBaseLX.
Для 10-мегабитных адаптеров характерны сочетания BNC+AUI или RJ-45+AUI, наиболее универсальные «Combo» имеют полный 10-мегабитный набор BNC/AUI/ RJ 45. Первые модели карт на 10 и 100 Мбит/с имели пару разъемов RJ-45 - каждый для своей скорости. При наличии нескольких разных разъемов (например, BNC и RJ-45) одновременно они не используются - адаптер не может работать в качестве повторителя. Большинство современных адаптеров имеют один разъем RJ-45 и поддерживают два стандарта - lOBaseT и 100BaseTX. Многопортовые серверные карты имеют несколько независимых адаптеров, каждый со своим интерфейсом.
- как
правило, 4-32
смежных
адреса из
области, адресуемой
10-битным (для
шины ISA) или
16-битным (EISA, PCI)
адресом.
Используется
для
обращения к
регистрам адаптера
при
инициализации,
теку
щем
управлении,
опросе
состояния и
передаче
данных.
- одна линия (IRQ3,5,7,9,10,11,12 или 15), возбуждаемая по приему кадра, адресованного данному узлу, а также по окончании передачи кадра
(DMA)
используется
в некоторых
картах
ISA/EISA; для
прямого
управления (bus mastering)
шины ISA
пригодны
только
16-битные
каналы 5-7.
(adapter RAM) адаптера - буфер для передаваемых и принимаемых кадров - для карт ISA обычно приписывается к области верхней памяти (UMA), лежащей в диапазоне AOOOOh-FFFFFh. Карты PCI могут располагаться в любом месте адресного пространства, не занятого оперативной
Глава 10. Интерфейсы компьютерных сетей
Постоянная
память (adapter ROM) -
область
адресов для
модулей
расшире
ния ROM BIOS, 4/8/16/32 Кбайт
в диапазоне COOOO-DFFFFh.
Используется
для
установки
ПЗУ
удаленной
загрузки (Boot ROM) и
антивирусной
защиты.
системных ресурсов PC и выбор среды передачи. Конфигурирование, в зависимости от модели карты, может осуществляться разными способами.
ется на адаптерах первых поколений шины ISA. Для выбора каждого ресурса, а также среды передачи имеется свой блок джамперов.
С
помощью
энергонезависимой
памяти конфигурации
(NVRAM, EEPROM),
установленной
на карте с
шиной ISA. Эти
карты не
имеют
джамперов (jumperless),
но
конфигурируются
вручную. Для
конфигурирования
требуется
специальная
шиной EISA или МСА, и системной памяти конфигурирования устройств (ESCD для EISA). Конфигурирование ресурсов осуществляется пользователем с помощью системной утилиты ECU (EISA Configuration Utility) для шины EISA.
Автоматическое - PnP для шин ISA и PCI. Распределение ресурсов осуществляется на этапе загрузки ОС.
тическим. В ряде случаев имеет смысл делать явные назначения, чтобы избегать сюPnPизов излишней автоматизации. Эти сюPnPизы, как правило, порождаются корректно. Для некоторых моделей карт с интерфейсом 10Base2 (BNC-разъем) предлагается расширенный режим, увеличивающий дальность связи до 305 м против штатных 185. При необходимости длинных сегментов этим режимом можно воспользоваться, но при условии, что он имеется и включен во всех картах данно настройки - оптимизация для клиента или сервера, поддержка модема и некото
(dial-up lines) являются наиболее распространенным внешним интерфейсом телефонной сети, к которому компьютер подключается с помо
415
пользуются 4-контактные разъемы, изображенные на рис. 10.4, а. Для некоторых Сейчас их вытесняют соединители международного стандарта RJ-11 - 6-позици- только средняя пара (рис. 10.4, б).

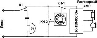
Упрощенная схема стандартной нагрузки линии - телефонного аппарата - приведена на рис. 10.5. В состоянии покоя (idle) аппаратура АТС посылает в линию напряжение постоянного тока 60 В через ограничительные резисторы с суммарным сопротивлением 700-1500 Ом и следит за током в линии. При опущенной трубке (on-hook) KT переключается и подключает через конденсатор вызывное устройство (Зв), при этом телефон не нагружает линию по постоянному току. Для вызова абонента АТС посылает серию импульсов амплитудой около 120 В с частотой 25 Гц. Эти импульсы через конденсатор проходят в обмотку звонка и вызывают колебания молоточка. При снятой трубке (off-hook) к линии подключается янному току - около 150-600 Ом. Разговорный узел содержит микрофон, телефон снятии трубки станция посылает непрерывный тональный сигнал ответа (425 Гц)
сотен милливольт. Отбой (вешание трубки, on-hook) сигнализируется разрывом номера (pulse dialing). При наборе номера (трубка снята) разговорный узел отклю раемой цифры, 0-10 разрывов). После окончания набора цифры контакты КН-1 снова подключают разговорный узел. Длительность (60 мс) и частота (10±1 имп/с) нализирует короткими гудками «занято» (busy) - тональный сигнал 425 Гц, длительность посылки и паузы 0,35 с или длинными гудками (1с посылка, 3 с пауза), зана на рис. 10.6.


При тональном наборе (tone dialing) каждая цифра кодируется парой из восьми тональных частот звукового диапазона, передаваемых телефоном в линию. Допустимы 16 комбинаций, которые позволяют кодировать 10 цифр и дополнитель-
Для блок 13313v2122n 1080;рованных (спаренных) телефонов одна двухпроводная линия от АТС линий используется пассивное устройство-блок 13313v2122n 1080;ратор - два однополупериодных выпрямителя сигнала с линии от АТС. Здесь АТС задействует положительную полярность сигнала для работы с абонентом 1 и отрицательную - для работы с абонентом 2. Когда приходит внешний вызов, его сигнал станция посылает в по нята/опущена трубка) АТС чередует полярность опрашивающего напряжения частоте (с модуляцией). Блок 13313v2122n 1080;рование (спаривание) телефонов позволяет эко мя его разговора, так и во время разговора соседа. Сблок 13313v2122n 1080;рованные линии «не
узла включает цепь, на которой падает напряжение около 24 В, и через 250-275 мс 500 Гц и длительность 100 мс. В ответ на этот сигнал АТС передает несколько раз жается 40 мс и содержит две из шести возможных тональных частот (700,900,1100, 1300, 1500 и 1700 Гц). Таким образом кодируются цифры 0-9 и служебные сим
нента (Caller Id), предоставляемая только цифровыми станциями. Она работает

может достигать 200 В) аппараты могут выходить из строя. Защита линии от пе «стабилизатора вызывного напряжения» (рис. 10.8), с помощью которой автор
419
АТС. Любопытным оказался факт, что ограничитель напряжения был спрятан в кабеле, прилагавшемся^ модему (с виду - обычный шнур с вилками RJ-11). Схема не претендует на оптимальность решения, но работает.

|