Про величину твердо 818j92i 89;ті судять за отриманою деформацією. Залежно від методу випробування, властивостей наконечника і випробуваного матеріалу твердість може оцінюватися різними критеріями.
В різних методах і при різних умовах проведення випробування числа твердо 818j92i 89;ті можуть характеризувати пружні властивості, опір малій або великій пластичній деформації, опір матеріалу руйнуванню.
Випробування на твердість широко застосовується в промисловій і лабораторній практиці. Це пояснюється простотою і високою продуктивністю, відсутністю руйнування зразка, можливістю оцінки властивостей окремих структурних складових і тонких шарів на малій площі, легко встановлюваним зв'язком результатів визначення твердо 818j92i 89;ті з даними інших випробувань. При вимірі твердо 818j92i 89;ті в поверхневому шарі зразка під індентором виникає складний напружений стан, близький до об'ємного стиску. Тут можливі одержання «пластичних» станів і оцінка твердо 818j92i 89;ті практично будь-яких, у тому числі і досить крихких металевих матеріалів.
Існуючі методи виміру твердо 818j92i 89;ті значно відрізняються один від одного за формою застосовуваного індентора, умовами додатка навантаження і способу розрахунку чисел твердо 818j92i 89;ті. Вибір методу визначення твердо 818j92i 89;ті залежить від різних факторів: твердо 818j92i 89;ті матеріалу зразка (деталі), його розмірів, товщини шарів, твердість яких треба виміряти і ін.
Способи визначення твердо 818j92i 89;ті розподіляються на статичні і динамічні на методи втискування і дряпання. Найбільш поширені методи визначення твердо 818j92i 89;ті, в яких використовується статичне втискування індентора нормально поверхні зразка.
метод Брінелля, що використовує твердо 818j92i 84;іри типу ТШ;
метод Віккерса, що використовує твердо 818j92i 84;іри типу ТП;
метод Роквелла, що використовує твердо 818j92i 84;іри типу ТК.
В результаті втискування з досить великим навантаженням поверхневі шари металу, що перебувають під наконечником і поблизу його, пластично деформуються. Після зняття навантаження на зразку (деталі) залишається відбиток. Особливість цієї деформації в тому, що вона протікає тільки в невеликому обсязі, оточеному недеформованим металом. При вимірюванні твердо 818j92i 89;ті втискуванням пластичній деформації піддаються не тільки пластичні метали, але і малопластичні.
¢
Значення твердо 818j92i 89;ті так само, як і інші механічні властивості залежать від хімічного складу і структури матеріалу, тому вимірювання твердо 818j92i 89;ті широко застосовуються в промисловості для оцінки властивостей деталей і якості термічної обробки.
¢язку з тим, що вимір твердо 818j92i 89;ті не руйнує деталі, то ці вимірювання використовуються звичайно як спосіб безперервного контролю, у той час як визначення характеристик міцності і пластичності проводять як вибірковий контроль.
Розрізняють два способи визначення твердо 818j92i 89;ті втискуванням: вимір твердо 818j92i 89;ті (макротвердо 818j92i 89;ті) і вимір мікротвердо 818j92i 89;ті.
При вимірі макротвердо
818j92i 89;ті у випробуваний матеріал втискується тіло, що проникає на порівняно велику глибину, яка залежить від величини прикладеного навантаження. Крім того, при деяких видах випробувань втискується тіло значних розмірів (наприклад, сталева кулька діаметром до
При вимірі мікротвердо 818j92i 89;ті визначається твердість окремих зерен, фаз і структурних складових сплаву, а не «усереднена» твердість, тому прикладене навантаження повинно бути невеликим.
Навантаження повинно додаватися по осі перпендикулярно до випробуваної поверхні. Для дотримання цієї умови площина випробуваної поверхні зразка повинна бути паралельна опорній поверхні. Неплоскі зразки закріплюють на спеціальних опорних столиках, що входять до комплекта твердо 818j92i 84;ірів.
d = b tn (6.1)
t
b, n
t t
При визначенні твердо 818j92i 89;ті всіма методами (крім мікротвердо 818j92i 89;ті) вимірюють сумарний опір металу впровадженню в нього індентора, і отримують середню твердість всіх наявних структурних складових. Тому відбиток, що залишається після зняття навантаження, повинен бути за розмірами значно більше розмірів зерен окремих структурних складових (діаметр або довжина діагоналі відбитків при вимірюванні твердо 818j92i 89;ті змінюється від 0,1
При вимірюванні твердо 818j92i 89;ті за Брінеллем сталеву кульку діаметром D втискують у зразок під навантаженням P протягом певного часу і після зняття навантаження вимірюють діаметр d відбитка, що залишився на поверхні (рис. 6.1).
В поверхневому шарі під індентором іде інтенсивна пластична деформація (рис. 6.1), а діаметр відбитка виходить тим менше, чим вище опір матеріалу зразка деформації. Число твердо 818j92i 89;ті за Брінеллем (НВ) є відношення навантаження Р, що діє на індентор діаметром D, до площі S відбитка:
HB =
(6.2)
Рис. 6.1. Схема напруженого стану в зоні пластичної деформації (заштрихована) при визначенні твердо 818j92i 89;ті за Брінеллем
втискування індентора h:
S p D h (6.3)
Число твердо 818j92i 89;ті позначається НВ, а розмірність (кгс/мм2) або МПа у відповідності зі стандартом не пишеться.
При визначенні твердо
818j92i 89;ті за Брінеллем використовують індентори одного із трьох діаметрів – 2,5, 5 і
(6.4)
Вимірювання діаметра відбитка проводять або на інструментальних мікроскопах, або за допомогою лупи. Величина d звичайно досить велика (кілько мм) у порівнянні з розміром відбитка при інших методах визначення твердо 818j92i 89;ті. Це дозволяє одержувати достовірні середні значення НВ за 3-5 відбитками. Відстань від центра відбитка до краю зразка повинна бути не менш 2,5d , а відстань між центрами двох сусідніх відбитків не менш 4d (для металів НВ<35 відповідно 3d і 6d).
Для одержання однакових значень НВ того самого зразка при використанні кульок різного діаметра необхідна сталість відносин Р/D2 і d/D. Це умова геометричної подоби відбитків при використанні кульового індентора. Однак на практиці такої сталості домогтися неможливо. Відношення d/D підтримують у межах 0,2 – 0,6. Для одержання відбитка оптимальних розмірів необхідно правильно підібрати співвідношення між навантаженням і діаметром кульки. Залежно від твердо 818j92i 89;ті матеріалу величина Р/D2 повинна дорівнюватися 30 (при НВ>130), 10 (НВ 35–130) або 2,5 (НВ<35). Час видержки зразка під навантаженням для сталей 30 с (при Р/D2 =10 і 30) або 60 с (при Р/D2 = 2,5). Знаючи задані при випробуванні Р и D, вимірявши d, знаходять число твердо 818j92i 89;ті НВ за стандартними таблицями.
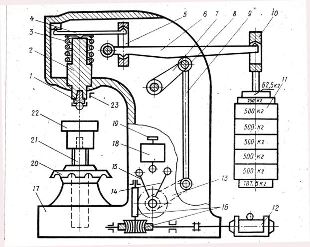
Для вимірювання твердо 818j92i 89;ті металів і сплавів за Брінеллем застосовують спеціальні прилади твердо 818j92i 84;іри.
|
|
Рис. 6.2. Схема приладу ТШ-2 для визначення твердо 818j92i 89;ті за Брінеллем
![]()
![]()
![]()
![]()
![]()
![]()
![]()
![]()
![]()
витримки зразка або деталі під навантаженням регулюється за допомогою кінцевих перемикачів, встановлених на осі редуктора. Коли шатун доходить до кінцевого перемикача, він спрацьовує і електродвигун починає обертатися у зворотній бік, знімаючи навантаження зі зразка. По закінченню випробування опускають столик, знімають зразок, вимірюють діаметр відбитка і визначають число твердо
818j92i 89;ті. Діаметр відбитка вимірюють спеціальним мікроскопом, на окулярі якого нанесена шкала з поділками (рис. 6.3).

а б
У цей час промисловістю випускаються стаціонарні і переносні прилади для виміру твердо 818j92i 89;ті за Брінеллем.
Одержання постійної і однакової залежності між величиною навантаження і діаметром відбитка, необхідне для точного вимірювання твердо 818j92i 89;ті, може бути досягнуто тільки при дотриманні певних умов:
– при втискуванні кульки на різну глибину, тобто з різним навантаженням для одного і того ж самого матеріалу, не дотримується закон подоби між одержуваними діаметрами відбитка, тому вимірювання твердо 818j92i 89;ті роблять при постійному співвідношенні між величиною навантаження Р і квадратом діаметра кульки D2. Це співвідношення різне для металів різної твердо 818j92i 89;ті;
в процесі втискування поряд із пластичною деформацією вимірюваного матеріалу спостерігається також пружна деформація кульки, яка втискується, це перекручує результати виміру і тим більше, чим твердіше випробуваний матеріал. Крім того, при твердо 818j92i 89;ті по НВ>450 відбувається пластична деформація кульки. Тому метод Брінелля застосовують для випробування матеріалів невеликої і середньої твердо 818j92i 89;ті (не більше НВ 450);
3. Які Ви знаєте способи проведення випробування твердо 818j92i 89;ті?
4. Від чого залежить вибір методу визначення твердо 818j92i 89;ті?
навантаження?
7. Як проходить вимір твердо 818j92i 89;ті за Брінеллем?
8. Які індентори застосовують при визначенні твердо 818j92i 89;ті за Брінеллем?
9. Якої твердо 818j92i 89;ті матеріали випробовують методом Брінелля?
При вимірюванні твердо 818j92i 89;ті за Віккерсом в поверхню зразка втискують алмазний індентор у формі чотирьохгранної піраміди з кутом при вершині 136°. Після усунення навантаження Р, що діяло певний час (10-15 c для чорних або 30 с для кольорових металів), вимірюють діагональ відбитка d, що залишився на поверхні зразка. Число твердо 818j92i 89;ті за Віккерсом НV визначають діленням навантаження в кілограмах на площу бокової поверхні отриманого пірамідального відбитка:
(6.5)
Таким чином, в результаті випробування вимірюють тільки діагональ d отриманого відбитка. Знаючи навантаження P, можна знайти число твердо 818j92i 89;ті за спеціальними таблицями, які складені з використанням рівняння (6.4).
Залежно від твердо 818j92i 89;ті випробовуваних зразків застосовують навантаження 5, 10, 20, 30, 50 і 100 кгс.
втискування індентора обумовлюють необхідність більш ретельної підготовки поверхні, чим у випадку вимірювання твердо 818j92i 89;ті за Брінеллем. Зразки для вимірювання твердо 818j92i 89;ті НV повинні бути, як правило, відполіровані і їхня поверхня повинна бути вільна від наклепу.
Мінімальна товщина випробуваного зразка повинна перевищувати діагональ відбитка в 1,2 (для сталей) або в 1,5 рази (для кольорових металів і сплавів). Відстань між центром відбитка і краєм зразка або краєм сусіднього відбитка приймають не менш, чим 2,5d. Звичайно d<
Випробування проводяться на стаціонарних твердо 818j92i 84;ірах (приладах Віккерса) типу ТП (рис. 6.4, а).
Вимір твердо 818j92i 89;ті за Віккерсом роблять таким чином. Підготовлений зразок установлюють на підставку (столик) 3 шліфованою або полірованою поверхнею догори. Поворотом маховика гайкою 4 по годинній стрілці столик приладу піднімають майже до зіткнення зразка з алмазною пірамідою, закріпленою в оправці 2.
|
|
Рис. 6.4. Випробування твердо 818j92i 89;ті за Віккерсом: а стаціонарний твердо 818j92i 84;ір типу ТП; б
через важіль передає тиск вантажів 7 на алмазну піраміду і знімає навантаження при розвантаженні. Механізм, що навантажує, поступово повертається у вихідне положення. Залишкове зняття навантаження визначається за допомогою звукового сигналу. Потім столик приладу опускають і підводять мікроскоп 1, встановлений на штанзі і прикріплений до станини, і заміряють довжину діагоналі відбитка оптичним мікрометром. На окулярі мікроскопа є дві шторки: рухома і нерухома, з якою сполучається лівий кут відбитка. Мікрометричним гвинтом переміщують рухому шторку до зіткнення із правим кутом відбитка. Переміщення рухомої шторки викликає обертання цифрової стрічки покажчика. Цифра, що відповідає положенню рухомої шторки, коли вона стикається з кутом відбитка, і буде величиною довжини відбитка (рис. 6.4, в).
Величину навантаження вибирають залежно від розмірів деталі і твердо 818j92i 89;ті матеріалів. Чим більше вибирається навантаження, тим глибше проникає індентор в матеріал. Тому чим тонше матеріал, тим менше повинно бути навантаження.
Фізичний сенс числа твердо 818j92i 89;ті за Віккерсом HV аналогічний числу твердо 818j92i 89;ті за Брінеллем НВ. Величина НV теж є усередненим умовним напруженням в зоні контакту індентор
Числа НV і НВ близькі за абсолютною величиною. Це обумовлено відповідністю кута при вершині піраміди куту між дотичними до кульки для випадку «ідеального» відбитка з d=0,375 D НV тільки до НV 400-450. Вище цих значень метод Брінелля дає перекручені результати через залишкову деформацію сталевої кульки. Алмазна ж піраміда в методі Віккерса дозволяє визначати твердість практично будь-яких металевих матеріалів. Ще більш важлива перевага цього методу геометрична подоба відбитків при будь-яких навантаженнях. У результаті можливо точне кількісне зіставлення чисел твердо 818j92i 89;ті НV будь-яких матеріалів, що випробовуються при різних навантаженнях.
1. Як проводиться вимірювання твердо 818j92i 89;ті за Віккерсом?
2. Як визначають число твердо 818j92i 89;ті за Віккерсом?
3. Який індентор використовується при визначенні твердо 818j92i 89;ті за Віккерсом?
4. Яка форма відбитка при вимірюванні твердо 818j92i 89;ті за Віккерсом?
Брінелля?
При визначенні твердо 818j92i 89;ті за Брінеллем і Віккерсом потрібно виміряти величину відбитка, який отримують в процесі індентування і зареєструвати прикладенє навантаження. Одержані дані дозволяють розрахувати величину твердо 818j92i 89;ті. Операцію обчислення можна прискорити за допомогою таблиць і інших допоміжних засобів, однак випробування в цілому залишаються досить трудомістким процесом.
При визначенні твердо 818j92i 89;ті за Роквеллом індентор втискується у матеріал, що досліджується, і глибина втискування l служить мірою твердо 818j92i 89;ті. Визначення параметра твердо 818j92i 89;ті зводиться, таким чином, до визначення глибини втискування, тому саме випробування проводиться значно швидше і весь процес заміру твердо 818j92i 89;ті може бути автоматизований без більших витрат. Саме цим пояснюється те, що метод визначення твердо 818j92i 89;ті за Роквеллом найбільш часто використовується на практиці.
Але якщо розглядати глибину втискування як безпосередню характеристику твердо 818j92i 89;ті, то виходить, що м'які матеріали завдяки великій глибині втискування повинні мати високу твердість, а тверді матеріали відповідно низьку твердість. Але методи Брінелля і Віккерса використовують зворотню оцінку твердо 818j92i 89;ті: тверді матеріали характеризуються високим, а м'які матеріали низькими значеннями твердо 818j92i 89;ті. Для усунення цього формального протиріччя був застосований простий математичний метод, що полягає у виборі постійної величини tmax, названою максимальною величиною втискування, і шляхом віднімання з цього значення експериментальних глибин втискування tb
HR = tmax – tb
одержують величини твердо 818j92i 89;ті за Роквеллом HR, для яких більшим глибинам втискування відповідають менші числа твердо 818j92i 89;ті HR.
s
Принцип визначення твердо 818j92i 89;ті за Роквеллом показаний на рис. 6.5.

Рис. 6.5. Визначення твердо 818j92i 89;ті за Роквеллом
Спочатку індентор втискується в поверхню зразка при попередньому навантаженні Fо=10 кгс, що не знімається до кінця випробування. Під навантаженням Fо індентор заглиблюється в матеріал на глибину tо. Потім на зразок подається основне навантаження F1 протягом 2–8 с і индентор втискується в матеріал на загальну глибину t1. Тривалість процесу втискування при сумарному навантаженні F0+F1 у загальному випадку становить:
Після закінчення часу втискування основне навантаження F1 знімають (на індентор діє тільки попереднє навантаження F0), вимірюють отриману глибину втискування tb і розраховують твердість за Роквеллом. При використанні індентора у вигляді алмазного конуса твердість за Роквеллом визначають за двома «шкалами»
: F0 =10 кгс, F1=50 кгс;
: F0 =10 кгс, F1=140 кгс.
Число твердо 818j92i 89;ті визначається формулою:
HRC або HRA =
(6.7)
При використанні індентора у вигляді сталевої кульки число твердо 818j92i 89;ті визначається за шкалою В: F0 =10 кгс, F1=90 кгс.
Число твердо 818j92i 89;ті визначається формулою:
HRВ =
(6.8)
Більшість цифрових шкал стрілочних індикаторів, що використовуються для визначення залишкової глибини втискування, розраховано на безпосереднє зчитування величин твердо 818j92i 89;ті, так що відпадає необхідність проведення арифметичних розрахунків. При нанесенні поля допусків на цифрову шкалу можна зробити швидке сортування матеріалів, які досліджуються, а при з'єднанні з електронними приладами, що здійснюють таке сортування, процес випробувань може бути легко автоматизований.
При визначенні твердо
818j92i 89;ті за Роквеллом відстань між центрами двох сусідніх відбитків повинна бути не менш
плавно піднімають гвинт до тих пір, поки індентор не виявиться втисненим у зразок попереднім навантаженням Рп=10 кгс. Цей момент буде досягнутий, коли маленька стрілка на допоміжному лімбі індикатора співпаде із червоною точкою на шкалі. Потім, якщо індентором є алмазний конус (за шкалою А або С), необхідно повернути обід індикатора, щоб нуль чорної шкали сумістився з великою стрілкою. Якщо випробування проводять за шкалою В (індентор і читають число твердо 818j92i 89;ті з точністю до половини поділки шкали. На кожному зразку твердість вимірюють не менш, чим в 3-5 точках і підраховують середнє значення.
|
а |
б |
Рис. 6.6. Стаціонарний (а) і переносний прилад для визначення твердо 818j92i 89;ті (б)
Для визначення твердо 818j92i 89;ті тонких зразків або шарів використовують спеціальний прилад Супер-Роквелл. Він відрізняється від звичайних твердо 818j92i 84;ірів типу ТК меншою величиною прикладеного навантаження і більш точним індикатором.
втискування
1. Що служить мірою твердо 818j92i 89;ті в методі Роквелла?
2. Який принцип визначення твердо 818j92i 89;ті за Роквеллом?
Існуючі методи вимірювання твердо 818j92i 89;ті значно відрізняються один від одного за формою індентора, умовами додатку навантаження і способом розрахунку чисел твердо 818j92i 89;ті. Різноманіття способів визначення твердо 818j92i 89;ті і регламентованих умов випробувань привели до того, що результати, які одержуються різними способами і при різних навантаженнях, неможливо зіставляти. Тому зараз розробляються нові методи визначення твердо 818j92i 89;ті, які були б більш точними і універсальними.
В Євросоюзі широке поширення останнім часом одержав метод визначення універсальної твердо 818j92i 89;ті, заснований на втискуванні в матеріал індентора у вигляді піраміди Берковича або Віккерса.
Для проведення випробувань використовують стандартне промислове обладннаня. Значення універсальної1) твердо 818j92i 89;ті згідно стандарту Євросоюзу розраховується за формулою (6.9):
(6.9)
F
– площа
бічної
поверхні
втиснутої
частини
індентора,
згідно ISO
Подальший розвиток методу визначення універсальної твердо 818j92i 89;ті запропоновано співробітниками Харківського національного автомобільно-дорожнього університету. Запропонований метод дозволяє при випробуваннях використовувати різні види інденторів і для кожного з них представленні рівняння для визначення величини твердо 818j92i 89;ті. Вид індентора і навантаження при випробуваннях рекомендується вибирати на підставі аналізу характеру напруженого стану і величини напружень, які присутні в матеріалі при його експлуатації. Випробування можна проводити як на стандарному обладнанні, так і на спеціальному, конструкція якого визначається особливостями об'єктів, що досліджуються. Так, автори розробили універсальний твердо 818j92i 84;ір на базі модифікованого твердо 818j92i 84;іра типу ТК і гідравлічної станції фірми «Фесто». Зовнішній вигляд універсального твердо 818j92i 84;іра наведений на рис. 6.7.
|
|
Рис. 6.7. Зовнішній вигляд універсального твердо 818j92i 84;іра: 1 універсальний твердо 818j92i 84;ір; 4
Конструкція даного твердо 818j92i 84;іра дозволяє використовувати при випробуваннях різні види інденторів, плавно навантажувати матеріал в межах від 0 до 2500 Н і безупинно реєструвати результати випробування на комп'ютері.
При визначенні універсальної твердо 818j92i 89;ті традиційно будують діаграму індентування, характерний вид якої наведений на рис. 6.8.
|
|
1
F навантаження, Н; h
(6.11)
(6.12)
F
h
(6.13)
де Scф.к
S
F

Рис. 6.9. Схема вимірювання твердо 818j92i 89;ті пірамідою: F сила опору упровадженню індентора, Н; h
(6.14)
де F
h
Абсолютні значення універсальної твердо 818j92i 89;ті в значній мірі залежать від навантаження. Це викликано особливостями залежності зміни твердо 818j92i 89;ті від величини навантаження для різної форми інденторів. Так, при використанні кульки, твердість залежно від навантаження спочатку зростає, потім стабілізується і монотонно зменшується. При індентуванні пірамідою твердість зменшується зі збільшенням навантаження. Щоб зменшити залежності характеру зміни твердо 818j92i 89;ті від величини навантаження для різних інденторів, а також забезпечити більш високу точність і стабільність вимірів, рекомендується застосовувати метод визначення істинної твердо 818j92i 89;ті. Сутність методу полягає в тому, що абсолютні значення твердо 818j92i 89;ті розраховують за відношенням сили опору втискуванню індентора в деталь до об
Випробування проводять як на стандартних заводських твердо 818j92i 84;ірах, так і спеціально створених універсальних твердо 818j92i 84;ірах.
При використанні кульки за схемою, представленої на рис. 6.10, істинну твердість матеріалів пропонується визначати за формулою (6.15)
|
|
Рис. 6.10. Схема виміру твердо 818j92i 89;ті кулькою: F D діаметр кульки, мм; d діаметр відбитка, мм; h
HB
, Н/мм3 (6.15)
де F
– коефіцієнт форми індентора;
h
r – радіус кульки, мм
При використанні конуса необхідно враховувати, що форма індентора відрізняється від «класичної» форми конуса тим, що має скруглену вершину з радіусом
|
|
Рис. 6.11. Схема виміру твердо 818j92i 89;ті конусом: F сила опору втискуванню індентора, Н; h=hзк+h1 глибина втискування конуса, мм; hзк висота зрізаної частини конуса, мм; h1 глибина втискування сферичної частини конуса, мм; r2 конуса, мм; r1 конуса, мм; Vсф сферичної частини конуса, мм3; Vзк
V = Vсф +
Vзк =
, (6.16)
де V
V
V
r
r
hзк – висота зрізаної частини конуса, мм;
h – глибина втискування конуса, мм.
Звідси, Н/мм3
HR =
, (6.17)
де F
– коефіцієнт форми індентора;
h
Схема виміру твердо 818j92i 89;ті пірамідою представлена на рис. 6.12, а істинну твердість даного способу виміру твердо 818j92i 89;ті пропонується розраховувати за формулою (6.17), Н/мм3
|
|
Рис. 6.12. Схема виміру твердо 818j92i 89;ті пірамідою: F сила опору втискуванню індентора, Н; d іагональ відбитка, мм; h
, (6.18)
де V
h – глибина втискування піраміди, мм;
– коефіцієнт форми індентора.
Для оцінки твердо 818j92i 89;ті матеріалів запропонований індентор спеціальної геометричної форми, яким можна користуватися і для втискування в поверхню, і для визначення твердо 818j92i 89;ті способом нанесення подряпини. Зовнішній вигляд такого індентора представлений на рис. 6.13, а
|
|
V
V=
= 1,077h3, мм3 (6.19)
V
α
h
ε
,
F
–
коефіцієнт
форми
індентора;
h
Який характер залежності твердо 818j92i 89;ті за Брінеллю і Роквеллом від навантаження індентування?
Який індентор запропонований для визначення істинної твердо 818j92i 89;ті?
Останнім часом актуальною проблемою є визначення твердо 818j92i 89;ті надтонких поверхневих шарів металів або покриттів, які наносяться на матеріали. Це завдання вирішується з використанням методу виміру нанотвердо 818j92i 89;ті.
Схема виміру універсальної і істинної нанотвердо 818j92i 89;ті наведена на рис. 6.14.
|
|
Рис. 6.14. Схема виміру універсальної і істинної нанотвердо 818j92i 89;ті пірамідою Берковича: F сила опору втискуванню індентора, Н; h глибина втискування індентора, мм; V втиснутої частини індентора, нм3; S
=
мН/нм2 (6.21)
F сила опору втискуванню індентора, mН;
h
Sбок
=
мН/нм3 (6.22)
де F сила опору втискуванню індентора, mН;
h
V
Поряд з методами вимірювання твердо 818j92i 89;ті при статичному навантаженні добре зарекомендували себе такі методи, в яких індентор впливає на поверхню, падаючи з певної висоти, і під дією ударного навантаження. При цьому твердість можна визначити або за висотою відскоку індентора, або за розміром відбитка. На цій основі розрізняється пружно-динамічний метод (визначення твердо 818j92i 89;ті методом пружного відскоку) і пластично-динамічний метод (визначення твердо 818j92i 89;ті методом удару).
Прилади
для
визначення
твердо
818j92i 89;ті
методом удару
зручні, вони
мають малий
розмір, легко
транспортуються,
що дозволяє
доставляти
їх до
випробовуваного
об'єкта і
проводити випробування
в
найрізноманітніших
умовах, а
також
випробовувати
великі
заготовки і
напівфабрикати,
не вирізуючи
спеціальних
зразків або
Метод пружної віддачі при ударному втискуванні (метод Шора) заснований на вимірюванні висоти відскоку стандартного бойка від поверхні при вільному падінні з постійної висоти. Бойок виготовлений зі сталі, має певну вагу і алмаз на кінці. Під дією майже гострого бойка матеріал пластично деформується. На процес деформації витрачається частина енергії падіння, так що при відскоку бойок не досягає первиної висоти. Висота відскоку тим більше, чим менше частка пластичної деформації матеріалу. Основною областю застосування цього методу є випробування великих заготовок на рівномірність поверхневої твердо 818j92i 89;ті. Оскільки при зіткненні бойка з поверхнею, як правило, не утворюється помітного відбитка, можна проводити випробування також на повністю оброблених методом шліфування деталях, наприклад на поверхні бочок валків холодної прокатки. Якщо доводиться порівнювати визначені за допомогою цього методу величини твердо 818j92i 89;ті на різних матеріалах, то необхідно врахувати, що таке порівняння має сенс тільки в тому випадку, якщо матеріали мають приблизно однакові модулі пружності.
Найбільше
поширення
для
випробувань
твердо
818j92i 89;ті за
Шором
одержав
прилад ТБП-1.
Індентором
застосовують
бойок масою ~
При проведенні вимірювань такого типу індентор, найчастіше кулька, впливає на матеріал в умовах ударно діючого навантаження, тому на поверхні матеріалу залишається відбиток. При використанні молотка Баумана кулька притискується до матеріалу під дією пружини, а величина твердо 818j92i 89;ті визначається розміром відбитка. Перерахункові таблиці, що отримані при численних порівняльних випробуваннях, дозволяють визначити результати випробувань у значеннях НВ. Умови проведення випробувань залежать від твердо 818j92i 89;ті матеріалу.
Таким же зручним способом вимірювання твердо 818j92i 89;ті є метод Польди. При ударі молотком по встановленому на випробовуваному матеріалі короткому циліндричному стрижні кулька робить відбиток у матеріалі.
На відміну від молотка Баумана в цьому випадку невідома величина сили, що застосовувана при одержанні відбитка. Із цієї причини використовується еталонний стрижень із відомою твердістю, у якому при ударі молотком також утвориться відбиток. За величиною діаметрів обох відбитків (d1 в еталоні, d2 у матеріалі) і за відомомим параметрам НВ еталонного стрижня H1 можна визначити величину твердо 818j92i 89;ті досліджуваного матеріалу. При сортуванні матеріалів або при попередньому розбраковуванні часто цілком достатньо встановити, твердіше або м'якше випробовуваний матеріал еталонного стрижня. Вимірюючи і порівнюючи отримані в процесі вимірювання діаметри відбитка в матеріалі і в еталонному стрижні, також можна зробити висновок про точність виконання технологічних процесів при виготовленні виробу.
1. У чому суть пружно-динамічного методу (методу Шора) визначення твердо 818j92i 89;ті?
Як розраховується величина твердо 818j92i 89;ті пружно-динамічним методом?
4. У чому полягає пластично-динамічний метод визначення твердо 818j92i 89;ті при використанні молотка Баумана?
Метод мікротвердо 818j92i 89;ті призначений для визначення твердо 818j92i 89;ті дуже малих (мікроскопічних)
У якості індентора при вимірюванні мікротвердо 818j92i 89;ті, як і у випадку визначення твердо 818j92i 89;ті за Віккерсом, використовують правильну чотирьохгранну алмазну піраміду з кутом при вершині 136°. Ця піраміда плавно втискується в зразок при навантаженнях від 15 до 500 гс (147 до 4905 мн)
Число мікротвердо 818j92i 89;ті Н визначається за формулою:
, кгс/мм2 (6.23)
d – діагональ відбитка, мкм; величина її звичайно коливається в межах від 7 до 50 мкм;
d2/1854 – площа бокової поверхні отриманого пірамідального відбитка.
Мікротвердість вимірюють на зразках, виготовлених спеціальним образом. Поверхню зразка шліфують і полірують. Глибина втискування індентора при визначенні мікротвердо 818j92i 89;ті дорівнює кілька мікронів і спільномірна із глибиною одержуваного в результаті механічного шліфування і полірування наклепанного поверхневого шару. Тому методика видалення цього шару має тут особливо важливе значення. Частіше застосовують електролітичне полірування, що не викликає наклепу (зміцнення) у тонкому поверхневому шарі, а при необхідності зразок піддають травленню реактивами, застосовуваними для мікроаналізу відповідних сплавів.
Прилад для визначення мікротвердо 818j92i 89;ті – мікротвердо 818j92i 84;ір ПМТ-3, розроблений М. М. Хрущовым і Е. С. Берковичем, показаний на рис. 6.15.
|
|
Рис. 6.15. Прилад ПМТ-3 для вимірювання мікротвердо 818j92i 89;ті: а
Для нанесення відбитка зразок встановлюють під мікроскопом і вибирають на ньому місце, в якому необхідно виміряти мікротвердість. Потім переміщують зразок так, щоб обране місце виявилося під вістрям алмазної піраміди (поворотом предметного столика на 180° до упору). Після втискування індентора і зняття навантаження зі зразка останній знову переводять під мікроскоп і вимірюють довжину діагоналі відбитка. Для забезпечення точного вимірювання мікротвердо 818j92i 89;ті прилад повинен бути ретельно юстирований. Завдання юстирування — точне сполучення оптичної осі з віссю навантаження при повороті предметного столика на 180°. Іншими словами, необхідно домогтися, щоб відбиток наносився саме в тому місці, що було обрано під мікроскопом. Пристрій, що центрує, дозволяє переміщати об'єктив в горизонтальній площині. Він приводиться в дію гвинтами 15 (рис. 6.15, а).
|
|
При вимірюванні мікротвердо 818j92i 89;ті відстань між центрами сусідніх відбитків повинна бути не менш двох довжин діагоналі більшого відбитка. Таким же повинна бути відстань від центра відбитка до краю зразка. Довжина діагоналі відбитка повинна бути не більше полуторної товщини зразка.
Для визначення числа мікротвердо 818j92i 89;ті за довжиною діагоналі при різних навантаженнях Р є спеціальні таблиці і номограми.
Фактично метод мікротвердо 818j92i 89;ті це різновид методу Віккерса і відрізняється від нього тільки використанням менших навантажень і, відповідно, меншим розміром відбитка. Тому фізичний сенс числа мікротвердо 818j92i 89;ті аналогічний числу твердо 818j92i 89;ті за Віккерсом HV.
1. Для чого призначений метод мікротвердо 818j92i 89;ті?
4. Яким чином підготовлюють поверхню зразка для вимірювання мікротвердо 818j92i 89;ті?
5. Який індентор використовують при визначенні мікротвердо 818j92i 89;ті?
|