ALTE DOCUMENTE
|
||||||||||
TEST DE EVALUARE
Colegiul Agricol ”DIMITRIE PETRESCU” Caracal
Nume si prenume elev
Clasa.
· &n 656j91g bsp; Toate subiectele sunt obligatorii. Se acorda 10 puncte din oficiu.
· &n 656j91g bsp; Timpul efectiv de lucru este de 40 minute.
1. &n 656j91g bsp; La pornire motoarele electrice de curent continuu absorb:
a) &n 656j91g bsp; un curent mai mic decat curentul nominal
b) &n 656j91g bsp; un curent egal cu cel nominal
c) &n 656j91g bsp; un curent mai mare decat curentul nominal
2. &n 656j91g bsp; Inversarea sensului de rotatie la motoarele electrice de curent continuu se face prin:
a) &n 656j91g bsp; conectarea unui reostat in circuitul rotoric
b) &n 656j91g bsp; inversarea polaritatii circuitului rotoric
c) &n 656j91g bsp; conectarea unei rezistente cu dubla polaritate
3. &n 656j91g bsp; Caracteristicile mecanice ale motoarelor electrice de curent continuu se definesc ca fiind dependentele:
a) &n 656j91g bsp; curentul absorbit in functie de cuplu
b) &n 656j91g bsp; turatia in functie de cuplu
c) &n 656j91g bsp; randamentul in functie de puterea utila
4. &n 656j91g bsp; Motoarele electrice de curent continuu pot fi:
a) &n 656j91g bsp; asincrone
b) &n 656j91g bsp; sincrone
c) &n 656j91g bsp; cu excitatie serie
5. &n 656j91g bsp; Protectia la scurtcircuit se realizeaza prin:
a) &n 656j91g bsp; sigurante fuzibile sau relee electromagnetice
b) &n 656j91g bsp; relee de tensiune maxima
c) &n 656j91g bsp; relee intermediare
------ 1) Caracteristica mecanica naturala a motoarelor electrice de curent continuu se defineste ca fiind dependenta n=f (M) in conditiile U=UN, Ie=IeN si Rp=0.
------ 2) Pornirea cu tensiune redusa a motoarelor electrice de curent continuu presupune alimentarea infasurarii indusului de la o sursa de tensiune reglabila.
------ 3) Schimbarea sensului turatiei motoarelor electrice de curent continuu cu excitatie separata se face prin schimbarea polarititii tensiunii la bornele indusului si a tensiunii de excitatie.
------ 4) Pornirea reostatica a motoarelor electrice de curent continuu cu excitatie derivatie conduce la marirea socurilor de cuplu, respectiv de curent ale motorului.
------ 5) Reducerea fluxului la motoarele electrice de curent continuu cu excitatie serie se face suntand infaturarea de excitatie cu o rezistenta.
A
B
1. &n 656j91g bsp;
cu
excitatie serie
2. &n 656j91g bsp; cu excitatie separata
3. &n 656j91g bsp; cu excitatie mixta (compound)
4. &n 656j91g bsp; cu excitatie derivatie
Asociati cifrele din coloana A cu literele corespunzatoare din coloana B.
III.2. Realizati corespondenta intre elementele celor doua coloane, unind cu sageti tipul de actionare a unui motor de curent continuu si modalitatile de realizare.
a. &n 656j91g bsp; &n 656j91g bsp; &n 656j91g bsp; &n 656j91g bsp; &n 656j91g bsp; &n 656j91g bsp; &n 656j91g bsp;
a)introducerea unei rezistente suplimentare b. &n 656j91g bsp; &n 656j91g bsp; &n 656j91g bsp; &n 656j91g bsp; &n 656j91g bsp; &n 656j91g bsp; &n 656j91g bsp;
b)modificarea
numarului de perechi de poli c. &n 656j91g bsp; &n 656j91g bsp; &n 656j91g bsp; &n 656j91g bsp; &n 656j91g bsp; &n 656j91g bsp; &n 656j91g bsp;
c)conectare
directa la retea d. &n 656j91g bsp; &n 656j91g bsp; &n 656j91g bsp; &n 656j91g bsp; &n 656j91g bsp; &n 656j91g bsp; &n 656j91g bsp;
d)inversarea
polaritatii sursei de alimentare Sa se completeze urmatoarele fraze lacunare: 1. &n 656j91g bsp; Pornirea
reostatica a motoarelor electrice de curent continuu cu excitatie derivatie
presupune introducerea unei rezistente de ..….. , in .…..cu
infasurarea indusului. 2. &n 656j91g bsp; In regim
de motor, masina de curent continuu excitata si cuplata la o retea de tensiune
U, absoarbe un.…si dezvolta la arbore un …. la o
turatie n. 3. &n 656j91g bsp; Pornirea
prin conectare directa la retea este utilizata doar in cazul motoarelor
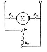
electrice de curent continuu de puteri ….. V.2. Se da urmatoarea schema principiala: a). Indicati
tipul motorului de curent continuu pentru care se utilizeaza acesta schema. b). Precizati denumirea echipamentelor utilizate
in aceasta schema c 2p I.2 b 2p I.3 b 2p I.4 c 2p I.5 a 2p A 2p II.2 A 2p II.3 F 2p II.4 F 2p II.5 A 2p III.1 1.c, 2.a, 3.d, 4.b 10p III.2 A.c, A.f, B.d, C.a, C.b, C.e 10p IV. 1. &n 656j91g bsp;
Pornirea
reostatica a motoarelor electrice de curent continuu cu excitatie derivatie
presupune introducerea unei rezistente de pornire , in serie cu
infasurarea indusului. 2. &n 656j91g bsp;
In regim de
motor, masina de curent continuu excitata si cuplata la o retea de tensiune
U, absoarbe un curent I si dezvolta la arbore un cuplu M la o
turatie n. 3. &n 656j91g bsp;
Pornirea
prin conectare directa la retea este utilizata doar in cazul motoarelor
electrice de curent continuu de puteri mici. 12p V.1. Se numeste caracteristica mecanica naturala,
caracteristica mecanica pentru care tensiunea la borne are valoare nominala (Ub=Un), curentul de excitatie are, deasemenea, valoarea
nominala (Ie=In), iar rezistenta de reglaj din circuitul indusului
este nula (Rr=0); n=f(M) Ecuatia caracteristicii mecanice naturale este : Reprezentarea grafica a caracteristicii mecanice
naturale este cea din figura de mai jos in care s-a notat: A(0,n0) B(Mn,nn) La motorul de c.c cu excitatie derivatie, scaderea
turatiei Dn cu cresterea sarcinii este foarte mica. 28p V.2 a). motorul de curent continuu cu excitatie separata b). Rc=reostat de pornire cu rezistenta
variabila V=voltmetru A=ampermetru e1,2,3,4=sigurante
fuzibile K1,2=contactor 5p 5p
Sa se defineasca si sa se reprezinte caracteristica mecanica naturala a
motorului de curent continuu cu excitatie derivatie.
Punctaj
I.1
II.1
si ![]()

PROIECT DIDACTIC
Colegiul Agricol ”DIMITRIE PETRESCU” Caracal
Profesor: ing.
Data:24.01.2008
Clasa XI SAM Electrician electronist auto
Unitate de competenta
MODULUL 2: MONTAREA SI UTILIZAREA MASINILOR ELECTRICE
Tema l: Pornirea motoarelor de curent continuu cu excitatie separata:
principii, metode(descriere), scheme, avantaje- dezavantaje.
Tipul lectiei :predare-invatare
C.S.1. Citirea si reprezentarea schemelor electrice de actionare a motoarelor electrice;
C.S.2. Reprezentarea grafica a caracteristicilor masinilor electrice;
Competente derivate
C.D.1. Precizarea metodelor de pornire a motoarelor electrice de curent continuu cu excitatie separata
C.D.2. Explicarea principiului metodelor de pornire
C.D.3. Reprezentarea grafica a evolutiei punctului de functionare
C.D.4. Interpretarea caracteristicilor electromecanice
C.D.5. Reprezentarea schemelor principiale
C.D.6 Identificarea elementelor din schemele de principiu si precizarea rolului acestora
C.D.7. Precizarea avantajelor si dezavantajelor metodelor de pornire
C.E.4 Enumerarea avantajelor si dezavantajelor metodelor de pornire
a) &n 656j91g bsp; Metode si procedee
-expunerea
-explicatia
-conversatia euristica
-demonstratia
-descoperirea
-problematizarea
-observarea dirijata
b) &n 656j91g bsp; Mijloace de invatamant
-planse
-machete
-manual
-folii retroproiector
-fise de lucru
c) &n 656j91g bsp; Forme de organizare a clasei
-frontala
-diferentiata (pe grupe)
a) Tipul evaluarii: continua
b) Forme de evaluare: observare si apreciere verbala precum si prin chestionare orala si scrisa (se utilizeaza o fisa de activitate independenta).
(in afara orelor de curs)
A. &n 656j91g bsp; Desfasurate de profesor
- &n 656j91g bsp; &n 656j91g bsp; Stabileste competentele derivate
- &n 656j91g bsp; &n 656j91g bsp; Stabileste continutul de instruire corespunzator
- &n 656j91g bsp; &n 656j91g bsp; Alege resursele materiale necesare
- &n 656j91g bsp; &n 656j91g bsp; Confectioneaza materiale noi (fise, folii, planse)
- &n 656j91g bsp; &n 656j91g bsp; Stabileste fise de activitate independente
- &n 656j91g bsp; &n 656j91g bsp; Stabileste secventele lectiei, modul de lucru cu elevii, formele de organizare a instruirii
B. &n 656j91g bsp; Desfasurate de elevi
studiaza notitele
studiaza materialul bibliografic recomandat
aplica cunostintele insusite in rezolvarea temelor.
1.4.DESFASURAREA LECTIE
|
Secventele lectiei |
Timp |
Activitatea desfasurata |
Metode |
Materiale didactice |
Evaluare |
|
|
de profesor |
de elev |
|||||
|
1.Moment organizatoric |
3 min |
Activitati de natura organizatorica: -notarea absentelor -asigurarea ordinii pregatirea mijloacelor si materialelor necesare |
-pregatesc caietele si instrumentele de scris -elevii de serviciu nominalizeaza absentii |
|
|
|
|
2.Verificarea si consolidarea cunostintelor anterioare |
10min |
Verificarea nivelului de cunostinte dobandite anterior cu ajutorul intrebarilor: clasificati motoarele electrice de c.c explicati principiul de functionare a motoarelor electrice de c.c definiti caracteristicile electromecanice naturala si artificiala |
-raspund la intrebarile adresate de profesor -formuleaza raspunsuri cat mai corecte -se completeaza reciproc |
-conversatia -demonstratia |
-planse -machete -folii de retroproiector |
-chestionare orala frontala |
|
3. Anuntarea lectiei |
2 min |
-anunta subiectul lectiei noi -scrie titlui lectiei pe tabla |
-noteata in caiete titlul lectiei noi |
-expunerea |
|
|
|
4.Comunicarea cunostintelor. Dirijarea invatarii C.D.1 C.D.2 C.D.3 C.D.4 C.D.5 |
20min |
-enumera metodele de pornire a m.c.c. cu extitatie separata -explica principiul fiecarei metode de pornire reprezinta grafic evolutia punctului de funtionare in timpul pornirii -reprezinta caracteristicile mecanice naturale si artificiale -prezinta avantajele si dezavantajele metodelor de pornire |
-bazandu-se pe cunostintele anterioare participa la explicarea lectiei -sunt atenti -noteaza in caiete -participa la discutii -noteaza in caiete |
-conversatia -descoperirea -conversatia |
-folii de retroproiector -machete -planse |
-chestionare frontala |
|
5.Fixarea cunostintelor si realizarea conexiunii inverse |
12min |
-se impart elevilor fisele de activitate independenta -se poarta discutii cu elevii pe baza cunostintelor prezentate urmarindu-se fixarea acestora -stabileste impreuna cu elevii raspunsurile corecte din fisa de lucru |
-participa la discutii -completeaza fisa de activitate independenta -sunt consultati cu privire la dificultatile pe care le-au intampinat |
-fisa de activitate independenta |
|
|
|
6.Indicarea temei pentru acasa |
3 min |
-apreciaza verbal elevii care au dat raspunsuri corecte si au participat in mod activ la lectie -delimiteaza lectia in manual -recomanda studierea ei si a materialului bib. |
-noteaza in caiete recomandarile bibliografice si tema data spre rezolvare |
|
|
|
Numele si prenumele elevului .
Clasa
1. &n 656j91g bsp; Caracteristicile mecanice ale motorului de c.c. se definesc ca fiind dependentele:
a) &n 656j91g bsp; curentul absorbit in functie de puterea utila
b) &n 656j91g bsp; turatia in functie de cuplu
c) &n 656j91g bsp; randamentul in functie de puterea utila
2. &n 656j91g bsp; Pornirea prin conectare directa la retea a m.c.c. cu excitatie separata se utilizeaza in cazul motoarelor de puteri .
3. &n 656j91g bsp; Prezentati dezavantajul m.c.c. prin conectare directa la retea.
4. &n 656j91g bsp; Precizati tipul motorului de c.c. reprezentat in schema de mai jos:
5. Caracteristica mecanica naturala a motorului electric de c.c. se defineste ca fiind dependenta n=f(M) in conditiile U= . , Ie= si Rp=0.
1.5. LUCRARE DE LABORATOR
MOTORUL DE CURENT CONTINUU
OBIECTIVE:
Ø &n 656j91g bsp; Functionarea motorului de curent continuu
Ø &n 656j91g bsp; Viteza de rotatie in functie de tensiunea aplicata
Ø &n 656j91g bsp; Curentul absorbit la functionarea in sarcina
Ø &n 656j91g bsp; Functionarea motorului de curent continuu ca generator de energie
ECHIPAMENT NECESAR:
Ø &n 656j91g bsp; Unitatea de baza pentru sistemul IPES (modul de alimentare tip PSU/EP, modul de sustinere platforma tip MU/EV, modul unitate control individual tip SIS1/SIS2/SIS3)
Ø &n 656j91g bsp; Modul experimental MCM2/EV
Ø &n 656j91g bsp; Multimetru
Motorul electric este un dispozitiv care transforma energia electrica in energie mecanica. Functionarea sa se bazeaza pe interactiunea dintre campul magnetic produs de un magnet permanent si curentul din spirele unei bobine plasate in campul magnetic. Principalele componente ale unui motor electric de curent continuu sunt (figura 1, 2, 3):
O parte fixa, numita stator sau inductor, care produce campul magnetic. Pe stator sun fixati polii, care sunt magneti permanenti sau electromagneti.
O parte
mobila numita rotor, aflata in interiorul statorului si parcursa de campul
magnetic produs de stator. Pe rotor, confectionat din material magnetic, se
afla infasurarea indusa.
Un colector, care are rolul de a aduce tensiunea de la sursa de putere in circuitul infasurarii induse. Colectorul, impreuna cu periile colectoare, asigura contactul intre reteaua exterioara si infasurarea rotorica.
Viteza de rotatie a motorului de curent continuu depinde de tensiunea aplicata, in timp ce curentul absorbit , ce parcurge infaurarea rotorica, depinde de rezistenta mecanica (sarcina ) pe care motorul trebuie sa o invinga.
Inversand polaritatea tensiunii aplicate la perii, se schimba si sensul de rotatie a motorului.
MODUL DE LUCRU
VITEZA MOTORULUI IN FUNCTIE DE TENSIUNEA APLICATA
Reglati tensiunea sursei de alimentare la 0V
Conectati puntile J55, J56, J57 si voltmetrul intre punctele 24 si 25 pentru a realiza circuitul din figura de mai jos:
Cresteti progresiv tensiunea sursei, pana la valoarea maxima de 12V
Observati comportarea motorului in functionare la variatia tensiunii sursei.
CURENTUL ABSORBIT DE MOTOR LA FUNCTIONAREA IN GOL SI IN SARCINA
Reglati tensiunea sursei de alimentare la 0V
In circuitul experimental prezentat anterior, deconectati puntea J57 si inserati ampermetrul intre punctele 26 si 27
Masurati curentul absorbit de motor la functionarea in gol pentru urmatoarele valori ale tensiunii: 3, 6 , 9, 12 V
Simulati manual o sarcina la axul motorului si constatati cresterea curentului. Repetati masurarile curentului absorbit de motor .
MASINA ELECTRICA DE C.C. CA GENERATOR ELECTRIC
Deconectati
puntile J55 si J56, conectati J57 si conectati voltmetrul intre punctele
24-25, pentru a realiza circuitul din figura de mai sus.
Antrenati rotorul motorului la o turatie foarte mica si masurati tensiunea indicata de voltmetru.
Repetati masurarile rotind rotorul la viteze din ce in ce mai mici
Observati tensiunea indicata de voltmetru
Colegiul Agricol ”DIMITRIE PETRESCU” Caracal
Nume si prenume elev
Clasa.
FISA DE LUCRU
A) VITEZA MOTORULUI IN FUNCTIE DE TENSIUNEA APLICATA
Cum se comporta motorul cand creste tensiunea?
1 &n 656j91g bsp; motorul nu se roteste
2 &n 656j91g bsp; viteza de rotatie creste progresiv la aplicarea tensiunii
3 &n 656j91g bsp; viteza de rotatie creste pana la 6V apoi ramane constanta
4 &n 656j91g bsp; viteza de rotatie creste pana la 6V apoi motorul se opreste
B) CURENTUL ABSORBIT DE MOTOR LA FUNCTIONAREA IN GOL SI IN SARCINA
In regimul de functionare ca motor, care din afirmatiile de mai jos sunt adevarate?
1. &n 656j91g bsp; curentul nu se modifica la modificarea cuplului la arbore
2. &n 656j91g bsp; curentul creste odata cu cresterea cuplului la arbore
3. &n 656j91g bsp; turatia se modifica la modificarea tensiunii.
C) MASINA ELECTRICA DE C.C. CA GENERATOR ELECTRIC
In urma masuratorilor se poate deduce ca:
-tensiunea este tot timpul aceeasi;
-tensiunea este diferita de 0 si cand rotorul este oprit;
-tensiunea descreste la cresterea vitezei de rotatie;
-tensiunea creste pe masura ce creste turatia motorului.
Repetati ultimul experiment rotind axul motorului in directie opusa
De la aceasta ultima masurare se poate spune ca:
-si in acest caz tensiunea este tot timpul 0 ;
-tensiunea se pastreaza constanta la o valoare diferita de 0 ;
-tensiunea are semn opus fata de cazul anterior: ea creste cand viteza de rotatie creste, si ramane constanta cand viteza este constanta ;
-tensiunea are un varf pozitiv si apoi scade rapid la 0.
Pentru elevi:
Bischir, N., Mihoc, D., Botan, C., Hilohi, S., Simulescu, D.: - Masini, aparate actionari si automatizari – Manual pentru clasele a XI-a si a XII-a, Editura Didactica si Pedagogica, R.A., Bucuresti, 1998
Pentru profesor:
Cimpeanu, A.: Masini electrice, Editura Scrisul Romanesc, Craiova, 1997
.Fransua, Al., Magureanu, R., Campeanu, A., Condruc, M., Tocaci, M.:Masini si sisteme de actionari electrice- Probleme fundamentale, Editura Tehnica, Bucuresti, 1978
Cioc, I., Nica, C.: Proiectarea masinilor electrice, Editura Didactica si Pedagogica, Bucuresti, 1994
Danila, L., Vladulescu, L., Simulescu, D., Bichir, N.:Indrumari metodice pentru predarea disciplinei „Masini si aparate electrice”, Editura Didactica si Pedagogica, Bucuresti, 1983
Mirescu, S.C. – Teste grila – Editura Gheorghe Alexandru, Craiova, 1998
Mirescu, S.C., Mares, F., Balasoiu, T.: - Masini electrice si actionari – Teste pentru examenul de Bacalaureat si Olimpiadele Interdisciplinare Tehnice, Editura Economica preuniversitaria, Bucuresti, 2000
Ion, M., Goaga, F.: Ghid metodic de evaluare pentru invatamantul profesional si tehnic preuniversitar, Editura Info, Craiova, 1999
|