CALCULUL FUNDATIILOR
Caracteristicile dimensionale ale structurii sunt:


Studiul geotehnic a pus in evidenta urmatoarea strati 848g69i ficare a terenului:
0 . - 0,50 =Teren vegetal
. - 2,20 =Umplutura neconsolidata
. - 8,00 =Argila prafoasa, avand :
![]()
-8 . - 10,00 =Pietris
9.1. PREDIMENSIONARE, CALCUL SI VERIFICARI
Incarcarile transmise terenului sunt:

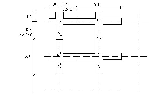
Observatii privind analiza retelei de grinzi
Calculul a fost facut cu modulul "Space Frame" al pachetului de programe "PROKON", luand in considerare eforturile obtinute la baza structurii ca si reactiuni, precum si rezemarile elastice, caracterizate de constantele elastice obtinute cu valoarea considerata pentru coeficientul de pat.
Cateva detalii sunt oferite mai jos, iar altele in partea consacrata anexelor.

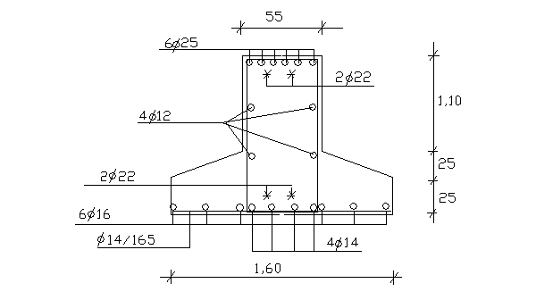
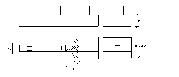
GRINZILE TRANSVERSALE


A) Grinzile transversale marginale - axele (1) si (9)
* Moment pozitiv maxim: M=262 KN.m
H=1,60
L=5,40m

* Moment negativ maxim: M=265 KN.m


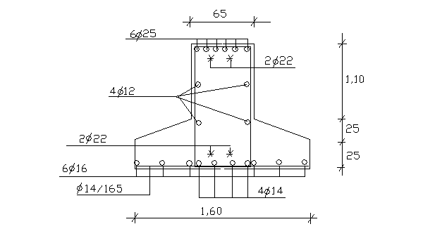
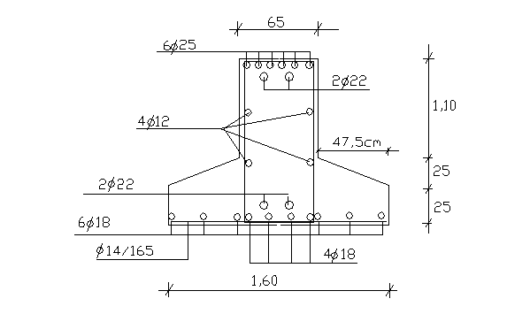
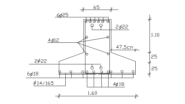
A2) Armare la forta taietoare

A3) Armare in sectiune transversala


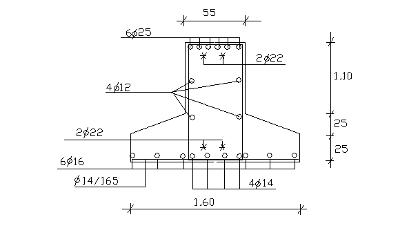
B) Grinzile transversale interioare - axele (2) . (8)
* Moment pozitiv maxim: M=244 KN.m
H=1,60
L=5,40m

* Moment negativ maxim: M=92,71KN.m


B2) Armare la forta taietoare

B3) Armare in sectiune transversala


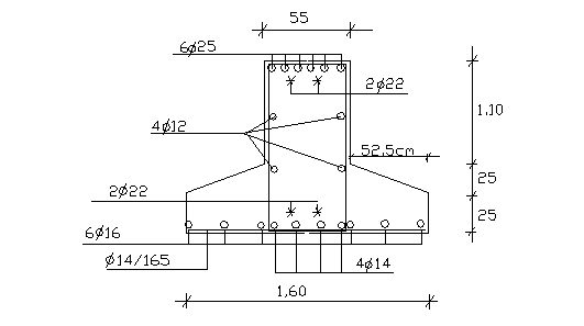
GRINZILE LONGITUDINALE


A) Grinzile longitudinale marginale - axele (A) si (D)
* Moment pozitiv maxim: M=108 KN.m
H=1,60
L=3,60m

* Moment negativ maxim: M=61 KN.m





B) Grinzile longitudinale interioare- axele (B) si (C)
* Moment pozitiv maxim: M=466,47KN.m
H=1,60
L=3,60m

* Moment negativ maxim: M=60,85KN.m


B2) Armare la forta taietoare

B3) Armare in sectiune transversala


Calculul presiunii pamantului


Armarea peretelui de subsol

|