CALCULUL IMBINARILOR
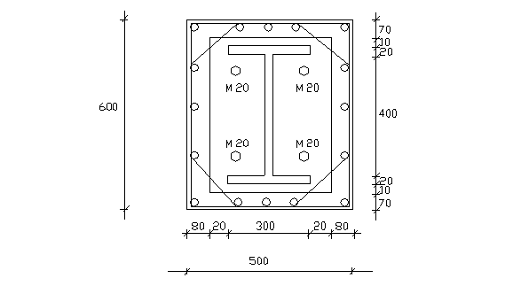
7. 1. IMBINARILE STALPILOR


a) Verificarea la strivire sub stalp (Preluarea lui N)


b)

Verificarea la forta
taietoare
c) Armarea

![]()

![]()






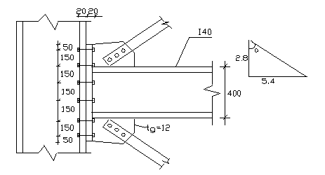
7. 2. IMBINARILE GRINDA-STALP
7. 2. 1. Imbinare stalp marginal - grinda transversala



7. 2. 2. Imbinare stalp marginal - grinda longitudinala


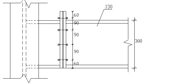
7. 3. IMBINARILE CONTRAVANTUIRILOR
In plan longitudinal In plan transversal


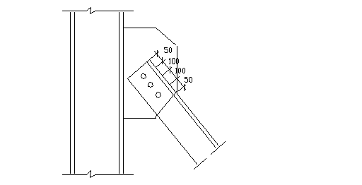
7. 3. 1. Predimensionarea: ( metoda coeficientului de profil)




Aleg pentru toate contravantuirile sectiunea 2L120x120x10 si tg=12 mm.
7. 3. 2. Calculul imbinarii


|