Documente online.
Zona de administrare documente. Fisierele tale
Am uitat parola x Creaza cont nou
 HomeExploreaza
upload
Upload




CALCULUL STRUCTURILOR CU PERETI STRUCTURALI LA ACTIUNEA INCARCARILOR VERTICALE SI ORIZONTALE

Arhitectura constructii


CALCULUL STRUCTURILOR CU PERETI STRUCTURALI LA ACTIUNEA ÎNCARCARILOR VERTICALE SI ORIZONTALE

Indicatii generale

Pentru constructiile curente se permite utilizarea metodelor de calcul din categoria A, conform P100/92, care admit urmatoarele simplificari principale:



a)     Calculul la actiunea seismica se face la încarcarile de calcul stabilite conform Normativului P100/92, aplicate static pe structura considerata ca având o comportare elastica;

b)     Dirijarea formarii unui mecanism structural de disipare a energiei favorabil, cu deformatii plastice dezvoltate în riglele de cuplare si la baza peretilor structurali;

c)      Cerintele de ductilitate se considera implicit satisfacute prin respectarea conditiilor de calcul si de alcatuire constructiva;

d)     În cazul cladirilor cu forme regulate, cu elementele structurale (peret 232e47c i, eventual cadre) orientate pe doua directii principale de rigiditate ale structurii, calculul se efectueaza separat pe cele doua directii. În cazul în care elementele structurale verticale sunt orientate pe directii care difera de directiile principale ale constructiei, calculul se efectueaza pe mai multe directii stabilite ca potential nefavorabile din punctul de vedere al comportarii structurale la actiuni orizontale;

e)     Deformatiile planseelor se considera neglijabile în raport cu deformatiile peretilor.

În aceste conditii pentru calculul unei structuri cu pereti structurali la actiunea încarcarilor verticale si orizontale sunt necesare urmatoare operatii principale:

(i)         Alcatuirea initiala a structurii (dispunerea peretilor structurali, alegerea formei sectiunilor, a dimensiunilor elementelor structurale, etc.), inclusiv ale infrastructurii;

(ii)       Schematizarea structurii pentru calculul (stabilirea sectiunilor active ale peretilor structurali, pentru fiecare directie de actiune a încarcarilor orizontale si ale riglelor de cuplare);

(iii)     Stabilirea nivelului la care se considera încastrarea peretilor;

(iv)      Determinarea încarcarilor verticale aferente fiecarui perete structural si a eforturilor sectionale de compresiune produse de aceste încarcari;

(v)        Verificarea preliminara a sectiunilor peretilor structurali si eventual modificarea acestora (prin marirea grosimii inimii, prevederea de bulbi la capetele libere, marirea clasei betonului de la nivelurile inferioare ale cladirilor cu înaltimi mari, etc.);

(vi)      Determinarea caracteristicilor de rigiditate ale peretilor structurali pentru fiecare directie de actiune a încarcarilor orizontale;

(vii)            Stabilirea încarcarilor orizontale de calcul P100/92 ;

(viii)          Determinarea eforturilor sectionale din actiunea încarcarilor orizontale. Se recomanda calculul cu programe de calcul automat care sa ia în considerare comportarea spatiala a structurii;

(ix)      Determinarea eforturilor sectionale de dimensionare din încarcarile orizontale;

(x)        În cazurile speciale când încarcarile verticale se aplica cu excentricitati pronuntate (de exemplu, constructii cu balcoane în consola pe o singura parte a cladirii, constructii cu nucleu de pereti încarcat excentric, etc.), determinarea pe aceeasi schema de calcul si eforturile sectionale din aceste încarcari, care se însumeaza cu eforturile produse de încarcarile orizontale;

(xi)      Calculul si armarea grinzilor de cuplare, la încovoiere si la forta taietoare;

(xii)            Calculul si armarea elementelor verticale la compresiune (întindere) excentrica, la forta taietoare în sectiuni înclinate si în rosturile de turnare;

(xiii)          Calculul, în cazul structurilor prefabricate, al îmbinarilor verticale si orizontale ale peretilor si al îmbinarilor dintre planseu si peretii structurali;

(xiv)          Determinarea eforturilor în diafragmele orizontale formate de plansee si calculul armaturilor necesare;

(xv)            Alcatuirea peretilor structurali si a riglelor de cuplare;

(xvi)          Evaluarea initiala a dimensiunilor elementelor infrastructurii si a fundatiilor;

(xvii)        Schematizarea infrastructurii pentru calcul: stabilirea încarcarilor (a fortelor de legatura cu suprastructura si cu terenul), modelarea legaturilor structurale ale elementelor infrastructurii, etc.;

(xviii)      Calculul eforturilor sectionale în elementele infrastructurilor prin metode de calcul (eventual cu programe de calcul automat) compatibile modelului de calcul stabilit la xvii);

(xix)          Calculul de dimensionare a elementelor infrastructurii si al fundatiilor.

Schematizarea pentru calcul a structurilor cu pereti structurali

Sectiunile de calcul (active) ale peretilor structurali.

În calculul simplificat admis pentru structurile cu pereti structurali, constând în calcule independente pe doua sau mai multe directii, problema sectiunilor active ale peretilor (a conlucrarii talpilor cu inima peretilor) intervine la:



(i)         Evaluarea rigiditatilor la deplasare laterala si implicit la stabilirea eforturilor sectionale din actiunea fortelor orizontale care revin peretilor structurali;

(ii)       Determinarea încarcarilor verticale aferente peretilor structurali;

(iii)     Evaluarea ductilitatilor sectionale;

(iv)      Stabilirea fortei taietoare de calcul, asociate capacitatii de rezistenta la încovoiere cu efort axial.

În cazul în care talpa este constituita dintr-un bulb (fig.5.1a), latimea activa se ia egala cu latimea reala a bulbului bp = Bp.

Fig.5.1

În cazul peretilor structurali a caror sectiune prezinta talpi la una sau ambele extremitati (rezultate, de exemplu, din intersectia peretilor de pe cele doua directii, fig.5.1b), latimea activa bp de conlucrare a talpilor este data de relatia:

unde se va stabili pe baza relatiilor

si distanta pâna la primul gol (pâna la marginea peretelui).

Fig.5.2

S-a notat:

b  = grosimea inimii;

hi , hi+1= înaltimile sectiunilor unor pereti paraleli consecutivi;

lo  = distanta libera între doi pereti consecutivi.

La structurile cu etaje înalte si goluri relativ mici se recomanda considerarea în calcul a peretelui ca element unic, cu sectiunea indeformabila, cu conditia asigurarii, prin modul de alcatuire al grinzilor de cuplare rigide, a unei comportari în domeniul elastic a acestor elemente.

În situatiile în care peretii se intersecteaza formând un nucleu, întreg nucleul poate fi considerat un element unic.

Pentru calculul deformatiilor produse de fortele taietoare sectiunea activa se ia egala cu sectiunea inimii.

Fig.5.3

Fig.5.4

Sectiunile de calcul (active) ale grinzilor de cuplare

a)Pentru calculul deformatiilor produse de momentele încovoietoare, la determinarea eforturilor sectionale sectiunea activa a grinzii de cuplare se ia conform fig.5.5:

Fig.5.5

daca planseele sunt prefabricate sau turnate ulterior peretilor si nu se realizeaza si conlucrarea placii cu rigla, sectiunea se considera dreptunghiulara ca în fig.5.5a cu înaltimea hr pâna sub placa planseului;

daca planseele se toarna odata cu peretii sau se prevad masuri de realizare a conlucrarii placii cu rigla, se tine seama de conlucrarea placii luând:

unde lo = lumina libera a golului;

hp = grosimea placii.

Determinarea eforturilor axiale de compresiune în peretii structurali din actiunea încarcarilor verticale

Încarcarile verticale transmise de planseu peretilor structurali se determina pe baza suprafetelor aferente sectiunilor acestora, tinând seama de alcatuirea planseelor care influenteaza distributia reactiunilor pe contur (placi armate pe o singura directie sau pe doua directii, placi cu grinzi). Se admite ca eforturile unitare de compresiune din încarcarile verticale sunt uniform distribuite pe suprafata sectiunii transversale a peretilor.

Valoarea fortei axiale de compresiune din încarcarile gravitationale se obtine prin înmultirea valorii medii a eforturilor unitare de compresiune cu suprafata sectiunii active a peretelui.

Metoda simplificata pentru determinarea eforturilor sectionale, în domeniul elastic

Ipoteze si scheme de baza

În calculul cu structura formata din bare, se tine seama de toate tipurile de deformatii produse de actiunea diferitelor eforturi sectionale: momente încovoietoare, forta taietoare si eforturi axiale. În cazurile curente se admite sa se neglijeze deformatiile datorate eforturilor axiale în grinzile de cuplare.

Deschiderile teoretice ale cadrului etajat, care schematizeaza peretii cuplati cu goluri suprapuse, se iau între axele elementelor verticale.

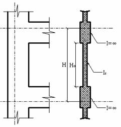
Pentru grinzile de cuplare (fig.5.7) se considera deformabila (la încovoiere si la forta taietoare) numai portiunea centrala lo, având lungimea luminii (deschiderii libere) golului, iar portiunile laterale (L - lo) se admit a fi indeformabile (aria sectiunii se considera în calcul infinita).



Fig.5.7

În cazul peretilor cu rigle de cuplare înalte în raport cu înaltimea nivelului, se va tine seama de variatia sectiunii montantilor, considerând ca deformabile zonele cuprinse între grinzile de cuplare (lumina), iar în rest indeformabile (fig.5.8b).

Fig.5.8

Valorile de calcul ale rigiditatilor elementelor structurale

Valorile de calcul (echivalente) ale caracteristicilor geometrice sectionale utilizate în determinarea caracteristicilor de rigiditate a elementelor structurale se iau dupa cum urmeaza:

a)     Pentru pereti structurali:

daca

daca

daca

b)     Pentru grinzile de cuplare:

în cazul armarii cu bare ortogonale (bare longitudinale si etrieri):

în cazul armarii cu carcase diagonale:

Metode de calcul structural

Pentru stabilirea eforturilor sectionale în elementele structurilor cu pereti de beton armat se pot utiliza metodele de calcul pentru structurile spatiale alcatuite din bare.

În cazurile curente în care planseele de beton armat satisfac conditia de diafragme practic infinit rigide si rezistente pentru forte aplicate în planul lor, se vor aplica metode de calcul în care deformatiile solidare ale peretilor pot fi definite de numai trei componente ale deplasarii la fiecare nivel (doua translatii si o rotire).

Pentru structuri cu alcatuire complexa, cu forme complicate de sectiuni de pereti rezultate din intersectia peretilor structurali, cu goluri de dimensiuni diferite de la nivel la nivel sau/si care nu sunt dispuse ordonat sau în cazurile în care este necesar sa se determine starea de eforturi pentru directii ale fortelor orizontale care nu se suprapun cu directiile principale ale structurii, se recomanda utilizarea modelarii peretilor din elemente finite de tip panou, grinda si stâlpi. În acest scop se pot folosi programele de calcul care permit o asemenea abordare.

Metode de calcul în domeniul postelastic

Metodele de calcul în domeniul postelastic se aplica unor structuri cu capacitatile de rezistenta cunoscute, respectiv la structuri la care armaturile longitudinale sunt cunoscute.

a)     Procedee de prima aproximatie, care constau în exprimarea echilibrului limita pe un mecanism cinematic de cedare cu articulatii plastice formate la capetele tuturor riglelor si la baza peretilor structurali, fara sa se poata pune conditii privind încadrarea rotirilor din aceste articulatii plastice, în capacitatile de rotire respective.

b)     Procedee de calcul static neliniar, care constau într-un calcul static pas cu pas al structurii ("calcul biografic"), marind treptat încarcarile laterale, determinând la fiecare treapta de încarcare eforturile sectionale si deformatiile structurii si verificând compatibilitatea rotirilor în articulatiile plastice formate la capetele riglelor de cuplare si la baza peretilor. Stadiul ultim de solicitare a structurii se considera stadiul în care se atinge deformatia limita într-una din articulatiile plastice formate la baza peretilor structurali.

c)      Procedee de calcul dinamic neliniar, obtinute prin adaptarea metodelor de calcul dinamic a structurilor în bare sau a structurilor bidirectionale. Pornind de la accelerogramele unor cutremure reale înregistrate sau de la accelerogramele etalon caracteristice amplasamentului se determina elementele raspunsului structural în evolutia lor pe durata actiunii seismice, diagramele de eforturi sectionale, tabloul articulatiilor plastice în fiecare moment, cerintele de ductilitate, energia absorbita si energia disipata în articulatiile plastice, etc.




Document Info


Accesari: 5664
Apreciat: hand-up

Comenteaza documentul:

Nu esti inregistrat
Trebuie sa fii utilizator inregistrat pentru a putea comenta


Creaza cont nou

A fost util?

Daca documentul a fost util si crezi ca merita
sa adaugi un link catre el la tine in site


in pagina web a site-ului tau.




eCoduri.com - coduri postale, contabile, CAEN sau bancare

Politica de confidentialitate | Termenii si conditii de utilizare




Copyright © Contact (SCRIGROUP Int. 2025 )