MATERIALE sI TEHNOLOGII PRIMARE 1.
LUCRAREA DE LABORATOR NR. 2.
ÎNCERCAREA LA TRACŢIUNE
Deoarece tipurile de solicitari întâlnite în practica sunt foarte variate, este imposibila determinarea caracteristicilor mecanice pentru fiecare caz în parte. Ţinând cont de faptul ca o stare de tensiuni oarecare se poate echivala pe baza unor criterii (teorii de rezistenta) cu starea de tensiuni cea mai simpla si cea mai usor de realizat practic, aceea de întindere monoaxiala, încercarea la tractiune este încercarea de baza a materialelor.
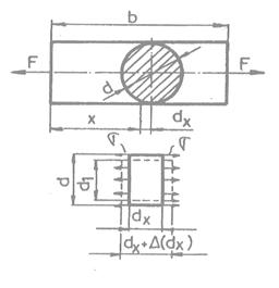
În
cazul solicitarii de întindere monoaxiala, prezentata în figura
2.1, starea de tensiuni se caracterizeaza prin eforturile unitare normale
c, uniform distribuite pe sectiunea de diametru d al piesei, date de relatia: s = F/S (F este
forta exterioara, S - sectiunea piesei), iar starea de
deformatii prin deformatia specifica ex DL/L (DL =
) si de deformatia transversala = (d1-d)/d.
Legatura dintre aceste deformatii specifice este data de relatia etr m ex, unde m poarta denumirea de coeficientul lui Poisson.
1. PRINCIPIUL ÎNCERCĂRII; EPRUVETE
Încercarea
consta în aplicarea, în general pâna la rupere, pe directia axei
longitudinale a unei epruvete, a unei forte crescatoare si
masurarea (înregistrarea) variatiei lungimii acesteia.

Viteza de solicitare se alege în functie de caracteristicile de determinat între limitele 10 ... 30 N/mm2s.
Formele si dimensiunile epruvetelor sunt functie de natura materialului si de tipul semifabricatului din care se preleveaza. În tabelul 2.1 sunt prezentate câteva din formele tipice de epruvete utilizate, iar în tabelul 2.2 termenii si notatiile specifice acestei încercari mecanice.
În functie de valoarea factorului dimensional, epruvetele utilizate pot fi:
Figura 2.1 Starea de tensiuni si
deformatii la solicitarea de întindere monoaxiala
epruvete proportionale normale, n = 5;
epruvete proportionale lungi, n = 10.
2. DIAGRAMA ÎNCERCĂRII LA TRACŢIUNE;
CURBA CARACTERISTICĂ LA TRACŢIUNE
Determinarea lungirii epruvetei în timpul încercarii se poate face în doua moduri: prin masurarea distantei între doua puncte ale sistemului de prindere al epruvetei în masina de încercat, sau prin utilizarea unui extensometru fixat pe epruveta între sectiunile aflate la distanta L0.
Reprezentarea în coordonate rectangulare a variatiei sarcinii curente functie de lungirea epruvetei, DL, poarta numele de diagrama încercarii la tractiune sau caracteristica epruvetei.
Reprezentarea în coordonate rectangulare, a variatiei tensiunii s functie de deformatia specifica liniara ex, poarta numele de curba caracteristica a materialului.
Având
în vedere ca trasarea acestei curbe este dificila, se definesc
marimile conventionale R si At (vezi tabelul 2.2).
Reprezentarea în coordonate rectangulare a variatiei marimii R
functie de alungirea totala At poarta numele de curba
caracteristica conventionala la tractiune.

I - Zona comportarii elastice;
II - Zona de ecruisare (întarire);
III - Zona deformarii locale.
Figura 2.2. Diagramele încercarii la tractiune:
a - caracteristica epruvetei; b - caracteristica materialului;
c - curba caracteristica conventionala la tractiune
În figura 2.2 sunt prezentate cele trei caracteristici, sesizându-se faptul ca alura caracteristicii epruvetei este identica cu cea a caracteristicii conventionale la tractiune. Diferenta dintre acestea si curba caracteristica a materialului este numai în zona III, zona deformarii locale, care indica faptul ca starea de tensiuni este crescatoarea pâna la rupere.
DEFINIREA CARACTERISTICILOR DE ELASTICITATE
DETERMINATE PRIN ÎNCERCAREA LA TRACŢIUNE
În zona I a diagramei caracteristice conventionale la tractiune, comportarea materialului este elastica, fiind valabila legea lui Hook. Ţinând seama de faptul ca în aceasta zona s R, deoarece deformatia transversala a epruvetei este mica, panta portiunii liniare va fi tocmai modulul de elasticitate longitudinal al materialului.
În cazul materialelor care nu prezinta o portiune elastica liniara (fontele), modulul de elasticitate se exprima sub forma:
- modulul de elasticitate tangential, care poate fi curent Eg sau initia1 E0 (vezi figura 2.3 a);
- modulul de elasticitate secant Es (vezi figura 2.3 b);
Punctul A (de pe curba caracteristica), în care se sfârseste comportarea liniara (proportionala) sau punctul B, care face trecerea la zona deformatiilor plastice, nu au pozitii clar precizate din punct de vedere fenomenologic. Din acest motiv, aceste puncte se definesc conventional, conform STAS 10290, prin:
- limita de proportionalitate, (vezi tabelul 2.2);
- limita de elasticitate conventionala sp,0,01, sau limita de elasticitate tehnica sr,0,01, (vezi tabelul 2.2).

Aria de sub portiunea liniara a curbei caracteristice conventionale la tractiune (sau a curbei caracteristice a materialului) reprezinta energia înmagazinata în unitatea de volum prin deformare elastica. Este evident ca, pentru un material dat (de exemplu otel) cu o anumita panta a curbei caracteristice (E - modul de elasticitate), aceasta arie va fi cu atât mai mare cu cât limita de elasticitate este mai ridicata. Aceasta caracteristica poate fi influentata prin tratament termic, rezultând deci ca, desi elasticitatea este dependenta de natura fortelor de coeziune din reteaua cristalina, deci independenta de structura, totusi exista modalitati tehnologice de influentare indirecta a acesteia (de exemplu tratamentul termic aplicat otelurilor pentru arcuri).
4. CARACTERISTICILE DE PLASTICITATE
sI CARACTERISTICILE DE REZISTENŢĂ
Zona a doua a curbei caracteristice poarta numele de zona de ecruisare si începe, în cazul otelurilor moi, cu un palier denumit palier de curgere. La depasirea punctului B, deformatia totala a epruvetei are o componenta elastica eel, care se relaxeaza la încetarea actiunii fortei exterioare (descarcarea se produce dupa o dreapta paralela cu portiunea liniara a diagramei) si o componenta plastica, epl, deformatie remanenta.
Caracteristicile de plasticitate definite conform STAS 200 - 84 sunt:
- limita de curgere aparenta Re, conventionala Rp02 remanenta Rr02;
- alungirea la rupere An;
- gâtuirea Ia rupere Z;
De o deosebita importanta este caracteristica, - rezistenta materialului, definita ca valoarea maxima a raportului R (Rm = Fmax/S0).
5. CRITERII DE APRECIERE A COMPORTĂRII LA RUPERE
PE BAZA REZULTATELOR ÎNCERCĂRII LA TRACŢIUNE
Zona a treia a curbei caracteristice poarta numele de zona deformarii locale. Daca pâna la atingerea maximului deformarea s-a produs aproximativ uniform în întreg volumul de material al epruvetei, din acest moment deformarea se localizeaza într-o anumita zona, producându-se gâtuirea.
Forma curbei caracteristice poate fi cu palier de curgere (curba a din fig. 2.4 - otel cu continut scazut de carbon), sau fara palier de curgere (curba b - Cu, Al, Pb s.a.) pentru materialele cu comportare plastica la rupere si fara zona a treia (curba c) în cazul materialelor cu comportare fragila la rupere (otel cu continut ridicat de carbon, de scule, pentru arcuri etc. fonta s.a.).
Aprecierea tipului de material (ductil sau fragil) se poate face si prin:
- valorile alungirii si gâtuirii la rupere;
- aria cuprinsa sub domeniul comportarii plastice, Ut (masura a tenacitatii materialului - capacitatea acestuia de a absorbii energie în domeniul deformarii plastice);
-
raportul Rm/Rp0,2.

caracteristice conventionale la tractiune
6. CONŢINUTUL sI SCOPUL LUCRĂRII
Lucrarea va cuprinde:
- efectuarea încercarii la tractiune;
- trasarea caracteristicii epruvetei si a caracteristicilor conventionale la tractiune;
- determinarea caracteristicilor de elasticitate, plasticitate si a comportarii la rupere ale materialului epruvetei.
Scopul 1ucrarii este îmbogatirea cunostintelor teoretice ale studentilor si familiarizarea cu elementele de lucru practic, necesare efectuarii încercarii la tractiune si interpretarii rezultatelor.
7. APARATURA sI MATERIALE FOLOSITE. MODUL DE LUCRU
Pentru efectuarea încercarii la tractiune se va utiliza masina de încercat universala de 10 tf (100 kN) si extensometre mecanice cu precizia de 0,01 mm.
Epruvetele, de tipul celor prezentate în tabelul 2.1, vor fi confectionate din materiale si semifabricate diferite.
Pentru determinarea caracteristicilor de elasticitate si a limitei de curgere conventionale, datele solicitarii în domeniul OC (vezi figura 2.2, c) se trec într-un tabel de forma:
|
Nr. crt. |
Forta [daN] |
DL [mm] |
||
|
Stânga |
Dreapta |
Valoare medie |
||
Pe baza rezultatelor din tabelul de mai sus se traseaza, conform indicatiilor din paragraful 1, caracteristica epruvetei si caracteristica conventionala la tractiune determinându-se limita de curgere conventionala Rp0,2 si modulul de elasticitate secant.
Pentru determinarea celorlalte caracteristici, datele experimentale se trec într-un tabel de forma celui de mai jos, iar baza indicatiilor din paragraful 1, se stabilesc caracteristicile: Re, Rm, An si Z.
|
Nr. crt. |
Material |
Epruveta |
Fmax [daN] |
Fe [daN] |
ln [mm] |
dn [mm] |
||
|
d0 [mm] |
l0 [mm] |
A0 [mm] |
||||||
8. CONŢINUTUL REFERATULUI
Referatul va cuprinde urmatoarele:
- tipul epruvetei utilizate (forma si dimensiuni, schita);
- materialul epruvetei si caracteristici mecanice conform standardelor respective;
- rezultatele determinarilor si analiza comparativa a rezultatelor experimentale si a indicatiilor standardelor de materiale
- observatii privind comportarea la rupere a materialului încercat.



|