Documente online.
Zona de administrare documente. Fisierele tale
Am uitat parola x Creaza cont nou
 HomeExploreaza
upload
Upload




STUDIUL PROCESULUI DE IONIZARE

Chimie


Studiul PROCESULUI DE ionizare

Obiectul lucr\rii



Studierea procesului de ionizare utiliz>nd camera de ionizare ca detector de radia]ii nucleare [i determinarea m\rimilor fizice care intervin `n procesul de detectare.

Bazele teoretice ale lucr\rii

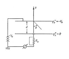
Camera de ionizare este o incint\ `nchis\, de form\ cilindric\, `n care se g\sesc doi electrozi plan - paraleli [i un gaz 16116i813q sau aer `n condi]ii normale. Cei doi electrozi formeaza un condensator plan cu electrozi afla]i la distan]a de d = 3 - 6 cm unul de altul (figura 1). ~n camera de ionizare se introduce sursa radioactiv\ care va determina ionizarea gazului iar schema electronica ata[at\ permite m\surarea curentului electric ce se stabile[te `ntre cei doi electrozi.

Figura 1 Schema de func]ionare a camerei

Figura 2 caracteristica curent-tensiune

Figura 3 Schita camerei reale

Figura 4 Geometria de colectare

~n urma interac]iunii radia]iilor cu moleculele gazului care umple camera de ionizare, se produc ioni pozitivi [i electroni. Num\rul perechilor de sarcini care se produc depinde de natura radia]iei care a interac]ionat cu moleculele gazului [i de energia lor cinetic\. De exemplu o particul\ `nc\rcat\ cu o energie de 10 MeV va produce cam 300.000 perechi de ioni dac\ va fi stopat\ `n interiorul camerei. Dac\ toat\ aceast\ sarcin\ este colectat\ [i dac\ estim\m capacitatea camerei la C = 50 pF, atunci pulsul de tensiune corespunz\tor `nc\rc\rii condensatorului (electrozii) va fi de aproximativ

DV= - Q/C = (3.105)(1,6.10-19)/(50.10-12) = 0,96.10-3 V,

sau aproximativ 0,1 mV/MeV.

Pentru producerea unei perechi de sarcini (ion pozitiv [i electron) trebuie cheltuit\ o energie - energia de ionizare - care `n cazul aerului are valoarea cuprinsa `ntre 30 [i 35 eV (`n medie 33 eV).

~n urma ioniz\rii produse, ionii pozitivi [i electronii pot interac]iona cu atomii gazului din interiorul camerei. Prin transfer de sarcin\ pot ap\rea noi ioni pozitivi, ioni negativi iar prin recombinare atomi neutri. Atunci c>nd nu se aplic\ o diferen]\ de poten]ial `ntre electrozii camerei, ionii pozitivi [i negativi au o mi[care dezordonat\. Un num\r de ioni produ[i se pot recombina.

Dac\ `ntre electrozii camerei de ionizare se aplic\ un c>mp electric, ionii pozitivi produ[i sunt devia]i spre catod, iar electronii spre anod. Prin colectarea acestor sarcini, `n circuitul ata[at camerei apare un curent electric (curent de ionizare). Daca ne referim la trecerea prin camera a unei singure particule ionizante, atunci producerea [i dispari]ia sarcinilor generate are o varia]ie `n timp ce determin\ la bornele unei rezisten]e R (de sarcin\) un puls de tensiune. ~n func]ie de circuitul auxiliar folosit, informa]ia furnizat\ de camera de ionizare poate fi sub forma unui curent de ionizare sau sub forma unor pulsuri succesive create de o succesiune de particule care au interac]ionat cu gazul din camera de ionizare.

Dac\ sursa de radia]ie produce un flux constant de particule ionizante ce str\bat camera, se stabile[te un curent de ionizare de intensitate constant\, i, propor]ional cu fluxul de particule. Acest curent produce la bornele (a, a') a rezisten]ei de sarcin\, R, o c\dere de poten]ial constant\, u = R i. Valoarea tensiunii u de la bornele rezistorului depinde [i de tensiunea aplicat\ pe camer\ din cauza eficien]ei mai mici sau mai mari de colectare a sarcinii produse prin ionizare `n spa]iul dintre electrozi. La `nceput, atunci c>nd diferen]a de poten]ial este mic\, fenomenul de recombinare este mai puternic [i o mare parte din purt\torii de sarcin\ se recombin\ `nainte de a ajunge la electrozi. Pe m\sur\ ce diferen]a de poten]ial cre[te, ionii [i electronii accelera]i `n c>mpul electrostatic se mi[c\ mai repede, probabilitatea de recombinare scade [i sarcina colectat\ la electrozi cre[te. De la o anumit\ valoare V1 a tensiunii, to]i ionii genera]i la trecerea unei particule ionizante sunt practic colecta]i de electrozi [i curentul de ionizare ajunge la satura]ie. Acesta este domeniul camerei de ionizare (figura 2). De la valoare V2 regimul camerei de ionizare se schimba si curentul colectat incepe s\ creasc\ din nou datorit\ unor fenomene de producere de sarcin\ electric\ prin ciocniri succesive (multiplicare).

Viteza de deplasare a ionilor sau electronilor produ[i va fi determinat\ `n primul r>nd de mobilitatea lor. Rela]ia care exprim\ dependen]a vitezei de deplasarea a ionilor si mobilitate lor este:

(1)

unde v este viteza medie de deplasare a ionilor, m este mobilitatea, E este intensitatea c>mpului electric existent `ntre electrozi iar p este presiunea gazului din camera de ionizare.

Mobilitatea m a ionilor pozitivi are valoarea cuprins\ `ntre cm2. atm./Volt. sec. Dac\ diferen]a de poten]ial aplicat\ `ntre electrozi are valoarea de 104 V, atunci pentru un gaz a c\rui presiune este de 1 atm., viteza de deplasare a ionilor pozitivi va fi egal\ cu 1 m/sec. Deci, timpul necesar ca ionii produ[i s\ ajung\ la catod, atunci c>nd distan]a dintre anod [i catod este de 2 - 3 cm, va fi de ordinul milisecundelor. Electronii av>nd o mobilitate m de aproximativ 1000 de ori mai mare, viteza lor de deplasare va fi tot de 1000 de ori mai mare [i timpul lor de colectare de aproximativ 1000 de ori mai mic. Ca urmare, electronii produ[i vor ajunge la anod doar `n c>teva microsecunde. Camera se polarizeaz\ astfel `nc>t la electrodul colector s\ se colecteze electroni.



Dac\ viteza de recombinare a ionilor pozitivi [i a electronilor este mic\, atunci, pentru o anumit\ vitez\ de producere a lor putem avea un curent de ionizare m\surabil. Valoarea acestui curent este cu at>t mai mare cu c>t valoarea diferen]ei de poten]ial aplicat `ntre electrozi este mai mare. Pentru o anumit\ valoare a acestuia, curentul respectiv poate atinge valoarea maxim\ (se poate satura) [i poart\ numele de curent de satura]ie.

M\surarea curentului de satura]ie [i studierea dependen]ei lui de activitatea surselor radioactive [i de natura [i energia particulelor emise de surse este problema de baz\ care se pune `n cazul folosirii camerei de ionizare ca detector de radia]ie.

Dependen]a curentului de ionizare de valoarea diferen]ei de poten]ial aplicat `ntre electrozii camerei, de natura radia]iei [i de viteza de iradiere (num\rul de ioni pozitivi + electroni produ[i `n unitatea de timp) este redat\ de caracteristica curent - tensiune a camerei de ionizare care se vede `n figura 2 (e - electroni, a - particule alfa; grafic calitativ).

Ob]inerea curentului de satura]ie este influen]at\ `n primul r>nd de viteza de recombinare a ionilor produ[i. Aceast\ vitez\ de recombinare depinde de densitatea ionilor produ[i de radia]ia de detectat. Ca urmare, `n cazul particulelor a aceast\ vitez\ de recombinare este mult mai mare dec>t `n cazul particulelor b.

Intensitatea radia]iei de detectat influen]eaz\, de asemenea, viteza de recombinare a ionilor produ[i. Cu c>t aceast\ intensitate este mai mic\ [i densitatea ionilor produ[i este mai mic\ [i prin urmare, [i viteza de recombinare a lor este mai mic\.

Curentul de satura]ie este puternic influen]at de difuzia invers\ a ionilor. Acest fenomen apare atunci c>nd ionii pozitivi [i electronii au o concentra]ie mare `n apropierea catodului respectiva anodului. ~n vecin\tatea electrozilor poate s\ apar\ un c>mp electric invers celui existent `ntre electrozii camerei. Acest c>mp electric invers duce la apari]ia difuziei inverse, deci la mic[orarea valorii curentului de satura]ie, pentru o anumit\ intensitate a radia]iei. Efectele de recombinare [i de difuzie invers\ a ionilor vor determina modul de cre[tere a curentului de ionizare al camerei, p>n\ la atingerea curentului de satura]ie.

Figura 5 Dispozitivul experimental

Figura 6 Pierderea de energie specific\ pentru particule alfa `n aer la presiune normal\

Pierderea de energie specific\ (adic\ pe unitate de parcurs) a unei particule alfa sau alt\ particul\ `nc\rcat\, prin procese de ionizare a atomilor ciocni]i, este dat\ de rela]ia lui Bethe:

(2)

unde N - num\rul de atomi pe cm3; Z - num\rul atomic al substan]ei; z - sarcina electric\ a particulei incidente; e - sarcina electronului; m- masa de repaus a electronului; v - viteza particulei; poten]ialul mediu de ionizare, care poate fi calculat aproximativ cu formula lui i]eica: I = 9,5 Z eV. Datorit\ perderii de energie prin ionizare, dup\ un anumit num\r de ciocniri, respectiv dup\ un parcurs dat, particula incident\ `[i cheltuie[te toat\ energia [i se opre[te. Acest parcurs R, este legat de energia ini]ial\ a particulei [i de mediul star\b\tut. Pentru particule alfa ce str\bat aerul `n condi]ii normale de temperatur\ [i presiune este valabil\ rela]ia aproximativ\:

(3)

unde v este viteza ini]ial\ a particulei alfa (cm/s), a - un coeficient, R - parcursul particulei alfa (cm). Viteza particulei alfa dup\ ce a parcurs o distan]\ x `n material (de exemplu aer) poate fi exprimata prin rela]ia lui Geiger (1910):

(4)

Pentru particule alfa de E=7,68 MeV coeficientul a este a=0,1515



Figura 7 Perechi de ioni produ[i pe cm

Figura 8 Coeficientul de atenuare

M\surarea curen]ilor de ionizare se face cu un electrometru care m\soar\ tensiune pe o rezisten]\ introdus\ `n circuitul electric al camerei (ea are valoarea cuprinsa `ntre R = ). Schema bloc a montajului folosit `n lucrare este ar\tat `n figura 3.

Camera de ionizare este legat\ la o surs\ de tensiune care permite aplicarea unei tensiuni pe electrozii camerei, iar curentul de ionizare care se ob]ine se m\soar\ cu un electrometru care indic\ ori c\derea de tensiune pe rezisten]a R ori direct valoarea curentului.

Modul de lucru

Se introduce `n camera de ionizare o surs\ a sau b activ\. Se conecteaz\ sursa de tensiune [i electrometrul la re]ea. Dup\ fixarea valorii rezisten]ei electrometrului la 107 (comutator 2) se fixeaz\ o scal\ de m\sur\ mai sensibil\ cu ajutorul comutatorului 1. Din butoanele 3 [i 4 se fixeaz\ indicatorul aparatului de m\sur\ la zero. Apoi, se aplic\ o tensiunea treptat cresc\toare din volt `n volt pe electrozii camerei de ionizare. Pentru fiecare valoare a tensiunii aplicate se determin\ valoarea curentului de ionizare. ~n momentul `n care acest curent r\m>ne aproximativ constant `nseamn\ c\ s-a ajuns la satura]ie. Apoi, se reprezint\ I - valorile m\surate `n func]ie de V aplicat.

Se determin\ cele dou\ valori de varia]ie a lui I = f (V) at>t pentru sursa a c>t [i pentru sursa b

S\ se explice calitativ diferen]a dintre cele dou\ caracteristici ob]inute.

Din curentul de satura]ie astfel ob]inut pentru sursa a respectiv b, cunosc>nd activit\]ile surselor L [i L [i energiile particulelor a [i b emise, s\ se calculeze energiile necesare pentru producerea unei perechi de ioni de c\tre o particul\ a respectiv b

~ntreb\ri

1. ~n ce condi]ii se poate utiliza caracteristica I = f (V) pentru determinarea energiei particulelor a sau b

2. Care este motivul pentru care curentului de satura]ie se ob]ine la valori mai mari ale tensiunii aplicate pe electrozii camerei de ionizare pentru particulele a

3. Care sunt avantajele camerelor de ionizare fa]\ de alte tipuri de detectori de radia]ie?

Bibliografie:

1. E.Segre, "Experimental Nuclear Physics", vol.1, N.Y., 1953

2. A.Sanielevici, "Radioactivitatea", vol. 1, Ed. Academiei, 1956

3. E.Funfer, H.Neuert, "Zahlrohre und szintillationszahler", Verlag G.Braun, 1959

4. E.Badarau, I.Popescu, "Gaze ionizate", Ed. tehnic\, 1965

5. H.Enge, "Introduction to Nuclear Physics", Addison-Wesley, 1966

6. M.Oncescu, "Fizica", Ed. didactica si pedagogica, 1975

7. D.Poenaru, N.V`lcov, "M\surarea radia]iilor nucleare cu dispozitive semiconductoare", Ed. Academiei, 1967

8. K.Mihin, "Fizic\ nuclear\ experimental\", Ed. Tehnic\, 1982




Document Info


Accesari: 11321
Apreciat: hand-up

Comenteaza documentul:

Nu esti inregistrat
Trebuie sa fii utilizator inregistrat pentru a putea comenta


Creaza cont nou

A fost util?

Daca documentul a fost util si crezi ca merita
sa adaugi un link catre el la tine in site


in pagina web a site-ului tau.




eCoduri.com - coduri postale, contabile, CAEN sau bancare

Politica de confidentialitate | Termenii si conditii de utilizare




Copyright © Contact (SCRIGROUP Int. 2026 )