APARATE DIGITALE PENTRU MASURAREA TIMPULUI SI FRECVENTEI
1.Scopul lucrarii
Lucrarea studiaza functionarea si utilizarea aparatelor numerice din clasa numaratorului universal pentru marimi discrete “timp - frecventa”.
Se studiaza:
functionarea unei unitati de numarare zecimale (UNZ) si a unui afisaj numeric pentru aparate digitale,
functionarea unui frecventmetru- periodmetru,
se determina frecventele critice,
se determina erorile de masurare in cele doua moduri de lucru.
2.Principii de masurare.
2.1.Scheme functionale
La baza aparatelor digitale utilizate pentru masurarea timpului si frecventei sta instrumentul digital numit 'NUMARATOR UNIVERSAL'.
Schema functionala a numaratorului este prezentata in fig. 26.1. si cuprinde: circuitul de intrare, poarta principala, unitatea de numarare zecimala si afisare, unitatea de control logic si baza de timp cu oscilator cu cuart.

Fig. 26.1. Schema functionala a numaratorului universal
Circuitul de intrare (C.I) prelucreaza semnalul analogic de masurat intr-o succesiune de impulsuri dreptunghiulare de aceeasi frecventa cu cel de la intrare, carora li se pot asocia nivelele logice '0' si '1' dupa o anumita logica.
Poarta principala (P.P.) este in fond un circuit logic cu doua intratri A si B si iesirea C (fig.26.2).

Fig. 26.2. Poarta principala.
Daca notam fA frecventa semnalului aplicat la intrarea A si fB frecventa semnalului aplicat la intrarea B, numarul de impulsuri ce vor trece prin iesirea C catre unitatea de numarare zecimala (UNZ) va fi:
(26.1)
in care TB = 1/fB este perioada semnalului aplicat la intrarea B.
Semnalul A este semnalul informational iar semnalul B este un semnal de control al timpului cat este mentinuta deschisa poarta principala.
Oscilatorul cu cuart si baza de timp. Pentru masurarile de timp si frecventa este necesara o referinta de timp de mare stabilitate si precizie ce va fi divizata pentru a obtine timpi diferiti de deschidere a portii principale.
Baza de timp de referinta este un oscilator sinusoidal OC foarte stabil pilotat de un cuart, ce furnizeaza un semnal de frecventa fixa de 1 MHz sau 10 MHz. Acest semnal sinusoidal este aplicat unui formator de impulsuri. In continuare aceasta frecventa este divizata in trepte de 10 obtinandu-se in general intervale de timp cuprinse intre 100 ns si 10s.
Unitatea de control logic este un bloc de interfatare a partilor componente conform comenzilor date de pe panoul frontal, conducand la realizarea anumitor masurari (perioada, frecventa etc.).
Principalele functiuni ale unitatii de control logic sunt: alegerea modului de lucru, alegerea intervalului de masurare conform comenziloe primite, controlul dispozitivelor optoelectrice ce indica depasirea intervalului de masurare si pozitia portii principale, generarea impulsurilor de aducere la zero a numaratoarelor decadice si de comanda a transferului informatiei in memorie si spre afisaj, generarea semnalului de pozitionare a punctului zecimal, generarea semnalelor de actionare a indicatoarelor optoelectronice a unitatii de masura (Hz, kHz, s, ms, s).
Unitatea de numarare zecimala si afisajul sunt constituite dintr-un numar de blocuri egal cu numarul de decade al numaratorului. Fiecare bloc este format din: numarator decadic, memorie, convertor BCD-zecimal (pentru afisaj cu tuburi Nixie) sau convertor BCD-7 segmente pentru afisaj cu LED-uri si pentru afisaj cu LCD-uri, indicatorul optoelectronic cu circuitul sau de comanda(fig.26.3).

Fig.26.3. Elemente ale unitatii de numarare si afisare zecimala.
Principalele moduri de lucru ale numaratorului digital sunt: modul de lucru cronometru, modul de lucru frecventa, modul de lucru perioada, modul de lucru perioada multipla.
2.2. Functionarea numaratorului universal ca cronometru
Schema de principiu a cronometrului digital este prezentata in fig. 26.4.

Fig. 26.4. Schema de principiu a cronometrului digital.
Numarul de impulsuri ce trece prin poarta principala intr-un timp tx este dat de relatia:
(26.2)
unde: fc este frecventa selectionata de la baza de timp (fc =10k). Corespunzator valorilor lui k rezultatul masurarii va fi afisat in secunde (s) milisecunde (ms) sau microsecunde (ms) cu localizara corespunzatoare a punctului zecimal.
Intervalul de timp tx poate fi obtinut prin comenzi manuale de pe panoul frontal de START-STOP sau cu fronturile unor semnale electrice provenite din schema in care se masoara.
Functionarea numaratorului universal ca frecventmetru (modul de lucru frecventa)
Schema functionala de interconectare a circuitelor numaratorului este prezentata in fig. 26.5. a. iar in fig. 26.5. b. formele de unda.

Fig. 26.5. Masurarea frecventelor:
a) Schema bloc ; b) Formele de unda.
Conform schemei, numarul de impulsuri ce trec prin poarta principala este:
(26.3)
in care :
fx - frecventa de masurat (semnalul aplicat la intrarea informationala a);
Tp - intervalul de timp cat poarta principala este deschisa (semnal obtinut de la divizorii bazei de timp, aplicat la intrarea de control B).
2.4. Functionarea numaratorului ca periodmetru (modul PERIOADA)
Schema functionala de interconectare a circuitelor numaratorului si diagrama de impulsuri sunt prezentate in fig. 26.6.

Fig. 26.6. Masurarea perioadei
a) Schema functionala ; b) Diagrama de impulsuri.
Perioada fiind inversul frecventei se inverseaza intrarile portii principale. In acest caz numarul de impulsuri N ce trec prin poarta principala este:
(26.4)
unde :
fx - frecventa etalon aleasa de la divizorii bazei de timp;
Tx - perioada de masurat.
2.5. Masurari de perioade multiple (modul MULTIPERIOADA)
Dezavantajul modului uniperioada il constituie precizia destul de scazuta. De aceea se mediaza rezultatul pe un numar de perioade pentru a se obtine o precizie si o rezolutie cat mai bune.
Schema functionala a modului multiperioada este prezentata in fig. 26.7.
Numarul de impulsuri ce trec prin poarta principala este:
(26.5)
unde k este ordinul decadei selectate de la baza de timp.

Fig. 26.7. Masurarea perioadei multiple.
a) Schema functionala ; b) Diagrama de impulsuri.
2.6.Masurarea defazajului intre doua semnale
Schema de principiu pentru masurarea numerica a defazajului intre doua semnale este prezentata in fig.26.8.

Fig.26.8. Principiul masurarii numerice a defazajului.
3. Chestiuni de studiat
Studiul unitatii de numarare si afisare zecimala cu LED-uri.
- Studiul numaratorului la numarare in sens direct si invers.
- Se va urmari transferul continutului numaratorului in memorii si afisarea acestuia prin aplicarea impulsurilor de transfer la afisaje prin intermediul decodoarelor pentru diverse cifre.
Verificarea functionarii corecte a numaratorului universal.
Functionarea numaratorului universal ca frecventmetru. Se vor masura frecventele: 10 Hz, 20 Hz, 50 Hz, 100 Hz, 200 Hz, 500 Hz, 1 kHz, 2 kHz, 5 kHz, 10 kHz, 20 kHz, 200 kHz, 500 kHz, 1 MHz, pentru diferite valori ale timpului de deschidere a portii principale (10s, 1s si 0,1)si se vor calcula erorile de masurare.
Functionarea numaratorului universal ca periodmetru. Masurarea perioadei se va face pentru aceleasi frecvente ca la 3. 3. pe gamele 1 T; 10 T; 102T.
Se vor calcula erorile de masurare. Se vor trasa pe acelasi grafic curbele de erori la functionarea ca frecventmetru si periodmetru, frecventa si erorile fiind reprezentate la scara logaritmica. Din grafice se vor determina frecventele critice si se vor compara cu cele calculate teoretic cu relatiile (26.8)
Masurarea defazajului intre diferite semnale cu ajutorul fazmetrului digital.
4.Modul de experimentare
4. 1. Descrierea montajelor
4.1.1.Montajul pentru studiul unitatii de numarare si afisare zecimala
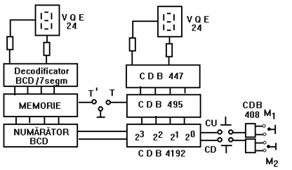
Functionarea unitatii de numarare si afisare zecimala se exemplifica pe o iesire cu 2 cifre zecimale (fig.26.3). Sunt utilizate circuite integrate TTL.
Numaratoarele folosite sunt reversibile (CDB 4192), interconectate in doua decade zecimale. Pentru decada unitatilor, numaratorul are intrari separate de numarare, inainte C. U. (COUNT UP) si numarare inapoi C. D. (COUNT DOWN).
El este conectat pentru transfer in ambele sensuri cu numaratorul de la decada zecilor. Continutul numaratorului este accesibil in cod NBCD si este transferat paralel in doua memorii CDB 495.
Decodoficatoarele NBCD- 7 segmente (CDB447) comanda cifrele afisoarelor VQE24 conform cu continutul numaratoarelor. Bistabilii realizati cu porti inversoare (CDB400) conectati pe intrarile C. U. si C. D. au rolul de a evita numararea unor impulsuri false.
4.2. Modul de experimentare
Pentru studiul functionarii numaratorului digital se va folosi schema din fig. 26.9.
Verificarea bunei functionari a numaratorului digital se face prin implementarea functiei 'TEST'. In acest caz se realizeaza interconectarile din fig. 26.11. In functie de priza 'k' selectata de la divizorii bazei de timp va trebui sa fie afisata valoarea 10k.

Fig. 26.11. Schema bloc de verificare a functionarii bazei de timp,
a unitatii de numarare zecimale si a afisajului.
Pentru studiul functionarii numaratorului universal ca frecventmetru se implementeaza functia 'FRECVENTA' prin apasarea pe tasta corespunzatoare.
De la generatorul de semnal (fig.26.9) se stabilesc pe rand frecventele de la pct.3. 3.
Fiecare frecventa se masoara pe gamele 0,001s; 0,01s;0,1s;1s;10s. Erorile se vor calcula cu relatia:
(26.6)
unde N este numarul afisat fara virgula; c =2.10-8 este eroarea oscilatorului de cuart.
Pentru studiul functionarii numaratorului universal ca periodmetru se implementeaza functia 'PERIOADA' prin apasare pe tasta corespunzatoare. Se vor masura aceleasi frecvente ca la punctul 4.2.3. Fiecare frecventa va fi masurata pe gamele 1T; 10T; 102T.
Observatie: Se fixeaza din generator freventa si apoi se comuta gamele de frecventa si apoi cele de perioada, efectuandu-se toate citirile. Apoi se regleaza urmatoarea frecventa din tabel.
Erorile de masurare se vor calcula cu relatia:
(26.7)
in care: d =3.10-3 este eroarea de declansare; n=1 pentru gama 1T; n=10 pentru gama 10 T; n=100 pentru gama 100 T.
Rezultatele obtinute se vor trece in tabelul nr.26. 2.
Curbele de erori f = f (f) si T = T (f) se vor trasa pentru acelasi domeniu pe acelasi grafic. La intersectia celor doua curbe (f =T) se obtin frecventele critice.
Tabelul 26.2
|
Frecventa |
fixata |
Hz | |||
|
0,001 s |
Hz | ||||
|
f | |||||
|
0,01 s |
Hz | ||||
|
Intervalul |
f | ||||
|
de |
0,1 s |
Hz | |||
|
masurare, |
f | ||||
|
erori, |
1 s |
Hz | |||
|
f | |||||
|
10 s |
Hz | ||||
|
f | |||||
|
1 T |
s | ||||
|
T | |||||
|
10 T |
s | ||||
|
T | |||||
|
100 T |
s | ||||
|
T |
Pentru determinarea prin calcul a frecventelor critice se calculeaza erorile obtinute pentru fiecare domeniu de masurare a frecventelor cu erorile obtinute pentru fiecare domeniu de masurare a perioadelor:
(26.8)
unde; fc= 106 Hz este frecventa oscilatorului cu cuart;
fx = frecventa de masurat;
m, p = exponenti ce tin seama de ordinul de divizare al frecventei semnalului de masurat (m=3 pentru 0,001s; m=4 pentru 0,01s; m=5 pentru 0,1s; m=6 pentru 1s si m=7 pentru 10s, p=0 pentru 1T; p=1 pentru 10T; p=2 pentru 100T. )
|