Documente online.
Zona de administrare documente. Fisierele tale
Am uitat parola x Creaza cont nou
 HomeExploreaza
upload
Upload




CENTRALA GIROSCOPICA DE CAP SI DE VERTICALA

Fizica


CENTRALA GIROSCOPICA DE CAP SI DE VERTICALA

2.1 Componentele centralei giroscopice de cap si de verticala



Centrala giroscopica de cap si de verticala reprezinta o platforma stabilizata in jurul a trei axe, reunind intr-un ansamblu cu functionare unitara a doua aparate giroscopice:

un giroorizont;

un sistem de curs.

Centrala giroscopica de cap si de verticala se ba 444b14e zeaza pe principiul stabilizarii giroscopice de forta.

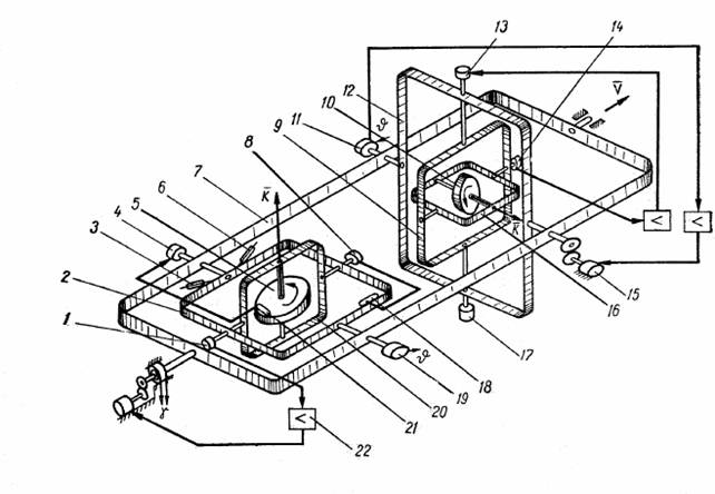
In fig. 2.1 este prezentata schema cinematica a centralei.

Centrala este compusa din urmatoarele subansamble:

giroscop de verticala, ce furnizeaza semnalele electrice de ruliu si tangaj;

giroscop de cap, ce furnizeaza semnalele electrice ale capului compas;

cadru comun de urmarire in ruliu.

Fig. 2.1

1, 14 - traductoare inductive;

2, 9 - inele exterioare de suspensie ale giroscoapelor de verticala respectiv de directie;

3, 6 - intreruptoare ale corectiei longitudinale;

4, 8, 13 - traductoare ( motoare ) de cuplu;

5, 10 - giromotoare de verticala respectiv de directie;

7 - cadru de urmarire de ruliu;

11, 19 - selsin receptor respectiv transmitator de tangaj;

12 - cadrul de urmarire de tangaj al giroscopului de directie;

15 - motor-generator:

16, 20 - inele interioare de suspensie;

17 - selsin transmitator de cap;

18, 21 - comutatoare pendulare cu lichid;

22 - amplificatorul din canalul cadrului de urmarire de ruliu.

2.2 Modul de functionare al centralei de cap si de verticala

Centrala de cap si de verticala furnizeaza informatii sub forma de semnale electrice despre unghiul de ruliu, tangaj si cap ale aeronavei. Semnalele sunt formate cu ajutorul a doua giroscoape, cel de verticala si cel de directie.

Directia poate fi determinata cu o precizie foarte buna cu ajutorul unui giroscop de directie care sa aiba o foarte mare stabilitate si care sa nu introduca erori cardanice.

Eroare cardanica poate fi evitata prin mentinerea axului cadrului exterior al giroscopului de cap in pozitia verticala prin intermediul a doua cadre suplimentare de urmarire.

Fixarea directiei verticale adevarate se face cu ajutorul unui girovertical care poate memora aceasta directie si sa permite masurarea unghiurilor de ruliu si tangaj. Giroverticalul are la baza un giroscop cu trei grade de libertate si un sistem de corectie.

Pentru a transmite in flux continuu, unghiurile de ruliu si de tangaj in ansamblul centralei se foloseste un regulator de cadre ce mentine cadrul de urmarire in ruliu al centralei de zbor verticale, in intervalul fata de verticala. Sistemul centralei este deci un sistem complex, ce asigura calcularea non-stop a unghiurilor de ruliu, tangaj si cap ale aeronavei.

In ceea ce priveste determinarea directiei, se utilizeaza principiul de functionare in comun al giroscopului de directie cu transmitatorul de directie de tip inductiv, transmitatorul determina directia aeronavei fata de meridianul magnetic pentru a corecta semnalul de directie transmis de giroscopul de cap.

Semnalele de directie se transmit de la giroscopul de cap prin mecanismul de coordonare montat in blocul amplificator la toti consumatorii cu ajutorul selsinului diferential care lucreaza in regim de transformator.

In giroscopul de cap este inclus selsinul transmitator al semnalelor de cap, iar in mecanismul de coordonare este inclus un selsin diferential destinat transmiterii semnalelor de cap corectate.

Giroscopul de cap nu are corectie azimutala, deci axul principal al giroscopului ocupa o pozitie libera in raport cu meridianul magnetic.



Coordonarea initiala a semnalelor de cap, dupa directia magnetica sau cursul adevarat se realizeaza prin modificarea suplimentara in directie a selsinului mecanismului de coordonare, inclus in blocul de amplificare, dupa semnalul de la transmitatorul inductiv.

Semnalele de tangaj se culeg de la statorul selsinului transmitator al tangajului montat pe axa cadrului exterior al giroscopului de verticala, iar semnalele de ruliu se transmit la consumatori de la statorul selsinului transmitator montat pe axa cadrului de urmarire in ruliu.

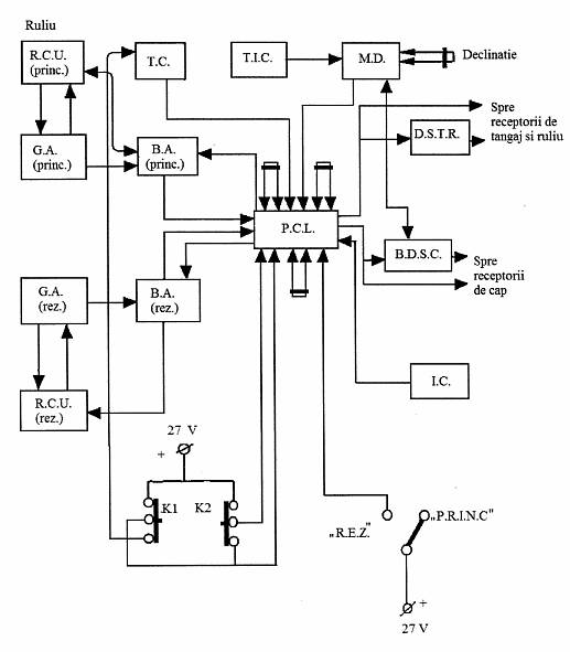
Schema structurala a centralei giroscopice de cap si de verticala.

Fig. 2.2

G.A. - giroagregatul sistemului;

R.C.U.  - regulator cadru urmarire;

T.C.  - transmitator de cap;

B.A. - bloc amplificare;

T.LC.  - traductor inductiv de cap;

P.C.L.  - pupitru corectie latitudine;

M.D.  - mecanism de directie;

D.S.T.R. - distribuitor de directie;

LC.  - intrerupator corectie;

B.D.S.C. - blocul de distributie a semnalelor de cap.

2.3 Regimul de functionare

Giroscopul de directie din sistemul de cap si de verticala lucreaza in trei regimuri:

a)      regimul de girosemicompas;

b)      regimul de corectie magnetica;

c)      regimul de corectie initiala.

a)      Regimul de girosemicompas, este regimul de baza in care lucreaza sistemul, in acest regim se asigura compensarea fiecarei deplasari a giroscopului datorita rotatiei diurne a Pamantului.

Semnalul de la un potentiometru special montat pe pupitrul corectiei de latitudine este trimis la motorul generator din mecanismul de coordonare care prin intermediul unui reductor roteste rotorul selsin diferential cu o viteza unghiulara corespunzatoare cu componenta verticala a vitezei de rotatie a Pamantului la latitudinea data.

b)      Regimul de corectie magnetica, se cupleaza la actionarea unui buton montat pe pupitrul de comanda, producandu-se coordonarea rapida a sistemului giroscopului de directie dupa directia magnetica.

c)      Regimul de corectie initiala a capului, se realizeaza cu ajutorul transmitatorului de

cap ( T.C. ), care permite corectia initiala a capului in sistem, cu o precizie indicata de pana la 45 de minute, in acest fel se stabileste pozitia precisa a avionului in azimut.




Document Info


Accesari: 2994
Apreciat: hand-up

Comenteaza documentul:

Nu esti inregistrat
Trebuie sa fii utilizator inregistrat pentru a putea comenta


Creaza cont nou

A fost util?

Daca documentul a fost util si crezi ca merita
sa adaugi un link catre el la tine in site


in pagina web a site-ului tau.




eCoduri.com - coduri postale, contabile, CAEN sau bancare

Politica de confidentialitate | Termenii si conditii de utilizare




Copyright © Contact (SCRIGROUP Int. 2025 )