1.Curenti de magnetizare
Consideram o bara
cilindrica în care dipolii magnetici atomici , distribuiti uniform
sunt orientati dupa o directie paralela cu axa cilindrului.
Spunem ca bara este uniform magnetizata, vectorul de magnetizare
fiind orientat paralel
cu bara.

În interiorul barei
curentii atomici vecini se anuleaza reciproc, având sensuri opuse. La
suprafata ei însa acesti curenti nu se mai anihileaza,
existând un curent net, ceea ce echivaleaza bara uniform magnetizata
cu un solenoid lung parcurs de curent. Daca ne imaginam o folie
transversala de material, 19119x2318t de grosime
, fiecare bucla
poseda un moment magnetic.
,
de unde extragem curentul :
. Spunem ca acesti curenti se anihileaza
în material, dar nu la suprafata, unde vom avea o densitate
superficiala de curent :
![]()
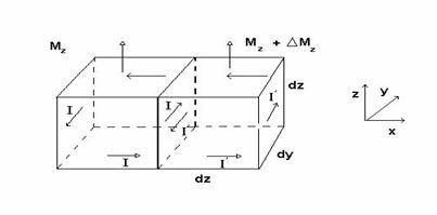
În cazul în care vectorul de magnetizare nu
este uniform,
, vom arata ca apare în substanta un
curent de magnetizare:
.
Pentru aceasta sa împartim
suprafata în mici blocuri presupuse având o magnetizare uniforma în
interior, valoarea magnetizarii suferind mici salturi când treceam de la
un bloc la altul. Apoi vom considera fiecare bloc echivalent cu o panglica
de curent parcursa de intensitatea
. Blocul vecin (pe directia
) e parcurs de un curent mai mare
, astfel încât, la interfata celor doua blocuri va
exista un curent net dat de diferenta:
,

Densitatea de curent
corespunzatoare (pe directia
) se obtine raportând curentul
la aria transversala pe care o strabate
perpendicular. În cazul descris aceasta este nula. În realitate însa,
variatia lui
nu se face în salturi ( când ne deplasam pa
directia
) ci continuu si atunci interfata dintre blocuri nu
mai este un plan ci se extinde la un domeniu de arie
:
![]()
O contributie la
densitatea de curent
mai exista
si datorita variatiei componentei
a magnetizatiei când ne deplasam pe directia
:
, blocurile fiind acum asezate unul peste celalalt.
Combinând cele doua contributii obtinem:
![]()
Analog se obtin componentele
, demonstrând relatia:
![]()
2. Ecuatiile lui Maxwell în substanta
Sa consideram legea lui Ampere completata de Maxwell :
![]()
Daca în acel mediu avem si un
curent de conductie
, si un curent de polarizare
si un curent de
magnetizare
, putem exprima densitatea de curent ca o numa :
![]()
Înlocuind în ecuatie, obtinem :
,
.
Amintindu-va ca
- inductia câmpului electric si definind
- intensitatea câmpului magnetic, legea lui Ampere
completata de Maxwell se rescrie sub forma :
.
3. Câmpuri statice.
Vom considera câmpurile care nu depind de timp. Ecuatiile lui Maxwell:
,
,
,
,
devin :
si
, adica se produce o deplasare a vectorilor
si
daca densitatea volumica de sarcina
si curentii
nu depind de timp.
3.1 Electrostatica.
Când vectorul
depinde numai de
pozitie, ecuatiile lui Maxwell se scriu:
si
. Cea de-a doua ecuatie ne ofera posibilitatea
introducerii functiei potential scalar (
) prin relatia
. (Într-adevar,
, pentru orice functie scalara
.Înlocuind în prima
ecuatie Maxwell, obtinem:
, ecuatia lui Poisson, sadisfacuta de
catre potentialul scalar din care deriva câmpul.
În
absenta sarcinilor electrice
, ecuatia lui Poisson se transforma în ecuatia
lui Laplace :
, a carui solutie
nu poate avea extreme
(matematic, aceasta înseamna ca derivatele partiale de ordinul
doi:
sa aiba
acelasi semn).
Cautam
acum solutia ecuatiei Poisson.Pentru început vom considera o
sarcina punctiforma
si vom determina
intensitatea câmpului
produs la
distanta
de ea cu ajutorul
teoremei lui Gauss. Vom considera o suprafata gaussiana de
forma sferica, (din considerente de simetrie) , de raza
, având în centru sursa, si vom calcula fluxul câmpului
electric :
(legea lui Coulomb)
Potentialul scalar al câmpului produs de
sarcina
în punctul situat la distanta
este dat de relatia :
.
![]()
În cazul în care avem un sistem de sarcini punctuale, principiul superpozitiei afirma ca potentialulcâmpului rezultat într-un punct în mod independent de catre fiecare sursa în parte.

Daca
sarcinile nu sunt punctiforme ci au o distributie continua
descrisa de densitatea volumica de sarcina
, potentialul rzultat într-un punct din spatiu va
fi :
, unde
este distanta de
la elementul de volum
la punctul în care calculam potentialul. Astfel pe
o cale ocolita am aflat solutia ecuatiei Poisson
:
.
3.2.Magnetostatica
În
cazul curentilor stationari (
nu depinde de timp ) ecuatiile lui Maxwell pentru
câmpul magnetic sunt :
si
.
Cea de-a doua ecuatie ne permte
introducerea potentialului vector
prin relatia
:
, deoarece
, oricare ar fi functia vectoriala
. Înlocuind în prima ecuatie obtinem :
,
si apicând relatia cunoscuta :
, avem :
sau grad
.
Impunem potensialului vector al câmpului conditia :
![]()
el nefiind univoc determinat. Acum
va satisface ecuatia lui Poisson :
.
Deoarece ecuatile similare au solutii similare, vom gasi :
,
unde R este distanta de la elementul de volum
la punctul în care calculam
. Putem acum sa determinam inductia câmpului
magnetic prin relatia:
,
Pentru a calcula aceasta expresie vom folosi identitatea :
, unde
este o functie scalara si
este o functie
vectoriala. În cazul nostru, vom considera
si
:
.
Expresia
se anuleaza
deoarece operatorul rotor contine derivatele partiale în raport cu
coordonatele
ale punctului de
observatie în timp ce functia vectoriala
depinde de
coordonatele locului unde sunt curentii, surse de câmp.
Acum,
![]()
si expresia
devine
, Conducând la rezumatul :
,
Cunoscut sub numele de legea lui Biot-Savart. El permite aflarea câmpului magnetic produs de o distributie cunoscuta de curenti.
3.3. Curentul electric stationar
3.3.1. Tensiunea electromotoare
Miscarea
ordonata a sarcinilor libere într-un mediu conductor se numeste
curent de conductie. În majoritetea materialelor densitatea de curent este
proportionala cu forta care actioneaza asupra
unitatiide sarcina
:
,
unde
se numeste conductivitatea
electrica materialului, iar
este rezistivitatea
electrica a acestuia (
în cazul dielectricilor ,
pentru semiconductori si
pentru metale ) .
Daca forta care transporta sarcinile este de natura electromagnetica (forta Lorentz), ea are expresia
,
iar pentru viteze mici termenul
se neglijeaza si obtinem forma locala
a legii lui Ohm.
![]()
În teoria electrica în care electronii
de conductie au o miscare haotica , asemenea moleculelor unui
gaz, expresia conductivitatii este data de
, unde
este parcursul mediu
al undelor electrice în metal iar
este impulsulelectronului aflat pe nivelul Fermi (nivelul
energetic cel mai ridicat, ocupat de electroni la temperatura de zero absolut).
Pentru
un fir de sectiune transversala
si lungime
o tensiune
(diferenta de potential)
aplicata la capetele sale produce (în metal) un câmp
electric de intensitate
.Aplicând legea lui Ohm în forma locala :
, putem obtine intensitatea curentului:
.
În aceasta expresie am notat cu
, rezistenta electrica a firului metalic.
Relatia
se numeste legea lui Ohm pentru o portiune de
circuit si arata proportionalitatea dintre intensitatea
curentului si diferenta de potential.
Se
poate arata ca un câmp de forte columbiene nu poate mentine
un curent electric continuu într-un circuit. Aceasta se întâmpla deoarece
fortele electrostatice conduc la redistribuirea sarcinilor electrice
astfel încât câmpul electric în mediu conductor se anuleaza si
potentialul (
sau
) devine acelasi peste tot.
Pentru a avea un curent continuu într-un circuit trebuie ca alaturi de fortele electrostatice sa actioneze asupra purtatorilor de sarcina liberi, forte de natura neelectrostatica numite forte exterioare .
Acestea sunt create de catre sursele de tensiune electromotoare (beterii electrice, acumulatoare, dinamuri,.) , care închid circuitul (recirculând sarcinile libere) si mentin constanta diferenta de potential dintre doua puncte oarecare ale circuitului.
Într-o sursa de tensiune electromotoare (t.e.m.) se consuma o energie de alta natura decât cea electrica (chimica, mecanica, termica, luminoasa,..)care transporta electronii de la borna minus la borna plus împotriva câmpului electric coulombian de la un potential mic la unul mai mare. Asupra electronilor actioneaza în interiorul sursei de t.e.m. forte exterioare iar în exteriorul sursei actioneaza forte electrice.
Asupra unui purtator de sarcina unitate actioneaza o forta:
![]()
unde
este forta exteriora iar
este forta coulombiana. Pentru o portiune de
circuit de sectiune
cuprinsa între punctele 1 si 2, lucrul mecanic
efectuat pentru transportul unei sarcini unitate este :
,
unde :
,
: diferenta de
potential în câmp electrostatic între punctele 1 si 2 , iar
este tensiunea
electromotoare din portiunea de circuit cuprinsa între punctele
1si 2. T.e.m este gata cu lucrul efectuat de catre fortele
exterioarapentru a transporta sarcina pozitiva unitate pe
portiunea de circuit cuprinsa între punctele 1 si 2.
Relatia anterioara devine :
.
4. Legi de conservare
4.1. Conservarea sarcini electrice
Din legea lui Gauss pentru
câmpul electric :
extragem :
si
.
Din legea lui Ampere completata de
Maxwell :
caruia
îi aplicam operatorul
, extragem :
![]()
( deoarece
, produsul scalar a doi "vectori" perpendiculari fiind nul )
. Combinând cele doua relatii obtinem :
,
adica ecuatia de continuitate a sarcinii electrice.
4.2.Conservarea energiei în câmpul electromagnetic
Înmultim scalar cu
si respectam cu
ecuatiile :

si le scadem membru cu membru :
.
Apoi aplicam identitatea :
si obtinem :
![]()
În medie liniare avem
cu
si
independente de timp ,
astfel încât .
si
.
Ecuatia anterioara capata forma :
![]()
Notam
, vectorul Poynting si
densitatea
volumica de energie a câmpului electromagnetic, obtinând ecuatia
de continuitate a energiei câmpului electromagnetic. ![]()
.
Integrând aceasta ecuatie pe n
domeniu al spatiului tridimensional, semnificatia termenilor ei este
urmatoarea : variatia de timp
a energiei câmpului
e.m. din acel domeniu se datoreaza fluxului de energie (vectorul Poznting)
care strabate peretii domeniului ( al doilea termen ) si
lucrului mecanic efectuat de catre câmpul electric asupra curentilor
în unitatea de timp
.
4.3. Conservarea impulsului în câmpul electromagnetic în vid
Forta exercitata de catre câmpul electromagnetic asupra sarcinilor si curentilor este :
.
Densitatea de forta
si
) are expresia :
.
Vom elimina
si
din legea lui Gauss
pentru câmpul electric si legea lui Ampere completata de Maxwell (
si
)
![]()
Vom adauga ecuatiei termenul nul :
,
obtinând :
![]()
Notam
, vectorul Poynting si
, densitatea volumica de energie a câmpului
electromagnetic, obtinând ecuatie de continuitate a energiei câmpului
electromagnetic :
![]()
Integrând
aceasta ecuatie pe un domeniu al spatiului tridimensional,
semnificatia termenilor ei este urmatoarea: variatia în timp
a energiei câmpului
din acel domeniu se datoreaza fluxul de energie
(vectorul Poynting) care strabate peretii domeniului (al doilea
termen) si lucrul mecanic efectuat de catre câmpul electric asupra
curentilor în unitatea de timp (
).
4.3. Conservarea impulsului în câmpul electromagnetic in vid.
Forta exercitata de catre câmpul electromagnetic asupra sarcinilor si curentilor este :
.
Densitatea de forta (
) are expresia :
.
Vom elimina
si
din legea lui Gauss
pentru câmpul electric si din legea lui Ampere completata de Maxwell
(
si
) :
![]()
Vom adauga ecuatiei termenul nul :
,
obtinând :
![]()
Notam :
, unde am considerat ca în vid
si
si
.
Relatia precedenta devine :
![]()
Vom trece la notatia tensoriala, aplicând regula de sumare a indicilor muti ai lui Einstein ca în exemplele urmatoare :
,
, unde
este tensorul Levi-Civita
1, când se ajunge la
dupa un
numar de permutari pornind
de la 123,0, când se repeta cal putin doi indici,
-
1,când se ajunge la
dupa un
numar impar de permutari
pornind de la 123.
Vom utiliza identitatile :
si
.
Sa calculam
![]()
![]()
![]()
![]()
![]()
În mod analog vom obtine :
![]()
Definim tensorul Maxwell al câmpului
electromagnetic prin : ![]()
si
adica ![]()
:
tensiunea electromagnetica.
Cu aceste notatii, ecuatia de la care am pornit devine :
,
ecuatia de continuitate a impulsului.
este componenta
a densitatii
de impuls al câmpului electromagnetic. Variatia ei în timp se
datoreaza fluxului de impuls prin peretii incintei si fortelor
cu care câmpul actioneaza sarcinilor si curentilor.
Am
vazut ca ![]()
În medii liniare si izolate unde
si
, cu
si
constante avem :
si
.
4.4. Ecuatia de continuitate pentru momentul cinetic
Sa
construim marimea tensoriala
, este densitatea de impuls electromagnetic. Calculam
densitatea la timp a acestei marimi:
si luam în
considerare ecuatia de continuitate a impulsului
:
![]()
![]()
![]()
![]()
![]()
, unde am tinut seama de simetria
a tensorului tensiune
electromagnetica.
Relatia devine :
![]()
unde
este densitatea de moment cinetic electromagnetic.
este componenta
a densitatii
de curent a momentului cinetic, relativ la transportul componentei
a momentului cinetic,
iar
este densitatea de moment al fortei.
Ecuatia de continuitate a momentului cinetic capata forma :
.
5. Potentiale electromagnetice si transformari de etalon.
Ecuatia
ofera posibilitatea construirii inductiei magnetice
cu ajutorul potentialului
vector
:
,deoarece
, ![]()
![]()
Ecuatia :
se transforma :![]()
, unde
este potentialul
secundar, deoarece
grad
. Avem posibilitatea sa exprimam si câmpul
electric cu ajutorul potentialelor vectoare :
![]()
Ecuatiile satisfacute de catre potentialele vectoare sunt :
.
si
![]()
.
Impunând potentialelor conditia
de etalonare Lorentz :
obtinem :
sau
si
![]()
sau
, unde
este operatorul lui D Alembert .
Ecuatiile satisfacute de catre potentiale :
si
,
sunt ecuatiile de unda. Exista
o infinitate de functii
si ![]()
care conduc la aceleasi câmpuri
.
Definitiile
si
nu fixeaza univoc
potentialele
si
. De exemplu substituind
, se obtine
aceeasi valoare
deoarece
. Modificând potentialul scalar
, obtinem aceeasi valoare a lui
. Cerând ca functiile
si
sa satisfaca
etalonarea Lorentz :
![]()
![]()
, am obtinut ecuatia undelor, satisfacuta
de functia
.
Transformarile
grad
si
lasa neschimbate
câmpurile
si
si deci,
ecuatiile lui Maxwell. Ele se numesc transformari de etalon.
5. Unde electromagnetice
5.1. Ecuatia undelor
Consideram un câmp
electromagnetic în vid, în absenta sarcinilor electrice si a
curentilor :
,
,
si
.
Scriem ecuatiile Maxwell :
si
, pe componente,
utilizând notatia tensoriala si regula de sumare a indicilor
muti (indicii care se repeta) :
si
.
Derivam la timp cea dea
doua ecuatie:
si înlocuim
derivata la timp
din prima ecuatie
:
,sau
. Ne reamintim ca
si obtinem: ![]()
Termeni
se anuleaza
deoarece
.
Ecuatia, scrisa pentru componenta
a câmpului
devine :
![]()
sau , în forma vectoriala :
.
Vectorul
satisface ecuatia
undelor . Analog, derivând la timp prima ecuatie si tinând cont
de derivata
din cea de-a doua, obtinem ca si
satisface ecuatia undelor :
![]()
Am vazut mai devreme ca si
potentialele electromagnetice satisfac ecuatiei de acelasi tip
:
si
.
O
ecuatie de forma
poarta numele de ecuatia undelor iar
se numesc functia
de unda . Solutia ecuatiei undelor este o expresie de forma:
, unde
este versorul
directiei de propagare iar
este viteza undei.
Suprafata de-a lungul careia
la un moment dat
ia o anumita
valoare, constanta, se numeste suprafata de unda
la momentul
. În cazul
suprafetele de
unda sunt plane cu normala comuna
. Facem notatia
astfel încât
. Sa vedem în ce caz se obtine aceeasi valoare
pentru
, deci pentru
:
distanta dintre suprafetele de unda la
momentele
si
. Ultima expresie ne arata ca starile descrise
de
se propaga cu
viteza
în directia lui
. Undele plane
descrise de functia :
.exp.
se numesc unde plane monocromatice.
se numeste frecventa
unghiulara , iar
este vectorul de
unda,
fiind lungimea de
unda iar
amplitudinea
undei. Cu aceste notatii, expresia undei plane monocromatice este :
.
5.2. Proprietatile undelor electromagnetice
Notam
,
sau 1,2,3.
Potentialele
si
depind de timp
si pozitie
prin intermediul lui
, deoarece satisface
ecuatia undelor :
si
.
a) Sa transcriem conditia Lorentz :

![]()
![]()
![]()
(1)
b) Sa calculam
, pe componenta :
![]()
(2)
c) Sa calculam
pe componente :
![]()
, unde am tinut cont de relatia
. De aici rezulta relatia vectoriala
![]()
(3)
unde am folosit identitatea ![]()
Din
si
obtinem :
(4)
Calculam
, deoarece
si
din relatia
, obtinem :
(5)
Comparând
si
rezulta ca
într-o unda electromagnetica, vectorii
si
sunt reciproc
perpendiculari.

De asemenea , în marime
si
satisface relatia
:
.
d) În
expresiile
si
ale câmpurilor
si
figureaza doar
potentialul vectorul
, nu si
. Alergând
, conditia Lorentz devine:
. Relatia
devine:
Ţinând cont
si de relatia
:
, calculam densitatea volumica de energie a
câmpului electromagnetic :

. (6)
Vectorul lui Paynting se exprima :
![]()


Deci , tinând seama de ecuatia
,
sau
. (7)
Densitatea de impuls capata forma :
. (8)
În
cazul alegerii potentialului scalar nul
, conditia Lorentz
ne indica faptul
ca variatia vectorului
are loc planul
perpendicular pe
. Aceasta înseamna ca proiectia lui
pe
ramâne
constanta si deoarece
si
se exprima doar
în functie de variatia lui
,
vom face abstractie de aceasta componenta
constanta, considerând vectorul
complet situat în planul de unda (perpendicular pe
).
![]()
|