ALTE DOCUMENTE
|
|||||||
Comisia Internationala de Electrotehnica (C.E.I) defineste electromagnetii astfel: "Electromagnetul este un magnet excitat de un curent". Dezvoltând aceasta definitie, putem spune ca electromagnetul este un magnet temporar, a carui actiune de atragere sau eliberare a unei armaturi feromagnetice este determinata de prezenta curentului electric într-un circuit de excitatie.
Fortele de interactiune între electromagneti si corpurile din materiale feromagnetice sau conductoarele parcurse de curenti, situate în câmpul magnetic al acestora sunt denumite forte electromagnetice (pentru a face o distinctie între conductoarele parcurse de curent si aflate în câmp magnetic asupra carora se manifesta tot forte mecanice de natura electromagnetica denumite însa forte electrodinamice).
Mecanismul format din înfasurari (bobine) de excitatie si corpuri feromagnetice actionate prin forte electromagnetice este denumit mecanism electromagnetic. Partea fixa a mecanismului, din material feromagnetic, supusa polarizarii magnetice produse de câmpul magnetic al bobinei de excitatie este denumita armatura fixa, iar partea mobila, armatura mobila .
Forta electromagnetica corespunzatoare distantei maxime (întrefier maxim) între armatura mobila si cea fixa este denumita forta de atractie initiala iar forta corespunzatoare distantei minime între armatura mobila si cea fixa este denumita forta de atractie finala sau forta portanta.
Drumul strabatut de armatura mobila, din pozitia deschis pâna la pozitia închis a electromagnetului, este denumit cursa electromagnetului.
Pe baza acestor definitii putem face o analogie între electromagneti si masinile electrice, desi electromagnetii sunt considerati aparate electrice. Astfel:
- functionarea lor consta în transformarea energiei electromagnetice în energie mecanica;
- la masinile electrice acest proces este continuu, pe când la electromagneti procesul este intermitent; 18418d313s
- la masinile electrice rotative armatura mobila (rotorul) are cursa nelimitata (rotatii continue), pe când la electromagneti cursa armaturii mobile este limitata (de ordinul un ÷ zeci de un).
- la electromagneti consumul de energie nu înceteaza la sfârsitul cursei armaturii mobile, daca este necesara mentinerea unei forte electromagnetice sau a unui cuplu electromagnetic, deoarece pentru mentinerea starii existente rezulta anumite pierderi de energie (în conductoare si în fierul armaturilor) care se transforma în caldura si trebuiesc acoperite de sursa de alimentare a electromagnetului.
Pentru calculul electromagnetilor se foloseste notiunea de circuit magnetic.
1.1.1 Circuit magnetic. Flux de dispersie
Practic, circuitul magnetic este o schematizare necesara calculului câmpurilor si fluxurilor magnetice. Prin circuit magnetic ar trebui sa se înteleaga spatiul strabatut de totalitatea liniilor de câmp magnetic; în acest caz calculul circuitului magnetic ar deveni practic imposibil (poate cu exceptia unor cazuri particulare) deoarece ecuatiilor lui Maxwell ar trebui sa li se gaseasca solutiile pentru conditii la limita si initiale extrem de variate.
Pe baza anumitor aproximari, care duc la rezultate cu precizie acceptabila tehnic, notiunea de circuit magnetic a capatat o notiune mai putin riguroasa: portiunea de spatiu strabatuta de majoritatea liniilor de câmp magnetic. Se naste întrebarea: "Ce se întelege prin majoritatea liniilor de câmp magnetic si care este spatiul strabatut de acestea ?"
În general, se recurge la o simplificare si schematizare a spectrului liniilor de câmp magnetic, astfel încât calculele sa fie posibile prin metode cât mai simple si cu rezultate acceptabile tehnic; acolo unde calculul teoretic exact este posibil se arata ca simplificarile sânt admisibile si dau informatii utile cu privire la valoarea erorilor.
În general, circuitele magnetice contin miezuri (armaturi) feromagnetice, în care se concentreaza majoritatea liniilor de câmp magnetic; ca urmare, prin circuite magnetice se înteleg corpurile feromagnetice strabatute de liniile de câmp magnetic împreuna cu corpurile neferomagnetice care le separa (întrefierurile) si prin care trec majoritatea liniilor de câmp magnetic.
Evident problema în particular s-a simplificat, dar în ansamblu s-a complicat si mai mult, deoarece materialele feromagnetice au o caracteristica magnetica neliniara care poate fi exprimata prin relatii analitice simple si, pentru calcule, se folosesc curbele de magnetizare ridicate experimental. În anumite cazuri, neliniaritatea portiunilor feromagnetice se poate neglija si atunci calculele se simplifica, devenind analoge celor pentru studiul circuitelor electrice liniare în regim stationar sau cvasistationar.
Toate aceste simplificari si schematizari pot introduce erori apreciabile daca nu sunt luate în consideratie anumite conditii, care trebuie îndeplinite în aplicarea metodei de calcul corespunzatoare.
Concret, deoarece notiunea de circuit magnetic se refera numai la spatiul strabatut de majoritatea si nu totalitatea liniilor de câmp, în calculul circuitelor magnetice va trebui tinut cont si de acele linii de câmp care nu strabat circuitul magnetic în totalitatea lui, linii care constituie fluxul de dispersie.
Fluxul
de dispersie, fig.1.1, este format din fluxul de dispersie (de
scapari, de pierderi) între coloane
si fluxul de scapari
în întrefier
. Aceste fluxuri nu strabat întrefierul si nu
contribuie la exercitarea fortelor de atractie utile, constituind de
fapt pierderi ce duc la marirea tensiunii magnetice pe parcursul lor.

Figura 1.1 Fluxuri magnetice
Liniile
de câmp ale fluxului activ
ocupa în
întrefier o sectiune mai mare cu aria suprafetei polare (efectul de
bombare a liniilor de câmp la trecerea dintr-un mediu în altul, medii cu
proprietati magnetice diferite). Fluxul
care
depaseste în întrefier sectiunea piesei polare, este
denumit flux de umflari si este un flux activ, deoarece contribuie la
exercitarea fortelor electromagnetice de atractie.
Se pot defini urmatorii factorii de dispersie ai circuitului magnetic:
- între coloane:
(1.1)
-
în întrefier:
(1.2)
-
în total:
(1.3)
(1.4)
(1.5)
Calculul fluxului de scapari contribuie la precizarea notiunii de circuit magnetic, fiind necesar a se preciza fata de care portiune de circuit se considera dispersia.
1.1.2 Tensiuni magnetice în fier si întrefier
Pentru
o portiune de circuit magnetic A-B, tensiunea magnetica este:
Daca
portiunea de circuit magnetic este cu sectiune constanta A
si de lungime l si este strabatuta de fluxul magnetic F, inductia
magnetica va fi:
.
Observatie:
- Daca miezul magnetic este lamelat se va tine
cont de izolatia dintre tole si sectiunea reala a fierului
va fi:
unde: -
este factorul de
umplere.
Valoarea câmpului H se determina din curba de
magnetizare a materialului de sectiune A si pe portiunea 1: B=B(H). Pentru întreg circuitul magnetic
format din n portiuni de fier tensiunea magnetica este:![]()
Întrefierul este spatiul util strabatut de majoritatea liniilor de câmp magnetic si este situat între corpurile feromagnetice.
Întrefier util este acea parte a întrefierului în care se excita fortele electromagnetice utile. Cunoscând fluxul activ a în întrefier, tensiunea magnetica din întrefier activ (util) se determina pe baza legii lui Ohm pentru circuite magnetice:

Pentru întrefier minim (armatura mobila atrasa), reluctanta se calculeaza cu expresia cunoscuta din electrotehnica:

Corespunzator tehnologiei de fabricatie, întrefierul minim variaza între:
si ![]()
Întrefierul parazitar este întrefierul rezultat din constructia si îmbinarea corpurilor feromagnetice din circuitul magnetic si care introduce o reluctanta suplimentara. Fortele care se exercita în întrefierurile parazitare nu contribuie la efectul util al electromagnetului.
Corespunzator tehnologiei de fabricatie, întrefierurile parazitare pot lua urmatoarele valori:
-
- suprafete cap la cap, executie normala
-
- Miezuri executate din tole îmbinate, suprapuse la
îmbinari
-
-
suprafete cap la cap, cu apasare > 200 kg/cm2
Pentru întregul circuit magnetic, tensiunea magnetomotoare va fi:
(1.6)
Evident, ipoteza de calcul cea mai simplificatoare este cea potrivit careia se neglijeaza caderile de tensiune magnetica în fier si întrefieruri parazitare si fluxurile de dispersie în întrefier si între coloane:
(1.7)
Pentru antecalculatii,
pentru armaturi mobile în pozitie initiala (deschisa)
se poate aprecia ca tensiunile magnetice în Fe si întrefieruri
parazitare reprezinta un procentaj
din tensiunea
magnetomotoare; cu neglijarea dispersiilor, rezulta:
![]()
(1.8)
Pentru cazuri concrete: ![]()
Un calcul exact este acela în care se calculeaza efectiv, cu ajutorul curbelor de magnetizare, tensiunile magnetice în fier si se tine cont de flux de dispersie prin calculul permeantelor cailor de flux de dispersie (este necesara întocmirea schemei magnetice echivalente a circuitului magnetic.
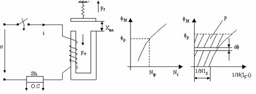
A Punctul de functionare pe curba de magnetizare
Daca se neglijeaza fluxurile de dispersie transversale si se apreciaza din punct de vedere al permeantelor ,un întrefier echivalent si o lungime echivalenta a miezului feromagnetic ,se poate scrie legea circuitului magnetic de forma:
(1.9)
Pentru
solenatie constanta ,ecuatia reprezinta o dreapta în sistemul de coordonate în fig 1.2
Pentru diferite valori ale intrefierului
, se obtin drepte cu înclinatii diferite.
Intersectia dreptelor de solenatie constanta determina
valorile inductiilor magnetice în întrefier pentru valori diferite ale
acestora.
Inductia
optima în întrefier se obtine prin maximalizarea energiei acumulate
în întrefier 
(1.10)
(1.11)

Relatia arata ca punctul optim de functionare se obtine daca derivata fluxului în raport cu tensiunea magnetica în fier este egala cu permeanta intrefierului.
Prin încercari se obtine punctul optim de functionare în figura 1.2 b astfel :
- Se traseaza curba ![]()
- Se reprezinta segmentul
si ![]()
- Daca M este punctul optim ,atunci:

Figura 1.2 Repartizarea a-tensiunii magnetice b -solenatiei
1.1 3. Electromagnetii de curent continuu Caracteristicile de functionare ale electromagnetilor
La electromagnetii de curent continuu înfasurarea de excitatie este parcursa de curent continuu ,a carui intensitate este limitata - pentru pozitii fixe ale armaturii mobile sau deplasari discrete ale acesteia - doar de tensiunea de alimentare si rezistenta bobinei:
.Ca urmare, în regim
stationar ,electromagnetii de curent continuu lucreaza la curent
constant ,respectiv solenatie constanta.
Miezul magnetic se realizeaza din otel carbon. Numai în regim dinamic se iau în discutie pierderile în fier si reactia curentilor turbionari ;de aceea ,în acele situatii în care se cere un timp redus de actionare ,miezul magnetic este lamelat.
Caracteristicile de functionare ale
electromagnetilor sunt prezentate în forma unor curbe reprezentând
variatia fortei de atractie functie de întrefier
sau de unghiul de
rotatie
(la electromagneti cu armătură rotativă) si
variatia fluxului fascicular sau total functie de curentul de
excitatie
.
Caracteristicile pot fi statice sau dinamice:
A. Caracteristici statice
Caracteristicile statice corespund la miscari foarte lente ale armăturilor mobile astfel încât fortele mecanice datorate frecărilor sau acceleratiei maselor în miscare si tensiunile electromotoare rezultate prin variatia fluxului să fie cu totul neglijabile.
A1 Tipuri constructive de electromagneti
In figura 1.3 sunt schitate principalele tipuri constructive de electromagneti de curent continuu si caracteristicile statice ale acestora. Se consideră că o categorie specială o constituie electromagnetii cu armătura culisanta ( plonjor) la care forta rezultantă din interactiunea dintre curentul înfăsurarii de excitatie si componenta radială a inductiei din armătura mobilă fig . Datorită aspectului lor si miscarii armaturii mobile acesti electromagneti sunt denumiti electromagneti solenoidali sau electromagneti cu plonjor.
Circuitul de magnetizare poate fi deschis cazul a) sau închis, cazul b); armăturile se execută din material feromagnetic având de cele mai multe ori forma unui corp de revolutie (în curent alternativ armătura se execută de regulă, din tole). Acest tip de electromagnet este folosit in cazul când sunt necesare curse lungi (uneori pînă la 200 mm) sau pentru curse mici cu forte portante mari,(cu atât mai mari cu cât curentul din bobina de excitatie este mai mare).
a)electromagnetul cu armătura culisantă, cu circuit magnetic deschis.
Armătura mobilă din material feromagnetic
execută o miscare de translatie în interiorul bobinei 2 ,câmpul
magnetic fiind maxim în centrul bobinei ,armătura mobila este supusă unei forte
care tinde să o aducă in pozitia simetrică
în raport cu bobina : forta are valoarea maximă pentru
.După depasirea cursei
,fluxul de scăpări
ia sensuri diferite
între armătura mobilă si bobină ,iar fluxul longitudinal din armătură pătrunde
simetric în ambele fete frontale din care cauză forta scade si ajunge
la zero când armătura mobilă este plasată simetric fată de mijlocul
bobinei.
b) electromagnet cu armătura culisantă si circuit magnetic închis
La acest tip de electromagnet,a forta are valori relativ reduse ,dar
practic constantă pe toată cursa ((care este relativ mare de ordinul sutelor de
mm );datorită formei de trunchi de con a corpului armăturii mobile ,la
forta nu este nulă.
Electromagnetii cu armatura culisantă se pot executa si în variante cu opritor ,care limitează cursa armăturii mobile ,cazurile c) electromagnetul cu arnătură culisantă dreaptă d) electromagnerul cu armătură culisantă conică ; în acest caz armătura mobilă loveste în cea fixă când a parcurs întreaga cursă liberă. Forta portantă depinde de înăltimea opritorului.
Pentru
a mări fortele de atractie si portante ale acestui tip de
electromagnet ,suprafetele frontale ale armaturii mobile si plonjonului se
execută înclinate cu un unghi
- conice sau tronconice

Figura 1.3 Tipuri constructive de electromagneti si caracteristicile lor
e) electromagnetul în manta este
caracterizat de cursă redusă si forta de atractie mare
.Circuitul magnetic este foarte scurt iar suprafetele polare active foarte
mari ,armătura mobilă o constituie chiar din piesa (din material
feromagnetic)care trebuie ridicată si transportată. La acest tip de
electromagnet ,forta portantă este de ordinul
f) electromagneti de tip U sunt folositi pentru curse mici si variatii lente ale fortei
g) electromagnet cu clapetă este utilizat în constructia releelor si contactoarelor ,având curse relativ mici. Caracteristic acestei variante este forma armăturii mobile ,care determină o fortă de atractie relativ mare pentru un întrefier mare (în momentul initial deplasării armăturii mobile )
A2 Calculul fortei dezvoltate de electromagnetii de cc.
La modul general pentru a stabili forta si lucrul mecanic dezvoltat de electromagneti ,este necesar sa se cunoasca energia câmpului electromagnetic, sau inductivitatea electromagnetului.
Din
studiul fortelor generalizate în câmp magnetic se cunoaste expresia
energiei magnetice:
(1.13)
In
cazul electromagnetului ,care are un singur circuit de excitatie energia
magnetica se poate exprima astfel
(1.14)
Pentru calculul fortei dezvoltate de
electromagnetii de curent continuu se utilizeaza teorema
fortelor generalizate în câmp magnetic .În calculul componentei
fortei generalizate pe
directia cresterii coordonatei generalizate xi nu este
necesar a se explicita energia magnetica
în functie de
fluxuri si de coordonate generale ,variatia energiei
se considera la curent constant.
(1.15)
Pentru
o deplasare liniara ,
este o forta F :
(1.16)
iar daca coordonata
generalizata este un unghi
atunci
este un cuplu M:
(1.17)
Relatiile (1.16) si (1.17) pot fi folosite numai pentru electromagneti cu fierul nesaturat - cazul cel mai întâlnit la electromagnetii de curent continuu.
Daca circuitul magnetic este liniar sau neliniar
si cu saturatie neglijabila ,relatia absolut generala pentru
calculul fortei este:
- respectiv pentru
cuplu :
(1.18)
unde se tine cont si de energia mecanica absorbita în fier
Astfel,
în cazul unui întrefier existent între doua piese polare delimitate de
doua suprafete plane de arie A (fig 1.1) în ipoteza unui câmp
magnetic orientat dupa directia intrefierului
,putem scrie:
(1.19)
(1.21)
Notând cu
tensiunea magnetica în întrefier ,fluxul util
în întrefier si
cu
permeanta intrefierului activ ,rezulta ca :
(1.22)
Pentru
=ct, cazul concret al electromagnetilor de cc la
miscarea armaturii în directia
forta
(1.23)
Observatie Forta electromagnetului este dependenta
la
=ct, de variatia permeantei
, acesta fiind motivul pentru care se obtin forte
diferite functie de forma intrefierului si totodata de aici
rezida necesitatea cunoasterii permeantei functie de forma
intrefierului.
Forta
electromagnetului calculata cu relatia de mai sus este minima întrucât este calculata pentru un întrefier maximal dmax , in care tensiunea
magnetica se determina cu relatia
=H dmax
Considerând permeanta intrefierului
de forma
expresia fortei
functie de întrefier devine
, relatie ce
poate fi particularizata functie de întrefier astfel:
întrefier maximal d dmax 
întrefier minimal d dmin 
Pentru dimensionarea unui electromagnet datele impuse sunt :forta minima dezvoltata de electromagnet la intrefier maxim Fmin si dmax tensiunea de alimentare U, proprietatile magnetice ale circuitului magnetic utilizat (inductia) si clasa de izolatie ( temperatura limita admisa) .Dimensionarea presupune determinarea sectiunii miezului de fier al circuitului magnetic A, solenatia necesara, diametrul conductoarelor bobinei de excitatie, si dimensiunile acesteia. Relatiile pentru dimensiomare sunt:
legea circuitului magnetic si curba de magnetizare a materialului
circuitului magnetic conform datelor prezentate în figura 1.3
cu a=0.15-0.3 relatie din
care se determina inductia daca se impune solenatia sau
solenatia daca se impune inductia.
Din relatia fortei minime impuse se determina constanta electromagnetului
ce implica forma constructiva a electromagnetului 
Din relatia fortei la întrefier maximal la
o inductie impusa sau calculata si la o forma
impusa de circuit magnetic se determina sectiunea circuitului
magnetic ![]()
Dimensiunile geometrice ale bobinei rezulta din
ecuatia încalzirii bobinei conform relatiilor
cu
unde f factor de
umplere , l lungimea bobinei g grosimea acesteia .Impunerea factorului de suplete al bobinei l/g = 4-5 in corelare cu relatiile prezentate se poate determina lungimea bobinei respectiv
grosimea acesteia
Din relatia U=RI cu R dat de relatia de mai sus rezulta diametrul conductorului
B) Caracteristici dinamice - regimul dinamic al electromagnetilor de cc
Datorită domeniului foarte vast de aplicare a electromagnetilor ,caracterizarea performantelor numai prin caracteristica statică , forta maximă dezvoltată la întrefier minim si cursa devine insuficientă .
Pentru o corectă utilizare a unui electromagnet - pentru calculul duratei sau frecventei de actionare a întregii instalatii ,verificarea rezistentei mecanice a electromagnetului ,trebuie cunoscute vitezele si timpii de închidere si deschidere; determinarea acestor timpi facându-se prin studierea regimului dinamic.
Prin regimul dinamic al unui electromagnet se întelege comportarea în regim tranzitoriu a electromagnetului. la conectarea sursei de energie care alimentează bobina de excitatie. În considerarea regimului dinamic intervin atât mărimi electrice si magnetice ,cât si mărimi mecanice.
Comportarea dinamică a unui electromagnet se consideră determinată atunci când se cunoaste variatia în timp a următoarelor mărimi:
fluxul fascicular mediat în zona intrefierului
(t)
curentul prin bobină I(t)
forta electromagnetului
(t)
cursa , respectiv viteza si acceleratia armăturii mobile x(t),v(t),a(t)
Variatia fluxului ,curentului si fortei este constantă de modificarea intrefierului ,deci sunt functii de timp indirect ,prin intermediul lui x(t)
In figura 1.4 este prezentat modul de variatie în timp al acestor mărimi. Alura fluxului ,fortei ,cursei ,vitezei si acceleratiei nu necesită comentarii, si doar alura curentului:

Figura 1.4 Variatie în timp a mărimilor
până la momentul
curentul creste exponential ca în orice circuit RL1,
cu inductivitatea corespunzătoare intrefierului maxim L1=Lfe+Ldmax
la momentul
forta
electromagnetului egalează forta rezistentă initiala
si armătura mobilă începe să se deplaseze.
în intervalul
are loc fenomenul denumit reactia
armăturii care constă din cresterea usoara ,urmată de o
scadere a curentului si care se încheie o dată cu încetarea miscarii
.Acest fenomen este cauzat de cresterea inductivitatii odată cu
scăderea intrefierului fapt ce se suprapune peste legea inductiei
electromagnetice ;initial cresterea inductivitatii este mai
lentă si curentul variază în acelasi sens cu fluxul ,deci creste ; la
întrefieruri mici ,cresterea inductivitatii este
pronuntata si determină scăderea curentului ,desi fluxul
continuă să crească.
din momentul
electromagnetul redevine un circuit RL2 cu
inductivitatea corespunzătoare intrefierului minim L2=Lfe+Ldmin. ,curentul creste
exponential cu o nouă constantă de timp ,mai mare.
Notă: In diagrama tensiunii la bornele bobinei se observă că ,la deconectare apare o supratensiune datorată întreruperii bruste a curentului. Circuitul oscilează si energia acumulată în circuitul magnetic al bobinei se regaseste în câmpul magnetic al capacitatii parazite,
Mărimile caracteristice regimului dinamic satisfac un sistem simultan de ecuatii electrice si mecanice.
După
închiderea întrerupătorului din figura 1.5 a în circuitul bobinei este valabilă
relatia:
unde : U - tensiune de alimentare tip semnal treapta, R - rezistenta
bobinei ,
- fluxul total
, N - număr de
spire al bobinei
La un electromagnet cu
miscare de translatie forta dezvoltată se poate calcula din
teorema fortelor generalizate :
cu energia exprimata prin relatia
(1.24)
Prin scrierea în acest mod, se are în vedere existenta fluxului de umflări în întrefier si a fluxului transversal de dispersie.
Ecuatia mecanică de echilibru a
fortelor este:
(1.25)
unde
- masa mecanismului actionat ,redusă la
directia de deplasare a armăturii mobile.
- forta
rezistentă totală redusă la directia de deplasare a armăturii mobile
Sistemul de ecuatii de mai sus se rezolvă în ipotezele simplificatoare:
tensiunea aplicată bobinei de actionare se
consideră ,la conectare, ca fiind o treaptă (desi în mod real este o rampă
,dar timpul de atingere a valorii U este
,cu mult inferior intervalelor de timp semnificative de
ordinul
s pentru fenomenele studiate)
rezistenta bobinei electromagnetului este
considerată pe durata procesului tranzitoriu si egală cu valoarea ei
initiala (constanta de timp de încălzire fiind de ordinul
)
La scrierea acestor ecuatii nu s-a tinut cont de existenta si influenta curentilor turbionari asupra parametrilor regimului dinamic ;efectul acestora este de încetinire a procesului tranzitoriu ,fapt ce se pune în evidentă experimental:
B1 Determinarea timpului de pornire ![]()
Întrucât miezul magnetic este nesaturat din ecuatia tensiunilor ,scrisă pentru intervalul 0....
(1.26)
rezultă
(1.27)
Timpul de pornire rezultă:
(1.28)
care este de câteva ori mai mic decât cel determinat experimental ,conform observatiei de mai sus.

Figura 1.5 Explicativa pentru regimul dinamic al electromagnetului de cc
Concluzii:
1.Timpul de pornire al armaturii mobile a electromagnetului de cc este dependent de caracteristica materialului feromagnetic ce impune obtinerea inductiei (fluxului) necesare dezvoltarii fortei electromagnetice minime ce învinge forta resortului.
Modificarea timpului de pornire este posibila prin modificarea energiei acumulate în miezul feromagnetic ( lamelare a circuitului magnetic si utilizarea materialelor cu caracteristici superioare curbe de magnetizare cu pante de crestere mari)
B2 Determinarea
timpului de miscare ta-
=tm
Ecuatia tensiunilor pe
acest interval
evidentiaza
pe lânga componenta de pulsatie si componenta de miscare
a tensiunii induse .componenta de
miscare este functie de viteza de deplasare a armaturii mobile
dar si de variatia inductivitatii intrefierului . Inductivitatea
totala la întrefier maximal L1=Lfe+Ldmax. trece pe durata
miscarii de la valoarea minima la valoarea maxima L2=Lfe+Ldmin. ce din punct de
vedere al caracteristicii flux -curent
echivaleaza cu o crestere la flux constant a pantei caracteristicii F=Li (figura 1.6) deci o reducere a curentului i.

Figura 1.6 Evolutia curentului la cuplarea electromagnetului
Observatii 1. Timpul de miscare al armaturii electromagnetului de cc se poate modifica prin forma constructiva a întrefierului ( modificarea permeantei) dL/dx=N2dL/dx
2. Înmultind
ecuatia tensiunilor prin
curentul I se obtine ecuatia
de bilant energetic unde puterea absorbita din retea o
regasim ca putere disipata joule pe rezistenta bobinei , ca variatie a energiei magnetice
în miezul feromagnetic si putere
mecanica. 
B3 Determinarea timpului de comprimare a resoartelor
Miezul circuitului magnetic dacca-I saturat ecuatia tensiunilor devine:
(1.29)
Prin separarea variabilelor
se obtine:
(1.30)
unde
este fluxul ce determină forta electromagnetului
,egală cu forta rezistentă.
In figura 1.5 .integrantului P din relatia 1.30 îi corespunde aria hasurata din diagrama b
Timpul de comprimare poate fi determinat si cu relatia dedusa pentru timpul de pornire dupa înlocuirea inductivitatii L1 cu L2 în definirea constantei de timp T
In cazul miscarii de rotatie ,ecuatiile ce caracterizeaza regimul dinamic al electromagnetului se transformă în ecuatii de momente.
Rezolvarea simultana a sistemului de ecuatii se efectuează cu ajutorul calculatorului.
Timpul de eliberare al armaturii la decuplarea electromagnetului se determina din ecuatia tensiunilor cu impunerea U=0 . Acest timp poate fi modificat prin conectarea unui condensator în paralel cu bobina dimensionat astfel încât sa se obtina regim oscilant amortizat timpul de raspuns fiind proportional cu suma algebrica ariilor delimitate de curba curentului cu axa timpului.
1.1.4 Electromagneti de curent alternativ
Spre deosebire de calculul electromagnetilor de curent continuu la calculul electromagnetilor de curent alternativ trebuie luata în considerare modificarea periodica în timp a parametrilor, pierderile de energie prin curenti turbionari si histerezis în fier.Ca urmare a acestor pierderi fluxurile magnetice din diversele portiuni ale circuitului magnetic sunt defazate unele fata de altele :este deci necesara utilizarea calculului cu marimi vectoriale ,folosind reprezentarea acestora ca fazori în planul complex.

Reprezentarea în complex este posibila numai când fluxul magnetic si solenatia sunt sinusoidale, adica atunci când punctul de functionare este în zona liniara a curbei de magnetizare. In cele ce urmeaza, semnalele se presupun liniare ,iar marimile electromagnetice alternative se admit sinusoidale.
In calculele
electromagnetilor de curent alternativ ,fluxul si inductia
magnetica trebuiesc exprimate prin valorile lor maxime
.
Din lucrarea (9) rezulta ca schema echivalenta a unei bobine cu miez de fier este cea din figura 1.8 ,în care:
- rezistenta ohmica a
înfasurarii
- inductivitatea
corespunzatoare fluxului de scapari (liniara)
iar înfasurarea asezata pe miezul magnetic se
considera ca având
producând în miezul magnetic doar fluxul fascicular util
. Aplicând teorema II
Kirchhoff pe acest circuit ,rezulta
:
(1.31
)
Multiplicând cu `i` relatia
(1.31),integrând pe o perioada T=
a tensiunii de alimentare si împartind cu T va
rezulta puterea medie absorbita de circuit într-o perioada ,deci puterea
activa:
(1.32)
sau
(1.33)
Termenul A din relatia (1.32) este nul, deoarece reprezinta integrala pe un contur închis (pe o perioada ) a unei diferentiale totale exacte - câmpul magnetic de dispersie schimba periodic energie cu sursa ,dar în medie puterea activa absorbita este zero ,deci absoarbe doar putere reactiva .
Al doilea termen din relatia (1.32) reprezinta pierderile totale din fierul circuitului magnetic - pierderile prin histerezis magnetic si curenti turbionari.
Conturul
pe care se
efectueaza integrala reprezinta ciclul de magnetizare
ridicat pentru
frecventa f si pentru circuitul magnetic respectiv.
Curentul din înfasurarea
electromagnetului va fi :
(1.34)
unde
- componenta reactiva (de magnetizare ) a circuitului
,corespunzatoare puterii reactive ,care este in faza cu fluxul util prin miez.
- componenta activa a curentului ,care determina
pierderile active ,respectiv
Multiplicând
relatia (1.34 )cu
,rezulta:
(1.35)
care reprezinta impedanta magnetica complexa a circuitului respectiv -.
Pe componente rezulta :
(1.36)
Nota: Numai datorita
analogiei cu circuitele electrice de curent alternativ ,se spune ca
este componenta activa - reluctanta
magnetica si
este componenta reactiva - reactanta
magnetica ,în realitate este invers, ca si în cazul curentilor
si
din relatia (1.34) si toate acestea deoarece s-a ales
drept origine a fazelor fluxul fascicular util prin miezul de fier :
.
Reactanta
magnetica
ia în considerare influenta pierderilor prin histerezis a
curentilor turbionari si a pierderilor din spira ecran (vezi rol
spira );ca urmare a acestor pierderi fluxurile din diversele portiuni
ale câmpului magnetic sunt defazate unele fata de altele (fenomen analog
defazajului dintre curentii ce parcurg diferite laturi ale unui circuit de
curent alternativ cu componente reactive).
Numai în cazul electromagnetilor de curent continuu ,pentru portiunile feromagnetice ale circuitului magnetic reluctanta magnetica este o marime activa ,definita ,în principiu ,de relatia:
(1.37)
unde:
rezistivitate 'magnetica' activa a materialului
,care se determina din curba de magnetizare a acestuia , functie de
valorile lui B sau H din portiunile respective.
Pe de alta parte ,atât în cazul electromagnetilor de curent continuu cît si al celor de curent alternativ ,impedanta magnetica a spatiilor de aer (indiferent ca sunt parcurse de flux util sau de dispersie )este o rezistenta magnetica activa (reluctanta);
(1.38)
A Expresia fortei dezvoltate de electromagnetii de ca
In practica ,rezistenta
ohmica a bobinei este
: considerând si pierderile de flux neglijabile ,din
ecuatia tensiunilor rezulta :
(1.39)
Tensiunea de alimentare a electromagnetului
de curent alternativ fiind sinusoidala ,de forma :
rezulta fluxul
fascicular util prin miezul de fier :
(1.40)
deci electromagnetul
de curent alternativ lucreaza la
Conform celor spuse forta instantanee într-un singur întrefier se va calcula cu relatia lui Maxwell:
(1.41)
Ţinând
cont de faptul ca în sectiunea miezului de permeabilitate mfe fluxul
,rezulta :
(1.42)
Se constata ca forta de
atractie a electromagnetului are ,pe lânga o componenta continua o componenta cosinusoidala de pulsatie dubla
fata de pulsatia inductiei (deci a tensiunii de alimentare a
bobinei );ca urmare , forta instantanee atinge valoarea zero. Din
aceasta cauza armatura electromagnetului are tendinta de îndepartare
sub actiunea fortei antagoniste (în general a unui resort),
vibratia caracteristica având frecventa
(100Hz,daca
frecventa retelei este de 50Hz).
Pe lânga un zgomot adesea foarte puternic ,vibratiile pot provoca în scurt timp distrugerea înfasurarii ,a conexiunilor si scoaterea din functiune a electromagnetului.
Pentru a elimina aceste neajunsuri, la electromagnetii monofazati se practica urmatorul principiu: suprapunerea a doua fluxuri, defazate astfel ca la anularea unuia din fluxuri, celalalt sa aiba o valoare care sa asigure o forta minima de atractie ,superioare celei antagoniste.
Metoda practica folosita ,care va fi expusa în detaliu în continuare ,consta în plasarea în piesa polara ,în zona intrefierului ,a unei înfasurari în scurcircuit ,care sa îmbratiseze numai o parte din sectiunea miezului magnetic si sa provoace, prin reactia ei defazarea fluxului care o strabate ; în felul acesta inductia (deci forta ) în întrefier nu mai atinge valoarea zero.
Nota: acelasi principiu îl realizeaza si electromagnetul cu înfasurare suplimentara ,alimentata cu un curent defazat fata de curentul principal de magnetizare. Pentru a studia ,calitativ si cantitativ ,efectul spirei în scurtcircuit ,ne vom ocupa doar de fenomenele ce se produc într-un singur întrefier ;evident daca electromagnetul are mai multe întrefieruri ,unde se plaseaza spire ecran ,fenomenele ce se produc în aceste înfasurari sunt identice.
Ideal
pentru un asemenea studiu este un electromagnet de curent alternativ monofazat
cu armatura fixa în forma literei U denumit electromagnet tip U1 (fig
1.7). 
Notatii
- aria palului în
afara spirei
- aria palului în interiorul spirei
- flux magnetic total
- flux magnetic în întrefier în exteriorul spirei
- flux magnetic în interiorul spirei
- Inductiile corespunzatoare
- grosimea intrefierului
- curentul închis în spira ecran
- rezistenta spirei ecran
La un asemenea electromagnet ,momentul util este dat numai de forta dezvoltata în întrefierul util prevazut cu spira în scurtcircuit ,deoarece cuplul fortei dezvoltate în întrefier fara spira in scurtcircuit este nul.
Calculele se efectueaza
pentru electromagneti cu întrefierul minimal (armatura mobila
atrasa) întrefier care în practica are valorile [10] (0,03-0,05)mm , pentru
<0,8 T(0,05-0,10)mm , pentru
= (0,8-1,3)T (1.43)
La întrefier maximal (armatura mobila departata ),din cauza intrefierului mare reactia spirei în scurtcircuit este neînsemnata (fluxurile nu pot fi mentinute decalate ) chiar daca curentul prin înfasurarea de excitatie este mai mare decât pentru pozitia atras.
Pentru
determinarea rezistentei spirei ecran se considera fenomenul global care
are loc în întrefierul polului [1].Fluxul total
,considerat marime sinusoidala si care parcurge
circuitul magnetic al electromagnetului în zonele neecranate rezulta din
adunarea a doua fluxuri
,respectiv din exteriorul si interiorul spirei ecran ,ambele
marimi sinusoidale.
Din considerate tehnologice ,se alege valoarea maxima a inductiei în
exteriorul spirei ecran :
,valoarea inductiei
,în interiorul spirei ecran ,se exprima cu ajutorul unui
factor subunitar K:
(1.44)
Fluxul în interiorul spirei se poate scrie:
(1.45)
Variatia în timp a acestui flux produce ,prin fenomenul de inductie electromagnetica ,o tensiune indusa în spira ecran (conductoare)
(1.46)
unde
- numarul de spire al înfasurarii ecran
;în practica deci înfasurarea se realizeaza dintr-o
singura spira
=1 .Scriind în complex relatia (1.46),rezulta
(1.47)
Considerând
impedanta spirei :
,curentul indus în spira ecran va fi :
(1.48)
Pentru
o singura spira (
),cu dimensiuni reduse si cu frecventa industriala de
50Hz ,reactanta
a spirei ecran este practic
neglijabila ,ca urmare spira ecran
este un element pur rezistiv ,din punct de vedere electric. In acest
caz curentul
va avea valoarea:
(1.49)
iar tensiunea electromotoare data se poate scrie:
(1.50)
Nota : din punct de vedere
magnetic ,spira ecran echivaleaza cu o impedanta magnetica
:
;valoarea componentelor impedantei poate fi dedusa
din relatiile:
(1.51)
Prin identificare rezulta:
(1.52)
Cum am considerat
,rezulta ca practic spira din punct de vedere
magnetic se comporta ca un element pur reactiv:
(1.53)
Fluxul magnetic datorat curentului
din relatia (1.48) se va opune variatiei fluxului
principal prin aria ecranata de spira ecran, si în aceasta
suprafata
va rezulta un flux ,denumit flux ecranat ,defazat fata de fluxul neecranat
care trece prin suprafata
.
Este
posibil sa se stabileasca relatiile de faza si amplitudine
între fluxurile
,daca se considera doua momente semnificative
în reprezentarea grafica din figura 1.8 a
momentul 1 - fig 1.8 b Fluxul
si inductia
au valori maxime atunci când valorile lui
si
sunt zero , iar fluxul produs de spira ecran este zero
.Deci
(1.54)
momentul 2 fig 1.8 c Dupa
un unghi
,fluxul
va avea valoarea zero si deci inductia
are valoarea zero ;tensiunea
si curentul
în spira ecran sunt maxime iar câmpul magnetic din aria
ecranata ![]()
Pe
baza acestor observatii se poate trasa diagrama fazoriala a
inductiilor si fluxurilor ,ca în figura1.8 d .Din aceasta
diagrama se poate calcula inductia
,folosind valoarea maxima admisa pentru
si inductia
:
(1.55)
Întrucât în momentul 2 ,
,se aplica legea circuitului magnetic pe conturul trasat
în fig 1.8 c si rezulta:
(1.56)
Scriind relatia fluxului pentru momentul 2:
(1.57)
rezulta din eliminarea curentului
,
(1.58)

Figura 1.8 Reactia spirei in scurtcircuit
Cu notatiile:
- Reluctanta
intrefierului ,în zona ![]()
- Reluctanta
intrefierului ,în zona
(1.59)
- reactanta
magnetica a spirei ecran
putem întocmi schemele electrice în zona intrefierului ( cu neglijarea
scaparilor de flux în zona intrefierului si a reluctantelor în
fier) pentru momentele 1 si 2 si pentru un moment oarecare
(figura 1.9)

Figura 1.9 Scheme echivalente
Corelând fig 1.9 pentru momentul
si figura 1.8
,rezulta ca putem scrie
(1.60)
Daca vom calcula fortele instantanee dezvoltate în cele doua arii din interiorul electromagnetului studiat ,rezulta:
(1.61)
si componenta variabila va fi:
(1.62)
Este evident ca pentru eliminarea vibratiilor este necesar ca forta variabila sa fie teoretic zero ,ceea ce impune conditiile:
(1.63)
Pentru îndeplinirea acestor conditii
este necesar ca în relatia (1.60),![]()
,deci
sa fie zero ;conditia nu este practic
realizabila ,dar poate fi realizata satisfacator pentru
de valori cît mai mici:
-
întrefierul
,prin polizare speciala ,poate fi adus la 0,025mm;în
cazul prelucrarilor uzuale
-
rezistenta
poate fi aleasa mica ,dar totusi nu foarte
mult deoarece curentul
va tinde spre valori foarte mari ;valorile exagerate ale
curentului
ar produce pe de o parte ,o anulare a fluxului în zona
ecranata (deci lipsind al doilea flux nu se va realiza eliminarea
vibratiilor) iar pe de alta parte ,încalzirea exagerata a
spirei ecran prin efect Joule-Lenz.
Puterea consumata de spira ecran este :
(1.64)
Rezistenta spirei ecran este determinata
de conditia ,initial impusa ,ca
sa aiba o anumita valoare ,conform
relatiei (1.60) Cu dimensiunile
constructive ale electromagnetului proiectat ,se calculeaza valoarea
componentei constante si valoarea componentei variabile a fortei
rezultante dezvoltata în întrefier si se deduce valoarea minima a
fortei de atractie. Daca aceasta nu corespunde temei de
proiectare ,se modifica valoarea lui
,respectiv
.
Dupa obtinerea rezultatului dorit se verifica ,cu relatia (1.64), puterea consumata de spira ecran astfel încât ,sa nu fie prea mare cu puterea absorbita de înfasurarea de excitatie a electromagnetului ; de asemenea tinând cont ca spira ecran transfera caldura prin radiatie si convectie în mediul exterior se calculeaza încalzirea spirei:
(1.65)
unde: A - fetele spirei care iau parte la emisia caldurii (practic ,nu se iau în calcul zonele de contact spira miez)
- coeficient global de transmisie a caldurii (
.
Temperatura de functionare admisa este de 150 - 250 grade [1];daca temperatura spirei depaseste aceasta limita admisa, se adopta (cazul cel mai frecvent în practica) o spira de sectiune dreptunghiulara cu laturile cît mai diferite , (pentru a obtine o suprafata cât mai mare de emisie a caldurii ).Daca si astfel temperatura spirei depaseste temperatura permisa se va alege un material de rezistenta mai mare ,alama ,constantan ,etc
Observatie Rolul spirei în scurtcircuit la
electromagnetii de ca poate fi explicat în baza fenomenului de
reactie al masinilor ce ca si anume : considerând valoarea
inductiei în aria ecranata BA2 origine de faza
variatia acesteia în raport cu timpul induce în spira ecran t.e.m E2
defazata cu 900 în urma, ce produce în circuitul rezistiv
al spirei curentul I2 în faza cu t.e.m. La rândul sau
acest curent produce câmpul magnetic de reactie B2 .Câmpul
magnetic în aria neecranata va fi suma celor doua câmpuri inductor bA2
si indus B2 conform figurii 1.8 c Tangenta unghiului dintre câmpul din aria
neecranata si aria ecranata este raportul câmp reactie pe
câmp inductor(aplicat) din care rezulta BA2=BA1 cosa. =k BA1.
Rezistenta spirei în scurtcircuit este data de raportul valorii efective a
tem
si valoarea
efectiva a curentului de reactie , valoare determinata din legea
circuitului magnetic
sau H2d=I2 cu H2=B2/m relatii ce conduc la ![]()
a)
Electromagnetul de forma ![]()
Fortele instantanee dezvoltate în întrefierul util pentru zona ecranata si neecranata ale suprafetei polului ,calculate cu relatiile prezentate se caracterizeaza prin:
(1.66)
Daca se stabileste o relatie între ariile ecranata si neecranata ,de forma :
(1.67)
se poate calcula forta medie în întrefier ca o suma a fortelor medii în cele doua arii
(1-68)
Ţinând cont de relatiile 1.60 rezulta:
(1.69)
In figura 1.10a s-a reprezentat diagrama fortei
instantanee în întrefierul electromagnetului rezultând din compunerea
fortelor instantanee ce actioneaza în cele doua arii
. Se observa ca pulsatia fortei în
întrefier este dubla fata de pulsatia inductiei ,iar
defazajul între fortele corespunzatoare inductiilor
este
.
Forta oscilanta totala rezulta din adunarea fortelor oscilante componente.
(1.70)
(1.71)
sau
(1.72)
In figura 1.10b s-a reprezentat diagrama fazoriala a fortelor oscilante ,pe baza observatiilor din diagrama 1.10 a pentru forte.
![]()

Figura 1.10 Relativ la calculul fortei electromagnetului U1
Alegerea parametrilor k si m se face din impunerea a doua conditii
La alegerea parametrilor k si m , în vederea optimizarii constructiei
electromagnetului ,este necesar sa se tina cont de pulsatia
fortei totale dezvoltate în întrefierul util ,definita de raportul:
(1.73) Evident
se cauta ca valoarea acestei pulsatii sa fie limitata sub o
valoare minima. Calculul acestei pulsatii se face cu relatiile
(3.119) si (3.116) pentru
,respectiv
,conducând la rezultatul:
(1.74)
Valoarea optima a lui m rezulta din relatia
,adica:
(1.75)
din care rezulta valoarea pulsatiei minime:
(1.76)
Alegerea defazajului optim (care permite apoi alegerea valorii optime a lui m, si calculul rezistentei spirei ecran) este dictata însa nu numai de obtinerea unei forte oscilante minime (deci a unei pulsatii minime )dar si de obtinerea unei forte medii cît mai mari si a unei forte minime cît mai mari. De aceea se propune calcularea a înca doua rapoarte de forte [1]:
(1.77)
si reprezentarea lor grafica,
împreuna cu raportul
,functie de
,avînd ca parametru m. Valoarea
lui m se va alege întotdeauna mai mare ca 1 - în general între 1 si
2,uneori mai mare ca 2,avînd în vedere cerinta temei si criteriul
economic.
Curbele
de optimizare ale electromagnetului
,reproduse dupa [1] sunt prezentate în figura 1.11.

Figura 1.11 Alegerea lui m si k pentru electromagnetul U1 Figura 1.12 Electromagnetul U2
Analizând curbele se pot desprinde urmatoarele concluzii:
pulsatia minima a fortei rezultante nu
corespunde cu maximul raportului
:de exemplu,pentru
,maximul fortei minime se obtine la k=0,6 (adica
),pe cînd minimul pulsatiei fortei se obtine la k=0,5
(adica
).
valoarea maxima a fortei minime penreu m=2 este mai mare ca pentru m=1 ; în schimb forta medie este mai mica.
pierderile în spira ecran sînt mai mari pentru m=2
si deci cheltuielile în exploatare sînt mai mari.
In
practica,valoarea lui k se va alege, pentru ambele valuri ale lui m ,în
jurul valorii 0,7 adica
în scopul
obtinerii unei forte minima si medie de valori cât mai mari.
b) electromagnetul
de forma ![]()
Schita acestui electromagnet este prezentata în figura 1.12 ude se observa ca acest electromagnet are spira ecran pe ambele coloane ,iar armatura mobila executa o miscare de translatie ,sau o miscare de rotatie cu axul de rotatie în afara axului coloanei electromagnetului.
Relatiile
de calcul privind forta oscilanta ,medie ,maxima ,minima
ramân cele deduse pentru electromagnetul
,pentru fiecare din cele 2 coloane ,daca armatura
mobila efectueaza o miscare de translatie ,la
electromagnetul de tip
, forta totala este de doua ori forta
dezvoltata într-un întrefier (fata de
)
Pentru
a evita lipirea armaturii mobile sub actiunea magnetismului remanent,
se prevede un întrefier suplimentar
=0,5mm în jurul miezului magnetic (la electromagnetul de tip
rolul acestui întrefier suplimentar îl joaca întrefierul
parazitar
- fig 1.7 )
c) electromagnetul de forma E
Schita acestui electromagnet este data în figura1.13 unde se observa ca spirele ecran sunt plasate pe coloanele externe ,iar bobina de excitatie ,se dispune pe coloana centrala. Întrefierul coloanelor laterale este minimal ,însa întrefierul coloanei centrale este ceva mai mare (~0,5mm) astfel încât în pozitia atras sa se asigure o pozitie stabila a armaturii mobile.

Figura 1.13 Electromagnet E
Notatiile
pentru arii si fluxuri ramân cele utilizate la electromagnetul tip
;de observat ca aceste notatii ,în cazul
electromagnetului E se refera la o jumatate de electromagnet ,acesta
având un plan de simetrie , în plus aria coloanei centrale ,notata cu
,este definita cu relatia:
(1.78)
unde n are valori practice între 1,4 si 2
Din
schita reprezentata în fig 1.13 se observa ca fluxul
principal (rezultat)
este o marime sinusoidala (ipotezele de lucru se
pastreaza )si strabate întrefierul central
;acest flux se divide ,teoretic ,în armatura mobila
în doua si în plus ,va determina existenta unei forte medii si a unei
forte alternative în întrefierul coloanei centrale.
Ţinând cont de aceasta ,sa determinam forta medie totala în electromagnet.
- forta medie în aria neecranata
:
(1.79)
- forta medie în ariile ecranate :
(1.80)
- forta medie în aria centrala:
(1.81)
Din diagrama fazoriala prezentata în figura 1.14 ,rezulta fluxul în jumatatea ariei centrale:
(1.82)
Înlocuiri simple conduc la :
(1.83)
unde
(1.84)
- forta medie totala în electromagnet este:
(1.85)
Valoarea maxima a acestei forte medii se
obtine pentru k=1 (
=0):
(1.86)
pentru calculul fortei oscilante totale
în electromagnetul de tip E s-a reprezentat diagrama fazoriala a
fortelor oscilante
- fig 1.14.
S-a
tinut cont ca defazajul între fortele
si
este dublu fata de defazajul inductiilor
,iar defazajul între forta
si forta
este dubla fata de defazajul între inductiile
.

Figura 1.14 Diagrame de optimizare a electromagnetului E
Alegerea parametrilor k,m,n. privind optimizarea constructiei electromagnetului necesita : pulsatie minima , forta medie si forta minima cît mai mare. S-au calculat aceleasi rapoarte de forte pentru optimizare:
si s-au reprezentat grafic functiile de
parametrul
având drept parametri m si n. Din [1] am reprodus
diagrame corespunzatoare pentru -
m=1 , m=2 , n=1,4 respectiv
- m=1 , m=2 , n=2
Din studiul diagramelor rezulta ca:
1)
daca s-ar urmari obtinerea numai unei pulsatii minime
,parametrul k ar trebui sa fie cuprins între 0,4 - 0,45 (deci
)
2)
pentru obtinerea unor forte medii si minime cât mai mari ,se observa
ca este necesar ca parametrul k sa fie cuprins între 0,55 - 0,6 (deci
)
3)
pulsatia fortei scade cu cresterea lui
,atingând valori minime la valori foarte mari ale lui m
(m=1...3)
4)
pulsatia fortei scade când n creste , ceea ce rezulta si din
analiza expresiei
,deoarece la valori mici ale lui
, va creste atât n cît si forta de atractie.
5)
pentru obtinerea valorii optime a defazajului
corespunzatoare pulsatiei minime se pune
conditia:
(1.87)
rezultând
între 50 si
care trebuie respectat având o deosebita importanta
asupra pulsatiei fortei. În constructiile uzuale valoarea
defazajului optim este cuprinsa între ![]()
6) pentru a se evita ca inductia sa ia valori exagerat de mari în jug si coloane ,departe de spirele în scurtcircuit se recomanda ca sectiunea acestuia sa fie luata suficient de mare, readucând-o în apropierea intrefierului , dar respectând valoarea adoptata pentru n.
7) se va respecta
conditia
în care caz forta medie are valorile cele mai mari.
.
B2.Curentul în bobina de excitatie
Schema electrica echivalenta a electromagnetului de curent alternativ monofazat difera în pozitia atras a electromagnetului, fata de pozitia de repaus.
a) armatura mobila atrasa
Considerând fluxul fascicular (mediu) util în
miez drept fazor origine ,curentul din înfasurarea electromagnetului
de curent alternativ ,dupa cum s-a mai precizat anterior ,va fi:
cu:
- curentul de magnetizare - componenta
reactiva
- componenta activa
Puterea medie absorbita de electromagnet într-o perioada a tensiunii de alimentare - puterea activa - este data de relatia (1.33) la care trebuie adaugata - pentru electromagnetul cu spira ecran - puterea activa consumata în spira ecran:
(1.88)
Componenta
activa a curentului din bobina electromagnetului ,care determina
pierderi active
,se poate calcula cu relatia aproximativa
(1.89)
Deoarece tensiunea aplicata
înfasurarii de
excitatie ,având rezistenta
si inductanta L în pozitia închis este :
(1.90)
este tensiunea electromotoare de autoinductie în bobina în cazul regimului sinusoidal ,deci departe de starea de saturatie (caci la saturatie datorita regimului deformant nu mai este posibila reprezentarea fazoriala ) se obtine diagrama de fazori ce corespunde schemei electrice echivalente a bobinei pentru pozitia atrasa a armaturii mobile - fig
Deoarece
,practic
, se poate considera
(cu buna aproximatie ) ca
;în acest caz , se
obtine:
(1.92)
Componenta reactiva a curentului din bobina electromagnetului corespunzatoare puterii reactive ,se poate determina global aplicând legea circuitului magnetic.
(1.93)
cu alte cuvinte numai o fractie din
solenatia NI a bobinei de excitatie contribuie la magnetizarea
circuitului magnetic , influenta fluxurilor în întrefier asupra
functionarii electromagnetului se poate neglija (defazajul între
fluxurile
si
este de ordinul gradelor).Schema echivalenta
asociata electromagnetului pentru pozitia atras este a unei bobine cu
miez de fier.

Cresterea
intrefierului ,prin cresterea reluctantei intrefierului ,face ca
inductia magnetica si fluxul sa fie mult reduse ,ca urmare ,componenta
activa
a curentului în bobina de excitatie devine
neglijabila în raport cu componenta reactiva
a acestuia ( practic pierderile de putere activa în miez
si spira ecran sînt neglijabile în raport cu pierderile Joule-Lenz în bobina electromagnetului )
(1.94)
Intensitatea curentului prin bobina de excitatie pentru pozitia neatrasa a armaturii mobile este de 10 - 20 de ori mai mare decât valoarea corespunzatoare pozitiei atrase a armaturii mobile. Schema echivalenta si diagrama fazoriala corespunzatoare sunt prezentate în figura1.16

La electromagnetul de curent alternativ nu se poate discuta despre o caracteristica statica ,deoarece forta electromagnetica trebuie pusa în corelare cu curentul absorbit de la retea iar aceasta este functie de timp si de faza conectarii bobinei la sursa de energie (practic la electromagnetul de curent alternativ nu se poate vorbi de pozitii discrete ale armaturii mobile ,singura pozitie care se ia în considerare este pozitia atras a armaturii mobile când curentul în bobina ia valoarea cea mai mica)
Sistemul de ecuatii ce caracterizeaza regimul dinamic al electromagnetului de curent alternativ monofazat ,ramâne acelasi ca la electromagnetul de curent continuu ,cu deosebirea ca tensiunea de alimentare este o marime sinusoidala cu o anumita faza initiala (ce caracterizeaza momentul conectarii bobinei electromagnetului) iar pentru energia si forta magnetica se prefera exprimarea functie de inductivitate:
(1.95)
Se observa ca evolutia electromagnetului depinde de - faza tensiunii de alimentare în momentul închiderii circuitului ,si ca urmare sistemul de ecuatii devine mai complicat si teoretic exista o infinitate de evolutii ale electromagnetului în regimul dinamic ;trebuie avut în vedere si reactia spirei ecran.
C. Electromagnetul de curent alternativ trifazat
Daca forta
necesara la întrefier minim este relativ mare -
se renunta
la electromagnetul monofazat cu spira ecran si se foloseste
electromagnetul trifazat. Din schita prezentata electromagnetului E prin dispunerea pe
fiecare coloana a unei bobine se obtine un electromagnet trifazat .Se
considera ca ,în principiu ,
întrefierul este egal pe cele trei coloane iar bobinele 1,2,3 conectate în stea
sau triunghi ,se racordeaza la reteaua de curent alternativ trifazat. Curentii (respectiv
inductiile )fiind defazati cu 120 grade,
(1.96)
forta rezultanta dezvoltata între armatura fixa si cea mobila rezulta ca o suma a fortelor dezvoltate pe cele trei coloane:
(1.97)
Dupa efectuarea calculelor rezulta:
(1.98)
suma componentelor variabile fiind nula ,aceste forte fiind defazate cu 240 grade între ele. Se constata ca forta rezultanta este o marime constanta ,iar punctul de aplicatie se deplaseaza în mod egal cele 2 ferestre ale miezului feromagnetic ,din aceasta cauza va apare o usoara vibratie a armaturii mobile.In practica întrefierul coloanei centrale este mai mare decât întrefierul coloanelor exterioare
Conform relatiilor (3.84) si (3.85),portiunile de fier ale circuitului magnetic al electromagnetului de curent alternativ se caracterizeaza prin impedante magnetice si numai caile de flux prin aer (portiunile nefieromagnetice ale circuitului magnetic) atît pentru fluxul util cît si pentru fluxul de dispersii se caracterizeaza din punct de vedere magnetic,prin elemente active,reluctante magnetice:
Inlocuind expresia componentei active a
curentului în bobina de excitatie - relatia (3.151) în expresia reactantei
magnetice echivalente a portiunii de fier a circuitului magnetic (care,în
realitate reprezinta puterea activa a impedantei magnetice,dar s-a
luat origine de faza
) - relatia (3.85)
rezulta:
(3.163)
Cu -
![]()
-
densitatea masica
a materialului circuitului magnetic
-
sectiunea
transversala si lungimea portiunii de fier a circuitului magnetic
-
) pierderi specifice ,totale în fier
rezulta:
(3.164)
Din relatia (3.85) rezulta ca:
(3.165)
Deoarece
![]()
rezulta
(3.166)
unde marimile
se obtin din curba de magnetizare a materialului
respectiv,ridicata în curent alternativ la frecventa f .
Nota:
aceasta curba de magnetizare cînd este ridicata pentru întreg
circuitul magnetic,închide în forma sa si influienta întrefierului (deci si
contributia magnetica
)aceasta influienta consta în aceea ca
pentru o valoare
,atunci cînd circuitul magnetic are unul sau mai multe
întrefieruri,corespunde o valoare H mai mare,desi forma ciclului de histerezis
corespunzatoare materialului respectiv a ramas neschimbata.
Rezistenta magnetica activa în cazul curentului alternativ se va calcula cu relatia:
(3.167)
Spre deosebire de cazul curentului continu, unde:
(3.168)
Spira în scurtcircuit conform celor expuse la pct 3.5.1 din punct de vedere magnetic se caracterizeaza prin reactanta magnetica:
Tinînd cont de cele expuse mai înainte,rezulta ca în ipoteza neglijarii saturatiei magnetice respectiv în cazul miezurilor magnetice nesaturate calculul circuitului magnetic al unui electromagnet de curent alternativ monofazat se realizeaza analogic cu calculul circuitelor electrice liniare în regim permanent sinusoidal.
Exemplu : Electromagnetul în forma de U/1 fig 3.23 are tensiunea de alimentare a bobinei U si numarul de spire al bobinei N,se cunosc dimensiunile electromagnetului si parametrii spirei ecran.
Intr-o
prima aproximatie,se neglijaza rezistenta ohmica a bobinei
electromagnetului
=0 si reactantele magnetice ale portiunii de fier ale
circuitului magnetic; fluxul din portiunea de miez pe care se afla bobina
se calculeaza cu relatia cunoscuta (vezi 3.88).
(3.169)
In continuare calculul este identic ca si în cazul circuitelor electrice liniare în care se cunoaste curentul (în cazul nostru fluxul fascicular prin miez ) si trebuie aflata tensiunea magnetomotoare a sursei - calculul efectuat în complex. Schema echivalenta magnetica este prezentata în fig 3.37a.
Functie de inductiile magnetice din miez,calculate pe baza fluxului magnetic obtinut în relatia (3.169) se calculeaza reluctanta magnetica si reactanta magnetica pentru fiecare portiune din fier a circuitului magnetic,folosind relatiile de calcul (3.164) si (3.165)
In a doua operatiune de calcul se considera si rezistenta bobinei electromagnetului si impedantele magnetice ale portiunilor de fier ale circuitului magnetic;în cazul acesta fluxul magnetic din portiunea cu bobina se determina cu relatia:
(3.170)
unde I - valoarea curentului determinata în prima aproximatie de calcul.
Din noua schema echivalenta a circuitului magnetic fig 3.37b se calculeaza solenatia bobinei ,componentele inductiei magnetice pentru toate portiunile de fier ale circuitului magnetic.
Fig 3.37 a b
Calculul poate continua pîna cînd între doua aproximari succesive,diferenta dintre solenatii este neglijabila.
Nota:fluxul total al bobinei deoinde de tensiunea de alimentare,iar curentul depinde de impedanta circuitului magnetic (spre deosebire de electromagnetul de curent continu la care ,fluxul total depinde de reluctanta circuitului magnetic,iar curentul depinde de tensiunea de alimentare si rezistenta bobinei).
|