Documente online.
Zona de administrare documente. Fisierele tale
Am uitat parola x Creaza cont nou
 HomeExploreaza
upload
Upload




ENERGIA MAGNETICA SI FORTELE GENERALIZATE IN CAMPUL MAGNETIC

Fizica


ENERGIA MAGNETICĂ sI FORŢELE GENERALIZATE ÎN CÂMPUL MAGNETIC

13.1. Energia magnetica a unui sistem de circuite electrice

Se considera un sistem de n circuite electrice filiforme, alimentate la borne cu tensiunile u1, u2, ..., un si parcurse de curentii de conductie i1, i2, ..., in fig. 13.1-1). Sensurile de referinta ale tensiunilor si ale curentilor sunt as 323f52d ociate dupa regula de la receptoare. Circuitul de ordin k are fluxul magnetic total fk calculat în sensul de parcurgere ce coincide cu sensul de referinta al curentului ik



Fig. 13.1-1. Circuite în procesul de stabilire a câmpului magnetic.

Fie Gk un contur de-a lungul conductorului circuitului de ordin k, închis prin linia tensiunii la borne pe care a fost definita tensiunea la borne uk Se aplica acestui contur legea inductiei electromagnetice, parcurgând conturul în sensul de referinta al curentului ik Se obtine relatia

în care ufk este tensiunea electrica în lungul firului circuitu­lui de ordin k.

Tensiunea în lungul firului poate fi determinata aplicând firului legea conductiei electrice

unde Rk este rezistenta firului circuitului de ordin k. Întrucât t.e.m. imprimata a firului eik se considera nula, rezulta tensiunea ufk si dupa înlocuirea în (13.1-1) se obtine ecuatia de functionare în regim variabil a circuitului de ordin k

Energia primita pe la borne de sistemul de n circuite în intervalul de timp dt este

Conform principiului conservarii energiei, energia primita de sistem trebuie sa fie egala cu suma dintre energia transforma­ta în caldura dQ, lucrul mecanic elementar efectuat dL si creste­rea energiei interne a sistemului dWm - aici energie magnetica

Conform legii Joule, energia transformata în caldura este

Multiplicând ecuatia de functionare (13.1-3) cu ik dt si sumând în raport cu indicele k, se obtine relatia

Comparând-o cu relatia de bilant (13.1-5), se obtine

Aceasta relatie va permite determinarea energiei magnetice si a fortelor magnetice.

Se considera o transformare în care nu se efectueaza lucru mecanic (corpuri imobile, dL = 0). De asemenea, se considera nula energia magnetica (macroscopica) în starea de referinta cu fluxuri magnetice nule. Atunci rezulta

În ultima expresie, cu s-au notat valorile curentului si a fluxului magnetic într-o stare intermediara, iar cu ik, fk - curentul si fluxul magnetic în starea finala careia îi corespunde energia magnetica Wm. Pentru a putea calcula ultima integrala trebuie cunoscuta relatia dintre fluxuri si curenti. In cazul regimului cvasistationar al circuitelor electrice liniare fluxurile magnetice sunt proportionale cu curentii

Energia fiind o marime de stare, care nu depinde de modul particular în care s-a atins starea respectiva, pentru calculul integralei (13.1-10) se considera un mod particular de atingere a starii finale, în care toti curentii (si, corespunzator, fluxu­rile) din starile intermediare sunt proportionali cu curentii finali si se noteaza cu l factorul subunitar de stare intermediara (care indica raportul unui curent din starea intermediara la cel din starea finala, pentru care se calculeaza energia magnetica Wm). Atunci într-o stare intermediara

unde cu ij, fk s-au notat curentul si fluxul starii finale.

Astfel, expresia diferentialei energiei devine

iar expresia energiei se obtine integrând între limitele 0 si 1 în raport cu parametrul l. Rezulta

În particular, pentru o bobina (n = 1, f = L i)



Pentru doua bobine cuplate magnetic, rezulta

Primul termen este energia magnetica proprie a bobinei 1, al doilea termen - energia proprie a bobinei 2, iar ultimul termen se numeste energia magnetica de interactiune a bobinelor. In general, pentru un circuit oarecare de curent i, situat într-un câmp magnetic exterior, energia de interactiune este

Observatie. Bobinele cu miez feromagnetic pot avea o caracteristica magnetica neliniara f(i), ca în figura 13.1-2. In acest caz, pentru starea reprezentata prin punctul m, energia magnetica a bobinei este egala cu aria triunghiului curbiliniu Oma. Relatia (13.1-13) este valabila numai la caracteristica magnetica liniara.

Prin simetrie, se introduce si coenergia magnetica W'm, reprezentata în figura 13.1-2 prin aria triunghiului curbiliniu Omb. În general

Fig. 13.1-2. Energia si coenergia magnetica în cazul caracteristicilor neliniare.

Între energie si coenergie exista relatia

În medii liniare, coenergia este egala cu energia.

Nota. Notiunea de coenergie este controversata. Aceasta marime este utila si distincta de energie numai în cazul bobinei neliniare. Utilitatea sa se va observa la a doua teorema a fortelor generalizate în câmpul magnetic. Conceptul de coenergie mai este folosit în analiza circuitelor inductive neliniare (cum ar fi masinile electrice).

13.2. Densitatea de volum a energiei câmpului magnetic

Energia magnetica este localizata în tot domeniul de câmp, cu o densitate de volum wm. Expresia acestei densitati se poate determina usor în cazul unui domeniu de câmp finit, în care marmile de stare ale câmpului () sunt constante: cazul unui solenoid foarte lung, înfasurat uniform, situat într-un domeniu omogen. Daca A este aria sectiunii transversale a solenoidului, N - numarul de spire si l lungimea, rezulta succesiv

în care V = l A este volumul solenoidului. Rezulta ca diferen­tiala densitatii de volum a energiei magnetice are expresia

iar densitatea de volum a energiei magnetice va fi

În planul curbei de magnetizare B(H) a materialului magnetic (fig. 13.2-1), densitatea de volum a energiei magnetice reprezinta aria triunghiului curbiliniu Oma.

Nota. In medii anizotrope, în care pot fi vectori neomoparaleli, în expresiile de mai sus produsul H dB se înlocuieste cu produsul scalar

În medii liniare B = µ H si rezulta

Fig. 13.2-1. Densitatea de volum a energiei si a coenergiei magnetice.

Energia magnetica localizata într-un volum VS se poate calcula prin integrala de volum a densitatii de volum a energiei

Observatie. Se poate introduce si conceptul de densitate de volum a coenergiei magnetice, care conduce la urmatoarea relatie de definitie

În planul curbei de magnetizare (fig. 13.2-1), densitatea de volum a coenergiei magnetice este reprezentata de aria triunghiu­lui curbiliniu Omb.

Coenergia magnetica se poate calcula prin integrala de volum a densitatii de volum a coenergiei

Aplicatie. Calculul energiei câmpului magnetic din interiorul unui conductor de forma unui cilindru circular drept, de lungime foarte mare si de raza a << l, strabatut de un curent continuu cu intensitatea i.

La distanta r a de axa conductorului (fig. 13.2-2), intensitatea câmpului magnetic este

Fig. 13.2-2. Notatii pentru calculu; energiei câmpului magnetic din interiorul conductorului cilindric.



Considerând un volum elementar în forma de coaja cilindrica, de raza r, grosime dr si lungime l (pe care densitatea de volum a energiei magnetice are aceeasi valoare), rezulta

Energia magnetica "interioara" este

Din aceasta valoare se poate determina inductivitatea "interioara" Li a unui conductor, identificând expresiile energiilor magnetice

Dupa calcule elementare se obtine expresia

valoare care a fost obtinuta si direct, la calculul inductivitatii liniei aeriene bifilare.

Nota. Este interesant sa se compare densitatea de volum a energiei electrice cu cea a energiei magnetice, pentru valori practice ale marimilor de stare. Valorile reciproce acestor densitati de energie dau o masura a volumelor implicate în procesele de conversie si de transformare a energiei electromagnetice cu ajutorul dispozitivelor electrice sau magnetice.

Considerând un câmp electric în aer, cu o intensitate a câmpului de 10 kV/cm, rezulta

Pentru un câmp magnetic în aer, având inductia de 1 T, rezulta

Deci, densitatea de volum a energiei magnetice poate fi de aproximativ 90.000 ori mai mare decât cea a energiei electrice, ceea ce arata avantajul dispozitivelor magnetice fata de cele electrice.

13.3. Densitatea de volum a energiei magnetice ca functie de

Înlocuind în expresia (13.2-3) si tinând seama ca

se obtine

Daca suprafata S se intinde pâna la infinit sau daca pe suprafata S este nula componenta tangentiala a intensitatii câmpului magnetic, atunci integrala de suprafata se anuleaza si densitatea de volum a energiei magnetice se exprima prin integrala

În medii liniare, potentialele vector sunt proportionale cu densitatea de curent si se obtine

13.4 Fortele generalizate în câmpul magnetic

Cunoscând expresia energiei magnetice se pot calcula actiunile ponderomotoare (fortele, cuplurile) de natura magnetica care se exercita asupra circuitelor sau a corpurilor în câmpul magnetic. In timp ce fortele de natura electrica (sau electrostatica) au valori relativ mici, fortele magnetice pot atinge valori importante, ceea ce conduce la numeroase aplicatii tehnice: motoare electrice, electromagneti, relee si chiar procedee tehnologice de prelucrare sau deformare. Fortele magnetice se calculeaza, deobicei, cu ajutorul teoremelor fortelor generalizate în câmpul magnetic.

Lucrul mecanic elementar (sau virtual) dL = X dx, care se efectueaza la o deplasare elementara dx a unui corp în câmpul magnetic, sub actiunea fortei magnetice generalizate X, se poate calcula din relatia (13.1-8) pusa sub forma

Aceasta relatie poate fi interpretata ca dezvoltarea diferentialei totale a energiei magnetice, exprimata ca functie de marimile de stare magnetica (fluxuri magnetice si curenti) si de coordonata generalizata x. Pentru a simplifica relatia, se pot considera doua ipoteze.

In prima ipoteza, se considera ca deplasarea elementara se efectueaza mentinând constante fluxurile magnetice, caz în care suma din expresie este nula (dfk = 0 pentru orice k) si atunci

Exprimând energia magnetica ca functie numai de coordonata generalizata x si de fluxurile magnetice

diferentiala energiei magnetice devine

La fluxuri magnetice constante ramâne numai primul termen. Astfel se deduce prima teorema a fortelor generalizate în câmpul magnetic, exprimata prin relatia

Forta generalizata X, asociata coordonatei generalizate x, este egala cu derivata partiala a energiei magnetice (exprimata ca functie de fluxuri si de coordonata generalizata) în raport cu coordonata generalizata, luata cu semn schimbat. In membrul drept al relatiei (13.4-4) s-a prevazut indicele f=const, pentru a atrage atentia asupra faptului ca expresia energiei magnetice ce se deriveaza partial este functie numai de fluxuri si de coordonata x.

In cazul unei transformari efectuate la flux magnetic constant nu are loc fenomenul de inductie electromagnetica si atunci nu are loc nici schimb de energie între câmp si surse exterioare; în consecinta lucrul mecanic al fortelor magnetice se efectueaza în contul energiei magnetice a sistemului, asa cum arata relatia (13.4-2). Daca lucrul mecanic este pozitiv, atunci scade energia sistemului (energia magnetica), iar daca este negativ - creste.

In a doua ipoteza, se considera o transformare în care se mentin constanti curentii circuitelor. Se observa ca atunci când sunt constanti curentii se simplifica expresia diferentialei coenergiei magnetice. De aceea, se exprima întâi relatia (13.1-8) cu ajutorul coenergiei, tinând seama de relatia (13.1-17). Rezulta



Pentru transformarea la curenti constanti, relatia se simplifica (suma devine nula, dik = 0 pentru orice k)

Exprimând coenergia magnetica ca functie numai de coordonata generalizata x si de curenti

diferentiala coenergiei magnetice devine

La curenti constanti ramâne numai primul termen. Astfel se deduce a doua teorema a fortelor generalizate în câmpul magnetic, exprimata prin relatia

Forta generalizata X, asociata coordonatei generalizate x, este egala cu derivata partiala a coenergiei magnetice (exprimata ca functie de curenti si de coordonata generalizata) în raport cu coordonata generalizata. In membrul drept al relatiei (13.4-8) s-a prevazut indicele i=const, pentru a atrage atentia asupra faptului ca expresia coenergiei magnetice ce se deriveaza partial este functie numai de curenti si de coordonata x.

Ambele relatii (13.4-4) si (13.4-8) permit calculul aceleiasi forte X, a carei valoare nu depinde de modul cum a fost calculata (daca este calculata corect !).

Adesea relatia (13.4-8) este exprimata cu ajutorul energiei magnetice Wm, în locul coenergiei W'm; în aceasta forma este valabila numai în cazul mediilor liniare, pentru care coenergia este egala cu energia W'm = Wm.

In cazul unei transformari efectuate la curenti constanti are loc fenomenul de inductie electromagnetica si atunci are loc un schimb de energie între câmp si sursele exterioare. Relatia (13.4-6) arata ca variatia coenergiei este egala cu lucrul mecanic efectuat; în acelasi sens variaza si energia sistemului. Daca lucrul mecanic este pozitiv, atunci creste energia sistemului (energia magnetica), iar daca este negativ - scade. Pentru sistemele liniare variatia energiei magnetice este egala cu lucrul mecanic efectuat, deci cu sursele se schimba o energie egala cu dublul lucrului mecanic efectuat.

Observatie. Fortele magnetice exercitate între conductoare parcurse de curent se numesc forte electrodinamice, iar cele exercitate între conductoare parcurse de curenti si piesele feromagnetice se numesc forte electromagnetice.

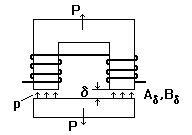
Aplicatia 1. Forta portanta a unui electromagnet.

Se considera electromagnetul din figura 13.4-1 si se urmareste calculul fortei electromagnetice P exercitate asupra armaturii inferioare. Coordonata generalizata asociata este largimea întrefierului, cu semn schimbat (- d

Energia magnetica a electromagnetului este egala cu suma energiilor magnetice din portiunea feromagnetica WmFe si din întrefier Wmd

Fig. 13.4-1. Notatii pentru calculul fortei portante a electromagnetului.

În cursul unei deplasari a armaturii la flux magnetic constant, se va modifica numai energia magnetica din întrefier, adica

Energia magnetica din întrefier se exprima ca functie de flux, respectiv de inductie magnetica, sub forma

unde cu Bd s-a notat inductia magnetica în întrefier, iar cu A s-a notat aria unui pol spre întrefier. Efectuând calculele, rezulta expresia fortei portante

Forta este de atractie, adica tinde sa micsoreze largimea întrefierului.

Tensiunea de atractie a armaturilor este

Nota. Tensiunea de atractie p, cu expresia de mai sus, este cunoscuta si sub denumirea de tensiune maxwelliana, care se exercita normal pe suprafata din spre vid a corpurilor feromagnetice ideale.

La o inductie în întrefier de 1 T rezulta o tensiune de atractie de aproximativ 40 N/cm2. Astfel se stabileste formula practica

în care inductiile magnetice sub poli se exprima în tesla [T], ariile corespunzatoare - în centimetri patrati [cm2], iar sumarea se extinde asupra tuturor întrefierurilor (de partea armaturii mobile).

Aplicatia_2. Forta de respingere dintre conductoarele unei linii bifilare, parcurse de curentul i.

Forta se poate calcula fie cu formula lui Amp re, fie cu teorema fortelor generalizate în câmp magnetic. Pentru aplicarea ultimei metode, se exprima întâi energia magnetica (egala cu coenergia, întrucât sistemul este liniar) cu ajutorul inductivitatii liniei bifilare

Alegând drept coordonata generalizata distanta D între conductoare, cu a doua teorema a fortelor generalizate rezulta forta de respingere

Exprimând curentul i în kiloamperi [kA] si distanta D în metri [m], se obtine formula practica pentru forta pe unitatea de lungime (de 1 m)




Document Info


Accesari: 8490
Apreciat: hand-up

Comenteaza documentul:

Nu esti inregistrat
Trebuie sa fii utilizator inregistrat pentru a putea comenta


Creaza cont nou

A fost util?

Daca documentul a fost util si crezi ca merita
sa adaugi un link catre el la tine in site


in pagina web a site-ului tau.




eCoduri.com - coduri postale, contabile, CAEN sau bancare

Politica de confidentialitate | Termenii si conditii de utilizare




Copyright © Contact (SCRIGROUP Int. 2025 )