Transformatorul Electric

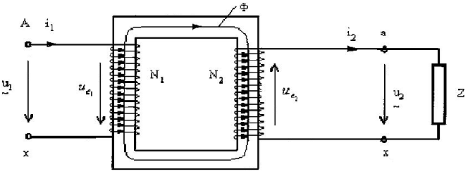
Transformatorul electric este masina electrica statica care modifica anumiti parametri ai energiei electrice(tensiune,putere,curent) in alti parametri fara a modifica frecventa energiei electrice(f1=f2=ct).
Principiul de functionare a transformatorului electric este cel al inductiei electro-magnetice.

A,X - bornele infasurarii primare
a,x - bornele infasurarii secundare
N1 -infasurarea primara
N2 - infasurarea secundara
u1- tensiunea aplicata in infasurarea primara
u2 - tensiunea rezultata in infasurarea secundara
i1 - curentul din infasurarea primara
i2 - curentul din infasurarea secundara
ue1 - tensiunea electromotoare din infasurarea primara
ue2 - tensiunea electromotoare din infasurarea secundara
- fluxul total (Φ1+Φ2)
In infasurarea N1 se aplica tensiunea u1 care produce curentul i1 care produce tensiunea electromotoare ue1 care producul fluxul magnetic Φ1.Fluxul se inchide prin circuitul magnetic iar in infasurarea N2 se induce fluxul Φ2 care produce produce tensinea electromotoare ue2 care produce curentul i2 si aceasta va produce tensiunea la borne u2.
Valorile efective ale celor doua tensiuni electro-motoare au expresia:
Raportul
lor
numindu-se raport de transformare nominal.
Daca kn>1 spunem ca transformatorul este coborator de tensiune,iar daca kn<1 spunem ca transformatorul este ridicator de tensiune.
Din punct de vedere constructiv orice transformator are doua parti componente 636j93g principale:
Circuitul electric
Circuitul magnetic
Circuitul electric este format din doua sau mai multe infasurari realizate din cupru sau aluminiu si se aseaza pe circuitul magnetic.
Circuitul magnetic este format din tole subtiri (0,3;0,35;0,5mm) realizate din otel electrotehnic,iar pentru frecvente mari sunt realizate din ferita.Acestea sunt izolate intre ele prin lac,oxizi,straturi ceramice pentru a micsora pierderile prin curenti turbionari (Foucalt). Pierderile in miezul magnetic denumite pierderi in fier,constau din pierderi prin histerezis (70-80%) si pierderi prin curenti turbionari (20-30%).
Portiunea de circuit magnetic pe care este asezata infasurarea poarta numele de coloane,iar celelalte portiuni se numesc juguri.
Dupa modul cum sunt dispuse jugurile si coloanele se deosebesc doua tipuri de miezuri:
cu coloane (fig.a)
in manta (fig.b)

a) b)
Pe coloane (1) se afla infasurarile de inalta tensiune (I.T) si de joasa tensiune (J.T),iar prin juguri (2) se inchide circuitul magnetic.
Sectiunea coloanelor si jugurilor este patrata, dreptunghiulara sau in cruce la transformatoarele de puteri mici si in trepte la cele de puteri mari,urmarindu-se ca suprafata spirelor infasurarilor sa fie cat mai 'plina' de material feromagnetic.
Infasurarile transformatorului au ca elemente componente: spira, bobina si stratul de spire. Conductorul folosit este din cupru sau aluminiu electrolitic, cu sectiunea circulara pana la 10 mm2 pentru transformatoarele de putere mica si rectangulara, de 6 - 60 mm2, pentru cele de putere mare. Izolatia conductorului poate fi: cu bumbac, matase, email sau rasini siliconice. Bobinele sunt izolate intre ele prin spatii de aer sau ulei, straturi de prespan, polivinil.
Dupa modul de asezare al bobinelor una fata de cealalta pe aceeasi coloana avem:
concentric simple,cand cele 2 bobine sunt cilindrice,de diametre diferite si montate coaxial(fig.a)
biconcentrice,una dintre cele 2 bobine fiind subdivizata(fig.b)
alternante,constituite din bobine partiale de diametre si grosimi egale(fig.c)

a. b. c.
Pierderile de putere in transformator se transforma in caldura determinand
cresterea temperaturii miezului si a bobinelor. Puterea maxima ce se poate obtine
dintr-un transformator depinde de incalzire, de temperatura limita admisibila.
Transformatoarele de puteri mari, de peste 5 KVA, se introduc in cuve
metalice umplute cu ulei, pentru a imbunatati evacuarea caldurii datorita pierderilor si a evita astfel incalzirea bobinelor si a miezului peste supratemperatura admisibila(70°C). Caldura dezvoltata in bobine si in miez se transmite uleiului care o cedeaza cuvei. Pentru a mari suprafata de racire a cuvei, peretii acesteia se executa cu ondulatii sau cu tevi de racire. La puteri mai mari de 20 MVA racirea se intensifica printr-o circulatie fortata a uleiului, cu ajutorul pompelor. Uleiul reprezinta pericolul de incendiu si explozie in cazul aparitiei unui arc in urma unei eventuale deteriorari a izolatiei. De aceea, transformatorul cu ulei, se inzestreaza cu un releu care semnalizeaza din timp degajarea excesiva de gaze in ulei si deconecteaza transformatorul in caz de avarie. In incaperi cu pericol de explozie, in locul uleiului se folosesc lichide de racire sintetice, neinflamabile.
Variante de transformatoare.
Dupa modul de folosire si de constructie se disting urmatoarele tipuri de transformatoare:
-Transformatoare de putere pentru statii de transformare
-Transformatoare pentru alimentarea cuptoarelor electrice
-Transformatoare de masura pentru extinderea domeniului de masurare al aparatelor de masura
-Transformatoare de sudura
-Autotransformatoare
-Transformatoare pentru incalzirea prin inductie
Transformatoare de putere pentru statii de transformare

Generatoarele de curent alternativ produc energie electrica de obicei la
tensiunea de 10 KV. Pentru marirea tensiunii se utilizeaza un transformator de
putere ridicator de tensiune, adica avand N2 >N1. Transportul energiei la tensiune
inalta, micsoreaza pierderile prin efect Joule, dar mareste cheltuielile de constructie.O cifra orientativa pentru solutia economica optima este de a mari tensiunea cu 1 KVla fiecare km al liniei de transport.
Pentru distribuirea si utilizarea energiei electrice, considerente economice si de protectia muncii, conduc la adoptarea unor tensiuni mai mici. Tensiunile se
micsoreaza cu ajutorul transformatoarelor coboratoare de tensiune, avand N2<N1.
Principala cerinta impusa transformatoarelor destinate statiilor de transformare este de a avea pierderi cat mai mici, deci randament cat mai mare.
Transportul energiei electrice se realizeaza de obicei in retelele trifazate.
Transformatoarele statiilor de transformare sunt si ele trifazate.
Transformatoarele trifazate au un singur miez cu trei coloane .Pe fiecare coloana sunt dispuse doua infasurari: cea primara si cea secundara.
Infasurarile de inalta
tensiune se conecteaza obisnuit in stea, deoarece in acest caz izolatia se
dimensioneaza pentru tensiunea de faza si nu pentru cea de linie:![]()


iar numarul de spire N1 este si el mai mic de
ori
La curenti mari si consumator echilibrat, conductorul neutru fiind necesar,
secundarul se conecteaza in triunghi. Conexiunile cele mai frecvent intalnite ale
infasurarilor transformatoarelor sunt: stea/stea (Y/Y), pana la 1800 KVA sau
stea/triunghi (Y/D)

a) b)
Transformatoare pentru alimentarea cuptoarelor electrice
Aceste transformatoare monofazate sau trifazate sunt de putere mare (25
MVA), dar randamentul lor este mai mic decat al transformatoarelor de putere.
Ele se caracterizeaza prin tensiuni secundare si reglabile in limite largi, (1-6) ori. Curentii secundari sunt mai mari (de ordinul 10.000 -100.000 A).
Transformatoare de sudura
Pentru sudarea electrica
se utilizeaza tipuri de transformatoare in functie de felul sudarii: cu arc,
prin contact, etc. Pentru sudarea cu arc transformatorul are o tensiune secundara
de (60-85)V care in sarcina scade la (25-35)V si trebuie sa asigure o valoare
relativ
Este foarte important in cazul transformatorului de sudura sa existe o
intersectie intre caracteristica exterioara U2 = f(I2) a transformatorului si caracteristica arcului


Punctul P reprezinta punctul de functionare. Caracteristica externa U2 = f(I2) cu alura cazatoare se poate obtine prin diverse metode.
Pentru sudura prin contact, foarte intrebuintata in constructii, se utilizeaza
transformatoare cu tensiuni secundare mici (2-10V), dar cu intensitati de curent
secundari mai mari (pana la 100.000A). Reglarea curentului se face cu ajutorul unei bobine de reactanta cu prize.

Transformatoare de masura
In general transformatoarele de masura se folosesc in scopul extinderii
domeniului de masura al instrumentelor de masura electrice cat si al protejarii
personalului de servire prin separarea circuitului de utilizare de inalta tensiune de
circuitul de masura.
Transformatorul de tensiune din figura lucreaza practic ca un
transformator in gol (I2 = 0), deoarece la bornele secundare se conecteaza un resistor avand o rezistenta ohmica foarte mare, rezistenta voltmetrului. Transformatorul de tensiune se dimensioneaza astfel incat fluxul Φ si reluctanta magnetica Rm a miezului magnetic sa fie mici.
In
acest caz:![]()
de unde rezulta ca si I1 este foarte mic.In aceste conditii, neglijand caderile de tensiune rezistive si inductive din ecuatiile transformatorului, se poate afirma cu o buna aproximatie ca raportul de transformare este:
Din motive de securitate secundarul transformatorului se leaga la o priza de
pamant. Cunoscandu-se numarul de spire primar respectiv secundar, deci raportul de transformare al transformatorului, prin masurarea tensiunii U2 rezulta imediat
tensiunea U1=nU2.
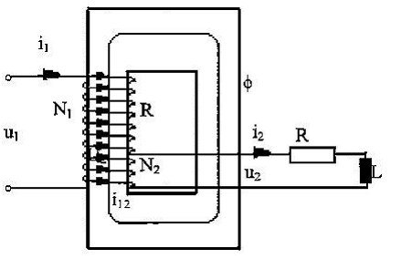
Transformatorul de curent lucreaza ca un transformator cu regim de
functionare in scurtcircuit.In primar se
alege un numar de spire mai mic decat in secundar N1<N2, deci raportul de transformare,
este
subunitar.
La bornele infasurarii secundare se conecteaza un ampermetru de impedanta
interioara foarte mica. Miezul transformatorului se confectioneaza din tole cu
permeabilitate magnetica mare si cu sectiune mare. In aceste conditii se comite o
eroare extrem de mica egaland cu zero
relatia:.
.
Asadar, cu buna
aproximatie se poate afirma ca raportul valorilor efective ale curentilor I1 si I2 este inversul raportului numarului de spire, adica:
.
In figura se reprezinta schema de conectare a transformatorului de curent
in circuit.Masurandu-se cu ampermetrul
curentul I2 se calculeaza
curentul I1 cu relatia:
.
Transformatorul de curent indeplineste si rolul de a separa galvanic circuitul de inalta tensiune de circuitul de masura. Pentru prevenirea accidentelor ce pot surveni la o eventuala distrugere a izolatiei intre infasurarea primara si cea secundara,secundarul transformatorului se leaga la pamant printr-o priza.

De subliniat faptul ca nu este permis a se lasa in gol secundarul
transformatorului de curent, deoarece in absenta amperspirelor secundare
demagnetizate I2N2, amperspirele primare I1N1 produc un flux mult mai mare decat in prezenta lor, iar tensiunea indusa in secundar creste mult si poate atinge valori periculoase pentru personalul operator.
Autotransformatoarele
Daca raportul de transformare e putin diferit de 1 este economica constructia
unor transformatoare cu o singura infasurare de inalta tensiune cu N1 spire, din care o parte N2 spire constituie infasurarea de joasa tensiune.
Autotransformatorul poate fi folosit atat pentru ridicarea tensiunii cat si pentru coborarea tensiunii. Pentru a cobori tensiunea, U1 se aplica celor N1 spire, iar tensiunea secundara U2 se obtine la bornele celor N2 spire. Pentru a ridica tensiunea se procedeaza invers.
Avantajul consta in faptul ca spirele comune sunt parcurse de curentul I12, de valoare efectiva mai mica decat curentul I2 si deci sectiunea conductoarelor din care se executa aceste spire poate fi redusa.
In laboratoare se utilizeaza frecvent autotransformatoare cu raportul de
transformare reglabil intre 1 si ∞ pentru obtinerea unor tensiuni
reglabile intre 0 si valoarea tensiunii retelei.


Transformatorul pentru incalzire prin inductie
Incalzirea prin inductie a materialelor conductoare este larg utilizata la:
incalzirea in profunzime pana la temperatura corespunzatoare deformarii plastice,
topirea metalelor, lipirea si sudarea metalelor, prelucrarea termochimica a pieselor.
Procesul fizic consta in inducerea unor tensiuni electromotoare care genereaza curenti turbionari (Foucault) in piesa de incalzit, energia termica dezvoltata de acesti curenti determinand incalzirea piesei. In instalatiile de incalzire prin inductie se utilizeaza ca sursa a campului electromagnetic un inductor care poate fi de cele mai diverse forme, in functie de forma si dimensiunile piesei de incalzit. Cel mai des intalnite sunt inductoarele cilindrice sau dreptunghiulare.
Transformatoarele pentru incalzire prin inductie in inalta frecventa se folosesc pentru acordarea parametrilor inductorului cu parametrii sursei de alimentare.
Dupa destinatie aceste transformatoare se clasifica in:
. Transformatoare pentru calire, cu tensiuni in secundar de 8-150V si
curenti pana la 30 kA;
. Transformatoare pentru incalzire, cu 150-1000V tensiunea secundara si
curenti mici; Infasurarile primare ale acestor transformatoare sunt alimentate cu tensiuni cuprinse in general intre 300-800 V.
La aceste transformatoare care lucreaza la frecvente mari, se manifesta
puternic efectul pelicular, fapt ce conduce la pierderi in cupru mult mai mari decat
cele obisnuite. La frecvente mari si pierderile in fier sunt mult mai mari ajungand
pana la cea. 100 W/kg fata de cea. 3 W/kg. Din aceste motive transformatoarele
pentru incalzirea prin inductie in inalta frecventa prezinta unele particularitati
constructive generale:
- racirea intensa cu apa a infasurarilor si a miezului feromagnetic;
- executarea infasurarilor din teava de cupru profilata pentru a putea fi racita
cu apa;
- intre tolele miezului feromagnetic se monteaza placi (tole) de cupru cu tevi
de cupru lipite pe ele prin care circula apa;
- infasurarile sunt de tipuri speciale, menite a folosi la maximum sectiunea
de cupru in conditiile manifestarii puternice a efectului pelicular;
- infasurarea secundara are in general un numar foarte redus de spire (1-3 spire).
Functionarea in paralel a transformatoarelor electrice
Cand puterea solicitata unui transformator atinge pe cea nominala, o extindere in continuare a puterii consumatorilor necesita punerea in paralel a doua sau mai multe transformatoare electrice. Transformatoarele functioneaza in paralel atunci cand bornele omoloage primare si secundare sunt legate electric intre ele, infasurarile primare fiind alimentate cu acelasi sistem de tensiune, iar cele secundare alimenteaza acelasi consumator.
Din punct de vedere al consumului de materiale, al investitiilor, al pierderilor de putere, este mai avantajoasa folosirea unui singur transformator de putere mai mare decat a mai multora in paralel, de puteri mai mici. Cu toate acestea utilizarea mai multor transformatoare in paralel in locul unuia singur de putere corespunzatoare, prezinta unele avantaje:
- posibilitatea asigurarii continuu cu energie electrica a consumatorilor la
deconectarea unor transformatoare pentru revizii sau reparatii, sarcina acestora
fiind preluata de celelalte transformatoare;
- posibilitatea mentinerii unui nivel minim al pierderilor in procesul de
transformare prin modificarea numarului de transformatoare aflate in functiune,
corespunzator sarcinii cerute zilnic sau sezonier, conform graficelor de sarcina.
Pentru ca doua transformatoare sa poata fi conectate in paralel si sa
functioneze corect, sunt necesare urmatoarele conditii:
- Raporturile de transformare ale celor doua transformatoare trebuie sa fie
aceleasi, caci altfel secundarul transformatorului cu raport de transformare
mai mare devine consumator pentru secundarul celui cu raport de
transformare mai mic.
- Tensiunile de scurtcircuit ale celor doua transformatoare sa fie egale, caci
numai asa cele doua transformatoare care alimenteaza acelasi consumator se
incarca cu puteri proportionale cu puterile lor nominale. Daca aceasta
conditie nu este indeplinita se poate ajunge in situatia ca transformatorul de
putere mai mica sa se incarce peste puterea sa nominala, iar cel de putere mai
mare sa functioneze subincarcat.
- Triunghiurile de scurtcircuit ale celor doua transformatoare sa fie egale,
indeplinirea acestei conditii asigura ca acelasi curent I, absorbit de
consumator, sa fie acoperit de doi curenti minimi, furnizati de secundarele
celor doua transformatoare conectate in paralel. Curentii minimi inseamna
pierderi minime, respectiv solicitari termice mai mici.
- Sa aiba aceeasi grupa de conexiuni.
Transformatorul Trifazat

Particularitati constructive:
Miez
La puteri mici < 1kVA Miezuri monofazate
La puteri medii 3 kVA < S < 300 MVA Miezuri trifazate
La puteri mari > 300 MVA Miezuri monofazate
Miez monofazat cu coloane, in manta. Fluxul fiecarei faze se inchide in miezuri separate. Nu exista cuplaj magnetic intre faze.
- Miez fara cuplaj magnetic à cu flux liber
Miez trifazat, cu 3 coloane, cu 5 coloane, in manta,
- Miez cu cuplaj magnetic à cu flux fortat - simetric
- nesimetric
àmiez trifazat simetric
àmiez cu trei coloane
àmiez in manta cu cinci
coloane
àmiez in manta cu cinci
coloane
Particularitati constructive:
-Conexiuni:stea,triunghi,zig-zag
-Schema de conexiuni:Yd,Zy,Dy
-Grupa de conexiuni:0,1.,11
Yd-5
Primarul in stea
Secundarul in triunghi
Defazajul dintre tensiuni 150 grade

Scheme de conexiuni
àconexiune in stea cu nul
àconexiune in triunghi
àconexiune in triunghi
Grupa de conexiune

Breviar de Calcul
3.1 Circuitul magnetic si infasurarile transformatorului
Circuitul magnetic este suportul fizic al campului magnetic,acesta se realizeaza din tole din otel electrotehnic in diferite variante constructive.
Infasurarile transformatorului reprezinta suportul fizic al curentului electric si este realizat din conductoare de cupru cu sectiune circulara sau dreptunghiulara.
Pentru transformatorul nostru vom alege infasurari dispuse concentric,infasurarea de joasa tensiune se va dispune spre circuitul magnetic.

Infasurarile sunt izolate fata de circuitul magnetic prin intermediul unor carcasa realizate din materiale electroizolante.
Pentru cazul nostru vom folosi carcasa cilindrica din polipropilena cu temperature critica intre 150-160 grade C.
Clasa de izolatie pe care am ales pentru transformator este clasa E,acestea se refera la pelicule de lacuri emailate de polivinil acetate,poliuretanice,rasini epoxidice,etc.
Temperatura
maxim admisibila pentru aceste materiale este
.
Infasurarile transformatorului sunt izolate cu lacuri sau benzi electroizolante la nivelul impus de tensiunea dintre spire iar intre straturile infasurarilor se practica izolatii suplimentare daca tensiunea dintre aceastea depaseste 50V.
3.2 Definitivarea marimilor nominale ale transformatorului
Se calculeaza urmatoarele marimi :
a) curentul nominal din secundar pentru infasurarea k si puterea aparenta secundara:
![]()
unde
k reprezinta numarul circuitelor secundare pe faza (k=1) iar ![]()
b) Puterea activa in secundar si in primar:
![]()
unde
si
deci ![]()
![]()
unde η - reprezinta randamentul preliminar al transformatorului
c) componentele curentului primar si factorul de putere in primar
![]()

unde K1=(0,4-0,5) pentru sarcini active deci
![]()

d) Puterea aparenta si curentul primar:

3.3 Sectiunea circuitului magnetic
a) Sectiune circuitului magnetic va fi preliminata cu relatia:

unde Ks=3,7 - reprezinta coeficientul cu valori functie de constructia transformatorului
KG` - reprezinta raportul intre masa circuitului magnetic si a infasurarilor pentru pret de cost minim se alege KS`=5
J` - densitatea medie de curent preliminata pentru infasurari este in functie de materialul conductor si electroizolant , conditiile de racire si de putere.
J` se ia J`=[2A/mm2]
Bc`- inductia preliminata a campului magnetic in coloana.La alegerea lui Bc` se tine cont de performantele materialului magnetic si electroizolant , de frecventa si de conditiile de racire.
Se alege din curba de magnetizare a materialului magnetic BC`=1,2T pentru f=50 Hz , tola laminata la rece.
Vom obtine
![]()
d) diametrul coloanei preliminate este:
Tolele circuitului magnetic realizate din otel si laminate la rece au grosimea gt=0,35 mm.
In functie de valorile SC si SJ obtinute se va determina sectiunea activa (in fier) a coloanei si a jugului.

unde k= factor de umplere,care depinde de tipul izolatiei al tolei si grosimea tolei.Se alege deci KF=0,94 pentru gt=0,35mm tipul izolatiei tolelor fiind oxid.
Se obtine:
3.4 Determinarea numarului de spire al infasurarilor
a) Numarul preliminar de spire al infasurarii primare se determina cu relatia:

unde ΔUr ` - reprezinta caderea de tensiune relative pe transformatoarele care depind de frecventa si de putere.
b) Numarul de spire al infasurarii primare (preliminat) va fi calculate cu relatia:
![]()
c) Tensiunea preliminata pe spira

d) Numarul preliminat de spire al infasurarii secundare

e) Se recalculeaza:
-tensiunea pe spira
![]()
inductia magnetic in coloana:
![]()
![]()
inductia magnetic in jug:
![]()
3.5 Determinarea dimensiunilor conductoarelor,a ferestrei transformatorului si dispunerea infasurarilor
Se
vor adopta valorile:
a) Sectiunile preliminare ale conductoarelor se determina cu relatiile:

b) Raportul optim intre dimensiunile ferestrei trebuie sa fie cuprins intre

unde hf` - reprezinta inaltimea ferestrei circuitului magnetic,iar bf` - reprezinta latimea ferestrei.
Forma ferestrei influenteaza atat valoarea curentului de magnetizare cat si costul transformatorului.
Pentru calculul lui hf` se foloseste relatia:

si se obtine:
![]()
Ku` - reprezinta factorul preliminar de umplere al ferestrei,acesta se ia ca fiind Ku`=0,5
Conform relatiei se poate determina valoarea lui bf` astfel:

Geometria unei infasurari concentrice se prezinta astfel:
unde:
hf`,bf` - reprezinta inaltimea respectiv latimea ferestrei
δaf - interstitiu aer frontal
δfc - grosimea flansa-carcasa δfc=3mm
δcc - grosimea corp carcasa δcc=3mm
δai - interstitiu aer interior δai=0,5mm
δ11 - izolatie intre straturi a infasurarii primare
δ1 - grosimea radiala a infasurarii primare
δ12 - izolatia intre infasurarea primara si secundara
δ22 - izolatia intre straturi a infasurarii secundare
δie - grosime izolatie exterioara δie=1mm
δae - interstitiu aer exterior δae=8mm
δ2 - grosimea radiala a infasurarii secundare
c) Numarul de spire pe strat al infasurarii primare se determina cu relatia:
![]()
d)Numarul de spire ale infasurarii primare se determina cu relatia:
e)Numarul de spire pe strat respectiv numarul de straturi ale infasurarii secundare se determina cu relatii similar si vom avea:

![]()
![]()
f)Tensiunea maxima intre 2 straturi se determina cu relatia:
![]()
Pentru primar vom avea:
![]()
Pentru secundar vom avea:
Deoarece in ambele cazuri s-au obtinut UVi>50 V unde i=1,2 rezulta ca intre straturile infasurarilor va trebuie sa utilizam o izolatie de sticla impregnata cu lacuri siliconice caracterizata de ECR=4KV/mm,pentru intervalul de temperatura de 180-200 grade C.
unde
Grosimea izolatiei intre straturile infasurarii secundare se determina cu relatia:
![]()
unde
,
Grosimea
izolatiei intre primar si secundar se va determina astfel:
![]()
In cazul infasurarilor bobinate pe carcase cilindrice se determina distanta:
Alegem carcasa cilindrica turnata din polipropilena cu temperatura critica intre (150-160 grade C) si δcc=3mm, δfc=3mm
g)Latimea ferestrei (bf) pentru transformator cu coloane si infasurari concentrice,carcasa cilindrica se determina cu relatia:
![]()
unde:
Se verifica daca este indeplinita egalitatea:

Se ajusteaza valorile lui hf` si bf stabilindu-se valorile finale.Se va determina bf astfel:
![]()
Cu valoarea lui bf obtinuta se determina valoarea lui hf astfel
![]()
Se recalculeaza marimile:

Si obtinem: ![]()
iar: 
3.6 Masa infasurarilor si pierderile in infasurari
Masa bobinelor se calculeaza cu relatia:

Pierderile de putere in grupul cu infasurari cu masa GWJ se determina cu relatia:

La temperatura de referinta de 75 grade C

Inlocuind numeric se obtine:
![]()
Se poate calcula Pw1 si Pw2 cu relatia:

Pierderile de putere pentru totalitatea infasurarilor se determina cu relatia:

3.7 Masa si pierderile in circuitul magnetic
a) Masa circuitului magnetic se determina cu relatii specifice formei acestuia.In cazul nostru avem transformator trifazat cu coloane.

b) Pierderile de putere activa in circuitele magnetice se determina cu relatiile:

Pierderile totale de putere active sunt date de relatia:
![]()
c) Puterea reactiva necesara magnetizarii circuitului magnetic din tole se determina cu relatia:

Se obtine:
![]()
3.8 Curentul de functionare in gol si randamentul
a) Curentul de functionare in gol in procente din curentul primar nominal I1 se determina cu relatia:
b) Randamentul si sarcina nominal se calculeaza cu urmatoarea relatie:
![]()
3.9 Caderile de tensiune si parametrii transformatorului
a) Caderile de tensiune activa:

b) Rezistentele infasurarilor:

c) Rezistenta de scurtcircuit (Kapp):

d) Caderea de tensiune totala activa este:

e) Caderile de tensiune inductiva pentru infasurari concentrice:
f) Caderea totala de tensiune:
![]()
g) Reluctanta inductiva de scurtcircuit:
![]()
h) Impedanta de scurtcircuit:
![]()
i) Tensiunea de scurtcircuit:
j) Caderea de tensiune relativa:
![]()
3.10 Verificarea transformatorului la incalzire
Supratemperatura infasurarilor si a circuitului magnetic se poate determina cu relatia:
![]()
unde α=1,1*10-3 N/cm2*grad C - coeficientul de transmitere al caldurii de la suprafete deschise ale infasurarilor si miezului.
SW,SF[cm2] - suprafete deschise ale infasurarilor si circuitului magnetic,se determina pentru cazul nostru astfel:

Δθ - variatia temperaturii de la straturile interioare ale infasurarii la cele exterioare: Δθ=[10-15]grade C.
Temperatura se determina cu relatia:

3.11 Verificarea solicitarilor mecanice
Curentul de soc in cazul unui scurtcircuit la bornele secundare:

a) Forta radiala care actioneaza asupra infasurarilor concentrice au expresia:

b) Efortul unitar al infasurarii este:

c) Forta axiala (Fy) se calculeaza in functie de tipul infasurarii.In cazul nostru infasurariile sunt concentrice,cu aceeasi inaltime.Forta de presare se calculeaza cu relatia:

d) Verificarea la incovoiere a consolelor de strangere a jugurilor:

Momentul incovoietor se calculeaza cu relatia:

Se verifica daca Τcy<1000 daN/cm2 unde Τcy - efortul unitar la incovoierea consolelor
![]()
Se verifica conditia Tcx<2000 daN/cm2 unde Tcx are expresia:
![]()
e) Efortul unitar la solicitarea axiala se determina cu relatia:
![]()
Se va verifica conditia :Tyj<200 daN/cm2
Pentru

4.Trasarea caracteristicilor de functionare ale transformatorului
4.1 Caracteristica externa a transformatorului
Se utilizeaza variatiei caracteristicii secundare in procente in functie de valoarea relativa a curentului cand tensiunea primara U1 si factorul de putere cosΦ2 sunt constant U1=ct si cosΦ2=ct.Aceasta mai este si numita caracteristica de sarcina a transformatorului.
Valorile de incarcare se iau:
Pentru
ridicarea caracteristicilor se recomanda urmatorul tabel:
cosΦ2=0,85 inductiv
|
I2[A] | ||||||||||||
|
ΔUr[%] | ||||||||||||
|
U2[V] |
Pentru determinarea lui U20 utilizam relatia
si vom avea:
cosΦ2=0,85 capacitiv
|
| ||||||||||||
|
I2[A] | ||||||||||||
|
ΔUr[%] | ||||||||||||
|
U2[V] |
Pe baza valorilor din tabele se traseaza grafic caracteristicile externe ale transformatorului in cele doua situatii:- cosΦ2=0,85 inductiv
-cosΦ2=0,85 capacitiv
4.2 Caracteristica randamentului
Aceasta
se determina in functie de factorul de incarcare al transformatorului la
tensiune primara
![]()
Factorul de incarcare al transformatorului se va lua:
Valoarea factorului de incarcare βm pentru care se obtine randamentul maxim ηm se determina astfel:

Cu valoarea
lui βm astfel obtinuta se poate determina valoarea
randamentului maxim astfel:
Deducerea schemei de conexiuni a transformatorului electric
Schema de conexiuni ne indica modul de legare a infasurarilor pe cele trei faze apartinand aceluasi nivel de tensiune.
Din enuntul temei de proiect stim ca schema de conexiuni pentru transformatorul nostru este:DY-1,in infasurarea primara avem conexiune triunghi,iar in cea secundara avem conexiune stea.
Cifra 1 reprezinta grupa de conexiuni,aceasta indica defazajul intre tensiunea primara si cea secundara.Grupa de conexiune 1 ne indica ca intre tensiunea primara si cea secundara nu exista nici un defazaj deci tensiunile sunt in linie.
a b c N Uab Ubc Uca C B A z y x c b a Sr Z Y X C B A
![]()
![]()
![]()


![]()

![]()

![]()


![]()
![]()
![]()
![]()
![]()
![]()
![]()
![]()
![]()
![]()
![]()
![]()
![]()
![]()
![]()
![]()
![]()
![]()
![]()
![]()
![]()
![]()
![]()
![]()
![]()
![]()
![]()
![]()
Tabel cuprinzand infasurarile si izolatiile transformatorului
|
Infasurarea |
Nr spire |
Dimensiunile sarmei |
Nr straturi |
Izolatie intre straturi |
Observatii |
|
|
neizolata |
izolata |
|||||
|
Primara |
Izolatie din sticla impregnate cu lacuri siliconice | |||||
|
Secundara |
Izolatie din sticla impregnate cu lacuri siliconice | |||||
|