TRANSMISIUNI DE DATE CU MODULATIE IN FRECVENTA
III.1. Generalitati
Modulatia de frecventa este folosita cu precadere in transmisiunile de date de mica viteza si intr-o oarecare masura si la medie viteza, avand in vedere avantajele sale: generare simpla a semnalelor FSK si implementarea usoara a demodulatorului MF.
Schema bloc a unui sistem de transmisiuni de date cu medie frecventa este prezentata in figura III.1.1.

FTB de la emisie are rolul de a elimina componentele spectrale ale semnalulu 828d31i i MF din afara benzii de trecere a semnalului de transmisie si de a inlatura diafonia.
FTB de la receptie are rolul de a maximiza raportul semnal zgomot si interferentele din afara benzii de trecere a semnalului.
Demodulatorul MF realizeaza conversia semnalului cu modulatie in frecventa in semnal de baza, functia sa fiind cea de divizare a fazei semnalului receptionat in raport cu timpul.
Rolul filtrului trece jos FTJ este de a repara semnalul in banda de baza.
Circuitul de decizie permite recuperarea secventei de date din semnalul obtinut la iesirea filtrului trece jos.
Semnalul Y(t) de la iesirea modulatorului MF este de forma:
![]()
unde:
A - reprezinta amplitudinea purtatoarei;
= π
reprezinta pulsatia purtatoarei;
faza la momentul
;
- factorul de
conversie care leaga deviatia de frecventa de tensiunea semnalului in banda de
baza.
III.2. Modulatoare FSK
Metodele de obtinere a semnalului FSK se clasifica in:
1. Metode analogice - cand semnalul FSK este obtinut fie cu purtatoare sinusoidala, fie cu purtatoare rectangulara sau triunghiulara,care pot fi transformate in semnale FSK cu purtatoare sinusoidala prin filtrare si respectiv cu ajutorul unor circuite de conversie cu caracteristici neliniare.
Metode digitale - cand semnalul se obtine fie cu purtatoare rectangulara, fie direct cu purtatoare sinusoidala.
Primele tipuri de modulatoare foloseau pentru generarea semnalului FSK cu continuitate de faza un singur oscilator comandat in tensiune, a carui frecventa era modificata actionand asupra unui element ce determina frecventa de oscilatie.
III.3. Modulatoare FSK digitale
Acest tip de modulator genereaza un semnal FSK cu purtatoare dreptunghiulara plecand de la un tact de frecventa mare, de obicei generat de cuart, fiind cunoscute si ca modulatoare cu comanda indirecta. Aceste modulatoare au avantajul unei stabilitati foarte bune in frecventa.
O prima schema cu generatoare independente este prezentata in figura III.3.1.

Dezavantajul acestei
scheme este ca se obtine un semnal cu discontinuitate de faza cu spectru
neadecvat. Pentru eliminarea discontinuitatii de faza se recurge la o generare
a semnalelor pe multipli ai frecventelor de semnalizare (
) si (
) urmate de o divizare prin (n) pe calea comuna (Vezi figura
III.3.2.).
Astfel eroarea de faza se micsoreaza de (n) ori saltul maxim de faza ( ) sau (-) 180°/n. In plus trebuie ca frecventele de bit sa se obtina prin divizari de acelasi semnal de tact.
Fie:
;
;
, unde m este cel mai mare divizor comun a lui
si
.
Schema obtinuta est prezentata in figura III.3.3.
Plecand de la un generator cu frecventa:
,
obtinem prin divizare frecventele
. Conditia impusa este ca atat divizarea prin
cat si prin
sa dea o unda de forma
simetrica.
Pentru aceasta se poate lua de la:
,
si sa se divizeze semnalul FSK prin 2.
Pentru obtinerea unui semnal cu continuitate de faza se poate folosi in locul celor doua divizoare un singur divizor programabil prin "n" sau "(n+1)" comandat de un semnal de date.
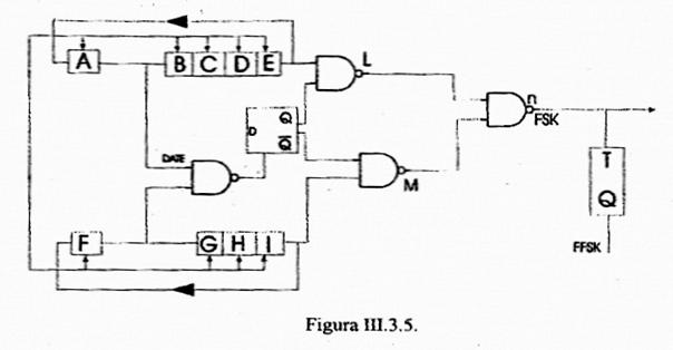
O realizare practica a schemei de mai sus este reprezentata in figura III.3.5., pentru cazul n si n=5.
Cele
doua divizoare prin "n" si prin "(n+1)" sunt implementate cu doua registre de deplasare legate si initializate cu (1)
in prima celula si (0) in celalalte. La douazeci de perioade de tact se obtine
o singura data situatia cand primele celule din cele doua registre contin (1)
ceea ce inseamna ca la iesire obtinem semnalul de frecventa
cu coeficient de
umplere 1/5 si ¼.
Semnalul FFSK obtinut prin divizarea cu doi a semnalului FSK este simetric.
III.4. Principiul demodulatorului digital FSK
Datorita similitudinilor existente intre diferite tehnici de modulatie digitala cu cea de amplitudine, majoritatea demodulatoarelor se implementeaza pe principiul demodularii coerente (sincrone) de faza sau necoerente, cu detector de anvelopa (DA).
In afara circuitelor de demodulare analogica, sunt necesare diverse blocuri de filtrare, de sincronizare (de purtatoare, de bit, de simbol) si de decizie (esantionare, cuantizare) folosind comparatoare de prag, decodare zecimal binara.
In cazul semnalului FSK, prin filtrare trece banda se poate separa o componenta de tip ASK unipolara dupa care se poate utiliza o schema de demodulare de amplitudine (fig. III.4.a; fig. III.4.b).

Pentru performante superioare, se pot demodula toate componentele ASK ale semnalului FSK, folosind un singur bloc de decizie multipla.
|