ALTE DOCUMENTE |
Imbunatatirea lui cos f
Se stie ca unele receptoare electrice Me, Traf., MA, Tr. de sudura, cuptoare de inductie, consuma pe langa energia activa o mare cantitate de energie reactiva.In centralele el. Energia reactiva nu prea se produce pt. Ca ar fi o incarcare suplimentara a G. a liniilor de transport.
Relatia care arata legatura dint 555g65f re P activ si reactiv produse si transportate este factorul de putere:
cosf = P/S = P/ P*2+Q2+D*2
D-puterea deformata
Valoarea factorului de putere mediu se determina pe baza citirii a contoarelor de energie activa, reactiva:
Cosf(m) = W(a)/ W(r)*2+W(a)*2
Cosf mediu
Fm-factor de putere mediu
Wa - contorul puterii active
Wr - reactive
Necesitatea supradimensionarii instalatiilor
P el. a inst. de distributie, transport si producere a e.e se exprima prin S (putere aparenta):
S = P/cosf - de fapt o supradim. a inst. se face la un cos de f scazut.
Reducerea posibilitatilor de incarcare cu P activa a inst. conform relatiei:
P = S*2-Q*2 - va scadea pt. S=constant atunci cand Q adica f creste si cosf scade.
Masuri pt. inbunatatirea factorului de putere al receptoarelor electrice:
Cauzele:scaderii lui cos f sunt functionarea motoarelor cu o sarcina mica fata de cel nominal, funct. mot. in gol. Datorita modificarii bobonajului sau interferului, la MA cu ocazia efectuarii reparatiilor.
Masurile
marirea coeficientului de incarcare a mot. prin inlocuirea mot. de P mare cu mot. de P mica;
utilizarea limitatoarelor de mers in gol;
executia de buna calitate a reparatiilor ME;
inlocuirea tr. cu puteri prea mari cu altele cu P mai mici.
Masuri specifice pt. imbunatatirea cosf:
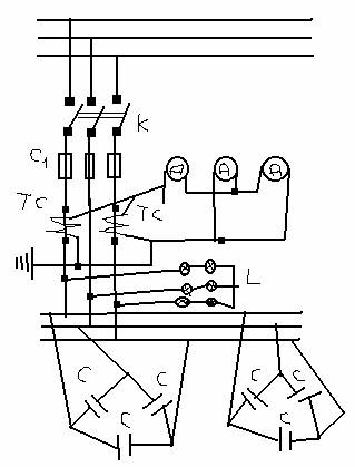
1.Utilizarea condensatoarelor:


condensatoare pt. U=500 V se fabrica in mod normal trifazate si se leaga in inst. el in triunghi.
C de IT se leaga in stea.
2.Utilizarea masinii sincrone:
MS slab incarcata functioneaza in regim normal de supraexcitatie care debiteaza putere Q in circuit, fiind compensator sincron.
3. Sincronizarea MA:
daca se alimenteaza in cc bobinajul rotoric al MA cu rotor bobinat, acesta intra in sincronism si astfel poate functiona ca un MS cu un factor de putere unitar sau capacitiv.
MA cu rotor bobinat

1-stator
2-rotor
3-inele
Energia electrica in context cu factorul de putere (cos f)
In cc P=U.I, in ca monofazat:
1. Pa=U.I.cosf W
2. Q=U.I.sin f Var
3. S=U.I Va
In c.a. trifazat:
Pa= 3.U.I.cosf
Q= 3.U.I.sinf
S= 3.U.I
cos f se numeste factorul de putere si reprezinta un nr. subunitar cu care se inmulteste Pa si S din formula:
Pa = U.I.cosf = S.cosf (U.I=S)
circuland prin conductoare si cabluri c.e produce pierderi de putere dar si de caldura.
in industrie este necesar ca pt. o anumita putere absorbita si o tensiune data sa realizam un curent absorbit minim adica, un factor de putere maxim. cosf=1 f=0
In industrie exista 3 mari circuite: circuit rezistiv, inductiv, capacitiv (I inaintea lui U).
Inbunatatirea acestui cosf in retelele el. si chiar direct pe consumatori se face prin condensatoare legate stea sau triunghi sau prin compensatoare sincrone (la un MS se mareste excitatia rotorului).
|