ALTE DOCUMENTE
|
||||||||||
APARATE DE DISTRIBUŢIE IN INSTALAŢIILE ELECTRICE
Curentii intrerupti si aparate
I=0 separatoare (1000 cicluri de manevra)
In- sarcina -separatoare de sarcina
In -100 In ( suprasarcina si scurtcircuit) - disjunctoare (100.000 cicluri manevra) si sigurantele fuzibile (1 ciclu de manevra)
2.1 Separatoare
Separatoarele sunt aparate care īnchid sau deschid un circuit fara sarcina .Starea 646q1620g īnchis -deschis trebuie sa fie foarte bine evidentiata si vizibila Caracteristicile principale ale unui separator sunt :
Serviciul de functionare este de durata .De aceea , pentru a asigura un contract bun, presiunea pe contacte trebuie sa fie mare iar materialul sa nu oxideze, lucru care ar putea duce la īntreruperea continuitatii circuitului sau la marirea rezistentei de contact si implicit la īncalziri locale.
Capacitatea de rupere este zero, deci nu se vor utiliza pentru decuplari īn sarcina (nu se prevad sisteme de stingere a arcului)
Constructia unui separator este reprezentat īn figura
- constructie manevrare simpla ..
Circuitul principal de curent format din: contacte principale si borne de racord la circuitul exterior realizate din profil de cupru argintat. Piesele de contact se executa din materiale sinterizate (argint cu wolfram).
camere de stingere din materiale refractare, camere de stingere ce limiteaza si izoleaza spatiul de formare si stingere a arcului electric si permite evacuarea cantitatii de caldura dezvoltata īn coloana arcului electric. Ele se executa din materiale electroizolante cu rezistenta la temperaturi ridicate (termoceramit, azbociment, etc.) in care sunt plasate placutele feromagnetice
piese izolante ce servesc la sustinerea mecanica si la izolarea electrica a cailor de curent. Piesele izolante se executa din materiale ceramice (portelan pentru sigurante fuzibile, steatit pentru aparate electrocalorice, etc.), materiale termorigide (bachelita pentru piese fara solicitari mecanice sau termice deosebite), materiale cu umplutura anorganica - mica, azbest - pentru piese cu solicitari termice deosebite, polistireni cu fibra de sticla - pentru solicitari la arc si materiale plastice(PVC - pentru carcase, prize, poliamide si polistireni pentru capace transparente (plexiglas); din rasini fenolice;
electromagneti sau motoare electrice pentru comanda si actionarea īnchiderii contactelor īntrerupatoarelor ;
cutia aparatului executata din tabla la īntrerupatoarele mari iar la cele de tip "compact" din rasini fenolice;
elemente de protectie: DT, DE, DTm, instantanee sau temporizate; termobimetalele si declansatoarele electromagnetice
elemente accesorii precum blocuri de declansare, contacte auxiliare, transformatoare de curent.
mecanismul de actionare
Elemente
componente ale īntrerupatoarelor de jt
b. Functiuni:
functiunea de comutatie mecanica -īndeplinita prin īnchiderea , respectiv deschiderea contactelor principale si auxiliare realizata prin actionarea mecanismului ;
functiunea de detectie a suprasarcinilor si declansare automata cu temporizare conform caracteristicii de protectie .
functiunea de detectie a scurtcircuitelor si declansare instantanee;
functiunea de declansare libera manifestata prin preponderenta comenzii de deschidere asupra celei de īnchidere ;

Functiuni ale īntrerupatoarelor de jt
Functiunea de comutatie mecanica asigurata de: mecanismul de actionare M ,.
o M= 0 , mecanism īn pozitia deschis
o M= 1 , mecanism īn pozitia īnchis
Mecanismul de actionare
ale īntrerupatoarele de joasa tensiune poate fi : Īntrerupatoarele actionate manual au doua pozitii stabile inchis -deschis si una intermediara corespunzatoare declansarii prin protectie

Pozitii ale manetei de comanda
Functiunea de detectie / declansare la suprasarcini asigurata de declansatorul termic DT prin:
releu termic (lamela bimetalica)
declansator electronic
Functiunea de detectie / declansare la scurtcircuit blocul DE asigurata de
declansatoare electromagnetice
relee de curent
declansator electronic
Tipuri de declansatoare

Declansatoare
Caracteristica de declansare t d = f( I )
prezinta :
zona dependenta de curent (actiunea DT)
zona independenta de curent ( actiunea DE la Isc ) .
|
|
Pentru asigurarea selectivitatii caracteristica de declansare poate fi reglata in curent
prag de declansare la suprasarcina
prag de declansare la scurtcircuit
reglajul timpului de actionare a caracteristicii
temporizare la declansarea protectiei la suprasarcina
temporizare la declansarea protectiei la scurtcircuit
Caracteristica de declansare t d = f( I )
pentru protectie motoare

Curentul de actionare magnetica Iem este cuprins īn limite diferentiate dupa tipul echipamentului protejat, cu valori de (3-20) In
Se definesc curbele de forma B - (3-5) In, C - (5-10) In si D - (10-20) In


Simbolizarea īntrerupatoarelor īn schemele electrice
CEI 60947-2 (disjunctoare ) si standardul romanesc 12120/2 - 83 indica
litera reper Q pentru identificarea aparatelor cu comutatie si pentru tipurile de īntrerupatoare echipate cu echipamente de protectie.
asociaza simbolul de contact normal deschis cu functia de īntrerupator (x ), pe contactul fix,
declansatoarele pe contactul mobil
o declansatoare
electromagnetice (functia de declansare are simbolul
)
o si
declansatoare termice (functia termica are simbolul
)
Caracteristicile standardizate indicate pe placuta indicatoare:
tip aparat :se indica denumirea si curentul nominal
Ui: tensiune nominala de izolatie
Uimp: tensiune de tinere la impuls
Icu: capacitate de rupere ultima, pentru diferite valori ale tensiunii de utilizare Ue
|
|
Icw: curent de scurta durata admisibil
Ics: capacitate de rupere in serviciu
In: curent nominal
aptitudine de sectionare
Alegerea īntrerupatoarelor
Date consumatori: puterea , tensiunea ,randament, cosφ simultaneitatea functionarii etc si instalatie curentul de scurtcircuit se determina curentul nominal si de scurtcircuit ce este vehiculat prin aparat
Alegerea capacitatii de rupere
Capacitatea de rupere a unui intreruptor se determina din calculul curentilor de scurtcircuit si reprezinta valoarea efectiva a celui mai mare curent īntrerupt de aparat
Cunoscānd capacitatea de rupere functie de tipul consumatorului (tensiune de utilizare si curentul nominal al acestuia) se poate alege gama de intrerupatoare rezultat al intersectiei capacitatii de rupere cu valoarea curentului nominal

curent nominal
definirea tensiunii nominale de utilizare ce se alege functie de valoarea nominala a tensiunii de linie a retelei. Aceasta reprezinta tensiunea dintre caile de curent si poate avea valoarea 60, 250, 380, 500, 660, 800, 1000Vef.
alegerea curentului maxim suportat de aparat (practic tipul aparatului). Curentul nominal al īntrerupatorului reprezinta valoarea efectiva a curentului suportat de aparat timp de 8h fara ca īncalzirea cailor de curent sa depaseasca limita admisa
Īntrerupatorului echipat cu declansatoare electromagnetice si declansatoare termice i se alege, in functie de curentul consumatorului, curentul de reglaj termic IR ≥In si curentul declansatorului electromagnetic Im ( īn general valoarea curentul declansatorului electromagnetic Im este de 10IR pentru protectie motoare , iar īntrerupatoare pentru distributie au gama de reglaj 4-10IR)
alegerea tensiunii de comanda (numai pentru īntrerupatoarele actionate cu electromagneti sau motor electric) ce reprezinta valoarea efectiva a tensiunii ce se aplica blocului de comanda. Valorile acestor tensiuni sunt standardizate putānd efectua comanda atāt īn c.a. cāt si īn c.c. 24, 48, 110, 380, 500 Vc.a. respectiv 24, 48, 60, 110, 220, 440 Vc.c.
Din punct de vedere al capacitatii de rupere avem 4 mari categorii:
1.Īntrerupatoare cu capacitate mica de rupere Cr < 5KA cunoscute sub denumirea de īntrerupatoare automate mici sau īntrerupatoare pentru instalatii interioare;
2.Īntrerupatoare compacte (trifazate) cu capacitate medie de rupere
3.Īntrerupatoare de mare putere de rupere Cr>50KA
4.Īntrerupatoare limitatoare ce acopera īntreaga gama a capacitatilor de rupere Cr (1 - 200)KA.
Īntrerupatoare automate mici au capacitate de rupere sub 3-5 KA si pot fi regasite īn c.a si īn c.c. pentru curenti nominali cuprinsi īn gama de reglaj: 0,5; 1; 1,6; 2; 2,5; 3,2; 6; 10; 16; 20; 25; 32 A. 63A Variantele constructive sunt de tip monopolar, bipolar si tripolar ,echipate cu DT si DE (in gama (3-5)In sau (5-10)In) si/sau


Intrerupatoare automate mici
Īntrerupatoarele compacte fabricate īn tara noastra AMRO si USOL. avānd capacitate de rupere cuprinse īntre 3-25KA;
a) Īntrerupatoarele compacte de tip AMRO reprezinta o serie modulara completa īn carcasa izolata pentru receptoare si linii de c.a. cu valori nominale ale curentului cuprinse īntre 10 - 400 (630, 800, 1000)A. Aparatele din gama AMRO pot fi echipat cu protectie la :
suprasarcina (DT) (0,67 - 1)Ir, cu Ir - curent reglat termic;
scurtcircuit AMRO 25 - 100A reglate īn domeniul (2 - 4) In si (3 - 6)In pentru AMRO 250 - 400A;
minima tensiune (DTm) reglate īn intervalul (0,35 - 0,7) b)Īntrerupatoare automate compacte de tip USOL se construiesc pentru valori normale ale curentilor īn gama (100 - 1000) A, comanda poate fi manuala (curenti sub 100A), cu electromagnet (250A), sau cu motor (1000).

Īntreruptor compact tip USOL 250:
1 - maneta de actionare; 2 - clichet principal; 3 - clapeta de armare; 4 - biela I; 5 - biela II; 6 - echipaj mobil; 7- element mobil de contact; 8 - element fix de contact; 9 - resort principal; 10 - clapeta ax declansator; 11 - declansator termic; 12 - buton de reglaj {0,8 ... 1) Ir; 13 - miez fix pentru declansatorul electromagnetic; 14 - axul suport al echipajului mobil; 15 - carcasa aparatului; 16 - placa de prindere; 17 - borne de bare; 18 - camere de stingere cu placi feromagnetice; 19 - armatura mobila a declansatorului electromagnetic; 20 - axul declansatorului; 21 - clichet mic
Camera de stingere a īntreruptorului compact este construita pe principiul efectului de electrod, cumulat cu efectul de nisa.


Camerele de stingere dimensionate la 500 V pentru īntreruptoarele compacte tip USOL
|
Curentul nominal [A] |
Curentul de rupere KA.ef |
Volumul1) camerei de stingere cm3 |
Numarul de placi |
Grosi mea unei placi |
Material pentru placa si tratamentul |
Material pentru contacte |
|
|
|
|
|
|
Ol zincat |
Ag-Ni2) |
|
|
|
|
|
|
pasivizat |
Ag-Ni*) |
|
|
|
|
|
|
|
Ag-Ni») |
|
|
|
|
|
|
|
Ag-No *) |
) pe un pol; 2) un deget pe element; 3) doua degete pe element; 4) doua degete pentru contact
permanent + un deget pentru contact de arc.
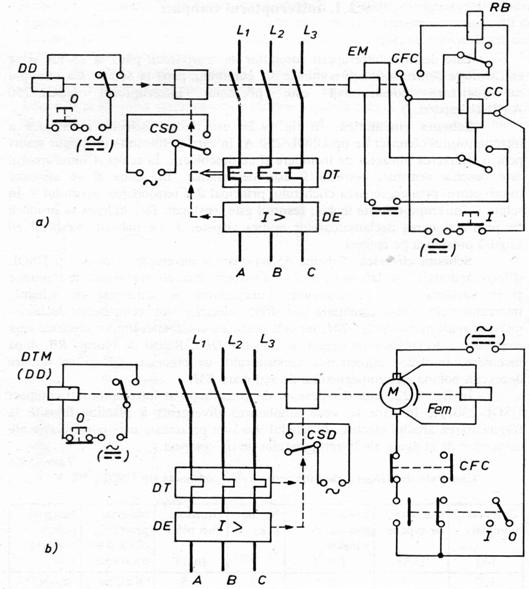
Schema electrica completa este functie de varianta constructiva si de tipul actionarii. Spre exemplificare se prezinta schema electrica a īntrerupatorului USOL actionat cu electromagnet si respectiv motor.

USOL actionat cu electromagnet si motor
DT - declansator termic ; DE - declansator electromagnetic ; CFC - contact de fine cursa ; M - motor de actionare ; Fem - frāna electromagnetica ; CC - contactor de comanda ; RB - releu de blocaj ; I,O - butoanele de comanda a īnchiderii si deschiderii
c)Alte realizari tehnice
Firma Mitsubishi produce īntrerupatoare compacte PSS īn gama 30-800 A pe cinci categorii 30/60A, 100A, 250 A, 400A, si 800A .Categoria PSS-100A este similara īntrerupatorului romānesc USOL-100 A , fiind echipat cu contacte auxiliare si de alarma. Declansatoarele termice au curentii de reglaj Ir īn gama 0,5; 1; 1,6; 2; 2,5; 3,2; 6,3; 10; 16; 20; 25; 32 ,40,63,80 100 A iar declansatoarele electromagnetice reglate la 10 Ir , durata fiind de 10ms. Vederea frontala a īntrerupatorului PSS-100A este redata mai jos

Figura 2.13 Īntrerupator PSS-100A
Grupul Schneider produce produce intrerupatoare Masterpact pentru gama 80-6300 A Intrerupatoarele automate Masterpact M08 pana la M63 sunt echipate cu unitati de control electronice cu microprocesor care asigura indeplinirea functiilor de baza ale aparatului. Toate functiile de protectie sunt alimentate de la reteaua de curent alternativ deci nu este necesara o alimentare suplimentara. Acelasi lucru este valabil si pentru majoritatea functiilor complementare. Fiecare unitate de control a Masterpact-ului corespunde unui anumit tip de aplicatie (instantanee, distributie, selectivitate, universala).
Pentru a face fata curentilor de scurtcircuit de ordinul 50 kA, īntreruptorul cu mare putere de rupere este echipat cu:
- contacte de regim permanent, de arc electric si rampe pentru introducerea arcului electric īn camera de stingere;
- camere de stingere cu placi mai groase pentru divizarea arcului electric si extragerea de caldura prin piciorul arcului electric.
Īn figura se prezinta, schematizat, calea de curent īn zona contactelor, la un īntreruptor OROMAX 4000 A, fabricat de īntreprinderea Electroaparataj. Prin contactul principal 7 trece aproximativ 60% din curentul total, iar prin contactul de arc electric aproximativ 40%.


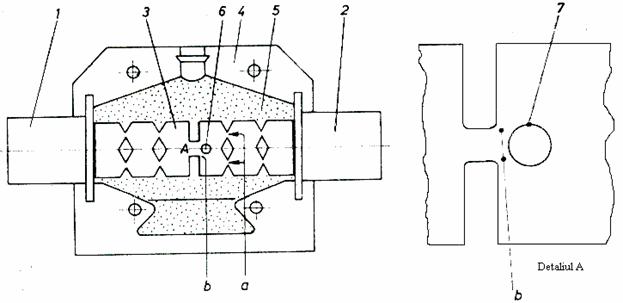
Sistemul de contacte al unui īntreruptor cu putere mare de rupere:
1 - contact principal; 2 - contact de arc electric; 3 a, b - rampe ; 4 - separator de flama; 5 - piesa suport pentru elementele mobile de contact; 6 - resort; 7 - piesa intermediara; 8 - conductor flexibil; 9 - cale de curent
La deschiderea aparatului se face transferul total de curent din contactul principal īn cel de arc electric. Pentru ca transferul sa fie facut cāt mai rapid inductivitatea buclei stabilita īntre cele doua contacte trebuie sa fie cāt mai redusa,
Sistemul de ecuatii ce descrie transferul cailor de curent:
Indicele 1 este atribuit
caii de curent prin care trece curentul principal
i1 iar indicele 2 caii de curent prin care trece
curentul secundar i2.. Din cele doua relatii rezulta:
Pe
durata transferului de curent, R1 are tendinta de
crestere, iar intensitatea curentului
total i se poate considera constanta; din relatia de mai
sus se obtine:
Derivata lui i2 va fi cu atāt mai mare, cu cāt inductivitatile L1 si L2 sunt mai mici; contactele principal si de arc trebuie situate cāt mai aproape unul de altul.
Īn figura se prezinta o sectiune īntr-un īntreruptor de mare putere OROMAX de 4000 A. Principalele piese componente sunt trecute īn legenda figurii.

Fig. Sectiune īntr-un īntreruptor OROMAX 4000 A:
1-bare de legatura; 2 - cadru fix; 3 - contact debrosabil, element fix; 4-contact debrosabil, element mobil; 5-contact principal, element fix; 6 - contact principal, element mobil; 7 - rampa pentru extinderea arcului cu element fix de contact pentru arc; 8 - rampa si element de contact pentru arc, mobile; p-camera de stingere cu placi feromagnetice; 10 - declansator de curent maxim; 11--declansator de tensiune minima; 12-clichet principal; 13 - dispozitiv de siguranta contra debrosarii sub sarcina; 14 - mecanism (partea centrala); 15-resoarte principale ; 16-butoane de īnchidere si deschidere; 17 - semnalizator "resoarte armate" ; 18 - semnalizator mecanic "īnchis-deschis"; 19 - maneta pentru armarea resortului 15.
Camera de stingere Peretii camerelor de stingere sunt realizati din ceramica electrotehnica rezistenta la temperatura arcului electric si la variatii rapide de temperatura, principiu fiind electrod si nisa
Mecanismul de actionare Dispozitivele de actionare cu resort (arc), sunt dispozitive cu acumulare de energie destinate echiparii īntreruptoarelor de medie tensiune, joasa tensiune si, uneori, la cele de foarte īnalta tensiune (īntreruptor cu SF6).
Proprietate a acestui tip de dispozitiv este aceea ca nu necesita o sursa de alimentare speciala si costisitoare, īnsa mecanismul de actionare trebuie sa asigure:
-mentinerea pozitiei īnchis si zavorārea fortei de declansare
-declansarea cu o energie minima
-declansare libera la existenta unei comenzi de declansare

Schema principala a unui mecanism cu dispozitiv de actionare cu acumularea energiei īn arc 1- arbore motor (al dispozitivului de actionare); 2- arbore rezistent (al īntreruptorului); 3- arc de īnchidere; 4- arc de deschidere; 5-6- clichet de zavorāre a arcului de īnchidere; 7- electromagnet de īnchidere; 8-9- clichet de zavorāre a arcului de deschidere; 10- electromagnet de deschidere; 11- cuplaj comandat; 12- volant
Faza de īnchidere (anclansare): arcul 3 acumuleaza energia necesara efectuarii operatiei de īnchidere fiind tensionat prin actionarea sa de catre operator (prin manivela) sau de catre un electromotor: arcul este zavorāt īn pozitia tensionat printr-un sistem de clicheti 5,6. Manual sau electric, clichetul 5 este eliberat prin electromagnetul 7; prin aceasta arcul 3 antreneaza prin intermediul axului motor 1 si cuplajul 11 axul īntreruptorului 2 si īntreruptorul se īnchide. Īntreruptorul este zavorāt īn pozitia īnchis de catre sistemul de clicheti 8,9; totodata, este tensionat arcul 4 care va asigura deschiderea.
Faza de deschidere (declansare): la eliberarea clichetului 8, prin comanda manuala sau electrica prin elecromagnetul 10, se actioneaza asupra clichetului 9; īntreruptorul este deschis sub actiunea arcului 4. Volantul 12 restituie energia īnmagazinata la sfārsitul curselor, cānd arcurile sunt aproape destinse, ameliorānd functionarea mecanismului si asigurānd revenirea acestuia īn pozitia necesara de repaus.
Alte realizari tehnice Firma Mitsubishi produce īntrerupatoare compacte Super AE pentru gama 1000-6300 A fixe si debrosabile pe doua categorii Super AE1000-3200 SS respectiv Super AE 4000-6300 SS. .


Figura 2.20 Īntrerupatorul Super AE -1600A
Intreruparorul Super AE 1000-3200 admite urmatoarea gama a curentilor nominali 1000,1250,1600 2000,2500, 3200 Amperi , are tensiunea de izolare 1000 V, tensiunea de utilizare 690V ,si capacitatea de rupere de 50KA la 690V respectiv de 65KA la 500V Categoria Super AE este similara īntrerupatorului romānesc OROMAX , fiind echipat conform figurii

Elemente ale īntrerupatoarelor Super AE
Īntrerupatoare limitatoare
Teoria limitarii
Īntrerupatoarele limitatoare sunt fabricate pentru īntreaga gama de curenti nominali cu performanta ca pot īntrerupe orice curent de scurtcircuit datorita capacitatii de rupere foarte ridicata (200 KA). Denumirea de īntrerupator limitator ridica cāteva īntrebari si anume
"ce limiteaza" si
"cum se limiteaza".
Pentru īntelegerea notiunii de "limitare" trebuie sa definim conform recomandarii 50 a C.E.I. urmatorii curenti:
curentul prezumat al unui circuit electric ce
reprezinta curentul ce ar trece prin circuit daca īn locul aparatului
de comutatie ar fi o bara masiva conductoare de
impedanta neglijabila. Īn c.a. curentul prezumat reprezinta
amplitudinea vārf la vārf a curentului ce ar trece prin bara
Īn circuitele de c.c.
curentul prezumat reprezinta valoarea curentului de scurtcircuit permanent
(limitat de rezistenta circuitului)
.
curentul limitat taiat reprezinta valoarea instantanee a curentului prin aparat la care apare arcul electric. Valoarea curentului la care īncepe stingerea arcului defineste curentul prezumat taiat.


ca cc

Notiunea de "īntrerupator limitator" īnsemna o limitare a valorii a curentului ce poate fi trecut prin aparat. Se defineste durata prearc durata scursa īntre momentul aparitiei scurtcircuitului si momentul atingerii valorii curentului limitat
"Ce limitam ?". - limitam curentul ca prin el sa limitam solicitarile produse de acesta.
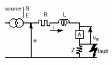
"Cum se realizeaza limitarea ?". Pentru a raspunde la aceasta īntrebare sa consideram diagrama schematica din figura īn care, de la un transformator cu tensiunea secundara "E" alimentam printr-o linie R - L impedanta Z protejata de un aparat de comutatie A.

ecuatia tensiunilor:
īn care cresterea
curentului de scurtcircuit īn momentul initial este limitata numai de
inductivitate:
Aceasta crestere la un factor de putere
corespunde unui curent
de scurtcircuit simetric.
Pentru a face posibila limitarea curentului trebuie sa sesizam panta de crestere a acestuia si sa actionam aparatul de comutatie pentru a deschide circuitul. Aparatul de comutatie poate īntrerupe curentul numai daca sunt īndeplinite conditiile de īntrerupere :
īn īndeplinirea conditiei ca tensiunea
necesara arcului sa fie mai mare decāt tensiunea furnizata arcului.
Īntr-o analiza monofazata ecuatia:
(cu reprezentare
vectoriala pentru un factor de putere
(
) si
), devine
. Curentul limitat atinge valoarea maxima cānd
, caz īn care
.
Concluzie nu putem limita cresterea curentului de scurtcircuit pāna cānd tensiunea arcului nu atinge valoarea tensiunii sursei. Aceasta tensiune are valoarea nula īn momentul separarii contactelor si creste pe masura ce piesele de contact se departeaza.
. 
Dupa ce tensiunea arcului depaseste valoarea tensiunii sursei, īn acel moment, īncepe procesul de stingere a arcului īn aparatul de comutatie. Notānd cu "P" punctul de intersectie a tensiunii arcului cu tensiunea sursei si tinānd cont ca pentru sarcinile puternic inductive curentul se maximizeaza dupa aproximativ 5 ms la 50 Hz, rezulta ca procesul de sesizare a scurtcircuitului, de executare a comenzii de deschidere si de separare a contactelor trebuie sa se faca sub 5 ms. Daca aceste procese se realizeaza lent, nu se poate realiza limitarea curentului de scurtcircuit.
Sintetizānd cele descrise putem desprinde trei conditii ce trebuiesc īndeplinite pentru o corecta limitare a curentului de scurtcircuit si anume:
1. Timp de sesizare a scurtcircuitului redus la minim (t0 - mic). Acest lucru este conditionat īn special de dispozitivele de sesizare a curentului de scurtcircuit.
2. Mecanism performant de deschidere, concretizat prin viteze mari de separare a contactelor si alungire rapida a arcului electric mecanism cu inertie redusa.
3. Camera de stingere performanta, capabila sa creeze tensiuni timpurii necesare arcului si cu valori mari
Se ajunge īn baza conditiilor enuntate la o alta īntrebare si anume "cum se pot realiza aceste conditii ?".
tensiunea necesara coloanei arcului electric trebuie sa prezinte o crestere rapida cu o aparitie timpurie, adica, pe cāt posibil, īnca din faza de sesizare a scurtcircuitului.
Cresterea
rapida a tensiunii arcului este usor de realizat prin analiza
definitiei acestei tensiuni si dependentele ei de
rezistenta arcului electric
. O rezistenta foarte mare la un curent de
scurtcircuit dat, conduce la tensiuni ridicate din coloana arcului electric.
Cresterea rezistentei este posibila prin doua metode:
- introducerea de rezistente suplimentare īn serie īn circuit, rezistenta ce trebuie sa aiba valoare foarte ridicata la curenti intensi. Acest lucru este posibil prin utilizarea de materiale conductoare cu punct de topire scazut, materiale preīncalzite de trecerea curentului nominal si cu o vaporizare rapida la curent de scurtcircuit. Rezistenta īn aceasta situatie creste foarte mult fiind dependenta de proportia materialului usor fuzibil, īn materialul caii conductoare. Īn acest sens, īntālnim calea conductoare cu zone de strangulare, umplute cu un astfel de material usor fuzibil (caz asemanator sigurantelor fuzibile). Deficienta acestor solutii este ca dupa o deconectare cu limitare, calea de curent trebuie īnlocuita.
- utilizarea rezistentei coloanei arcului electric īn limitarea curentului de scurtcircuit prin intensificarea conditiilor de racire a arcului. Rezistenta neliniara dependenta puternic de temperatura coloanei arcului, poate fi un element cheie al limitarii curentului de scurtcircuit. Asocierea peretilor reci, a suflajului magnetic ca principii de stingere cu efectul de electrod si nisa poate conduce la intensificarea conditiilor de racire si alungirea rapida a coloanei arcului. Īn cazul unor astfel de camere tensiunile necesare existentei coloanei arcului electric ating valori de 1000 V pentru o retea cu tensiunea de faza de 220 V.
.Aparitia timpurie a tensiunii arcului electric este posibila prin utilizarea de contacte cu tendinta de desprindere la curenti intensi. Astfel de contacte utilizeaza efectul electrodinamic al curentului de scurtcircuit, forta ce tinde sa desprinda contactele permitānd aparitia si dezvoltarea arcului īnainte de primirea comenzii de deschidere


Circuite magnetice
Cāmpul magnetic necesar desprinderii poate fi sporit prin dispozitivul. caz īn care actionarea este independenta de curentul de defect
2 O corecta limitare a curentului de scurtcircuit implica un timp de sesizare a scurtcircuitului si de actionare a mecanismului de deschidere foarte redus (aproximativ 1 ms). Indicat ar fi ca limitarea sa se faca pentru orice curent deconectat, iar mecanismul de actionare sa aiba īnmagazinata energia necesara deconectarii.
Aceasta energie necesara deconectarii poate fi:
- mecanica, acumulata īn resoarte, dispozitive pneumatice sau hidraulice. Īn general nu sunt economice deoarece creste gabaritul constructiei si datorita inertiei durata actionarii este de aproximativ 10 ms.
- chimica, declansata prin explozie, poate provoca o acceleratie ridicata necesara deconectarii. Acest procedeu nu este aplicat, dar exista studii īn acest sens.
- electrica, stocata īntr-un condensator conform experimentelor Thomson. Dispozitivul contine pe disc un conductor spiralat ce produce inductia B. Descarcarea condensatorului pe bobina controlata electronic prin comanda tiristorului produce o forta de repulsie a discului superior (conductor) prin interactiunea curentului indus īn disc. Acest impuls este de amplitudine ridicata cu un timp foarte redus (1 ms). Acest procedeu este utilizat la īntrerupatoarele ultrarapide.

Figura Dispozitivul Thomson
Acest aparat de protectie limiteaza ca amplitudine si durata curentul de scurtcircuit, ca urmare a faptului ca īn retelele de joasa tensiune cu curenti de scurtcircuit importanti (30-100 kA) si curenti nominali mari (600-1000 A) , sigurantele fuzibile au efect de limitare redus .
Parametrii limitarii functie de curentul de scurtcircuit
Circuit de cc
Ecuatia la aparitia scurtcircuitului US= Ri1 + Ldi1/dt

In momentul t1 tensiunea arcului depaseste tensiunea sursei si se produce limitarea curentului:
di2/dt=1/L [uS-(Ri2+u)=0

Explicativa privind limitarea curentului
Daca rezistenta R a circuitului este nula uS- Ua = L di2/dt unde cu i2 s-a notat curentul limitat , adica īn prezenta tensiunii arcului electric
Prin scaderea ecuatiei uS=L di1/dt (circuit pur inductiv fara arc) din uS-Ua = Ldi2/dt se obtine : Ua=L(di1/dt-di2/dt) = Ld(i1-i2)/dt= Ldif/dt unde if este curentul fictiv definit cu relatia if=i1-i2 .

Explicativa privind limitarea curentului
Curentul if apare īn momentul t1 al
aparitiei arcului electric , iar īnainte de acest moment el este nul .
Prin integrarea ecuatiei Ua
=L*dif/dt , īn limitele 0 si t ,
se obtine : if=i1-i2
= Ua t/L pentru circuitele pur inductive si
pentru circuitele
reale de cc, cu T= L/R constanta de timp a circuitului ,
La t1 , if=0 iar i2=il - Ua t/L
La t2 i2=0 rezultand durata arcului t2=ilL/Ua
Raportul de limitare
este mai bun cu cat t1 mai
mic T si Ua mai mari.
Energia dezvoltata īn camera de stingere(integrala Joule) se calculeaza cu relatia :

q Parametrii limitarii pentru curentului de scurtcircuit simetric
Expresia curentului de
scurtcircuit simetric este de forma
.
Unghiul j se datoreaza
faptului ca numai dupa depasirea curentului calibrat ,
declansatorul aparatului transmite un impuls mecanic asupra puntii cu
piese mobile, iar separarea pieselor de contact se face cu īntārziere .Īn
aceste conditii din relatia : i1-i2=(Ua/L)t
rezulta expresia curentului limitat : 
Raportul de limitare se obtine
īmpartind curentul i2 din relatia
īn momentul t1 obtinand

Momentul t1 (sau
unghiul
t1) la care are loc valoarea maxima a
curentului limitat se afla din conditia :


unde ![]()
Momentul t2 trecerii curentului
prin zero(anularii
curentului) este
relatie care se
rezolva prin iteratii .


Explicativa privind momentul limitarii a- curent simetric b- dependenta curent limitat de tensiunea sursei
q Parametrii limitarii pentru curentului de scurtcircuit asimetric
Expresia curentului de
scurtcircuit asimetric , īn ipoteza amortizarii nule este :
,
Din relatia i1-i2=(Ua/L)t rezulta
t
Momentul t1 (sau
unghiul wt1 ) la
care curentul limitat are valoarea maxima se afla din conditia :

Raportul
de limitare este : 
Momentul t2 ( sau
unghiul wt2 )
trecerii curentului
prin zero se
obtine relatia :
care se rezolva prin iteratii .

Energia dezvoltata īn camera de stingere se calculeaza cu relatia :


Comparānd functional si constructiv un aparat limitator cu unul nelimitator se desprind urmatoarele avantaje pentru īntreruptorul limitator :
se diminueaza sensibil tensiunea de restabilire si ca urmare solicitarea dielectrica dupa trecerea prin zero a curentului este mai mica
se diminueaza energia dezvoltata de arcul electric si ca urmare gradul de ionizare , īn camera de stingere , este mai redus
caile de curent se dimensioneaza la curentul limitat si nu la curentul de scurtcircuit prezumat .
Realizari tehnice. Īntrerupatoarele limitatoare sunt fabricate de Grupul Schneder prin firma Merlin - Gerin pentru curenti de pāna la 630 A cu tensiuni necesare coloanei arcului cuprinse īntre 600 - 900 V. aparate ce utilizeaza dubla īntrerupere (fig. 27 b). Aparatele cu īntrerupere simpla sunt utilizate pāna la 250 A. iar peste aceasta valoare utilizeaza dubla īntrerupere ce au miscare de rotatie a contactului mobil .Curent prezumat este de 100 KA (capacitate de rupere) īntrerupt īn 2,5 ms.

Īntrerupatoare limitatoare
Capacitatea exceptionala de limitare a gamei Compact NS se datoreaza tehnicii rotative de dubla īntrerupere (respingerea naturala foarte rapida a contactelor si formarea a doua arcuri īn serie cu un front de unda foarte abrupt).
Curbe limitatoare de curent si de solicitari termice
Capacitatea de limitare a unui disjunctor reprezinta aptitudinea acestuia de a limita curentii de scurtcircuit
curentul limitat -functie de curentul de scurtcircuit prezumat
Curentul de scurtcircuit prezumat reprezinta curentul care ar circula daca nu ar fi montat nici un dispozitiv de protectie):
solicitarea termica(A s), adica energia disipata de scurtcircuit īntr-un conductor cu o rezistenta de 1 W- in functie de curentul de scurtcircuit prezumat

Cele mai simple si deci cele mai utilizate aparate de protectie sunt sigurantele fuzibile. Ele se bazeaza pe fenomenul de transformare a energiei electrice īn energie calorica. Peste o anumita valoare a intensitatii curentului , metalul elementului fuzibil se topeste si circuitul respectiv se deschide. Īn momentul arderii sigurantei exista posibilitatea formarii arcului electric care sa continue conductia si de aceea se iau masuri speciale pentru a evita acest lucru.
Din punct de vedere constructiv sigurantele pot fi deschise, la care arcul se rupe īn aer liber, sau īnchise, la care arcul se rupe īn alt mediu.
Sigurantele deschise Sunt utilizate mai mult īn circuitele de forta si se construiesc pentru curenti pāna la 500 A, din lamele de zinc electrolitic avānd un singur loc de topire. Ele se monteaza pe sigurante de tip māner . Dezavantaje
Din cauza ca arcul care se produce la topirea fuzibilului este exterior , produsele arderii se depun pe placa port siguranta putānd duce la metalizarea acesteia.
Īn al doilea rānd , arcul format poate trece si-n fazele vecine, din care cauza va trebui ca īntre faze sa se plaseze pereti despartitori izolanti.

Sigurante de tip deschis
Un alt tip de siguranta deschisa este cea tubulara de fabricatie ruseasca , din portelan si fuzibile din argint, pentru 60,80,100,125,160 si 200 A la tensiuni pāna la 500 V. Utilizarea argintului prezinta avantajul ca nu se oxideaza la īncalzire chiar pāna la 350 , ceea ce asigura stabilitatea conditiilor de topire. Un al doilea avantaj al acestor sigurante īl constituie prezenta tubului de portelan care limiteaza efectele arcului electric.
Sigurante de tip īnchis. Sigurantele de tip īnchis pot fi fara sau cu umplutura. Cele fara umplutura prezinta avantaje fata de sigurantele deschise tubulare de care dealtfel se aseamana. Īn primul rānd efectele arcului sunt mai strāns localizate, fuzibilul fiind complet īnchis, iar īn al doilea rānd, materialul tubului fiind gazogen (fibra , textolit ) , arcul este rupt instantaneu ca urmare a cresterii presiunii locale. Desi schimbarea fuzibilului este mai anevoioasa decāt la sigurantele deschise, se prefera ultimelor din cauza gabaritului de montaj mai redus.
Din categoria sigurantelor fuzibile cu material de umplutura cele mai utilizate sunt sigurantele unipolare cu filet, care se folosesc atāt īn circuitele de comanda, de iluminat cāt si īn cele de forta (6..100 A). O astfel de siguranta se compune din trei parti:
Soclul , montat fix pe panoul electric pe tabloul de distributie. Soclul se construieste īn doua variante : cu legare īn fata (tip LF) si cu legare īn spate (tip LS ). Ele se compun din corpul de portelan 1 , capacul 2 tot din portelan , contactul filetat superior 3 cu borna de legatura 4, contactul de fund 5 cu borna respectiva 6.

Patronul port- fuzibil, confectionat dintr-un corp de portelan cu doua contacte metalice la capace, īntre care se leaga fuzibilul. Interiorul este umplut cu nisip de calitate superioara (90% bioxid de siliciu, lipsit de oxizi metalici). Patroanele se construiesc īn variante , deosebite ca forma si dimensiuni:
patroanele de 6,10,16 A (fig33 a )
patroane de 20,25,35,50,63 A (fig33. b )
patroane de 80,100 A (fig33. c )
Capacul filetat (fig d) are rolul de a fixa īn soclu si de a asigura presiunea pe contactul de fund al acestuia . Cuprinde capacul propriu - zis filetat si 1 si piesa izolatoare din portelan.
Elemente de siguranta fuzibile cu umplutura: patrone
Diferitele prescriptii la aceste tipuri de sigurante sunt standardizate:
Conditii tehnice : STAS 452 / 1-73
Dimensiunile soclurilor : STAS 452 / 2-73
Capacele filetate : STAS 452/3-73
Patroanele sigurantelor: STAS 452/4,5-73
|
Curentul Nominal (A) |
Diametrul conductorului (mm) |
Numarul de conductoare |
Sectiunea fuzibilului ( |
|
|
|
|
|
|
|
|
|
|
|
|
|
|
|
|
|
|
|
|
|
|
|
|
2 x 0,096 |
|
|
|
|
3 x 0,096 |
|
|
|
|
2 x 0,158 |
|
|
|
|
2 x 0,33 |
|
|
Banda de 0,15 mm |
|
|
|
|
Banda de 0,15 mm |
|
|
Īn distributia electrica gasim īn aceeasi masura fuzibile semiīncastrate , unde elementul fuzibil este purtat de un element mobil debrosabil .
Performantele lor sunt limitate si ele sunt din ce īn ce mai mult īnlocuite de cartuse cilindrice miniaturizate . Stingerea arcului electric īn contact cu granulele din material refractar este un principiu utilizat la functionarea sigurantelor fuzibile.
Īn cadrul sigurantelor fuzibile de joasa tensiune (<1000 V ) gasim fuzibilele cu un element īncastrat īntr-un cartus , de sectiune circulara sau rectangulara

Element fuzibil
a) Curentul nominal al soclului -este acel curent de valoare constanta care poate fi suportat un timp nedefinit ,fara a depasi supratemperaturile maxime admisibile si pentru care s-a calculat functionarea de durata a partilor conductoare de curent si a contactelor sigurantelor .Cum de obicei un anumit tip de siguranta permite utilizarea mai multor elemente fuzibile pentru diferiti curenti nominali, curentul nominal al soclului (indicat pe corpul lui) reprezinta cel mai mare dintre curentii nominali ai elementelor fuzibile destinate acestei sigurante.
b)
Curentul nominal al elementului fuzibil - este acel curent de durata la care elementul fuzibil trebuie sa functioneze timp
īndelungat ;curentul nominal al fuzibilului se determina prin calibrarea sa pe
baza de īncercari. Rezulta ,atāt pentru socluri cāt si pentru patroanele
elementelor fuzibile, ca valoarea curentului nominal este
conditionata de valoarea standardizata a temperaturii mediului
ambiant si de valoarea supratemperaturilor maxime admise la
functionarea de durata(q
C).
c) Curent limita de topire al fuzibilului -este curent pāna la care elementul fuzibilului nu se topeste timp īndelungat (practic una, doua ore, teoretic un timp infinit lung).Unele standarde precizeaza domeniul de existenta al curentului de topire minim indicāndu-se:
curentul cel mai mare (maxim)la care īnca nu se produce topirea
(fuziunea) intr-un timp dat -curent conceptional de nefuziune I
.
curentul cel mai mic (minim) la care trebuie sa se produca topirea
īntr-un timp dat-curent conceptional de fuziune I
.Acesti curenti se exprima ca multiplii ai
curentului nominal.
d)
Tensiunea nominala a sigurantei fuzibile-intervine ori de
cāte ori se aleg sau se compara intre ele doua sigurante de constructii
diferite .Cum in exploatare valoarea
tensiunii variaza intre anumite limite ,apare necesara notiunea
de tensiunea de serviciu maxima admisa (U
) .Īn majoritatea tarilor europene ,standardele
prevad U
.
e)
Capacitatea de rupere (curent de rupere)- I
-al sigurantei indicat prin valoarea maxima a
curentului de scurtcircuit ,pe care īl poate īntrerupe siguranta ,in
conditii de īncercare precizate de norme .
f)
Puterea de rupere Pr-a sigurantei la
scurtcircuit se poate determina pentru circuitele de curent alternativ cu relatia :
Observatie prin curent de rupere se īntelege curentul de scurtcircuit de soc simetric ce s-ar stabili īn circuitul dat( fara componenta continua ) in cazul in care siguranta ar fi scoasa din circuit prin suntare ( īnlocuita cu o impedanta neglijabila- o bara ).
g)
Integrala Joule
se obtine trecānd pe ordonata efectul termic
adica energia pre-arc si pe abscisa valoarea efectiva a
curentului nominal al elementului īnlocuitor. aceasta marime (Integrala
Joule ) nu are dimensiunea unei energii ci este
definita ca o integrala Joule specifica (pe unitatea de
rezistenta)
h) caracteristicile timp-curent si de limitare a sigurantei fuzibile
Functionarea sigurantei fuzibile
Se disting doua moduri de functionare dependente de intensitatea curentului ce traverseaza fuzibilele , moduri ce determina doua caracteristici si anume caracteristica timp-curent si caracteristica de limitare.
Regimurile de functionare numite de fuziune , care sunt date cu faza de pre-arc si faza de arc , depind foarte mult de supraintensitate .
1. Faza pre-arc a sigurantei fuzibile
Fuzibilele sunt fondate sub un principiu termic si sunt foarte sensibile la suprasarcinile instantanee si la schimbarile termice cu exteriorul .Trebuie mentionat ca procesul de īntrerupere depinde de temperatura initiala a nisipului care este suficient de mare īn momentul aparitiei arcului produs de curentul de suprasarcina . Īn acest caz rezistivitatea nisipului scade si deci capacitatea acestuia de a rupe arcul electric.
q Procesul complex al topirii fuzibilului sub actiunea curentului de suprasarcina (caracteristica timp-curent) presupune īncalzirea lamelei si a strictiunilor , apoi fuziunea acestora , īncalzirea lor este continuata la temperatura de volatilizare si aparitia tensiunii de arc ; tensiunea la borne ramāne foarte slaba si nu modifica alura curentului īn circuit .
Comportamentul lamelei
fuzibile depinde de conditiile de disipare a pierderilor datorate
supraintensitatii , disiparea se face prin conductie ,
longitudinal de-a lungul conductoarelor si transversal de-a lungul
nisipului de umplutura si corpurilor izolante fata de mediul
exterior .Scurgerea relativa de energie termica este prea mare
fata de supraintensitate care este slaba si din acest motiv
duratele de pre - arc t p, pot deveni foarte mari date de :
, unde
cu Rt
rezistenta termica echivalenta a fuzibilului fata de mediul ambiant Pentru un element de
lamela fuzibila . de lungime L , sectiune constanta S
si rezistenta R
, īncalzirea ramāne uniforma . Calculul unei
capacitati termice a metalului ,nisipului si anvelopei la temperatura
parvenita de-a lungul timpului t este
data iar dependenta supratemperatura - timp este de forma
.
Īntrucāt īncalzirea
este lenta fiecare supratemperatura este datorata unui
curent cu dependenta
. Se obtine astfel caracteristica de suprasarcina
sau timp-curent a sigurantei fuzibile
caracteristica ce
se adapteaza obiectului protejat.
Procesul complex al topirii fuzibilului sub actiunea curentului de scurtcircuit(caracteristica de limitare) a fost prezentat unde identificānd īn intervalul de timp cuprins īntre īncalzirea materialului si vaporizarea acestuia urmatoarea integrala Joule :
=Wp energia pre-arc
Caracteristica de limitare exprima dependenta curent limitat -curent prezumat si se determina pe baza duratei pre-arc
Durata pre-arc īn c. c.
circuit pur rezistiv parcurs de curentul I de scurtcircuit , relatia anterioara conduce la :
I2t=kS2 sau t=kS2/I2=t0 numit timp de fuziune .
Curentul limitat de siguranta fuzibila este egal cu valoarea celui prezumat il=I
circuit R-L , iar constanta de timp corespunzatoare este
, curentul care
parcurge siguranta are expresia :
conform figurii

Figura Durata pre-arc īn c. c
Prin introducerea curentului i īn relatia integralei Joule se poate determina timpul de fuziune astfel:
sau
relatie
care stabileste o legatura īntre durata t2 si
durata t0 , dar se observa ca ecuatia
corespunzatoare este transcendenta .
Utilizānd dezvoltarea Taylor a exponentialei rezulta timpul de fuziune corespunzator circuitului R-L

Curentul
limitat se determina din relatia
utilizānd dezvoltarea
Taylor a exponentialei si īnlocuind timpul de fuziune rezultānd il=I
t2/t
Daca se raporteaza timpul de fuziune t2 si timpul de fuziune īn curent continuu t0 la constanta circuitului t, se obtin timpii de fuziune īn marimi relative
,
curentul limitat devenind il=Isind
Durata pre-arc īn c. a.
Īn cazul curentului de scurtcircuit simetric
, expresia acestuia la trecerea curentului prin zero poate fi scrisa sub
forma : ![]()
Īn ipoteza ca topirea fuzibilului are loc dupa timpul t2 timpul de fuziune se determina din relatia :
Notānd
va rezulta :
Daca se raporteaza timpul de fuziune t2 si timpul de fuziune īn curent continuu t0 la durata perioadei T, se obtin timpii de fuziune īn marimi relative :

Deci , timpul de fuziune
relativ īn c. a. simetric se poate exprima īn functie de timpul de fuziune
relativ īn c. c. Curentul limitat se obtine īnlocuind timpul de fuziune īn
determinānd
.
Īn figura este evidentiata evolutia curentului de scurtcircuit prezumat(simetric) , a tensiunii din coloana arcului , a tensiunii sursei , a curentului limitat , durata pre-arc fiind determinata de intersectia tensiunii arcului cu a sursei
Figura 2.39 Durata pre-arc īn c. a.
Curentului de scurtcircuit asimetric cu asimetrie maxima :
prin dezvoltarea īn
serie a functiei
si limitarea la
primii doi termeni se obtine : 

Ecuatia corectata a parabolei :

Integrala Joule


Durata pre-arc pentru curentul asimetric
2. Regim de arc al sigurantei fuzibile
Durata si energia arcului īn fuzibile
Ec. tensiunii din coloana arcului Ua=U+Ldia/dt
determina curentul din arc ia =il-(Ua-U)t/L cu il=I t2/t=Itpa/t curentul limitat. .
Īntrucāt curentul din arc se stinge ia=0 durata arcului ta se determina 0=il-(Ua-U)ta/L functie de durata pre-arc ta=tpa /(k-1)
unde k=Ua/U U=RI
Energia de-a lungul duratei arcului ta la o tensiune de arc constanta Ua =k U (k raport tensiune arc pe tensiune sursa) se determina functie de energia dezvoltata īn durata pre-arc :
(k-1)
Energia totala Wt=Wp+Wa=[k/(k-1)]Wp= [k/(k-1)]KS2
Aceasta energie depinde de integrala Joule de pre-arc , caracteristica metalului folosit .
Pierderile nominale īn fuzibile
Pentru o lamela
fara strictiuni pe ea cu o putere nominala
, are energia
totala
. Presupunānd
gradientul tensiunii de arc constant : Ea = U/L , prin īnlocuirea L si S obtinem : 
Perfectionarea constructiva a elementelor fuzibile
Progresele obtinute īn perfectionarea constructiva a sigurantelor fuzibile de joasa tensiune sunt ,mai ales ,rezultatul perfectionarii constructive a elementului fuzibil.
Īn figura se reprezinta evolutia de perfectionare constructiva a elementelor fuzibile rapide.

Figura Perfectionarea constructiva a elementelor fuzibile
Īn cazul:
a) - pentru tensiuni si puteri de rupere mici s-a utilizat initial un fir de plumb īntins īn aer liber. Plumbul avānd o rezistenta specifica mare si o temperatura redusa de topire, necesita un volum mare de metal, pentru un curent nominal dat. Pentru obtinerea de puteri de rupere mari s-a observat ca īn timpul arderii firului fuzibil, trebuie sa se reduca la minimum cantitatea de ruperi metalice.
Utilizarea firelor fuzibile din cupru sau argint, care, comparativ cu plumbul, au o foarte buna conductivitate termica si electrica si punct de topire ridicat(Cupru r o mWm]; l o=393[W/m.K]; qtop=1083[oC] ; Argint r o mWm]; l o=493[W/m.K]; qtop=960,6[oC]; Plumb qtop=327[oC]) a permis marirea densitatii de curent īn fuzibil si obtinerea unor sectiuni de fire mai reduse, reducāndu-se volumul de metal ce se vaporizeaza īn timpul arderii.
b) si c) - la sigurantele de interior deschise producerea de scurtcircuite prin expulzarea de metal topit īn cazul distantei mici dintre faze si din motive de protectia muncii firul fuzibil s-a ecranat cu un tub dielectric care īnsa nu duce la cresterea puterii de rupere, ci doar mareste siguranta de functionare.
d) sigurantele umplute cu nisip cuartos pur si uscat, comparativ cu firele de fuzibil īn aer, au puterea de rupere foarte mare, si-n anumite conditii au un accentuat efect de limitare a curentilor de scurtcircuit.
e) daca īn anumite locuri pe o banda fuzibila se practica gātuiri sau perforatii se pot obtine urmatoarele performante: caracteristica de topire foarte rapida, putere de rupere mare. Cea mai buna perfectionare o constituie elementul fuzibil de tip sita (figura 2.42) īn care s-a practicat un mare numar de perforatii aliniate īn siruri longitudinale si transversale . Īn acest mod se obtin mai multe īntreruperi īn serie , care provoaca o crestere rapida a caderii de tensiune īn arc. iar legaturile transversale reduc extinderea si durata arcului. cumulāndu-se cele doua efecte se obtine o considerabila micsorare a duratei arcului Cresterea īn continuare a puterii de rupere si a rapiditatii de actionare a sigurantelor fuzibile cu umplutura de nisip a fost posibila reducāndu-se sectiunea echivalenta necesara, marind gradul de racire al elementului fuzibil.

Figura 2.42 Element īnlocuitor pentru siguranta fuzibila de joasa tensiune
1, 2 - cutit pentru contact; 3 - banda fuzibila; 4 - semicarcasa din material ceramic; 5 - spatiu pentru nisip de cuart; 6 - nit cu aliaj eutectic; 7 - gaura pentru nitul eutectic; a - topire la scurtcircuit; b - topire la suprasarcina
|