GRUPUL SCOLAR INDUSTRIAL ENERGETIC
CERNAVODA
Domeniul Electric Clasificare (nivel2) Electrician in instalatii energetice
APARATE PENTRU COMANDA AUTOMATA
Indrumator Elev:
Cuprins
1.Argument...........................2
2.Cap.I.Generalitati.......................3
3.Cap.II. Contactoare si ruptoare...............5
4.Cap.III.Contactoare cu relee.................7
5.Cap.IV.Intreruptoare automate................8
6.Bibliografie.......... ..... ...... .......... ..... ...... ......12 434h71e
ARGUMENT
In cadrul acestui proiect sunt tratate aparatele electrice de comutatie si aparatele electrice de protectie,utilizate in domeniul producerii transportului si distributiei energiei electrice.Ele se gasec in numeroase variante constructive si functionale,in toate instalatiile electrice indeplinind in circuitele dintre sursele de energie si receptoare,functii de o deosebita importanta.
In primul capitol al proiectului am enumerat marimile caracteristice ale aparatelor electrice si solicitarile care apar in timpul exploatarii.
In functionare aparatelor,atat in conditii normale de serviciu,cat si in caz de avarii,fiecare dintre elementele componente este supus unor anumite solicitari,la care trebuie sa reziste in bune conditii,timp de 10-20 ani,fara a fi necesare alte interventii ale personalului de exploatare.
In al doilea capitol am explicat principiul de functionare,am enumerate tipurile cinstructive,marimile caracteristice si problemele de exploatare.
Contactorul este un aparat de comutatie cu actionare mecanica,electromagnetica sau pneumatica,cu o singura pozitie stabile,capabil de a stabili,suporta sau intrerupe curentii in conditii naormale de exploatare ale unui circuit,inclusive curentii de supra sarcina.
In al treilea capitol gasim principiul de functionare ale intreruptoarelor automate de joasa tensiune.
Spre deosebire de contactoare,intreruptoarele automate se caracterizeaza prin faptul ca,odata inchise ontactele principale,else sunt mentionate in pozitia "inchis".Aparatele pentru comanda automata sunt actionate de la distanta sau de catre relee de protectie.Din aceasta categorie fac parte:contactoarele si ruptoarele,contactoarele cu relee si intreruptoarele automate care au in special rol de protectie.
CAP I. Generalitati
Aparatele electrice se gasesc in numeroase variante constructive si functionale in toate instalatiile electrice indeplinind,in circuitele dintre sursele de energie si receptoare,functii de deosebita importanta :inchiderea,deschiderea sau comutarea circuitelor electrice ;supravegherea si protectia instalatiilor si receptoarelor.
In functie de rolul indeplinit in instalatia electrica,aparatele includ in constructia lor :cai de curent ;circuite magnetice ;mecanisme de actionare si de blocare ;dispozitive de stingere a arcului electric ;constructia metalica sau carcasa aparatului.
Aparatele complexe pot include in constructia lor ansamblul sau chiar aparate mai simple cu rol de comanda,semnalizare,protectie,etc.Exista doua categorii mari de aparate :aparate actionate manual si aparate actionate de la distanta sau de catre releele de protectie.
In proiectul meu,am descris aparatele pentru comanda automata.Din aceasta grupa fac parte :contactoarele si ruptoarele,contactoarele cu relee si intreruptoarele automate de joasa tensiune.
Principalele marimi caracteristice,sunt:
Tensiunea nominala.Din care distingem tensiunea nominala de izolare pentru care a fost dimensionat aparatul,tensiunea nominala de utilizare la care este folosit aparatul si care poate fi mai mica sau egala cu cea de izolare si tensiunea de comanda daca aparatul are un sistem de comanda de la distanta.
Curentii nominali.Se distinge curentul nominal termic pe care aparatul il poate suporta timp de 8h fara ca incalzirea diferitelor sale parti sa depaseaca limitele admisibile si curentul nominal de utilizare stabilit de constructor in functie de alti curenti.
Capacitatea de comutatie.La aparatele de joasa tensiune,capacitatea de comutatie se exprima prin curentul de rupere,cel mai mare curent,pe care este capabil sail intrerupa sub o tensiune data si prin curentul de inchidere.
Servicii nominale.Din care distingem serviciul continuu,serviciul intermitent si cel de scurta durata.
Frecventa de conectare este data de relatia :
![]()
In functionarea aparatelor,atat in conditiile normale de serviciu,cat si in caz de avarii,fiecare dintre elementele componente este supus unor anuminte solicitari,la care trebuie sa reziste in bune conditii,timp de la 10-20 ani fara a fi necesare alte interventii ale personalului de exploatare decat cele prevazute a se face cu ocazia reviziilor periodice.
Solicitarile cele mai frecvente sunt:solicitarile electrice, termice, mecanice,fizico-chimice si solicitarile provocate de actiunea combinata a factorilor de mediu in care lucreaza aparatul.
Solicitarea electrica este cea la care este supus un izolant electric,atunci cand doua regiuni ale sale se afla la potentiale diferite.
Acestea pot provoca tensiuni de serviciu :supratensiuni de comutatie,de origine atmosferica sau de punere la pamant,supratensiuni temporare,caracteristice regimului de functionare a instalatiei electrice in ansamblu.
Solicitarile termice ale aparatelor electrice sunt solicitari provocate de variatiile de temperatura.
Solicitari electrodinamice.Aceste solicitari sunt importante numai la aparitia curentilor de scurtcircuit.Acestia creeaza forte electrodinamice importante.
CAP.II Contactoare si ruptoare
Contactorul este un aparat de comutatie cu actionare mecanica, electromagnetica sau pneumatica, cu o singura pozitie stabila, capabil de a stabili, suporta si intrerupe curentii in conditii normale de exploatare ale unui circuit, inclusiv curentii de suprasarcina.
Elementele componente ale unui contactor sunt:
Fig.1 Schema de principiu a unui contactor cu miscare de rotatie :
a-schema constructiva ;b-schema electrica ;1-contact fix ; 2-contact mobil ; 3-armatura electromagnetului ; 4-legatura flexibila ; 5-electromagnet ; 6-infasurare ; 7-camera de stingere ; 8-buton de comanda ; 9-resort de dechidere ; 10-placa de baza ; 11-borna de racord ; I-circuit principal ;
II-circuit de comanda.
Ruptoarele sunt asemanatoare contactoarelor cu deosebirea ca pozitia de repaus este cu circuitul principal inchis,electromagnetul intervine pentru a deschide circuitul.
Cu actionare prin electromagneti, aceasta este solutia cea mai frecvent folosita, ea prezentand o serie de avantaje.
Cu aer comprimat, indeosebi la contactoarele de curent continuu pentru curenti mari, unde este necesara separarea rapida a contactoarelor
Cu actionare mecanica, prin arbori cu came; metoda este utilizata rar si numai la intensitati mici.
Marimile caracteristice ale unui contactor sunt:
Tensiunea nominala U - tensiunea la care se dimensioneaza izolatia aparatului, distantele de strapungere si conturnare.
Curentul nominal I - curentul pe care il poate suporta circuitul principal al contactorului fara a depasi in regim normal de lucru incalzirea admisa
Frecventa de actionare - numarul maxim de actionari pe care contactorul le poate executa intr-o unitate de timp
Durata relativa de conectare - care este standardizata si frecventa de conectare, ambele determina clasele de lucru sau regimurile de lucru pentru contactoare.
CAP.III Contactoare cu relee
Contactorul serveste la inchiderea si deschiderea circuitului de alimentare a motorului, la comanda data de un operator.
Blocul de relee termice protejeaza motorul si instalatia impotriva suprasarcinilor, comandand deschiderea automata a contactorului.Releele electromagnetice asigura protectia contra scurtcircuitelor, ele comandand automat in cazul unui scurtcircuit deschiderea contactorului. Deoarece contactorul nu are o capacitate suficienta de rupere la scurtcircuit, este indicat sa se prevada in circuit o protectie suplimentara cu sigurante.
Dupa cum s-a aratat in paragrafele anterioare, contactoarele se utilizeaza in instalatiile electrice impreuna cu diferite alte accesorii, ca: blocuri de relee, butoane, sigurante, dispozitive de semnalizare, in functie de cerintele schemei. Aceste combinatii de aparate se pot ansambla pe placi comune introduce in tablouri de comanda sau cutii capsulate ori pot fi grupate pe categorii de aparate in interiorul panourilor.
Pentru protectia impotrica curentilor de scurtcircuit,in amontele contactorului cu relee termice trebuie montat un intrerupator automat sau sigurante fuzibile adecvate.

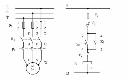
Fig.2 Schema de conexiuni a unui contactor cu relee termice :
F1,F3- sigurante ; K1-contactor(contactoare principale) ; F2- relee termice(contacte de relee termice) ; S1- buton de oprire ; S-buton de pornire.
CAP.IV Intreruptoare automate
Spre deosebire de contactoare, intreruptoarele automate se caracterizeaza prin faptul ca, odata inchise contactele principale, ele sunt mentinute in pozitia "inchis" cu ajutorul unui zavor mecanic numit "broasca" ; acesta blocheaza contactele mobile la sfarsitul cursei de inchidere si le mentine in aceasta pozitie un timp oricat de lung, fara vreun consum suplimentar de energie.
Oricare ar fi varianta constructiva, un intrerupator automat este construit din urmatoarele elemente componente:
circuitul principal de curent, format din: contacte principale, contacte de rupere ( bobina de suflaj magnetic), coarne de suflaj si borne de racord la circuitul exterior, realizate din profile de cupru ;
camerele de stingere a arcului electric, executate din materiale rezistente la actiunea arcului electric ;
piese izolante pentru sustinerea cailor de curent si separarea fazelor, realizate de obicei prin presare din rasini fenolice ;
mecanismul de actionare si zavorare, realizat din table si profile de otel tratate in mod special pentru a face fata uzurilor si solicitarilor ;
cutia aparatului, executata din tabla de otel la aparatele mari si rasini fenolice la aparatele mici si intrerupatoarele tip "compact" ;elementele de protectie : declansatoare termice , declansatoare electromagnetice instantanee sau temporizate, iar la intrerupatoarele automate folosite pentru protectia motoarelor avem si declansatoare de tensiune minima ;
elemente accesorii: bobine de declansare, transformatoare de curent, contacte auxiliare.
Mecanismul de actionare si zavorare are urmatoarele functiuni:sa mentina intrerupatorul in pozitia inchis,sa asigure declansarea intrerupatorului cu ajutorul unei energii , respectiv a unei forte reduse(in acest scop, cu ajutorul unui sistem de parghii se asigura demultiplicarea necesara a fortei) ;sa asigure declansarea libera, adica la existenta unui ordin de declansare intrerupatorul sa nu poata fi nici inchis, nici mentinut in pozitie inchis ;sa adapteze caracteristica cuplului rezistent la caracteristica motor.sa asigure la inchiderea manuala a intrerupatorului o viteza maxima a contactului mobil
Fig.3 Mecanism cu genunchi : a-intreruptor inchis ; b-intreruptor deschis ; 1-contact fix ; 2-contact mobil ; 3-resort ; 4- resort care prin destindere provoaca declansarea ; 5-parghii pentru declansarea manuala.
Intrerupatorul este definit ca fiind un aparat mecanic de conectare capabil sa inchida, sa suporte si sa intrerupa curenti in conditii normale prestabilite si , de asemenea, sa inchida pe o durata specificata si sa intrerupa curenti anormali, cum sunt curentii de scurtcircuit.
Intrerupatoarele automate se folosesc mai ales in urmatoarele situatii:
ca intrerupatoare principale pentru protectia liniilor si a instalatiilor electrice ;
ca aparate de conectare si protectie a unor consumatori importanti ;
ca aparate normale de conectare, acolo unde acestea suporta vibratii si socuri mecanice importante.
Principiul mentinerii in pozitia "inchis " a intrerupatoarelor automate prin intermediul unui mecanism cu zavor prezinta urmatoarele avantaje:
posibilitatea obtinerii unor capacitati de rupere mari ;
insensibilitate la variatiile de tensiune ale retelei ;economie de energie;
posibilitatea de a se dimensiona electromagnetul mai economic ;rezistenta mult mai mare la solicitari prin vibratii si socuri mecanice.
Folosirea zavorarii mecanice are insa si dezavantaje, cele mai importante fiind:
frecventa de conectare permisa este foarte mica;
aparatul are o constructie complicata, fiind in consecinta si relativ scump.
Tipuri si caracteristici constructive :
Intrerupatoarele automate de instalatii sunt :dotate cu declansatoare termice si electromagnetice pentru protectia impotriva suprasarcinilor si scurtcircuitelor.Fata de sigurantele fuzibile, ele prezinta numeroase avantaje :Posibilitatea de restabilire imediata a curentului fara a se pierde timpul necesar gasirii si montarii unui element de inlocuire nou in locul celui ars ;nu mai este necesar un stoc de elemente de rezerva si indeosebi se evita pericolul pe care il prezinta pentru securitatea locuintelor si a instalatiilor, inlocuirea fuzibuilelor arse prin fuzibile improvizate din fire groase de cupru ;se poate obtine si o protectie eficace impotriva suprasarcinilor, lucru practic irealizabil cu sigurantele fuzibile rapide ;se poate regla la fata locului curentul de declansare a automatului in functie de curentul real de serviciu al instalatiei , ceea ce imbunatateste mult eficacitatea si operativitatea protectiei.
Intrerupatoarele automate tripolare comandate prin buton se executa pentru intensitati nominale pana la 40A.
Intrerupatoare automate in constructie deschisa se construiesc pentru curenti nominali medii si mari, sunt comandate atat manual, cat si cu electromagneti sau servomotoare si sunt folosite indeosebi pentru protectia circuitelor principale ale alimentarilor cu energie din industrie.
Intrerupatorare automate compacte, in carcasa de masa plastica fenolica, se construiesc pentru curenti nominali de ordinul sutelor de amperi; ele sunt folosite pentru protectia circuitelor electrice din instalatiile industriale unde se impun dimensiuni reduse ale panourilor.
Intrerupatoare automate limitatoare se construiesc pentru instalatii de ordinul sutelor de amperi si capacitati de rupere pana la 100 kA virtuali. Ele limiteaza valoarea curentului de scurtcircuit aparut in instalatie, reducand mult solicitarile termice si electrodinamice la care este supusa instalatia. De aici vine si numele de "intrerupatoare limitatoare".Pot fi actionate manual sau cu servomotor.
Tipuri de aparate mai deosebite sunt:Intrerupatoarele automate rapide de curent continuu, dotate cu relee sensibile la panta curentului de scurtcircuit, in vederea asigurarii unei protectii cat mai eficiente a redresoarelor ;intrerupatoarele automate pentru protectia impotriva curentilor de defect care sesizeaza diferenta intre valorile curentilor de pe conductorul de faza si de nul, diferenta care dovedeste aparitia unei scurgeri de curent la masa ( curent de defect ) . Producand intreruperea imediata a circuitului atunci cand curentul de defect a trecut de un anumit nivel, ele protejeaza foarte eficient impotriva pericolului electrocutarii si incendiilor.
Intrerupatoarele automate difera, de asemenea, prin modul de actionare si prin gradul de echipare cu dispozitive accesorii, cum sunt: contacte de semnalizare, dispozitive de declansare de la distanta, declasatoare de tensiune minima, dispozitive de temporizare a declansarii prin relee.
Practic toate intrerupatoarele automate de joasa tensiune se executa ca aparate de intrerupere in aer.
BIBLIOGRAFIE
Bichir N. s.a -Masini, aparate,actionari si automatizari;manual
pentru clasele a XI-a si a XII-a licee industriale
si scoli profesionale, Ed. Didactica si Pedagogica
Bucuresti, 1995
|