Acumulatoare cu contra-greutate ;
Acumulatoare cu resort
Acumulatoare cu gaz :
a) cu fluide comunicante
b) cu fluide separate
cu piston
cu membrana
cu camera elastica
16.1 Principiu de constructie a acumulatoarelor
16.2.1 Acumulatorul cu contra-greutate
Principiu
Se va utiliza gravitatia pentru punerea sub presiune a fluidului.
Fig.1
Particularitati
Presiunea la care este supus fluidul este constanta.
Exista avantajele:
de obtinere a unor presiuni importante ;
de dezvoltare a unor puteri importante (utilizarea energiei disponibile intr-un timp foarte scurt) ;
de a face o variere usoara a presiunii, prin varierea masei de contrapresiune.
In acelasi timp, acest tip de aparat prezinta cateva dezavantaje :
dificultati de crestere a presiunii de refulare in cazul modificarii circuitului de receptori ;
masa si gatuirea impiedica mobilitatea ;
sistemul de etanseitate dintre piston si cilindru creeaza forte de frecare daunatoare care duc la cresterea riscului de uzura.
Presiunea care predomina in acest tip de aparat este constanta, ea depinzand de cantitatea de fluid continut ; ca urmare, presiunea este :
p
=
unde :
p = presiunea fluidului din acumulator [Pa]
m = masa cotra-greutatii si a pistonului [kg]
g = acceleratia gravitationala [m/s2]
S = sectiunea pistonului [m2]
16.2.2 Acumulatoare cu resort
Principiu
Vom utiliza unul sau mai multe resorturi de compresiune pentru a realiza punerea sub presiune a fluidului.

Fig. 2
Presiunea produsa in acest tip de aparat depinde de caracteristicile si de incarcarea initiala a resortului. Pe de alta parte, ea nu este constanta ca in cazul acumulatorului cu contr-greutati. Acumulatoarele cu resort elibereaza un volum mic de ulei la o presiune relativ joasa. Acestea tind a deveni repede greoaie si tind sa se blocheze indata ce facem apel la debite si presiuni importante. Longevitatea acestor acumulatoare este limitata de resortul lor.
Utilizarea acestor acumulatoare pentru diferite aplicatii care implica alternari rapide de incarcare si descarcare este nerecomandata, deoarece la aceste regimuri de lucru resorturile obosesc foarte repede, ceea ce face ca aparatele sa devina inoperante.
16.2.3 Acumulatoare cu gaz
Acumulatoarele cu gaz, mult mai utilizate decat acumulatoarele cu cotra-greutate sau cu resort, functioneaza dupa legea Boyle-Mariotte.
Legea Boyle-Mariotte
La temperatura constanta presiunea unui gaz este invers proportionala cu volumul sau.
Revenind la acumulatorul cu gaz, aceasta inseamna ca, daca un volum de gaz este redus la jumatate, presiunea sa se dubleaza, cu conditia ca temperatura sa sa ramana constanta.
Produsul dintre presiunea unui gaz si volumul acestuia este constant, daca temperatura este constanta : p . V = constant
Cateva tipuri de acumulatoare cu gaz sunt prezentate in figura de mai jos :


Fig.4
Acumulatoarele cu gaz se impart si ele in doua mari categorii :
A. Acumulatoare cu gaz cu fluide comunicante
B. Acumulatoare cu gaz cu fluide separate
A. Acumulatoare cu gaz cu fluide comunicante
La aceste acumulatoare gazul ocupa partea superioara si lichidul ocupa partea inferioara a corpului acumulatorului. Gazul este in contact direct cu lichidul fara a exista vre-un element de separatie intre ele.

Fig.5
Avantajul principal al acestor tipuri de acumulatoare consta in marea lor capacitate in lichide. Dezavantajul principal il constituie faptul ca o parte din gaz este absorbit de lichid deoarece nu exista nici un obstacol material intre cele doua.
In plus, atunci cand presiunea in circuitul de utilizare atinge limita sa inferioara, gazul se dizolva in lichidul hidraulic, este transportat de acesta si ramane astfel prins in circuit.
Un alt inconvenient consta in faptul ca trebuie controlata frecventa presiunea de umplere care se diminueaza pe masura ce gazul se dizolva in lichid. Acest tip de acumulator nu poate functiona decat in pozitie verticala, deoarece este singura posibilitate ca gazul sa ramana izolat in partea superioara a aparatului.
Pentru a evita patrunderea gazului in circuit, acumulatorul nu poate fi utilizat la 2/3 din capacitatea sa.
Pentru a remedia acest inconvenient este necesara separarea definitiva a gazului de fluid.
B. Acumulatoare cu gaz cu fluide separate
Acumulatoarele cele mai utilizate in practica sunt cele in care o bariera din material separa lichidul, practic incomprsibil, de gaz, a carui elasticitate trebuie sa intervina in realizarea rezervei energetice.
Dupa tipul organului de separare, aceste acumulatoare se impart in trei categorii:
Cu piston ;
Cu membrana ;
Cu camera elastica.
B1. Acumulatoare cu piston
Aceste acumulatoare sunt constituite dintr-un cilindru in interiorul caruia se deplaseaza un piston prevazut cu garnituri de etansare, necesare pentru asigura separarea gazului de lichid.
Principalul avantaj al acestui tip de acumulatoare consta in insensibilitatea acestora la temperaturi foarte inalte sau foarte joase precum si posibilitatea utilizarii unor agenti chimici diversi, in masura in care acestia nu ataca garniturile de etanseitate de pe piston.
Aceste acumulatoare pot functiona in toate pozitiile.

Fig.6
Dezavantajele principale ale acestor tipuri de acumulatoare sunt determinate de inertia relativa a pistonului ; apar pierderi de energie datorate frecarii, iar uzura garniturilor de etanseitate, sub efectul variatiilor mari de presiune, face ca deteriorarea acestor aparate sa fie destul de rapida, longevitatea acestora fiind destul de redusa si deci, putem spune ca riscul de amestec al gazului cu lichdul exista, el neputand fi eliminat.
De aceea nu se recomanda utilizarea acumulatoarelor cu piston ca amortizoare de pulsatii, din cauza inertiei pistonului si a frecarilor garniturilor.
B2. Acumulatoare cu membrana
Un acumulator de acest tip este adesea costituit din doua semisfere asamblate in partea mediana unde se afla si o membrana care asigura separarea lichidului de gaz.

Fig.7
Deoarece carcasa acestui acumulator nu este monobloc, securitatea sa este mai mica. Alte inconveniente rezulta din necesitatea de a asigura etanseitatea suprafetei de contact care este relativ mare astfel incat exista riscul de ruptura a membranei datorita variatiilor mari de presiune.
Marele avantaj al acestui tip de acumulator consta in greutatea sa redusa in raport cu volumul sau, fiind raspandit in toate aplicatiile aeronautice.
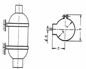
B3. Acumulatoare cu camera elastica
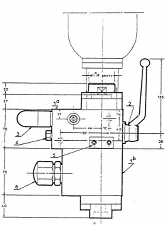
Fig.8
1 - Capac de protectie
2 - Supapa de umplere prinsa in camera elastica
3 - Gaz (azot)
4 - Butelie din otel aliat, perfect omogen si fara sudura . Un tratament
termic ii confera acestuia elsticitatea necesara preluarii eventualelor
pulsatii.
5 - Camera elastica din cauciuc sintetic, destinata incarcarii cu gaz.
6 - Ulei sub presiune
7 - Supapa cu resort care se opune extruziunii camerei elastice, permitand exploatarea integrala a volumului acumulatorului.
8 - Orificiu de purjare
9 - Racordul de bransare la circuitul hidraulic.
Aceste aparate au o mare raspandire in industrie datorita numeroaselor sale avantaje in raport cu alte tipuri de acumulatoare.
Avantajele principale ale acestor acumulatoare sunt urmatoarele :
Etanseitate absoluta
Intretinere redusa
Longevitate foarte mare, cu un minim de incidente in functionare care sa necesite interventii
Adaptabilitate la diferite tipuri de lichide
Securitate in functionare
Acumulatoarele cu camera elastica functioneaza cu diferente de presiuni care pot atinge un raport de 1 la 4.
Conceptia camerei elastice la acest tip de acumulator asigura un randament volumetric maxim.
Greutatea foarte mica a camerei elastice nu pune nici o problema de inertie, facand ca aparatul sa aibe reactii instantanee indispensabile reglarii presiunii de amortizare a pulsatiilor care apar.
Securitatea in constructia acumulatoarelor cu camera elastica
Corpurile acumulatoarelor sunt verificate individual la 1,5 ori presiunea lor maxima de utilizare. Ele sunt realizate pentru a rezista la o presiune de 3 ori mai mare decat aceasta presiune maxima.
Cu toate acestea, daca dintr-un motiv neprevazut, butelia este supusa la o presiune apropiata de presiunea de explozie, deschiderea sa catre circuitul hidraulic se dilata , ceea ce face ca garnitura torica care asigura etanseitatea sa fie inoperanta si deci, excedentul de presiune poate fi disipat prin aceasta deschidere.
Presiunea de explozie este in jur de 4 ori valoarea presiunii maxime de utilizare.
Demontarea aparatului este imposibila atunci cand acesta este sub presiune.
Recomandari generale
Acumulatoarele noi sau reparate sunt livrate cu o anumita cantitate de azot pentru a fi protejate in timpul transportului. Inainte de punerea in functiune a acumulatorului acesta trebuie incarcat cu azot la presiunea de umplere p1 prescrisa de costructor. (Culoarea caracteristica a buteliei de azot este negru)
Nu utilizati in nici un caz oxigen sau aer : pericol de explozie
Nu actionati asupra buteliei acumulatorului cu sudura sau o alta operatie mecanica.
Reparatiile neconforme cu prescriptiile prevazute de fabricant pot fi cauze de accidente foarte grave. Reparatiile acumulatoarelor hidraulice se vor efectua numai de ateliere competente.
Montarea acumulatoarelor cu camera elastica
Acumulatoarele trebuiesc montate cat mai aproape posibil de aparatul ce utilizeaza presiunea pentru a avea doar un mic tronson de teava cu un diametru capabil de a transmite rapid lichidul de la acumulator spre utilizator. Restul circuitului, si anume canalizarea prin care se incarca acumulatorul, poate fi adaptata caracteristicilor pompei.
Asa cum se observa si in figura de mai jos, este esential ca montajul acumulatorului sa se faca intr-una din pozitiile : verticala sau orizontala. Nu trebuie , in nici un caz, ca supapa de incarcare sa se situeze sub nivelul inferior al orificiului hidraulic, fiind o greseala ca restul de ulei sa se acumuleze in jurul supapei de incarcare , ceea ce ar duce la o deteriorare rapida a camerei elestice.

Fig.9
Montarea unui acumulator cu diafragma se face in orice pozitie.
Acumulatoarele trebuie fixate solid. Nu se va vopsi placa pe care sunt notate caracteristicile acumulatorului ; aceasta trebuie sa ramana in permanenta vizibila.
Fiaxarea acumulatorului trebuie executata de o asemenea maniera incat sa nu fie posibila smulgerea acestuia de pe suportul sau, ca urmare a ruperii conductei de legatura cu circuitul sau in cazul exploziei valvei de gaz.
Supapa de umplere trebuie sa fie accesibila si protejata. Trebuie utilizat doar azot pentru umplerea acumulatorului.
Atunci cand acumulatorul nu trebuie sa functioneze cu lichid hidraulic, el trebuie spalat inainte de montaj.
Va fi prevzuta o clapeta anti-retur intre pompa si acumulator ( asta in cazul in care pompa nu are deja una) ; se va evita astfel returul fluidului la pompa.
Trebuie sa existe un sistem de amortizare (un drosel cu supapa de sens) pe conducta de legatura cu acumulatorul.
Acumulatorul va fi prevazut cu o vana de izolare.
Dupa racordarea la conducta hidraulica, se va purja aerul in totalitate cu ajutorul unui surub de purjare a aerului monatat pe acumulator.
16.3 Functiile principale ale acumulatoarelor
Ca sursa auxiliara de energie ;
Ca amortizor de pulsatii ;
Pentru amortizarea loviturilor de berbec ;
Pentru mentinerea presiunii.
16.3.1 Utilizarea acumulatorului ca
o sursa auxiliara de energie
In acest caz, aparatul inmagazineaza lichidul hidraulic eliberat de o pompa in timpul unei parti din ciclul de functionare a unei instalatii, pentru a restitui un volum de lichid atunci cand in instalatie este nevoie de un debit suplimentar in vederea realizarii unei alte faze a ciclului de functionare. Astfel, acumulatorul intervine ca o sursa auxiliara de energie pentru a ajuta pompa.
Descriere:

Fig.11
p0 = presiunea de umplere (gonflaj)
p1 = presiunea minima a acumulatorului
p2 = presiunea maxima a acumulatorului
pm = presiunea medie de lucru
V0 = volumul total de azot
V1 = volumul de azot la presiunea p1
V2 = volumul de azot la presiunea p2
ΔV = volumul restituit intre cele doua presiuni p1 si p2
Presiunea p0 de umplere cu azot este , in practica, ≤ 0,9 . p1 pentru ca, camera elestica a acumulatorului sa nu astupe intrarea fluidului in acumulator la fiecare variatie de incarcare, de aceea V0 - V1 ≥ 0,1.V0.
In plus, presiunea maxima p2 trebuie sa respecte conditia p0 ≥ ¼ p2 pentru un volum V2 ≥ ¼ V0, daca nu, in cazul unei compresiuni rapide, temperatura gazului atinge valori foarte ridicate si camera elastica sufera o deformatie foarte importanta.
Atunci cand temperatura circuitului hidraulic este diferita de temperatura de umplere, presiunea de umplere p0 este :
p0 ≤ 0,9 . p1. T/T' unde :
T = t + 273 = temperatura de umplere
T' = t' + 273 = temperatura de functionare
T = temperatura absoluta [°Kelvin]
T = temperatura [°Celsius]
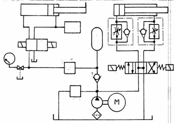
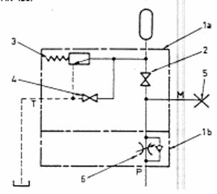
Exemplu de utilizare a unui acumulator (ca rezerva de energie) :
Schema 1 :

Se cere :
Sa se completeze schema de mai sus
Sa se identifice aparatele
Sa se explice principiul de functionare
16.3.2 Utilizarea acumulatorului ca
amortizor de pulsatii
Aplicatiile cu presiuni inalte necesita utilizarea unor pompe cu pistonase.
Fiecare piston are o miscare sinusoidala si refuleaza de-a lungul a ½ de tur
Debitul util este proportional cu viteza pistonului, aceasta din urma nefiind constanta. Debitul mediu rezulta dintr-o serie de debite instantanee esalonate de la 0 la debitul maxim.
Variatia debitului este generatoare de pulsatii de presiune.
Aceste pulsatii de debit generatoare de pulastii de presiuni sunt daunatoare ele putand sta la originea vibratiilor de pe masina. De asemenea, toate aceste pulsatii duc la obosirea materialelor.
Trebuie deci pozitionat acumulatorul in fata undelor , avand insa grija sa nu supradimensionam volumul sau util. In acest caz, volumul de ulei continut va fi important datorita inertie sale care duce la amortizarea pulsatiilor.
De asemenea, presiunea initiala de umplere (gonfalj) a acumulatoarelor este in jur de 60% din presiune de functionare normala a pompei.
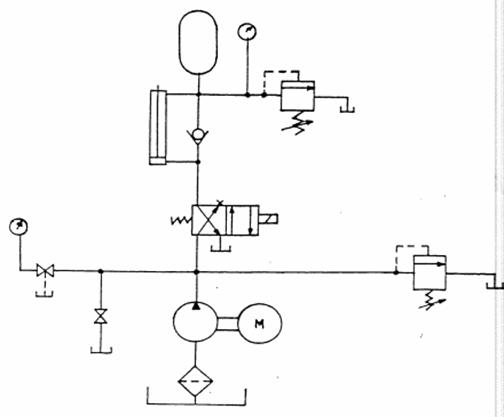
Pozitionarea acumulatorului anti-pulsatii in schema de principiu se va face ca in figura de mai jos :
Schema 2 :

16.3.3 Utilizarea acumulatorului pentru
amortizarea loviturilor de berbec
Una din aplicatiile frecvente a acumulatoarelor consta in amortizarea loviturilor de berbec din circuitele hidraulice de inalta presiune.
Originea si influentele loviturilor de berbec
Intr-un punct al unui fluid compresibil inchis intr-o conducta elastica, toate variatiile de presiune sau de viteza se traduc prin creearea unei unde de presiune care se propaga in conducta cu o anumita viteza.
Aceste unde de presiune sunt numite lovituri de berbec.

Fig.13
Astfel la inchiderea rapida a unei vane, energia continuta la extremitatea coloanei de lichid este brusc franata. Compresiunea primei parti din coloana de lichid este asimilata cu tasarea unui resort, iar destinderea acesteia comprima coloana a doua de lichid si tot asa,din aproape in aproape. Ultima « tasare a resortului » percuteaza asupra extremitatii instalatiei si fenomenul se propaga in sens invers la o viteza importanta de circa 1300 m/s.
In aceste conditii, peretii conductelor hidraulice au rol de tampon pentru loviturile de berbec. Acest fenomen dispare ca urmare a frecarilor interne dar atenuarea este foarte lenta si zgomotele si vibratiile se mentin, putand duce la distrugerea aparatelor plasate in circuit (manometre, racorduri, etc.).
Principalii factori care influenteaza acest afenomen sunt urmatorii :
Lungimea conductelor dupa aparatele considerate;
Viteza de curgere a fluidului inainte de variatia intervenita;
Densitatea fluidului ;
Elsticitatea conductelor si a fluidului ;
Timpul de inchidere a aparatelor cauzatoare de perturbatii ;
Presiunea de utilizare ;
Presiunea de pilotare a diferitelor distribuitoare.
Consecintele si remediile loviturilor de berbec
Pulsatiile rapide si punctele de presiune inregistrate in sistem pot duce la degradarea pompelor, distrugerea conductelor, distrugerea aparatelor de comanda si de reglaresau a instrumentelor de masura.
In plus, ele pot duce la depasirea presiunii de lucru.
Vibratiile, socurile sau oscilatiile datorate loviturilor de berbec se repeta la fiecare ciclu in interiorul unei instalatii hidraulicesi de aceea este necesara inlaturarea tuturor pericolelor de distrugere :
Fixarea conductelor se va face foarte bine pentru a se evita scurgerile si pentru a se evita ruptura acestora prin utilizarea unor bride ;
Se va verifica presiunea de pilotaj a distribuitoarelor, avandu-se grija ca ea sa fie mentinuta la o valoare cat mai mica ;
In final, se recomanda utilizarea unui acumulator care sa fie capabil sa acumuleze cresterile bruste de presiune. Aceasta este varianta cea mai utilizata.
Examinand figura de mai jos, obtinem diagramele de variatie a presiunii in timp, intr-o instalatie cu si fara acumulator.

Fig.14
16.3.4 Utilizarea acumulatorului pentru
mentinerea in presiune
Un acumulator poate servi la mentinerea unui cilindru hidraulic sub o presiune statica si la suprimarea variatiilor de presiune datorate utilizarii energiei in alte circuite ale instaltiei date.
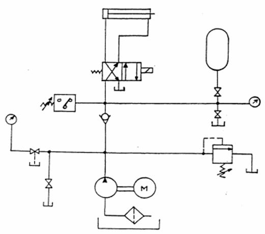
Schema 3 :
Sa se completeze schema de mai jos
Sa se explice principiul de functionare

16.4 Alte aplicatii posibile ale acumulatoarelor :
Ca sursa de energie suplimentara ;
Pentru compensarea scurgerilor ;
Ca sursa de energie pentru circuitele cu etaje de presiune ;
Ca rezerva volumica de lichid ;
Pentru compensarea dilatarii termice ;
Pentru distribuirea de lubrefiant sau de alte lichide ;
Ca bariera de transfer.
16.4.1 Utilizarea unui acumulator ca sursa suplimentara de energie
Securitatea diferitelor sisteme hidraulice impune ca tijele cilindrilor sa revina in pozitia initiala (sa reintre in cilindru) in cazul aparitiei unor defecte mecanice sau electrice a sursei normale de energie hidraulica.
In aceasata situatie, un acumulator hidraulic cu o capacitate convenabila constituie o sursa de energie suplimentara ideala.
In exemplu de mai jos avem:
Un cilindru a carei suprafata inelara este jumatate din suprafata circulara ;
Atata timp cat electrodistribuitorul este sub tensiune, uleiul debitat de pompa intra simultan in cele doua camere ale cilindrului si in acumulator ;
Ca urmare a diferentei intre suprafetele pistonului , in timpul ultimului avans acumulatorul se incarca ;
In cazul opririi pompei, datorita unei pene de curent, electrodistribuitorul revine in pozitia de repaus si uleiul sub presiune inmagazinat in acumulator provoaca reintrarea tijei cilindrului.
Schema 4 :

16.4.2 Utilizarea acumulatorului ca compensator de scurgeri
Acumulatorul poate interveni pentru compensarea surgerilor interne sau externe dintr-un sistem mentinut sub presiune, de-a lungul unei perioade de timp.
In exemplu de mai jos avem:
Pompa incarca acumulatorul si sistemul pana cand presiunea reglata maxima a presostatului este atinsa. Acesta va intrerupe automat motorul de la pompa.
Sistemul nu ramane sub presiune atata timp cat scurgerile nu sunt disipate de volumul de ulei util din acumulator. In aceste conditii, presiunea din circuit scade la valoarea minima de reglaj a presostatului care determina repornirea motorului de la pompa.
In timpul functionarii, acumulatorul economiseste energia electrica si reduce incalzirea pe care o suporta uleiul in timpul traversarii limitatorului de debit.
Schema 5 :

16.4.3 Utilizarea acumulatorului ca sursa de energie
pentru circuitele cu etaje de presiune
In schema functionala de mai jos este prezentat un acumulator intr-un circuit cu etaje de presiune de la o presa.
Schema 6 :

In acest caz, acumulatorul furnizeaza debitul de ulei necesar evolutiilor rapide ale pistonului de-a lugul fazei de apropiere si de retur a culisei de la presa, atata timp cat aceasta din urma nu lucreaza efectiv. In aceiasi maniera, durata totala a ciclului functional si puterea absorbita sunt amandoua reduse considerabil.
Sistemul are n componenta doua pompe :
Una de presiune joasa si debit mare : p2 ;
Una de presiune inalta si debit mic : p1.
Atata timp cat sertarul distribuitorului hidraulic cu comanda manuala (1) ocupa pozitia pentru care pistonul cilindrului presei trebuie sa se deplaseze din spate in fata, cele doua pompe si acumulatorul debiteaza impreuna in camera din spate a cilindrului.
Pistonul avanseaza rapid, in regim de joasa presiune. Atata timp cat culisa de la presa intampina rezistenta din partea piesei, presiunea in circuitul hidraulic creste si determina declansarea manocontactorului (3). Acesta pune sub tensiune electrodistribuitorul (2) a carui sertar ocupa atunci pozitia pentru care debitul pompei de joasa presiune va incarca acumulatorul.
Pompa de presiune inalta si debit mic continua sa alimenteze cilindrul de la presa pentru a permite culisei sa-si continue lucrul.
Atunci cand pozitia sertarului distribuitorului hidraulic cu comanda manuala (1) este inversata, debitele celor doua pompe si a acumulatorului sunt disponibile si sunt trimise in camera anterioara a cilindrului astfel ca tija se retrage si culisa de la presa se ridica. Cand culisa ajunge in punctul cel mai de sus al cursei sale, manocontactorul (3) care a fost neactionat in timpul fazei de ridicare rapida a culisei presei este din nou actionat si pune sub tensiune electrodistribuitorul (2). Acesta trimite debitul pompei de joasa presiune spre acumulatorcare se reincarca, astfel ca debitul de la pompa de presiune inalta este utilizat pentru mentinerea culisei presei in partea superioara.
Fiecare circuit de pompare trebuie sa fie echipat cu un limitator de presiune.
16.4.4 Utilizarea acumulatorului ca rezerva volumica de lichid
Intr-un circuit hidraulic inchis, un acumulator poate interveni eficace asemeni unui rezervor de lichid.
Rolul sau consta deci, in a compensa diferentele de capacitate care apar intre camerele anterioare si posterioare sau inelara si cilindrica ale cilindrului.
In figura de mai jos este reprezentat un circuit de acest gen.
Atunci cand tija pistonului cilindrului este actionata de o forta exterioara suficient de mare, uleiul din camera cilindrica a cilindrului, traverseaza regulatorul de debit si patrunde in camera inelara.
Regulatorul intervine pentru a incetini miscarea pistonului si pentru a impiedica izbitura in fundul cilindrului. Cum volumul de ulei din camera posterioara a cilindrului este superior celui din camera anterioara, ca urmare a prezentei in aceasta din urma a tijei pistonului, este indispensabil ca uleiul excedentar sa fie impins si pus in rezerva. El este deci deviat spre acumulator in care va provoca o anumita presiune.
Atunci cand tija pistonului nu este supusa unei incarcari exterioare, acumulatorul elibereaza energia inmagazinata si readuce tija pistonului in pozitia extinsa, restituind circuitului uleiul necesar umplerii camerei din spate a cilidrului.
Schema 7 :

16.4.5 Utilizarea acumulatorului pentru
compensarea dilatarii termice
Atunci cand un circuit hidraulic inchis este supus unei variatii de temperatura, conductele si fluidul sunt supuse in permanenta fie dilatarii, fie contractiei volumetrice. Coeficientul de dilatare a lichidelor este superior celui al materialelor din care sunt construite conductele , astfel ca excedentul de volum antreneaza variatii importante de presiune in sistem.
Aceasata situatie poate apare :
a) In cazul cresterii temperaturii : aducand presiunea din circuit la depasirea presiunii de securitate ;
b) In cazul diminuarii temperaturii : care antreneaza cavitatie in interiorul conductei. Cea mai mare parte dintre racorduri sunt etanse la presiune dar nu sunt etanse la depresiune. Exista astfel riscul intrarii aerului in interiorul sistemului. Acest inconvenient poate fi remediat prin incorporarea unui acumulator in circuit.
Aparatul va absoarbi volumul excedentar de fluid si mentinerea presiunii la o valoare precalculata. Atunci cand temperatura scade, acumulatorul restituie in circuit volumul necesar care sa compenseze contractia lichidului.
Schema 8 :

16.4.6 Utilizarea acumulatorului pentru
distribuirea de lubrefiant sau de alte lichide
Lichide foarte diverse, in particular lubrefianti, pot fi stocati intr-un amplificator, avand in vedere distributia lor ulterioara, sub presiune controlata, intr-un anumit numar de puncte de utilizare, cum ar fi palierele unui ansamblu mecanic complex.
Sistemele care necesita o ungere constanta la debit mic, pot fi echipate cu un acumulator care este capabil, pe o perioada lunga de timp, sa asigure ungerea intre doua incarcari succesive.
Schema 9 :

16.4.7 Utilizarea acumulatorului ca bariera de transfer
De fiecare data cand se doreste transmiterea integrala a presiunii inregistrate intr-un circuit hidraulic intr-un alt circuit hidraulic care contine lichide diferite, fara a se ivi riscul amestecarii lichidelor, un acumulator cu camera elastica constituie solutia ideala.
In exemplul de mai jos, camera elastica a acumulatorului joaca, intre cele doua lichide sau gaze, rolul de bariere de netrecut, capabila, datorita elasticitatii sale sa raspunda instantaneu si fara nici o pierdere la toate variatiile de stare hidrodinamica.
Este evident ca materialul care constituie bariera trebuie sa fie insensibil la fluidele vehiculate.
Acest gen de sistem este, in general, utilizat in bancurile de incercare a recipientelor sau a aparatelor care lucreaza sub presiune. Presiunea de incercare este aplicata elementelor de transmisie prin intermediul unui lichid special, a carui caracteristici sunt incompatibile cu cele ale grupului hidraulic utilizat pentru producerea presiunii.
Schema 10:

16.5 Determinarea/calculul unui acumulator in regim izotermic
(temperatura constanta)
Conditiile de functionare ale unui acumulator spunem ca sunt in regim izotermic atunci cand, incarcarea si restituirea se efectueaza, de fiecare data, intr-un timp superior sau egal de 2min 30sec (dupa normele OLEAR). Transformarea fiind izoterma, legea MARIOTTE se aplica:
p1.V1 = p2.V2 = constant
ΔV = V1 - V2 = volumul absorbit sau restituit intre presiunile p1 si p2.
V1
=
si V2 =
Deci : V =
-
= p0.V0.
16.6 Montarea acumulatoarelor


Cu schema:

Fig.16
Pentru o buna racordare a acumulatorului la un circuit hidraulic se va utiliza un un ansamblu de blocuri de decompresie, izolare si reglare. Acest ansamblu de blocuri care este intermediar intre acumulator si circuit, se compune din :
un bloc de decompresie - izolare ( limtatorul de presiune din acest bloc asigura protectia acumulatorului, dar nu permite suprimarea protectiei din circuit);
un bloc de reglare care cuprinde un limitator de presiune.
Componentele principale sunt :
corpuri din otel ;
robinet cu sfera ;
limitator de presiune ;
purjor ;
placa de obturatie (vezi obtiunea M) ;
surub de reglare a regulatorului.
Acumulatorul va fi fixat obligatoriu prin colier.


Fig.17
16.7 Verificarea presiunii la un acumulator
a) Punerea in functiune :
Inainte de toate verificarile si/sau umplerea cu azot, este obligatorie oprirea pompei si punerea acumulatorului direct la rezervor astfel decomprimandu-se circuitul de lichid ;
Se va desuruba busonul de protectie a supapei de umplere a acumulatorului ;
Se va insuruba manual pe supapa aparatul de verificare a umplerii acumulatorului cu ajutorul racordului « D », prevazut si cu garnituri de etansare. Apoi se va strange contrapiulita de etansare « E » dupa ce am pozitionat manometrul pe directia dorita.
b) Utilizare:
Pentru verificare se va insuruba maneta "A" si se controleaza presiunea cu ajutorul manometrului;
Pentru diminuarea presiunii se va utiliza maneta de purjare « B » ;
Pentru cresterea presiunii se va bransa printr-un furtun flexibil butelia de azot de racordul « C ». se va astepta ca schimbul termic provocat de modificarile de presiune sa se stabilizeze, dupa care se va verifica si se va ajusta incarcarea acumulatorului.
Se va repeta apoi verificarea presiunii de lucru, dupa care se va debransa tubul flexibil.
c) Demontare:
ATENTIUNE: inainte de a desfcae pilitele "D" si "E", se va desuruba pana la fund maneta « A »si se va purja cu ajutorul lui « B ».
Se va monta si se va bloca busonul de protectie al supapei de incarcare a acumulatorului.
|