Amplificator audio cu MOS-FET-uri
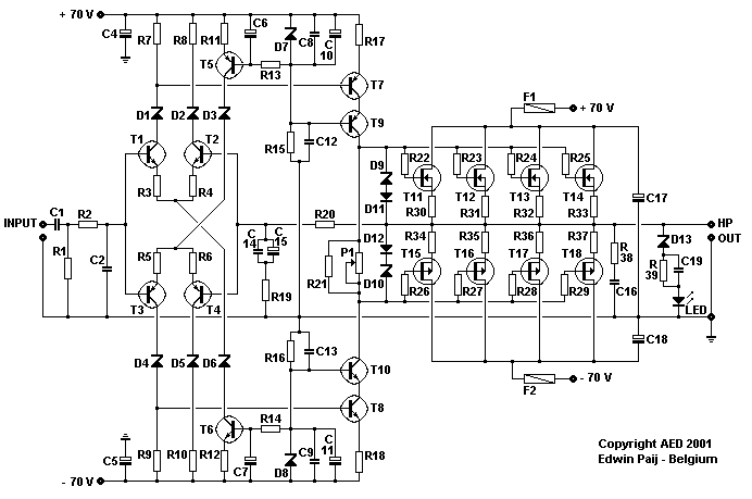
Je vous propose ici le projet d'un amplificateur de puissance de classe AB tout ce qu'il y a de plus simple, assemblé à l'aide de composants courants (peu onéreux), basé sur des schémas classiques : un étage d'entrée différentiel symétrique, un étage driver en cascode et un étage de sortie à transistors MOSFET.
Here i propose a project of an AB class power amplifier, at its simplest, assembled with common compoments (not very expensive), based on traditional diagrams : a symmetrical differential input stage, a cascode stage drive 717c28h r and a MOSFET output stage.
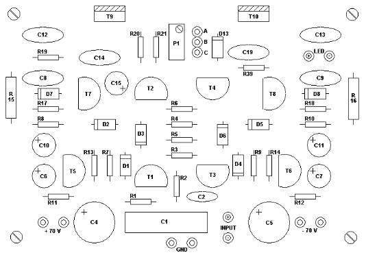
Le circuit imprimé est très compact, et se compose de deux sous-ensembles : l'étage de commande et l'étage de sortie. Les résistances sont toutes des 1/4 de watt 1 % métalfilm (sauf mention contraire).
The printed circuit board is very compact , and is composed of two subsets : the command stage and the output stage. All resistors are 1/4 watt 1 % metal film (except if otherwise stated).
Les sources de courant de +/- 1 mA sont réalisées autour de T5 et T6. Les diodes D1 à D6 permettent l'utilisation de transistors à faible bruit de type BC550C et BC560C, les transistors T7 à T10 forment l'étage driver. Le potentiomètre P1 permet le réglage du courant de repos à 100 mA par transistor de sortie.
Constant current sources of +/- 1 mA are carried out around T5 and T6. The diodes D1 to D6 allow the use of low noise transistors type BC550C and BC560C, the transistors T7 to T10 form the stage driver. The potentiometer P1 allows the adjustment of the quiescient current to 100 mA per output transistor.
L'alimentation symétrique est confiée à un gros transformateur de 625 VA, 2 * 51 volts + pont redresseur et 6 condensateurs de 4700 µF, qui procure une tension de sortie de + et - 70 volts par rail.
The symmetrical power supply is entrusted to a large transformer of 625 VA, 2 * 51 volts + bridge rectifier and 6 reservoir capacitors of 4700 µF, which gives an output voltage of + and - 70 volts per rail.
La puissance de sortie est de 200 Wrms sous 8 Ohms ou de 350 Wrms sous 4 Ohms. La distorsion est inférieure à 0,02 %, le facteur d'amortissement est supérieur à 300, le rapport signal/bruit est de 112 db (pondéré A à pleine puissance), la sensibilité d'entrée est de 1,2 volts (200 W / 8 ohms).
The output power is 200 Wrms under 8 ohms or 350 Wrms under 4 ohms. Distortion is lower than 0,02 %, damping factor is better than 300, signal-noise ratio is 112 db (balanced A at full power), the input sensitivity is 1,2 volts (200 W under 8 ohms).

Le condensateur C3 ne figure pas sur le schéma et sur la platine (c'est correct).
The capacitor C3 is not reproduced on the diagram and on the PCB (it is correct).
Proposition de platine de l'étage de commande / proposal of the command stage PCB :


Les transistors T9 et T10 doivent être montés sur un radiateur commun d'une résistance thermique de 5° C/W ou encore sur le radiateur de l'étage de sortie.
Transistors T9 and T10 must be assembled on a common heatsink with 5° c/w thermal resistance or on the output stage heatsink.
Proposition de platine de l'étage de sortie / proposal of the output stage PCB :

Les points marqués A, B et C sont à relier entre les deux platines.
The points marked A, B and C have to be connected between the two PCB.
Les points de masse des platines et la masse HP doivent obligatoirement être reliés en étoile par rapport au 0 Volts de l'alimentation.
The ground (earth) points of PCB's and loudspeaker ground (earth) must compulsorily be connected in star with the 0 Volts of the PSU.
Les transistors de puissance doivent être montés sur un radiateur possédant une résistance thermique de moins de 1° C/W. Ils doivent aussi être isolés électriquement par rapport au radiateur à l'aide d'une pastille de mica + pate thermo-conductrice ou d'une pastille silicone.
The power transistors must be assembled on a heatsink with a thermal resistance less than 1 ° C/W. They must also be electrically insulated from the heatsink by using a mica insulator + heat-conducting compound or a silicone insulator.
Il est possible d'utiliser la platine de l'étage de sortie à MOSFET qui figure également sur le site, mais attention à la dissipation thermique des transistors de sortie (ce circuit est parfait pour une puissance de 100 Wrms sous 8 ohms ou 155 Wrms sous 4 Ohms). Il est parfaitement possible d'utiliser deux platines en parallèle dans le but de doubler le nombre de transistors de sortie, ne plus implanter les diodes de limitation, les fusibles et le circuit RC de sortie sur la deuxième platine dans ce cas.
It is possible to use the MOSFET output stage PCB which is also reproduced on the site, but take care with the thermal dissipation of the output transistors (this circuit is perfect for power of 100 Wrms under 8 ohms or 155 Wrms under 4 ohms). It is possible to use two PCBs in parallel to double the number of output transistors, do not place the limitation diodes, the fuses and the RC output circuit on the second PCB.
La bande passante est limitée de 5 Hz à 53 Khz (à - 3 db) par le module d'entrée (C1, R1, C2, R2). Celle-ci peut être modifiée en fonction de l'application souhaitée. Il est inutile d'augmenter la bande passante vers le bas (graves) car peu de signal utile est présent dans le bas du spectre. En sono la bande passante est souvent limitée entre 20 et 35 Hz. Les HP sont ainsi protégés contre des signaux trop importants aux fréquences extrêmes-graves et plus de puissance est alors disponible pour le restant du spectre.
Bandwidth is limited from 5 Hz to 53 Khz (at - 3 db) by the input module (C1, R1, C2, R2). It can be modified according to the application desired. It is useless to increase the bandwidth to the botton (bass) because little useful signal is present at the bottom of the spectrum. In public address sound systems the bandwidth is often limited between 20 and 35 Hz. The loudspeakers are thus protected against too high extreme-bass signals and some more power is available for the remainder of the spectrum.

Le manuel de montage (11 pages) et les platines de ce projet sont dès à présent disponibles.
Ceux qui souhaitent réaliser les platines peuvent obtenir les dessins des circuits imprimés (print, typon,) des deux platines. Ils sont disponibles en fichier image (.GIF) en résolution 600 DPI.
Les prix définitifs et les conditions de ventes sont fixés comme suit :
- le manuel (schéma complet + liste des composants avec
valeurs + détails du montage) : 15 EUR
- une platine de commande (+/- 10 cm * 7 cm) + trous percés : 8 EUR
- une platine de puissance (+/- 4,5 cm * 20 cm) + trous percés : 8 EUR
- le dessin du circuit imprimé de la platine de commande : 5 EUR
- le dessin du circuit imprimé de la platine de puissance : 5 EUR
- les frais d'emballage et d'envoi par la poste : 5 EUR
Exemple : un ensemble complet (ampli stéréo) revient à 52 EUR et comprend le manuel + 2 platines de commande + 2 platines de puissance + frais d'envoi.
Those who wish to carry out PCBs can obtain the drawings of the printed circuit boards (print layout,) of the two PCBs. They are available in image file (.GIF) in 600 DPI resolution.
The final prices and the sales conditions are fixed as follows :
- the handbook (complete diagram + compoments list with values + assembly details) : 15 EUR
- one command PCB (+/- 10 cm * 7 cm) + bored holes : 8 EUR
- one output PCB (+/- 4,5 cm * 20 cm) + bored holes : 8 EUR
- the command PCB drawing (image file) : 5 EUR
- the output PCB drawing (image file) : 5 EUR
- cost for packing and postage : 5 EUR
|