CARBURAŢIA.CARBURATORUL ELEMENTAR CARBURAŢIA
Amestecul carburant admis īn cilindrii motorului poate sa arda bine numai daca īndeplineste conditiile: este dozat īn proportii determinate, īn stare de vapori si este perfect omogen.
Dozajul amestecului carburant este proportia dintre cantitatile
de benzina 24124i83y 351;i de aer continute. Amestecul carburant teoretic
(perfect) pentru care arderea se face complet. este de
Randamentul
maxim al motorului se realizeaza la un amestec
carburant format din
Raportul dintre cantitatea de aer care ia parte efectiv la arderea si cantitatea de aer teoretica se numeste coeficient de exces de aer (l). Dupa acest coeficient, amestecul carburant poate fi: perfect, cānd l = 1: sarac, cānd l > 1 (daca l se numeste amestec saracit). si bogat, cānd l< 1 (pentru l 0,88 este un amestec īmbogatit).
Motorul functioneaza fara a depasi consumul specific de combusti
bil si fara ca puterea sa scada simtitor, cānd l
Vaporizarea benzinei este influentata de: depresiunea din cilindrii motorului, pulverizarea si temperatura amestecului carburant. Depresiunea din timpul admisiei se transmite prin colector la carburator si astfel aerul din atmosfera este aspirat cu o viteza mai mare sau mai mica, īn functie de turatia motorului.
Pulverizarea benzinei se realizeaza cu ajutorul unei duze, numita pulverizator, amplasat īn difuzor.
Cānd amestecul carburant nu este īncalzit vaporii de benzina se vor condensa pe collector, īnrautatind carburatia. Preīncalzirea amestecului poate fi facuta cu ajutorul gazelor arse īnainte, īn timpul sau dupa formarea lui, sau utilizānd apa calda din sistemul de racire.
Omogenizarea amestecului este asigurata numai prin vaporizare si emulsionare. Emulsionarea īncepe īn tuburile de emulsie si continua īn difuzor datorita curentului de aer care vine īn contact cu jetul de benzina, continua īn camera de amestec si īn camera de ardere a motorului.
CARBURATORUL ELEMENTAR
Dupa cum am mentionat anterior, amestecul carburant se prepara īn carburator. Pentru īntelegerea procesului de carburatie, se foloseste carburatorul elementar. Acesta functioneaza pe principiu pulverizarii benzinei ce se scurge pe teava unui pulverizator sub influenta depresiunii si care se amesteca cuaerul formānd amestecul carburant.
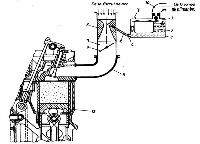
Partile componente ale carburatorului elemental (fig.2) pot fi grupate īn camera de nivel constant 1 si camera de amestec 7 cu difuzorul 6 si clape acceleratie 8

Fig. 2. Carburatorul elementar.
Camera de nivel constant 1 este ca un rezervor cu rolul de a mentine constant nivelul benzinei īn carburator, cu ajutorul plutitorului 2: acesta este de o forma pris-matica sau cilindrica, din tabla subtire de alama sau din material plastic, gol īn interior pentru a putea fi usor si a pluti deasupra benzinei, prevazut cu o supapa - acul de īn-chidere 3 - care limiteaza cantitatea de combustibil ce intra prin orificiul conductei 10 n camera de nivel constant.
La motor, carburatorul se monteaza, īn general, cu camera de nivel constant īn fata pentru evitarea saracirii amestecului carburant la urcarea automobilului īn rampa.
Dupa modul de comunicare cu atmosfera, camera de nivel constant poate fi di-recta (neechilibrata) si indirecta (echilibrata), legata printr-un tub cu racordul de intra-re a aerului īn carburator (orificiul 9).
Camera de amestec 7 foloseste la amestecarea benzinei prin pulverizarca ei de catre aer datorita depresiunii create de piston si este asezata īntre difuzorul 6 si clapeta de admisie 6.
Difuzorul 6 este o piesa de forma tronconica, montata īnaintea camerei de amestec (ajutaj divergent-convergent), care asigura depresiunea si deci mareste viteza aerului, pentru o pulverizare si vaporizare cāt mai buna a benzinei. Unele carburatoare au īn acest scop doua sau chiar trei difuzoare.
Jiclorul 4 - de forma unui dop
filetat are un orificiu calibrat prin care se scurge benzina din camera de
nivel constant īn cea de amestec. Unele jicloare calibreaza trecerea
aerului spre camera de amestec. Jiclorul este montat la capatul interior
al unui tub portjiclor (jiclor īnnecat) sau la capatul exterior al
pulverizatorului 5: extremitatea capatului pulverizatorului
depaseste camera de nivel constant cu 2-
Jiclorul, dupa functia lui, poate fi: principal, compensator, de mers īncet (ralanti), de repriza, sau de aer etc.
Clapeta de admisie (acceleratie) 8, de forma unui disc de tabla este montata la iesirea din camera de amestec si face sa varieze sectiunea de trecere spre cilindrii mo-torului 12, reglānd prin aceasta cantitatea de amestec carburant.
Carburatorul se monteaza pe flansa colectorului de admisie 11.
CLASIFICAREA CARBURATOARELOR
Dupa directia curentului de aer, īn raport cu camera de amestec, sunt: carburatoare verticale cu curent ascendent, carburatoare verticale cu curent descendent (inversate) si carburatoare orizontale .
Motoarele automobilelor moderne folosesc, īn general, carburatoare inversate datorita avantajelor ce le prezinta.
Dupa procedeul de compensare a amestecului carburant , pot fi: carburatoare cu dispozitiv de mers normal cu jiglor compertor (de tip Zenith)-carburatoare cu dispozitive mers normal cu frānare pneumatica (Solex. Weber etc.) - carburatoare cu dispozitiv de mers normal cu jiclor cu sectiune variabila si ac de dozare (Karter, Zenith-Stromberg. S.LJ. etc.).
Dupa numarul camerelor de amestec, sunt: cu o camera de amestec (simple, utilizate, īn general, pentru motoare pāna la sase cilindri, cu doua camere de amestec (duble). pentru motoare pāna la sase cilindri, īn V si cu patru camere de amestec (cvadruple) pentru motoare cu opt cilindri īn V de mare putere, sau pentru automobile de curse.
Carburatoarele de orice tip trebuie sa raspunda urmatoarelor cerinte impuse de functionarea motorului īn regim variabil: pornire usoara la orice temperature, mersul īncet (ralantiul) la fel de bine la cald sau la rece. accelerari (reprize), prompte, amestec de putere maxima la apasarea pedalei de acceleratie pāna la capatul cursei, amestec carburant economic pentru regimul de functionare normal, repartizarea uniforma si egala a amestecului carburant pentru toti cilindrii, sa nu aiba sensibilitate fata de profilul drumului si pentru automobile speciale sa asigure deplasarea pe teren variat.
|