Rezolvarea regimurilor de functionare pentru liniile electrice se poate realiza functie de structura si configuratia acesteia cel putin in doua moduri. Astfel:
Aceste moduri de rezolvare vor fi prezentate succint in continuare.
1. Parametrii caracteristici ai cablului de 110kV
Din datele de catalog, pentru calculul regimului permanent ale unui cablu, importante sunt marimile incluse in tabelul 1.
Tabel 1 – Date caracteristice ale cablului
|
l |
Ro |
Co |
Lo |
Rom |
|
km |
Ω/km |
nF/km |
mH/km |
Ω/km |
|
0,85 |
0,0991 |
140 |
0,45 |
0,191 |
Marimile din acest tabel au semnificatiile:
l este lungimea cablului;
Ro – rezistenta electrica specifica a conductoarelor cablului;
Co – capacitatea electrica specifica a cablului;
Lo – inductivitatea specifica a cablului.
In tabel a fost inclusa si rezistenta Rom pentru ecranul (mantaua) cablului care s-a calculat cu relatia:
Ω/km] (1)
Rom – rezistenta electrica specifica a ecranului cablului;
γm – conductibilitatea materialului conductor al ecranului (manta) cablului
rext – raza exterioara a ecranului cablului;
rint – raza interioara a ecranului cablului.
Utilizand marimile specifice (Co , Lo ) se calculeaza reactantele specifice ale cablului, astfel:
(2)
(3)
Cu marimile specifice (definite anterior) se calculeaza parametrii globali aferenti cablului, astfel:
(4)
(5)
(6)
(7)
Acesti parametrii se vor utiliza atat in modelul matematic cat si in aplicatia solicitata.
2. Calculul tensiunilor mantalei unui cablu electric utilizand ecuatiile de functionare ale liniilor lungi, in unitati relative
Din ecuatiile generale ale liniilor lungi, prin raportare la marimile de stare, definite mai jos:
Pno – puterea naturala pe faza;
U2 – tensiunea pe faza a consumatorului;
Ina – curentul absorbit de consumator daca ar fi inchis pe impedanta caracteristica.
se obtin:
(8)
in care:
(9)
(10)
In cazul cand x = l, adica atunci cand Φ = Φx=1 se poate din prima relatie (8), obtine expresia:
(11)
sau
(12)
solutiile ecuatiei (5) sunt:
,
(13)
Tensiunea la mijlocul unei linii lungi este
(14)
Rezolvarea repartitiei tensiunii in lungul liniei lungi, cu relatiile precedente, nu conduce la valori numerice semnificative, deoarece linia electrica data este scurta, sub 1000 (1km).
Din acest motiv recomandam rezolvarea regimului permanent prin echivalarea liniei cu schemele electrice echivalente in cuadripoli (Π sau T).
Schema echivalenta a acestui cablu, pentru un cablu scurt, poate fi cuadripolul in:
Apreciem ca la liniile scurte schema in T este cea care conduce la curenti maximi pentru solicitarea prizelor de pamant si la cele mai mari tensiuni ale izolatiei cablului, respectiv ale mantalei cablului. Se desprind pentru schema in T doua situatii pe care le vom prezenta mai jos:
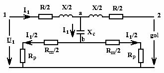
a. schema fara manson la mijlocul cablului (figura 1)

fig. 1
Pentru calculul regimului de functionare in gol a acestei situatii sunt valabile relatiile:
(15)
unde:
(16)
(17)
(18)
(19)
(20)
Pe baza relatiilor precedente se construieste au algoritm de rezolvare care conduce la valorile din figura 2.
Fig. 2
Regresia corespunzatoare evolutiei modulului tensiunii Ub de pe ecranul cablului functie de priza de pamant Rp din statiile electrice de transformare, cu buna aproximatie este liniara, a carei expresie analitica este:
[V] (21)
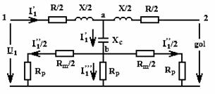
b. schema cu manson la mijlocul cablului (figura 3)

fig. 3
Similar si in acest caz calculul regimului de functionare in gol a acestei situatii conduce la relatiile:
(22)
in care:
(23)
(24)
(25)
(26)
(27)
Cu relatiile precedente se construieste un algoritm de rezolvare care conduce la valorile continute in figura 4.

Fig. 4.
Din figura 4 se observa ca tensiunea ecranului Ub depinde in mare masura de rezistentele prizelor de pamant Rp (din fiecare statie electrica de la capetele liniei), dar si de rezistenta prizei de pamant R’p din locul mansonului realizat la mijlocul cablului. Pentru acest caz s-au dedus doua regresii analitice de tip putere pentru doua situatii:
la
[V] (28)
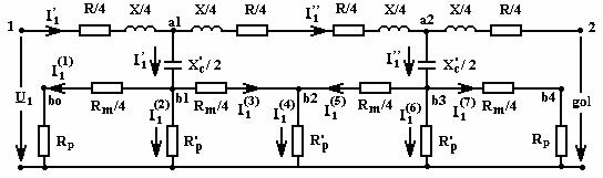
c. schema cu mansoane la sfert din lungimea liniei in cablu (figura 5)

Fig. 5
Similar si in acest caz calculul regimului de functionare in gol a acestei situatii conduce la relatiile:
(29)
in care:
(30)
(31)
unde U1 are semnificatia tensiunii de alimentare pe faza
(32)
(33)
unde prin Z si Z’ sunt:
(34)
iar X’c este
(35)
definita in relatia (6)
S-au mai facut notatiile :
prima transfigurare stea – triunghi
(36)
a doua transfigurare stea – triunghi
(37)
in care
(38)
rezistenta R’e si reactanta X’e sunt definite prin expresiile
(39)
iar rezistenta R’’e si reactanta X’’e sunt definite prin expresiile
(40)
Cu marimile definite anterior se pot determina si marimile tensiunilor bi de pe mantaua cablului, astfel:
(41)
(42)
(44)
(45)
Tensiunea Ub2 a punctului b2 este valoric intre tensiunile Ub1 si Ub3 motiv pentru care un merita sa o mai calculam, lucru dovedit prin relatia (46).
Cu relatiile precedente se construieste un algoritm de rezolvare care conduce la valorile continute in figurile 6 si 7.
|
|
|
|
Figura 6 |
Figura 7 |
Din
figurile 6 si 7 se observa ca tensiunea ecranului Ubi cu
depind in mare masura de rezistentele prizelor
de pamant Rp (din
fiecare statie electrica de la capetele liniei), dar si de
rezistenta prizei de pamant R’p
din locul mansonului realizat la mijlocul cablului. Pentru acest caz s-a
dedus regresia analitica de tip putere pentru situatiile
mentionate, rezultand expresia:
Cu rezultatele din acest demers se vor trage cateva concluzii.
4. Concluzii
Analizand rezultatele numerice ale calculelor redate in paragraful precedent mentionam concluziile pentru realizarea acestei linii electrice in cablu. Astfel:
I. Realizarea liniei electrice fara manson derivatie la mijocul liniei poate conduce la aparitia unei tensiuni de atingere periculoase la valori mari ale rezistentei prizei de pamant Rp din statiile electrice de la capetele liniei respective (figura 2);
II. Proiectarea si realizarea liniei electrice respective cu manson derivatie la mijlocul sau este fara discutie obligatorie, deoarece conduce la micsorarea substantiala a tensiunilor care pot aparea pe manta sub 10V (figura 4);
III. Proiectarea si realizarea liniei electrice respective cu manson derivatie la sfert din lungimea linie nu este profitabila fiind o solutie care nu conduce la micsorarea accentuata a tensiunilor pe mantaua cablului; se obtin valori de 5V fata de 9V (figurile 6 si 7). Aceasta solutie este nerentabila.
IV. La exploatarea acestei linii trebuie sa se dea atentie mare realizarii prizelor de pamant Rp si R’p la valorile mentionate in normativele in vigoare;
V. Pentru exploatarea liniei este necesar sa se dea atentie mare mentinerii prizelor de pamant Rp si R’p impuse de normativele in vigoare;
Bibliografie
1. Bercovici, M., Arie, A., sa. – Retele electrice. Calculul electric. Editura Tehnica, Bucuresti, 1974.
2. Antoniu, I.S. - Bazele Electrotehnicii. 2 vol., Editura Didactica si Pedagogica, Bucuresti, 1974.
3. Iacobescu, Gh., Iordanescu, I., Tudose, M. – Retele si sisteme electrice. Editura Didactica si Pedagogica, Bucuresti, 1979.
4. Cristescu D., Pantelimon, L., Darie, S. - Centrale si retele electrice. Editura Didactica si Pedagogica, Bucuresti, 1982.
5. Arie, A., Crisan, O., sa. – Transportul si distributia energiei electrice. Editura Didactica si Pedagogica, Bucuresti, 1984.
6. Iordanescu, I., Iacobescu, Gh., s.a. – Retele electrice pentru alimentarea intreprinderilor industriale.Probleme pentru ingineri. Editura Tehnica, Bucuresti, 1985.
7. Eremia M., Crisciu, H., Bulac, C., Ungureanu, B. – Analiza asistata de calculator a regimurilor sistemelor electroenergetice. Editura Tehnica, Bucuresti, 1985.
8. Ionita Georgeta, Mazilu, Gh. – Linii electrice subterane 1-220kV. Indrumar de calcul si proiectare. Editura Tehnica, Bucuresti, 1990.
9. Ionescu, T.G., Pop, O. - Ingineria sistemelor de distributie a energiei electrice. Editura Tehnica, Bucuresti, 1998.
10. Surianu, D.F. – Retele electrice industriale. Editura Orizonturi Universitare, Timisoara, 1999.
11. Eremia, M., Trecat, J., Germond, A. – Reseaux electriques. Aspects actuels. Editura Tehnica, Bucuresti, 2000.
12. Pana, A. – Bazele electroenergeticii. Regimurile de functionare ale instalatiilor electroenergetice. Masini si actionari electrice (note de curs pentru auditorii energetici). Editura Orizonturi Universitare, Timisoara, 2004.
13. Buta, A. – Bazele electroenergeticii. Electromagnetism si circuite electrice (note de curs pentru auditorii energetici). Editura Orizonturi Universitare, Timisoara, 2004.
|