INSTALATIA DE RACIRE
8.1. DESTINATIA SI PARTILE COMPONENTE
Instalatia de racire este destinata sa asigure un regim termic corespunzator unei bune functionari a motorului, cu randament ridicat.
Temperatura din interiorul ci 121c27b lindrilor este 1 8002000°C, ceea ce inrautateste ungerea, modifica proprietatile mecanice ale pieselor, reducand jocurile normale dintre piesele conjugate, si poate duce la urmari grave - griparea sau chiar deteriorarea lor. Prin sistemul de racire se elimina in mediul ambiant 20-30% din caldura pieselor motorului, asigurand o temperatura optima de 8590°C.
Dupa natura fluidului, instalatiile de racire pot fi: cu aer si cu lichid. Instalatia cu lichid poate fi cu circulatie naturala (prin termosifon), care nu se mai utilizeaza la automobile, si cu circulatie fortata (la presiune atmosferica sau presurizata la 0,5 1,1 bar peste presiunea mediului ambiant).
Instalatia presurizata este instalatia in care lichidul circula sub presiune intr-un circuit inchis si nu vine in contact cu atmosfera decat prin supapa vasului de expansiune.
Instalatia de racire cu aer se foloseste la motoarele de motocicleta, la care aerul rece patrunde printre aripioarele cilindrului si chiulasei (expuse deschis in atmosfera), datorita vitezei de deplasare. La motoarele de automobile, se foloseste sistemul de racire cu aer, prin intermediul unui ventilator (turbina) care introduce aerul sub presiune printre aripioareie cilindrilor si chiulaselor, cu care sunt prevazute.
Ventilatorul are rolul de a trimite un curent puternic de aer peste cilindri si chiulasa. Debitul acestuia este de 4-5 ori mai mare decat al ventilatorului de la sistemul de racire cu lichid. Unele motoare au ventilatoare cu palete cu pas variabil reglat automat prin termostat, in functie de temperatura motorului.
Cilindrii si chiulasa motorului racit cu aer sunt prevazuti prin constructie cu aripioare turnate corp comun sau atasate, care au rol de a mari suprafata de racire.
Avantajele sistemului de racire cu aer sunt: incalzirea mai rapida a motorului la pornire, constructia mai simpla a chiulasei si a blocului motor (fara camasa de apa), evitarea neajunsului creat de depunerea de piatra, intretinerea mai simpla, nu prezinta pericol de inghet; uzuri mai mici ale cilindrilor, ca urmare a unei incalziri mai rapide dupa pornire, cost mai redus.
Dezavantajele: imposibilitatea unui control precis al racirii; racirea insuficienta a zonelor calde ca urmare a conductibilitatii termice inferioare a aerului in comparatie cu apa; zgomot puternic al ventilatorului; la putere egala, motorul policilindric racit cu aer este mai lung din cauza aripioarelor de la cilindri si prin urmare este mai greu.
Datorita celor mentionate racirea cu aer
se aplica mai frecvent la MAC grele, dat fiind ca acestea lucreaza mai bine
la temperaturi mai mari ale cilindrilor si
In figura 8.1 se reprezinta circuitul aerului la motorul OLTCIT Special. Aerul este trimis cu presiune la ventilatorul 1, in mantaua 2, care-l conduce spre cilindrii 3 si chiulasele 4 - printre aripioarele lor, asigurand o racire uniforma. Ventilatorul este antrenat de o curea trapezoidala care transmite miscarea si la generatorul de curent.
Instalatia de racire cu lichid. Datarita faptului ca racirea prin termosifon nu asigura o buna racire si necesita un volum prea mare de apa, se foloseste racirea fortata (cu pompa), cu circuit inchis sau deschis (presurizat).
Instalatia presurizata permite folosirea unui radiator mai mic, iar evaporarea lichidului este inlaturata prin folosirea vasului de expansiune.
De altfel, circulatia fortata, in
general, asigura imbunatatirea conditiilor de functionare a motorului, datorita
diferentei mici de temperatura (10-15°C) dintre apa ce intra si cea care iese
din camasile de racire ale motorului (
Lichidul de racire poate fi apa sau lichidul antigel (un amestec proportionat de apa distilata si lichid antigel comercial care contine alcool si glicerina) ce asigura functionarea pe timp rece la -40°C.
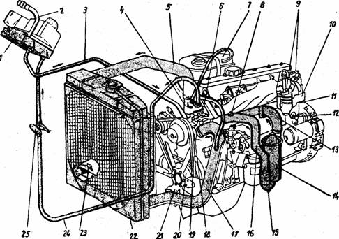
Instalatia de racire a motorului
autoturismului Dacia 1310 (fig. 8.2) este o instalatie cu lichid de racire cu
circulatie fortata si presurizata ceea ce permite ridicarea temperaturii de
fierbere la circa
In instalatia de racire circuitul
lichidului este urmatorul: lichidul din jurul camasilor de racire din blocul
motor 1 de ridica in camasile de racire din chiulasa 2, evacuand caldura, apoi,
prin termostatul 3, este dirijat fie spre motor de catre pompa de apa,
cand temperatura este sub
Preluarea variatiei volumului lichidului datorate diferentelor de temperatura se face de catre vasul de expansiune 10, prin racordul 9; busonul cu supapa dubla 11 asigura comunicarea cu atmosfera.
Verificarea functionarii normale a instalatiei de racire se face prin bec de control la bord (rosu), care se stinge la temperatura optima, fie prin termometru, sesizata de traductorul 12, montat la chiulasa motorului.
Instalatia de racire a motorului Saviem 797-05 (fig. 8.3) este o instalatie de racire cu lichid de circulatie fortata, presurizata, avand urmatoarele circuite de racire:
- circuitul principal pentru racirea uleiului, blocului motor si chiulasei;
- circuitul de completare-compensare a lichidului de racire din circuitul principal;
-
circuitul secundar de racire a apei prin incalzirea cabinei.
Circuitul principal
Circulatia fortata a apei este realizata de catre pompa de apa 18.
Antrenata de arborele cotit al motorului, prin cureaua trapezoidala 19, pompa
de apa aspira apa racita din bazinul inferior al radiatorului 22, prin conducta
17, o refuleaza prin conducta
La
pornirea motorului rece, radiatorul 22 poate fi scurtcircuitat cu
ajutorul termostatului montat in cotul 4, pana cand apa din motor ajunge
la temperatura de
Circuitul de drenaj si compensare este asezat deasupra motorului si cuprinde: rezervorul de completare-condensare 7 cu doua conducte, una de legatura cu bazinul inferior si alta de legatura cu pompa de apa; indeplineste urmatoarele functii:
- colecteaza aburul din circuitul de apa, deoarece bulele de abur pot provoca supraincalziri locale ale blocului carter si chiulaselor, supraincalziri care in final, pot provoca fisurarea acestor piese;
- compenseaza lipsa de lichid in cazul inclinarii motorului;
- fiind asezat deasupra radiatorului, nu permite ca presiunea apei, in coloana de aspiratie, sa scada sub valoarea limita la care se pot produce vapori.
Circuitul secundar se realizeaza astfel: apa fierbinte este
impinsa din conducta
Scoaterea din circuit a intregii instalatii de incalzire a cabinei se face cu ajutorul intrerupatorului 6, iar reglarea incalzirii cabinei se face prin manevrarea ventilului de incalzire 25.

Fig. 8.3. Instalatia de racire a motorului SAVIEM 797-05:
1 - radiatorul pentru incalzirea cabinei; 2 - conducta pentru purjarea aerului din radiatorul cabinei; 3 - conducta pentru apa racita dintre radiatorul pentru incalzirea cabinei si pompa de apa; 4 - conducta pentru iesirea apei calde din chiulasa, cu termostat; 5 - conducta pentru apa calda dintre chiulasa si radiatorul instalatiei; 6 - intrerupatorul instalatiei de incalzire a cabinei; 7 - rezervor de completare-compensare; 8 - surub de aerisire; 9 - spatiu de circulatie a apei intre peretii chiulasei; 10 - spatiu de distributie a apei la camasile de cilindru (rampa de apa); 11 - spatiu de circulatie a apei intre camasile de cilindru; 12 - robinet de golire a apei din bloc; 13 - conducta de apa intre radiatorul de ulei si bloc; 14 - radiatorul de ulei; 15 - robinet de golire a apei din radiator; 16 - conducta de apa intre pompa de apa si radiatorul de ulei; 17 -conducta de apa intre bazinul inferior si pompa de apa; 18 - pompa de apa; 19 - cureaua de antrenare a pompei de apa; 20 - fulia ventilatorului; 21 - ventilator; 22 - radiator; 23 - robinet pentru golirea apei; 24 - conducta pentru apa calda intre cotul termostatului si radiatorul de incalzire a cabinei; 25 - ventil de reglaj si inchiderea incalzirii cabinei.
8.2. CONSTRUCTIA PARTILOR COMPONENTE ALE INSTALATIEI DE RACIRE
In
timpul functionarii motorului, ventilatorul aspira aer rece din atmosfera si-l
trece cu presiune printre celulele radiatorului, racind
lichidul.
La motoarele D 797-05 si D 2156 HMN 8, ventilatorul este montat separat de pompa, si anume pe fulia arborelui cotit.
Unele motoare moderne (Dacia 1310, Skoda 105 S, 120 LS, Lada 1500) au asigurata functionarea ventilatorului cu intermitenta, in functie de temperatura lichidului. Comanda cuplarii si decuplarii ventilatorului se face automat prin cuplaj electromagnetic sau pneumatic, de catre o supapa termostatica.
Radiatorul disperseaza apa supraincalzita venita de la motor, in fasii subtiri, pentru a putea fi racite de catre aerul trimis de ventilator.
Este
format din doua bazine - unul superior, de legatura cu chiulasa pentru
aductiunea apei, si altul inferior, de colectare a apei racite si care este
aspirata de catre pompa printr-un racord. Intre bazine este lipit miezul
(corpul de racire) de tip cu tevi sau fagure, prin care apa calda este
dispersata in fasii. Bazinul superior este prevazut cu buson de supapa de
comunicare cu atmosfera, montat la gura de alimentare, si un racord de
comunicare cu vasul de expansiune. Se confectioneaza din tabla de alama sau
otel de 0.4-
Fixarea radiatorului in fata motorului se face pe cadru, prin intermediul unor suporturi cu tampoane de cauciuc.
Radiatoarele au orificiul de umplere prevazut cu un buson (fig. 8.5), care, printr-o inchidere etansa, separa interiorul instalatiei de racire de atmosfera. Busonul este prevazut cu o supapa de suprapresiune 1 (o membrana elastica), sub care se gaseste, montata prin intermediul unei rondele si al unui nit 2, supapa de depresiune 3 (o garnitura de cauciuc). Supapa este fixata pe scaunul 5, prin intermediul arcului 4.

fig. 8.6. termostatul motorului D 2156 HMN 8.
La unele motoare, radiatorul este prevazut cu insa pentru accelerarea incalzirii instalatiei pe timp rece.
Termostatul regleaza automat regimul termic al motorului prin dirijarea lichidului spre radiator sau spre pompa, in functie de temperatura.
La termostatul instalatiei de racire a motorului D 2156 HMN
8 (fig. 8.6) cand apa motorului este sub 71°C, supapa mare 2, din corpul
1 este inchisa de arcul 3 de catre lichidul sau pasta usor volatila a
burdufului (capsulei) 8, iar supapa
mica 4 este deschisa, astfel ca apa calda colectata de teava
instalatiei intra prin racordul 5 si este dirijata spre pompa prin racordul 7.
Daca apa depaseste temperatura de
8.3. INTRETINEREA, DEFECTELE IN EXPLOATARE SI REPARAREA INSTALATIEI DE RACIRE
8.3.1 INTRETINEREA INSTALATIEI DE RACIRE
Intretinerea acestei instalatii cuprinde operatii de control, verificare, ungere, reglare si curatire, dupa cum urmeaza:
- verificarea etanseitatii organelor componente ale instalatiei;
- controlul niveluiui lichidului din radiator (vasul de expansiune) zilnic, care se completeaza cu apa curata sau lichid antigel, in timp ce motorul functioneaza;
- ungerea rulmentilor pompei de apa (daca nu sunt capsulati), cu unsoare consistenta, la 10000 km;
- verificarea intinderii curelei de
ventilator, la 10 000-15 000 km, care nu trebuie sa faca o sageata mai mare
de 15-
Dupa reglare, se strang din nou piulitele; o intindere insuficienta a curelei duce la racirea insuficienta, iar o curea prea intinsa duce la uzarea rulmentilor pompei de apa si a generatorului de curent.
- spalarea cu jet de apa a radiatorului pentru indepartarea impuritatilor, la 10 000 km;
-
spalarea racitorului de ulei cu jet de apa la
- controlul punctului de congelare a lichidului de racire cu ajutorul termodensimetrului, anual;
-inlocuirea lichidului antigel, o data la doi ani, folosind palnia speciala si sistemul de aerisire a instalatiei;
- inlocuirea termostatului, la 60 000 km;
- curatirea depunerilor de piatra din instalatie, care reduce capacitatea de racire; piatra se depune sub forma de crusta calcaroasa pe peretii organelor, provenita din saruri, in urma evaporarii apei, mai ales cand se fac completari ale nivelului cu apa dura. Operatia se executa anual.
Dizolvarea pietrei depuse se face pe cale chimica cu solutii acide pentru blocurile de aluminiu, sau bazice pentru cele din fonta.
Se utilizeaza cel mai adesea solutia bazica formata din: 10% carbonat de sodiu (soda de rufe), 5% petrol lampant si restul apa.
Solutia acida cea mai folosita este compusa din 10% acid clorhidric si restul apa.
In functie de blocul motor, se umple instalatia cu una din aceste solutii, punandu-se motorul in functiune circa 10 min,se opreste si se lasa astfel 8-10h; se pune din nou motorul in functiune circa 5 min, si apoi se goleste instalatia; urmeaza o spalare cu apa curata, cu motorul in functiune 3-5 min, dupa care se goleste si se umple cu apa curata, pentru functionarea normala a motorului.
Pentru evitarea depunerilor de piatra a carei curatire necesita o operatie complicata, se recomanda utilizarea si completarea nivelului de apa evaporata, cu apa care are duritatea scazuta sau utilizand metode de reducere cu permutit (nisip fin care contine sodiu); acesta intra in reactie cu sarurile de calciu si magneziu pe care Ie dizolva.
8.3.2. DEFECTELE IN EXPLOATARE ALE INSTALATIEI DE RACIRE
In general, defectiunile instalatiei duc la supraincalzirea sau la incalzirea insuficienta a motorului.
Supraincalzirea are drept cauze: pierderi de apa, slabirea sau ruperea curelei de ventilator, termostatul defect sau blocat, functionarea necorespunzatoare a pompei de apa si a ventilatorului, infundarea sau spargerea radiatorului, depunerile de piatra.
Pierderile de apa in exterior pot avea loc pe la racorduri, radiator, pompa de apa, busoane, care se observa prin scurgeri in timpul cat motorul nu este in functiune; pierderile interioare au loc datorita spargerii garniturilor de chiulasa sau inelelor de cauciuc de la cilindri, deformarii suprafetelor de etansare dintre bloc si chiulasa, strangerii insuficiente a suruburilor de chiulasa. Se constata prin formarea de bule de aer in bazinul superior al radiatorului la turatie ridicata sau a picaturilor de apa galbui de pe tija de ulei.
Remedierea consta in strangerea colierelor, inlocuirea racordurilor defecte, inlocuirea garniturii de chiulasa sau inelelor cilindrilor, strangerea suruburilor de chiulasa in ordinea indicata (de la mijioc spre exterior), rectificarea suprafetelor de imbinare a chiulasei sau blocului motor.
- Cureaua insuficient stransa se remediaza prin slabirea piulitelor generatorului si modificarea pozitiei, pana la intinderea corecta; apoi se strang piulitele; daca este rupta , cureaua se inlocuieste.
- TermostatuI defect sau blocat se datoreste deteriorarii burdufului sau capsulei, scurgerii lichidului sau pastei din interior, ceea ce poate bloca supapa in pozitia inchisa.
Constatarea se face prin controlul radiatorului care, daca este rece in timp ce carcasa termostatului si motorul sunt incinse, la accelerarea motorului nu se observa nici o unduire in radiator.
Remedierea se realizeaza prin inlocuirea termostatului.
- Functionarea necorespunzatoare a pompei de apa se datoreste ruperii penei de fixare a rotorului (turbinei) sau depresarii ei de pe arbore, iar uneori din cauza inghetarii apei, ruperii paletelor rotorului. Defectiunea se depisteaza prin observarea unei unduiri slabe in bazinul superior al radiatorului, la accelerarea motorului.
Remedierea se executa prin inlocuirea penei rupte sau asigurarea unei presari corespunzatoare; in cazul ruperii paletelor turbinei, se inlocuieste complet rotorul pompei in ateliere.
La ventilator se pot deforma sau rupe paletele.
Daca paletele ventilatorului sunt deformate, se indreapta, iar cand sunt rupte se inlocuieste ventilatorul. Dupa reparare, se face obligatoriu echilibrarea ventilatorului pentru evitarea uzarii premature a rulmentilor.
In unele cazuri, ruperea paletelor ventilatorului poate duce la spargerea radiatorului, ceea ce impune o reparare mai ampla in atelier.
Infundarea radiatorului se datoreste impuritatilor sau ruginii.
Se remediaza prin desfundarea chimica sau mecanica cu ajutorul unor tije, prin deplasarea longitudinala in interiorul tevilor; apoi se sufla cu aer comprimat. Desfundarea se poate face si cu jet de apa sub presiune.
Radiatorul cu sparturi mici se remediaza prin izolarea tevilor din portiunea respectiva sau lipirea moale sau cu solutii speciale; uneori izolarea se face chiar prin lipiri provizorii cu sapun. Daca spartura este mare, radiatorul trebuie inlocuit.
Depunerile de piatra se curata cu solutii chimice acide sau bazice, dupa cum s-a aratat la intretinerea instalatiei.
Incalzirea insuficienta a motorului este cauzata de blocarea supapei termostatului in pozitie deschisa, cand apa trece spre radiator, nepermitand incalzirea rapida a motorului.
Remedierea consta in inlocuirea termostatului.
Defectarea indicatorului de temperatura (bec rosu de control sau termometru) presupune controlarea traductorului sau indicatorului de la bord; aparatul defect se inlocuieste. La fel si pentru instalatia de semnalizarea avariilor (motor D 797-05 si D 2156 HMN 8).
8.3.3. REPARAREA INSTALATIEI DE RACIRE
Cele mai importante defectiuni au loc la pompa de apa, ventilator, radiator si termostat, dupa cum urmaza:
Pompa de apa se demonteaza de pe motor, desfacand colierele si racordurile, apoi radiatorul si cureaua ventilatorului se dezasambleaza, se constata defectele si se repara indeosebi corpul si arborele;
- fisurile sau rupturile se repara prin sudura si ajustare sau prin lipire cu rasini epoxidice. Dupa reparare, se face proba hidraulica la 3-4 bar;
- suprafata deformata se reconditioneaza prin rectificare plana, admitandu-se o abatere de 0.05 mm;
- filetele uzate, inclusiv cel pentru gresor, se refac prin incarcarea cu sudura, gaurire si refiletare la cota nominala, sau se refileteaza la cota majorata;
- rulmentii uzati se inlocuiesc;
- arborele incovoiat se indreapta la rece cu ajutorul presei; abaterea maxima este de 0.05 mm;
- arborele uzat se rectifica, se cromeaza si se rectifica rotund la cota nominala;
- canalul de pana largit se incarca cu sudura si se frezeaza un altul decalat la 180°, sau se rectifica si se inlocuieste pana;
- fisurile sau rupturile paletelor rotorului se incarca prin sudura si se rectifica; daca sunt rupte mai mult de doua palete sau ruptura este prea grava, se inlocuieste intreg rotorul;
-
locasul pentru axul pompei de apa uzat se reconditioneaza prin bucsare dupa
alezare, dupa care se face rectificarea la cota nominala; dupa reparare, se
controleaza abaterea rotorului in locasul din corpul pompei, jocul axial al
rotorului (admis
Ventilatorul poate prezenta ca defectiuni:
- deformarea paletelor: se repara prin indreptare libera sau folosind un dispozitiv special;
- fisurarea sau ruperea paletelor: se impune inlocuirea lor;
- slabirea paletelor in locurile de imbinare: se sudeaza sau se nituiesc;
- deformarea orificiilor suruburilor de fixare pe fulie: se incarca cu sudura si se gauresc la cota nominala.
Radiatorul se curata mai intai cu jet de apa si aer comprimat, apoi se fierbe in solutie cu soda caustica 10% pentru indepartarea pietrei si impuritatilor depuse, dupa care se supune controlului in baia de apa, introducand in interior aer comprimat sub presiunea de 1.5 bar; se constata defectiuni ca dezlipirea bazinelor de miez, spargerea corpului (miezului) sau tevilor; remedierea se face prin lipirea cu aliaje moi.
Daca numarul tevilor sparte este sub 5% atunci se izoleaza.
Dupa lipire, radiatorul se supune din nou probei de etansare.
Termostatul se controleaza functional intr-o
baie de apa incalzita progresiv, urmarind in acelasi timp cu un termometru ca
inceperea deschiderii supapei sa se faca la 70°C, iar la 8590°C sa fie complet
deschisa. Sub
Racitorul de ulei poate avea tevile sparte sau supapa defecta (D2156 HMN8).
Tevile sparte se lipesc, iar supapa se regleaza; cand nu este etansa pe scaun, se rodeaza cu pasta. Apoi, se face proba de etansare a racitorului ca si la radiator.
In atelierul de reparat radiatoare, pardoseala va fi din ciment peste care se aseaza gratare de lemn. De asemenea, vor exista instalatii de probe cu apa, cu scurgerea la canalizare.
|