MINISTERUL EDUCAŢIEI sI CERCETĂRII
GRUPUL sCOLAR "GEORGE BARIŢIU"
BAIA MARE
LUCRARE DE SPECIALITATE
APARATE
TELEFONICE
Coordonator: Executant:
Anul
APARATE
TELEFONICE
Argument
Una dintre cele mai mari inventii ale omenirii, aparatul telefonic, este cu siguranta un element care a jucat un rol important în istoria dezvoltari lumii moderne fiind astazi o parte integrata profund în vietile fiecaruia dintre noi. El reprezinta în opinia mea, apogeul unei lupte umane pentru a continua, îmbunatatire si perfectionare, pentru dezvoltare necontenita a proceselor tehnice si stiintifice, o combinatie perfecta între stiinta si activitatea cea mai de baza a omenirii, comunicarea, precum si un nou mod si stil de viata pentru majoritatea oamenilor, devenit extrem de popular. Aparatul telefonic a fost capabil sa readuca distantele, a permis oamenilor sa vorbeasca "peste mari si tari", a dus la o explozie de inventii si aplicatii, a redus granitele timpului si spatiului atât de greu de depasit pâna atunci si cu costuri implicit, mai reduse.
Desi probabil veti gasi ca fiind subiectiva aprecierea mea, eu consider ca acest aparat este cu siguranta una dintre cele mai utile inventii omenesti, cu ajutorul caruia avem posibilitatea de a comunica eficient, de a ne exprima fara limite temporale si spatiale, de a întretine reteaua noastra de contacte sociale, telefonul oferindu-ne posibilitatea de a socializa fiind unul dintre cele mai importante procese pentru om,acesta putând sa existe, sa se adapteze si sa functioneze în societatea umana.
Telefonul ne-a ajutat deci, sa ne desavârsim ca fiinte superioare, capabile de inovatie si progres.
CUPRINS
Capitolul I
I. Istoricul dezvoltarii comunicatiilor telefonice...... 5
Capitolul II
II. Aparate telefonice.................... 8 1. Functiile aparatelor telefonice
A. Circuitul de transmisie /receptie a semnalelor de convorbire.......... 9
B. Dispozitive pentru transmiterea numarului apelat spre centrala telefonica.... 12
C. Soneria de curent alternativ...................... 16
Capitolul III
III. Scheme de aparate telefonice ............ 17
1. Aparat telefonic BL ...................... 17
2. Aparat telefonic BC cu disc de apel ....... 353b19d .......... 18
3. Aparate telefonice electronice ................. 19
Capitolul IV
IV. Tipuri de aparate telefonice electronice ....... 20
1. Aparat telefonic "Speaker-Phone" ............... 21
2. Aparatul telefonic mobil .................... 22
3. Faxul ............................ 23
I. Istoricul dezvoltarii comunicatiilor telefonice
Dezvoltarea comunicatiilor la mare distanta a luat o amploare deosebita în ultimele doua decenii. În ultimii ani,comunicatiile la mare distanta au servit cercetarilor stiintifice în domeniul atmosferei superioare si ale spatiului cosmic,cu ajutorul satelitilor artificiali si al rachetelor cosmice.Tehnica telecomunicatiilor a putut avea si o dezvoltare extraordinara,datorita indeosebi cercetarilor stiintifice.In prezent,ea aduce stiintei o justa recompensa.
În istoria dezvoltarii comunicatiilor telefonice,se observa o serie de salturi care delimiteaza diferite etape.Schimbarile calitative care caracterizeaza diferitele etape sau perioade,se datoresc îndeosebi,progreselor în urmatoarele directii:
II. Aparate telefonice
1. Functiile aparatelor telefonice
Aparatele telefonice sunt terminale ale retelei care realizeaza urmatoarele functii:
A. Circuitul de transmisie /receptie a semnalelor de convorbire
Cicuitul de transmisie/receptie a semnalelor de convorbire realizeaza urmatoarele functii:
B. Dispozitive pentru transmiterea numarului apelat spre centrala telefonica
Aparatul telefonic poate transmite informatia de numerotare (numarul apelat) spre centrala telefonica în urmatoarele moduri:
a) serii de impulsuri lipsa de curent egale în numar cu cifra care trebuie transmisa ;
b) semnalizare multifrecventa (DTMF=Dual Tone MultiFrequency),care se realizeaza prin transmiterea simultana în linie a doua semnale de frecvente standardizate pentru fiecare cifra de transmis.
Discul de apel asigura transmiterea spre centrala a cifrelor sub forma de impulsuri lipsa de curent continuu.El dispune în acest scop de doua contacte ;CI=contact de impulsuri,care realizeaza întreruperea buclei pe durata transmiterii cifrei si CS=contact de suntare a dispozitivului de convorbire pe durata transmiterii cifrei,pentru a evita distorsionarea impulsurilor datorita impedantei complexe a dispozitivului de convorbire si,de asemenea,pentru a elimina zgomotele în receptor care pot fi provocate de întreruperea buclei de curent continuu.

Figura 3. Principiul de functionare a discului de apel
Caracteristicile de transmitere a impulsurilor de la disc sunt urmatoarele:
C. Soneria de curent alternativ
Soneria permite receptia semnalului de apel transmis de centrala telefonica spre abonatul apelat,semnal cu frecventa în domeniul 25-60Hz,tensiune eficace de 75V.
Aparatele telefonice clasice utilizeaza sonerii electromagnetice,care contin un circuit magnetic,format din magnet permanent si piese polare de bobina.La receptia semnalului de apel,circuitul magnetic comanda deplasarea unei tije de ciocanele,care lovesc succesiv doi clopotei la fiecare inversare a polaritatii semnalului de apel.
Aparatele telefonice electronice folosesc sonerii electronice multitonale.Prin analiza semnalului acustic de sonerie,s-a stabilit ca acesta este un semnal complex,cu componente de frecvente cuprinse intr-o banda larga(400-4000Hz),cu un continut energetic mai important la frecvente joase.Experimentele realizate cu aparate care permiteau reglajul frecventelor semnalelor generate de soneria electronica,au stabilit preferintele abonatilor pentru semnale cu frecvente sub 800Hz,modulate cu un semnal de joasa frecventa(3-6Hz);se prefera de asemenea semnale cu continut bogat de armonici.Semnalele electronice realizate pot fi bitonale sau multitonale programabile(muzicale).
Alimentarea acestor circuite se realizeaza prin linia telefonica,folosindu-se în acest scop,semnalul de apel care este redresat si filtrat în perealabil.Amorsarea oscilatiilor circuitului de sonerie realizeaza numai depasirea unui prag de tensiune,ceea ce asigura evitarea actionarii soneriei la salturile de tensiune determinate de închiderea sau deschiderea buclei de curent continuu la transmiterea cifrelor sub forma de impulsuri lipsa de curent.Semnalele generate de circuitul de sonerie sunt transmise unui receptor telefonic.
III. Scheme de aparate telefonice
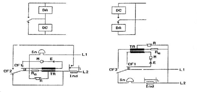
1. Aparat telefonic BL
Figura 6. Aparate telefonice BL
Aparatul telefonic BL (cu alimentare la bateria locala),se conecteaza la centrale manuale de tip BL si dispune de o baterie locala necesara alimentarii în curent continuu a microfonului cu carbune.
Dispozitvul de apel DA si dispozitivul de convorbire DC pot fi conectate la linia telefonica prin intermediul dispozitivului de comutatie (contactele furcii de apel CF).
Transmiterea apelului sau a sfârsitului de convorbire spre centrala se realizeaza cu ajutorului inductorului IND,care genereaza un semnal alternativ de aproximativ 17Hz,75V.Acest semnal de apel poate parcurge si circuitul soneriei aparatului telefonic,astfel ca abonatul poate avea controlul asupra transmiterii apelului la centrala.Inductorul are doua contacte prin care se comanda suntarea bobinei inductorului în repaos (prin contactul de repaos) si conectarea directa (obtionala) a inductorului în linie(prin contactul de lucru).
Apelul este receptionat de soneria polarizata Sn,care este conectata la circuitul liniei prin contactul de repaos al furcii CF1.Circuitul de închidere prin contactul de suntare al inductorului IND.
Cu microreceptorul ridicat,contactele furcii comuta si comanda închiderea circuitului de alimentare al microfonului si conectarea dispozitivului de convorbire la linia telefonica în vederea transmiterii si receptia semnalelor de convorbire.Dispozitivul de convorbire este alcatuit din microfon,receptor,transformator diferential si rezistenta de echilibrare în cofiguratii care asigura eliminarea efectului local.
2. Aparat telefonic BC cu disc de apel

Figura 7. Aparat telefonic BC cu disc de apel
Aparatul telefonic BC (baterie centrala),este alimentat prin linie de la centrala telefonica.Apelul de la centrala este receptionat de sonerie,conectata în linie prin contactul de furca CF1.Condensatorul C conectat în serie cu soneria,are rolul de a asigura întreruperea buclei de curent continuu spre centrala în starea de repaos a aparatului telefonic.
Cu microreceptorul ridicat,contactele furcii comuta si astfel se realizeaza:
3. Aparate telefonice electronice

Figura 8. Aparate telefonice electronice
Aparatele telefonice electronice au realizat înlocuirea principalelor componente electromecanice cu circuite integrate specializate.
Discul a fost înlocuit cu o claviatura si un circuit integrat de numerotare,care poate fi de tip DP(dial pulse-de impulsuri de curent continuu) sau DTMF.
Circuitul de convorbire cu transformator diferential si microfon cu carbune,a fost înlocuit cu sistemul diferential de tip RC si utilizeaza circuit integrat specializat de transmisie care permite adaptarea la diferite tipuri de microfoane.
Soneria electromagnetica a fost înlocuita cu o sonerie electronica.
Puntile redresoare PR au rolul de a asigura alimentarea corecta a circuitelor integrate,indiferent de polarizarea semnalului în linie.Acestea sunt de regula,realizate cu doua diode redresoare si doua diode Zener,pentru a asigura o limitare a tensiunii de alimentare a aparatului telefonic în cazul aparitiei unor tensiuni perturbatoare în linie.Se realizeaza,în acest fel,protectia circuitelor integrate din aparat.
În functie de tipul numerotarii recunoscute de centrala,aparatele telefonice pot fi echipate cu circuit de numerotare prin impulsuri lipsa de curent sau cu circuit de numerotare DTMF.Aparatul telefonic poate folosi circuit integrat specializat de numerotare si transmisie.
IV. Tipuri de aparate telefonice electronice

Figura 9. Schema de aparat telefonic electronic
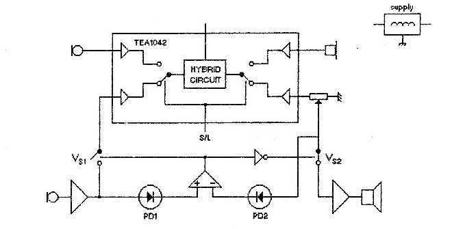
1. Aparat telefonic "Speaker-Phone"
"Speaker-Phone este un aparat telefonic care are o unitate de baza formata din amplificatoare la emisie si receptie pentru realizarea comunicatiei fara a utiliza microreceptorul clasic,aparat recomandat pentru teleconferinte si pentru abonati care doresc sa comunice fara a tine receptorul în mâna.Exista în acest scop în unitatea de baza,un microfon conectat la amplificatorul de emisie si un amplificator la receptie care este conectat la difuzor.
Semnalele de emisie si de receptie controleaza deschiderea unuia dintre contactele V1S sau V2S,prin diodele PD1,PD2,amplificatorul diferential si inversor,pentru a conecta la linie microfonul sau receptorul în functie de cerintele impuse de amplitudinea semnalului.

Figura 10. Principiul de realizare a aparatului telefonic "speaker-phone"
2. Aparatul telefonic mobil
Telefonia celulara consta în furnizarea de servicii de telefonie mobila,prin intermediul unei retele de celule distribuite pe o arie întinsa.O celula are asociata o statie de baza radio(BTS=Base Transceiver Station) care contine emitator radio,receptor radio si antena.Statia de baza radio trimite si receptioneaza semnalele spre si de la telefoanele mobile aflate în aria de acoperire radio.Un controller al statiei de baza(BSC=Base Station Controller),administreaza utilizarea resurselor radio alocate statiilor de baza radio din sfera de actiune a acestuia.Conexiunea între abonati este controlata si realizata de centrale telefonice (MSC=Mobile Switching Center)
Principiul pe baza caruia functioneaza telefonia celulara este acela al reutilizarii frecventelor.Echipamentele radio aflate în fiecare centrala de telefonie celulara,precum si puterea redusa a telefoanelor mobile permit ca aceleasi frecvente radio sa fie reutilizate în celule diferite,multiplicând capacitatea de a initia apeluri fara a creea interferente.Aceasta metoda spectrala,extrem de eficienta,contrasteaza evident,cu vechile sisteme de telefonie mobila,care foloseau un transmitator central foarte puternic,care stabilea comunicatii cu telefoane mobile,având putere mare,montate pe automobile,pe un numar mic de frecvente,canale care erau monopolizate si nu puteau fi reutilizate pe o arie extinsa.
Principiul de functionare al unui aparat telefonic mobil
Principiul de functionare este destul de simplu.Fiecare celula contine o statie în care este montat un transmitator conectat la o antena care opereaza banda de 900 MHz sau 1800 MHz.Acest echipament asigura acoperirea unei zone care,de obicei,are o raza cuprinsa între 3 si 15 kilometri.Celulele mai mici asigura acoperirea în tuneluri,galerii de metrou si pe anumite sosele.Marimea ariei de acoperire este influentata de mai multi factori,printre care particularitatile topografice ale zonei,populatia si traficul.
Atunci cand deschidem telefonul mobil,controller-ul statiei de baza(MSC),va determina celula care va prelua apelul si îi va aloca un canal radio liber,pe care se va purta conversatia.Celula este aleasa astfel încat sa ofere cel mai puternic semnal disponibil.Daca ne aflam în miscare,semnalul este scanat tot timpul,pentru a nu se pierde.În cazul în care acesta devine mai slab,legatura telefonica este transferata imediat catre o alta celula mai apropiata.Presupunând ca o persoana se afla pe drum si vorbeste la telefonul mobil timp de mai multe ore fara întrerupere,acesta nu va sesiza,ca,de fapt,a folosit mai multe celule diferite.Trecerile de la o celula la alta,nu sunt,practic,sesizate de catre utilizator.
De fiecare data când este pus în functiune,telefonul mobil îsi stabileste singur,un fel de diagnostic.Dupa aceea,începe sa scaneze canalele disponibile,alegându-l pe cel care ofera semnalul cel mai puternic.Chiar daca nu vorbim,telefonul continua sa scaneze,cautând în permanenta sa capteze cel mai puternic semnal,pentru a fi pregatit atunci când se va initia un apel.Reteaua de comunicatii mobile este informata de modificarea pozitiei terminalului mobil,în raport cu celulele radio,astfel încat,atunci când abonatul este apelat,sa se poata face legatura de comunicatii,prin celula radio în care se afla acesta.
În momentul în care abonatul face apel,se realizeaza un schimb de semnalizari între terminalul mobil si retea.Aparatul va trimite datele sale de identificare:numarul de telefon,numarul de serie electronic,precum si identitatea operatorului la care este alocat si altele.Celula mai apropiata,expediaza datele catre centrala,unde sunt prelucrate,iar aparatul va primi continuarea faptului ca se afla în retea.
3. Faxul
Derivat din cuvântul "fascimil",termenul de fax se refera la tehnologia transmiterii datelor prin intermediul unei linii telefonice.Veche de aproximativ 70 de ani,când era folosita pentru a se transmite în cel mai scurt timp,fotografii catre redactiile ziarelor,aceasta tehnologie a cunoscut o dezvoltare considerabila în anii 60 ai secolului trecut ,datorita perfectionarii echipamentelor,chiar daca timpul de transmitere era înca destul de mare,ceea ce constituia un impediment,mai ales atunci când era nevoie sa se transmita documente mai voluminoase.În anii 70,odata cu introducerea tehnicii de comprimare a datelor,timpul de transmitere s-a redus drastic,ceea ce a facut ca faxul sa devina un instrument aproape indispensabil pentru aproape orice birou.De atunci si pâna în prezent ,pozitia ocupata de fax s-a consolidat,la ora actuala estimându-se ca exista în lume peste 100.000.000 de aparate în functiune.Anual,traficul prin fax depaseste 400 de miliarde de pagini transmise,iar facturile aferente transmisiunilor fax,se cifreaza pe plan mondial,la aproximativ 91 miliarde $.
Dezvoltarea exploziva a Internetului si mai ales a postei eletronice,a condus la opinia ca faxul îsi va diminua rolul treptat.Cu toate acestea,aparitia noilor tehnologii a determinat mentinerea sa în actualitate.
Deoarece utilizarea aparaturii fax este extrem de simpla-se pune foaia de hârtie în aparat,se formeazaa numarul apoi se apasa pe butonul de transmitere-multa lume are impresia ca întregul proces e la fel de simplu si cs nu pune probleme.Realitatea e cu totul alta,existând numeroase probleme care tin de compatibilitatea dintre diferitele tipuri de aparate.
Cauzele sunt urmatoarele:în primul rând,pentru ca tehnologia evolueaza în permanenta,noile tipuri de aparate beneficiind de tot mai multe functii,este necesara asigurarea compatibilitatii lor,nu numai cu modelele imediat precedente,ci si cu alte generatii de aparate,care înca se afla în functiune,unele dintre ele fiind vechi chiar si de 15 ani.
Functionarea faxului
Transmiterea unui mesaj de tip fax este mult mai complex decât ar parea la prima vedere.În primul rând,aparatul de la care se face transmiterea trebuie sa primeasca o confirmare ca la apelul sau raspunde un aparat de acelasi tip,capabil sa receptioneze un fax si nu un modem,un robot telefonic sau o fiinta umana.În momentul în care s-a primit aceasta confirmare si s-a stabilit ca doua aparate fax au legatura,urmeaza un schimb de informatii cu privire la parametrii tehnici ai fiecaruia dintre ele.Dupa aceea,cele doua aparate încearca sa ajunga la un punct de vedere comun în privinta transmisiei si receptiei,cautând sa realizeze un compromis acceptabil,daca exista diferente între parametrii tehnici.Urmatorul pas este evoluarea conexiunii telefonice pentru stabilirea ratei optime de transfer a datelor.În sfarsit,mesajul poate fi transmis.Cu toate acestea,este posibil ca pe retea sa apara zgomote neasteptate sau alte distorsiuni care pot avea ca efect denaturarea mesajului transmis.De aceea,aparatul care primeste faxul,controleaza receptia corecta a informatiei si trimite aparatului care a transmis faxul,un mesaj de înstiintare prin care sa indice daca aceasta a fost primita corect sau daca exista un numar inacceptabil de erori.
Protocolul pentru transmiterea si receptia unui fax,a fost definit de Uniunea Internationala a Telecomunicatiilor (ITU),prin Recomandarea T.30.
Secventa decurge dupa cum urmeaza:
1. Imaginea care trebuie transmisa este scanata folosind coduri binare,obtinute cu elemente binare "1" si "0",prin care se indica numarul de puncte negre sau albe succesive.O codificare de acest fel conduce la o reducere substantiala a cantitatii de informatii care trebuie transmisa la distanta.
2. Controlul comunicatiei între faxul apelantului si faxul apelatului este conform protocolului T.30 si include urmatoarele faze:
Bibliografie
[1]. Tatiana Radulescu,"Telecomunicatii",Editura didactica si pedagogica,1997;
[2]. "Ghidul comunicatiilor IT&C",House of guides,2004;
[3]. Eugen Marza si Calin Simu,"Comunicatii mobile.Principii si standarde",Editura de vest,2003;
[4]. Paul Postelnicu,"Comunicatii telefonice si telegrafice",Editura didactica si pedagogica,1968.
|