Lectura schemelor pneumatice
12.1 Notiuni introductive
Schemele pneumatice sunt compuse din 4 parti componente diferite:
Schema de legaturi (schema de principiu);
Lista de aparatura;
Diagrama de functionare;
Dispunerea geografica.
In schema de principiu aparatele sunt sunt reprezentate conform normelor C.E.T.O.P.
Ele sunt divizate in 3 categorii care sunt:
organe de informatii: vane, contacte, etc.
organe de interpretare a informatiilor : relee logice, celule, selectoare, memorii, etc.
organe de putere : organe motoare, cilindrii distribuitoarede putere.
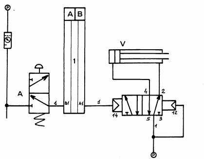
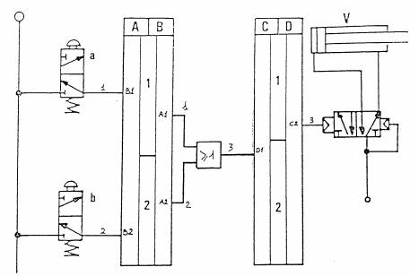
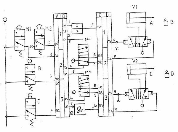
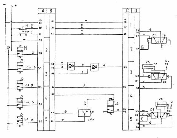
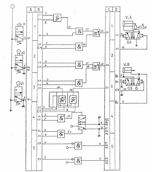
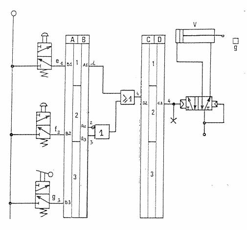
Toate schemele sunt dispuse sub forma de trei coloane:
la stanga: toate organele de informatii
la mijloc : toate organele de interpretare a informatiilor
la dreapta : toate organele de putere
Cele trei parti sunt separate prin coloane, notate cu A,B,C,D in partea superioara si cu 1,2,3,4,etc, pe verticala, in functie de numarul de aparate. In schema alimentarea cu aer comprimat se va face intotdeauna de la stanga la dreapta.

Fig.1
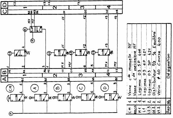
Lista de aparatura
Intr-o schema toate aparatele sunt notate prin litere sau cifre. Toate aceste repere se regasesc intr-o lista de aparatura, unde figureaza denumirea exacta a aparatelor, numarul lor, codul de producator si codul de magazie.
Diagrama de functionare este un procedeu grafic care serveste la:
studiul ciclului de lucru si scrierea ecuatiilor ;
explicarea diferitelor faze de lucru .
In plus, diagrama de functionare este primordiala pentru depanarea rapida a circuitelor automate.
Acesta este un desen simplificat al instalatiei de automatizare, pe care sunt reprezentate pozitia cilindrilor, a dulapului pneumatic precum si a diferitelor organe de informatii.
Aceste aparate reprezentate in dispunerea geografica, se regasesc si in lista de aparatura.
12.2 Principiul fundamental al studierii unei scheme pneumatice
In general, un fenomen de forta se traduce prin existenta a doua si numai doua stari diferite.
Exemplu : un intrerupator nu poate fi decat deschis sau inchis.
Este de remarcat faptul ca, cele doua stari sunt net diferite, un aexcluzand-o pe cealalta, brutal fara a trece printr-o zona intermediara.
Daca un fenomen se poate prezenta sub mai multe stari, este intotdeauna posibila impartirea lui in 2 parti egale, rational sau conventional, astfel incat sa avem 2 stari distincte. Astfel un sistem de doua stari distincte poate fi pus in ecuatie, ceea ce nu se poate face in alte conditii.
Fiecare solutie : da sau nu, deschis sau inchis, etc, poate fi tradus matematic printr-o variabila binara.
In final, ansamblul de variabile binare a unui sistem poate fi studiat cu ajutorul algebrei BOOLE.
In pneumatica, ca urmare a celor prezentate mai sus, vom considera doua stari distincte:
prima stare: aerul trece → simbol 1
a doua stare: aerul nu trece → simbol 0
12.3 Diagramele de functionare
Simbolizarea utilizata in realizarea unei diagrame de functionare este importanta si este descrisa mai jos:
a) Pentru organele motoare
Sageata oblica trasata cu linie continua = acest simbol reprezinta cursa
de IESIRE a cilindrului
Sageata oblica trasata cu linie punctata = acest simbol reprezinta cursa
de RETUR a cilindrului
b) Pentru memorii
Sageata oblica trasata cu linie continua = acest simbol reprezinta
schimbarea intr-un sens a memoriei
Sageata oblica trasata cu linie punctata = acest simbol reprezinta
schimbarea memoriei dintr-un sens opus la cel precedent
c) Pentru organele de informare
Pentru aceste organe vom indica daca ele lasa sa treaca sau nu aerul, sau altfel zis, daca sunt actionate sau nu.
Linie orizontala trasata cu linie continua = acest simbol ne indica ca o
Linie orizontala trasata cu linie punctata = acest simbol se refera la
comenzi (in general simbolu indica ca o comanda poate fi actionata sau nu)
Linie orizontala trasata cu linie continua = acest simbol ne indica un
subtire organ fictiv
Un punct situat pe linia de plecare a unei = acest simbol indica plecarea
secvente unei secvente a ecuatiei,
pentru a fi controlata in caz
de pana
Acelasi simbol poate fi intalnit pe prelungirea unei comenzi, indicand o posibila oprire. Altfel zis, el ne indica momentul in care trebuie slabita comanda , daca vrem ca ciclul sa se desfasoare normal.
X situat pe linia de plecare a unei secvente = acest simbol indica plecarea
unei secvente a ecuatiei,
produsa printr-un semnal
dat de prezenta aerului in
acel punct.
O diagrama de functioanre este un tablou sub forma de grafic in care este reprezentat ciclul complet al unei instalatii pneumatice
In diagrama, ciclul de functionare este divizat intr-un numar exact de faze.
O faza este o descompunere simpla a unei operatii din ciclu.
Intr-o faza nu se produce decat o singura miscare si numai una.
Exemplu : actionarea unei vane → avansul unui cilindru → contactul unei vane la final de cursa → bascularea unei memorii etc.
Intr-o diagrama de functinare noi gasim
Pozitia comenzilor manuale (actionate sau nu)
Pozitia cilindrilor (cilindru in pozitia iesita sau cilindru in pozitia retrasa sau cilindru in miscare)
Starea memoriei (iesire aer daca memoria este pilotata in X sau in Y)
Ecuatiile corespunzatoare diferitelor miscari ale cilindrilor si ale memoriilor (ecuatia corespunzatoare unei miscari cuprinde toate elementele necesare realizarii acelei miscari).
Faza 1: Ciclul se gaseste in starea de repaus; comanda manuala nu este actionata, cilindrul V1 se gaseste in pzitia A (contact in A), cilindrul V2 se gaseste in pozitia C (contact in C), memoria se gaseste pilotata in X (starea X).
Faza 2: Vana cu comanda manuala este actionata, dar nu se produce inca nici o miscare, deaorece exista un timp de raspuns al aparatelor.
Faza 3 : Comanda manuala isi produce efectul si cilindrul V1 avanseaza. Putem scrie, astfel, ecuatia : M . Mx necesara pentru avansul cilindrului V1, ceea ce inseamna ca comanda manuala trebuie actionata si memoria trebuie pilotata in X, pentru a avea miscare.
Faza 4 : Cilindrul V1 si-a incheiat miscarea de avans si vine in contact cu vana B in pozitia B (aceasta este pozitia avansata a cilindrului).
Faza 5 : Timpii de raspuns de la vana B actioneaza mai inainte de a se produce efectul ei si cilindrul V2 avanseaza de la pozitia C la pozitia D. Pentru aceasta miscare noi avem ecuatia : B . Mx, ceea ce inseamna ca trebuie realizat contactul B pe de-o parte si memoria sa fie pilotata in X pe de alta parte, pentru a avea miscarea de avans a cilindrului V2.
Faza 6 : Cilindrul V2 a incheiat miscarea de avans si este sosit in pozitia D (aceasta este pozitia avansata a cilindrului) ; vana D se gaseste contactata.
Faza 7 : Timpii de raspuns de la vana D actioneaza mai inainte de a se produce efectul ei si memoria care era pilotata in X, trece in pozitia Y (spunem ca memoria este in starea Y) si pentru aceasta miscare avem ecuatia: D, simplu.
Faza 8 : Memoria isi incheie bascularea si se gaseste pilotata in y, deci avem : My.
Faza 9 : Avand memoria in My, se provoaca reculul cilindrului V2 care revine din pozitia D in pozitia C. Ecuatia este: My.
Faza 10: Cilindrul V2 a incheiat cursa de recul si este revenit in pozitia C sau spunem ca a intrat in contact cu vana C.
Faza 11: Timpii de raspuns de la vana C actionata la faza precedenta provoaca reculul cilindrului V1 care se va deplasa din pozitia B in pozitia A. Pentru aceasta miscare noi avem ecuatia : C . My, ceea ce inseamna ca trebuie actionata vana C, pe de-o parte si pe de alta parte, memoria sa fie in My, pentru a avea miscarea de recul a cilindrului V1.
Faza 12: Cilindrul V1 revenit in pozitia A vine in contact cu vana A.
Faza 13: Timpii de raspuns de la vana A actionata la faza precedenta provoaca bascularea memoriei din pozitia Y in pozitia X (memoria trece in starea Mx). Pentru aceasta miscare noi avem ecuatia : A . M(barat), ceea ce inseamna ca trebuie actionata vana A, pentru a avea miscare, dar trebuie sa avem totodata M(barat), ceea ce inseamna ca, comanda M trebuie obligatoriu relaxata pentru a avea miscare.
Faza 14: Toate aparatele sunt revenite in pozitia de repaus.

Fig.2
12.4 Principiul de depanare a instalatiilor pneumatice
In caz de pana, trebuie identificat intr-un ciclu faza unde exista pana (in functie de pozitia cilindrului). Apoi, se va controla ecuatia de miscare corespunzatoare si se va repara defectul.
Daca ecuatia este buna, se va controla pilotajul distribuitoarelor si se vor remedia defectele care apar.


Fig.3

Fig.4


Fig.5
Fig.6


Fig.7



Fig.9

Fig.10
|