MASINI SI INSTALATII CU GAZE REALE SI VAPORI - MASINI SI INSTALATII DE FORTA CU VAPORI - TERMOTEHNICA
Agentii termici - apa (cel mai bun)
O masina functioneaza ideal daca ea are ciclul de functionare ciclul Carnot.
Ciclul Carnot pentru o masina lucreaza cu vapori umezi


1-2 vaporizarea a lichidului de stare 1 in vapori saturati de stare 3. (Necesitate: vaporizator)
2-3 destindere adiabatica la s constant (Necesar - turbina)
3-4 condensare partiala a vaporilor umezi de stare 3 (Necesar c 323c21d ondensator)
4-1 comprimare a amestecului bifaziclichid-vapori de stare 4, titlul vaporilor e apropiat de 0. Ar fi necesara o masina care sa comprime adiabatic un amestec de lichid si de vaporii sai. Ciclul nu e realzabil practic.
CICLUL RANKINE (CLAUSIUS - RANKINE)

Ciclul carnot este 2347.
Ciclul Rankine:
1-2 preincalzire a lichidului de stare 1
2-3 vaporizare a lichidului saturat
3-4 destinderea izentropica in turbine
4-5 condensarea amestecului vapori lichid de stare 4
Lichidul de stare 5 este pompat: 5-1 pomparea lichidului
Pentru imbunatatirea randamentului ciclic se face supraincalzirea vaporilor de stare 3

Supraincalzirea vaporilor determina, pe langa cresterea randamentului si obtinerea unor titluri mai mari la iesirea in turbine.
Preincalzitorul, vaporizatorul si supraincalzitorul se afla in cazan.
Tipul de intalatie pentru CTE (centralele termoelectrice).
D = debitul de apa



Analiza termodinamica: consumurile, energia furnizata, randamentul.
B
debitul de
combustibil care se arde.
Nu toata caldura continuta in combustibil e folosita (fazele de ardere).
Randamentul
cazanului: ![]()
debitul de combustibil
= puterea calorica inferioara
Prin
condensator circula apa de racire cu debitul ![]()

= temperature la intrare
= tepmeratura la iesire
se scoate din randamentul isentropic:
rezulta de aici.
In
mod real, turbine e cuplata cu un generator de energie electrica => pierderi
de natura mecanica (
) si electrica (
)

Randamentul real al instalatiei scade.
Metode de imbunatatire a randamentului ciclului Rankine
Daca
neglijam
:
![]()


Concluzie:
creste odata cu cresterea presiunii in cazan
Efectul temperaturii la iesirea din cazan

![]()
(cresterea
numaratorului e mai mare decat cresterea numitorului) =>
>![]()
Concluzie:
creste odata cu cresterea temperaturii
Influenta presiunii in condesator
![]()
Presiunea in condensator e bines a fie cat mai mica.
Concluzie: randamentul instalatiei creste odata cu scaderea presiunii incondesator.
Intr-o
instalatie de cazane trebuie sa avem o
=> limita
superioara data de restinta materialelor. Presiunea din condensator nu poate fi
scazuta oricatl ea depinde de
, care depinde de temperature agentului de racire:
>![]()

Presiunea din condensator este limitata de nivelul de temperature al mediului ambient.
Metoda supraincalzirii intermediare



Ciclul instalatiei cu recuperare
Aceasta instalatie are un randament mai mare ca in cazul CTE

![]()
Din punct de vedere teoretic se poate imbunatati randamentul ciclului Rankine pana la nivelul randametului Carnot prin recuperarea caldurii in urmatoarele conditii ideale.

Aceasta
se realiz in ciclul 1233`465 - realizat practice dupa schema. Prin introducerea
unei serpentine incalzitoare in turbine, vaporii de stare 3 se destind si ajung
in 3`, cedand caldura lichidului de stare `, care se incalzeste pana la 2.
Teoretic ![]()
![]()
![]()
Realizarea acestui ciclu nu se poate face deoarece:
nu putem ceda caldura aburului ce se destined in turbina serpentinei introduse in turbine.
Vaporii umezi de stare 4 au titlul prea mic, contin o prea mare cantitate de apa, ceea ce dauneaza functionarii turbinei
De aceea se recurge la urmatoarea schema practica:

Sc= schimbator de caldura prin amestec.
Recuperarea caldurii din vapori se face prin prelevarea unei proportii m de vapori la priza de aburi a turbinei.
Priza de abur este aplicata la un nivel de presiune (si temperature) superior celei din condensator.

1-2 preincalzire, vaporizare, supraincalzire
2-3-4 destindere
4-5 condensare
5-6 pompare
6-7 amestecul vapori lichid
Instalatii binare
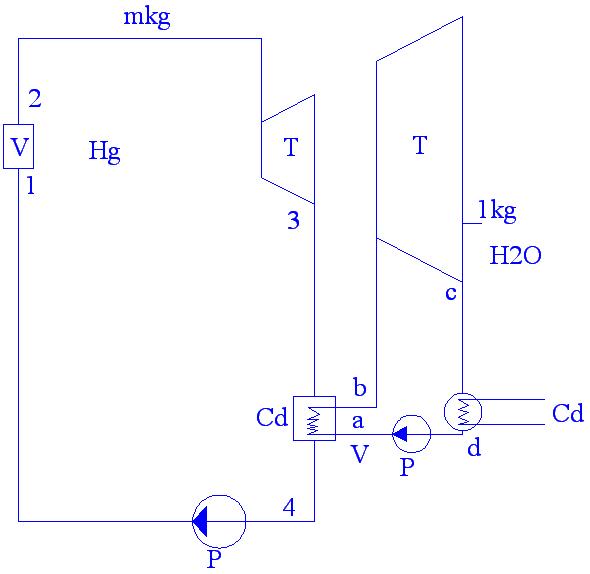
De multe ori apa are presiuni foarte mari la temperature la care restista instalatiile. Trebuie cautat un agent termic care la incalzire mare (t mare) are presiune scazuta (mercur).
Instalatia binare e o instalatie in trepte, folosind 2 agenti termici de lucru diferiti. Exemplu - instalatia cu mercur si apa.

Prin instalatia cu mercur circula un Kg pentru fiecare Kg din instalatia cu apa. Condensatorul treptei cu mercur este vaporizator pentru treapta cu apa (eventual se poate realize si o supraincalzire). Diagrama T-s este conventionala (sunt suprapuse doua diagrame).
Nivelul de temperature din condensatorul cu Hg este mai mare ca cel al apei.

Bilantul termic in condensator - vaporizator:
![]()
Lucrul mechanic tehnic:
![]()
![]()
Randamentul
termic: ![]()
Ciclurile instalatiilor cu termoficare
Cu toate masurile luate, randamentul terminc la CTE este destul de scazut.

PCC = pierderi pe cazan sip e conducte
PT = pierderi in turbine
PCd =pierderi in condensator
EC = energie consumata
Imbunatatirea randamentului global al instalatiilor de forta cu abur se face prin utilizarea caldurii cedata in procesul de condensator - acesta se poate face daca ridicam presiunea (temperature) agentului termic in condensator.
CTE
=> ![]()
CET = centrale electrice de termoficare => utilizeaza potentialul termic in condensator la nivelul de temperature condensator.
CET cu vid inrautatit
Presiunea
in condensator e ridicata, dar sub
(vid inrautatit)
la 1 bar (deci <100˚
C, dar apropiata)
La 70 - 80 - 90C, apa poate fi folosita in scopuri industriale sau menajere.
Instalatia functioneaza ca si urmatoarea:
Cet cu contrapresiune
![]()
Caldura cedata de Cd este preluata de un agent termic trimis in reteaua de termoficare


Puterea electrica la CET e mai mica, se obtine un randament global mai mare.
![]()
Inconvenientul
acestei instalatii este ca sarcina electrica este dependenta de consumul termic
al consumatorilor. Cand consumul e nul ea functioneaza ca CTE, in condensatie
la
.
Consumul
termic mare - CTE functioneaza cu
mare.

CET cu condensare si priza de abur
Inlatura inconvenientul de la instalatia anterioara

Instalatia permite extragerea aburului in cantitatea strict necesara consumatorului (priza de abur e reglabila).
Condensul
de stare 4 se amesteca cu condensul de stare 6 => e necesara pompa
.
La limit, cand consumul termic e nul, centrala functioneaza ca o centrala CTE (cu condensatie) clasica.
La consum maxim ea poate functiona ca o centrala cu contrapresiune.
Adaptarea la cerintele consumatorilor determina variatia energiei electrice furnizate => acest inconvenient se elimina prin racordarea la sistemul energetic.
|