.
3.3 Masurari de puteri
folosind multiplicatoare statice
Masurarea puterilor se poate realiza si cu multiplicatoare
cu dispozitive semiconductoare, care prezinta urmatoarele avantaje fata de
wattmetrele clasice:
- sensibilitate mai mare;
- rezistenta la suprasarcini;
- consum propriu mai redus;
- posibilitatea de utilizare la iesire a unui instrument magnetoelectric.
Se pot folosi: efectul Hall, Gauss si diodele semiconductoare.
3.3.1. Multiplicatoare pe baza
efectului Hall
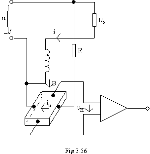
O sonda Hall, pe baza caracteristicilor sale, poate fi utilizata ca
multiplicator, in masurarea statica a puterii. Tensiunea sa de iesire este:
(3.142)
Cāmpul magnetic B este produs de o bobina parcursa de curentul de sarcina i, iar curentul prin sonda iu este proportional cu tensiunea de alimentare u. Daca exista o relatie liniara intre curentul de sarcina i si inductia B, si intre tensiunea u si curentul de comanda iu, se obtine:
(3.143)
Pentru obtinerea unei
tensiuni Hall de valoare suficient de ridicata este necesara o grosime mica a
placutei (1.5 ?m) si o inductie B foarte mare. In acest scop liniile de cāmp
magnetic trebuie sa se inchida printr-un miez de otel sau ferita, ceea ce
permite ridicarea frecventei de lucru de la circa 10 kHz la 10 Mhz. Totusi,
peste frecvente de 100 kHz, curentii turbionari care apar in placuta Hall pot
influenta faza si amplitudinea tensiunii Hall.
Circuitul este relativ simplu si se poate folosi pentru
multiplicare in toate cele patru cadrane. Schema necesita insa amplificarea
tensiunii Hall foarte mica (200 mV) si compensarea neechipotentialitatii
electrozilor, ca si liniarizarea si compensarea cu temperatura.

3.3.2 Multiplicatoare
cu divizor de tensiune variabila
Se foloseste o rezistenta electrica liniar variabila dupa relatia:
(3.144)
si cele doua tensiuni de multiplicat U1 si U2, iar variatia ?R este:
(3.145)


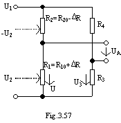
Se considera un divizor de tensiune variabila ca in fig. 3.57, pentru care se poate scrie:
(3.146)
(3.147)
unde: R3=R10 si R4=R20
.
Se poate scrie deci:
(3.148)
Aceasta relatie poate fi realizata pe baza efectului Gauss, folosind placute de arseniura de indiu, a caror rezistenta se modifica in cāmp magnetic dupa o caracteristica ca cea din fig. 3.58,a. In absenta cāmpului magnetic, valoarea rezistentei este R0. La cāmpuri magnetice slabe rezistenta creste in functie de B dupa o lege patratica, iar pentru valori mari (kGs), dependenta este liniara. Punctul R0 este determinat de o inductie constanta B0, obtinuta cu un curent constant sau un magnet permanent (fig.3.58,b). Daca I2 este proportional cu U2, iar B cu I2, rezulta ?R = kU2. Metoda functioneaza in toate cele patru cadrane, insa are si dezavantaje: constanta k depinde de temperatura, sunt necesare inductii puternice, un cāmp omogen si caracteristici identice ale celor doua magnetorezistente.
3.3.3 Multiplicatoare cu diode
semiconductoare
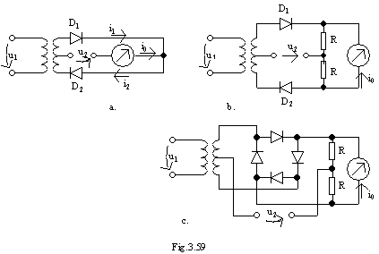
La functionarea ca multiplicatoare, diodele semiconductoare
se folosesc intr-o regiune limitata a caracteristicilor, in care exista o
dependenta patratica iD=f(uD):
(3.149)
Daca diodele folosite sunt identice, se aplica suma, respectiv diferenta tensiunilor care trebuie inmultite, incāt rezulta curentii:
(3.150)
(3.151)
Se calculeaza diferenta i1 - i2:
![]()
(3.152)
Se masoara valoarea medie a curentului ce trece printr-un instrument magnetoelectric. Daca tensiunea are componenta medie nula, acest curent este:
(3.153)

unde T este perioada celor doua tensiuni presupuse de
aceeasi frecventa.
In fig. 3.59, a, este necesar ca aparatul indicator sa aiba
o rezistenta interna neglijabila, pentru ca relatiile scrise sa fie valabile.
In fig. 3.59, c, se foloseste un modulator in inel, cu diode
identice, la care raspunsul este proportional cu produsul u1u2,
nu numai cu media in timp a acestui produs. Eroarea la schemele cu diode este
de circa 10 %, datorita pe de o parte abaterii caracteristicii diodelor de la
forma de parabola, iar pe de alta parte datorita dependentei caracteristicii de
temperatura. Eroarea poate fi micsorata la 2.3 %, introducānd rezistente in
serie cu diodele folosite. Erori mai mici (0,1 %) se pot obtine cu scheme
folosind tranzistoare cu efect de cāmp.
|