MATERIALE DIELECTRICE SOLIDE
Scopul lucrarii
Scopul acestei lucrari este determinarea permitivitatii complexe relative a materialelor dielectrice solide uzuale si analiza comportarii acesteia în frecventa.
I. Introducere teoretica
Dielectricii sunt materiale care se caracterizeaza prin stari de polarizatie cu functie de utilizare. Prin stare de polarizatie electrica se întelege starea materiei caracterizata prin momentul electric al unitatii de volum diferit de zero. Starea de polarizatie poate fi temporara daca depinde de intensitatea locala a câmpului electric în care este situat dielectricul si poate fi de deplasare (electronica sau ionica) sau de orientare dipolara. Starea de polarizatie permanenta nu depinde de intensitatea locala a câmpului electric si poate fi spontana (piroelectrica) sau piezoelectrica.
Indiferent de mecanismul de polarizare, în domeniul liniar, interactiu 19119t1919t nea unui dielectric izotrop cu câmpul electric este caracterizata de permitivitatea complexa relativa:
(1)
unde D este inductia electrica
E este intensitatea câmpului electric:
, permitivitatea vidului.
Daca un material dielectric cu permitivitatea complexa relativa e, se introduce între armaturile unui condensator având în vid capacitatea Co în aproximatia ca liniile de câmp se închid în întregime prin material (efectele de margine sunt neglijabile), admitanta la bornele condensatorului astfel format are expresia:
(2)
Deci, condensatorul cu materialul dielectric între
armaturi este echivalent cu un condensator fara pierderi, Ce
= e Co, având si o
rezistenta de pierderi în paralel cu condensatorul, de valoare 
Schema echivalenta si diagrama fazoriala sunt date în Figura 1.
Figura 1. Schema echivalenta si diagrama fazoriala pentru
un condensator cu dielectric între armaturi
Din schema echivalenta se observa ca partea reala a permitivitatii complexe relative caracterizeaza dielectricul din punct de vedere al proprietatilor sale de a se polariza (indiferent de mecanismul de polarizare) si are ca efect cresterea de e ori a capacitatii condensatorului la aceleasi dimensiuni geometrice, capacitatea condensatorului obtinut fiind :
Ce = e Co (3)
Partea imaginara a permitivitatii complexe relative e , caracterizeaza dielectricul din punct de vedere al pierderilor de energie în material, pierderi modelate prin rezistenta
(4)
În diagrama fazoriala din Figura 1, unghiul j este unghiul dintre tensiunea U aplicata condensatorului si curentul I care îl strabate. Complementarul unghiului de fazaj j se numeste unghi de pierderi si se noteaza cu d
Se defineste tangenta unghiului de pierderi a materialului dielectric, ca fiind raportul:
(5)
unde: Pa: puterea activa la bornele condensatorului
Pr: puterea reactiva la bornele condensatorului
Inversul tangentei unghiului de pierderi se numeste factor de calitate al materialului dielectric si se noteaza cu
(6)
Permitivitatea complexa relativa poate fi pusa si sub forma:
(7)
În acest caz, partea imaginara ne da o informatie completa asupra pierderilor totale (pierderi prin polarizare, pierderi prin conductie electrica, pierderi prin ionizare) în dielectric. Din punct de vedere al utilizatorului de componente, pentru materialul dielectric acesti doi parametri e' si tgde sunt esentiali.
Datorita structurii fizice si fenomenelor comlexe ce se petrec în dielectric când asupra acestuia se aplica un câmp electric, permitivitatea dielectrica reala e si tangenta unghiului de pierderi tgde sunt dependente puternic de frecventa si temperatura.
În Tabelul 1 sunt caracterizate câteva materiale studiate în lucrarea de fata (masurate la q = 20 șC si f = 50 Hz), iar în Figura 2 si Figura 3 este prezentata dependenta cu frecventa pentru e si tgde la temperatura constanta de q C pentru 2 materiale dielectrice uzuale: polietilentereftalat si policarbonat.
Tabelul 1
|
Material |
Tip de polarizare |
e |
tgde |
|
Polietilentereftalat |
polarizare de orien-tare |
|
|
|
Polimetacrilat de metil (plexiglas) |
" |
|
|
|
Policarbonat |
" |
|
|
|
Hârtie de conden-sator |
" |
|
|
|
Mica muscovit |
polarizare de depla-sare electronica si ionica |
|
|
|
Politetrafluretilena (teflon) |
polarizare de depla-sare electronica |
|
|


II. Metoda de masura
Masurarea permitivitatii complexe a unui material dielectric se face prin compararea proprietatior condensatorului cu dielectricul introdus între armaturi si ale aceluiasi condensator considerat fara dielectric.
Masuratorile se vor face cu ajutorul unui aparat numit "Q-metru" a carui schema principiala este prezentata în Figura 4. Aparatul este format dintr-un generator de tensiune cu impedanta interna neglijabila, un condensator variabil CV având ca dielectric aerul (deci un factor de calitate mare si tgde mic) si un voltmetru electronic care în mod normal masoara tensiunea pe condensator (putând fi comutat pe generator când aparatul trebuie calibrat). Semnalul sinusoidal generat are amplitudine constanta si frecventa variabila.
Figura 4. Schema principiala a Q-metrului
Conectând la bornele Lx ale aparatului o bobina etalon (din trusa aparatului de masura) a carei schema echivalenta serie este L, r, voltmetrul va indica tensiunea Uc de pe condensator:
(8)
La rezonanta,
si tensiunea pe
condensator va fi:
(9)
unde
este factorul de
calitate al bobinei.
Prin mentinerea tensiunii Ug constanta (verificarea se face prin operatia de calibrare) tensiunea pe condensator va fi proportionala cu factorul de calitate al bobinei, voltmetrul fiind etalonat pentru a indica direct factorul de calitate.
Citirea factorului de calitate se face atunci când circuitul este adus la rezonanta prin modificarea frecventei sau a capacitatii variabile Cv, rezonanta observându-se când indicatia instrumentului de masura este maxima
Observatie Indicatia maxima a instrumentului este aproximativ la rezonanta, eroarea fiind cu atât mai mica cu cât Q este mai mare).
Masurarea permitivitatii complexe a unui material dielectric se face cu ajutorul unui condensator auxiliar între armaturile caruia se pune dielectricul respectiv (condensator ce se va conecta la bornele Cx ale Q-metrului) si a unei bobine din trusa aparatului de masura ce se conecteaza la bornele Lx (necesara la realizarea circuitului rezonant).
Etapele de masura sunt:
a) Se conecteaza la bornele Lx ale Q-metrului bobina corespunzatoare frecventei la care trebuie sa se faca masuratoarea (vezi Figura 5), aducându-se circuitul la rezonanta prin modificarea capacitatii condensatorului variabil si notându-se valoarea acestuia Cv0.
Observatie Pentru masurarea materialelor care nu se scot dintre armaturile condensatorului se noteaza si valoarea factorului de calitate Q0.

Figura 5. Etapele de masura.
b) Se conecteaza la bornele Cx ale Q-metrului condensatorul auxiliar Caux cu dielectricul între armaturi si, fara a schimba frecventa, se aduce circuitul la rezonanta prin modificarea capacitatii condensatorului variabil notându-se factorul de calitate Q1 si capacitatea Cv1.
Observatie Este necesar ca pentru masuratoarea de la punctul a), bobina sa fie astfel aleasa astfel încât valoarea obtinuta pentru Cv0 sa aiba o valoare cât mai mare, pentru a fi posibila masuratoarea de la punctul b).
c) (Observatie: Aceasta masuratoare se face numai daca modul de lucru permite scoaterea dielectricului dintre armaturi). Se scoate dielectricul condensatorului Caux, fixând apoi distanta între armaturi la aceeasi valoare cu grosimea dielectricului. Se aduce circuitul la rezonanta prin modificarea valorii condensatorului variabil Cv, notându-se factorul de calitate Q2 si Cv2.
Observatie Valoarea Q2 este aproximativ egala cu Q0.
Din masuratorile efectuate se obtine:
(10)
Cunoscând ca factorul de calitate echivalent a unui circuit LC la rezonanta (cu factorul de calitate QL, respectiv QC) este:
(11)
se obtine:
(12)
Pentru masuratorile la care nu se scoate
dielectricul dintre armaturi,
si rezulta:
(13)
Deoarece condensatorul fara dielectric are pierderi neglijabile fata de cel cu dielectric, tangenta unghiului de pierderi a condensatorului se poate aproxima cu cea a materialului:
III. Desfasurarea lucrarii
A. Se masoara partea reala a permitivitatii reale si tangenta unghiului de pierderi pentru urmatoarele materiale: politetrafluoretilena (teflon), polimetacrilat de metil (plexiglas), stratificat pe baza de hârtie (pertinax), stratificat pe baza de sticla (sticlotextolit).
Masuratorile se efectueaza la doua frecvente, indicate în Tabelul 2. Din setul de bobine etalon ale Q-metrului se alege bobina corespunzatoare frecventei de masura astfel încât capacitatea de acord Cv0 sa aiba valoare cât mai mare pentru a putea fi posibila masurarea la conectarea condensatorului auxiliar. Materialele se pun, pe rând, într-un dispozitiv ce formeaza condensatorul auxiliar si, deoarece dielectricul este detasabil, se urmaresc etapele de masura prezentate (a, b, c).
a) Se conecteaza bobina etalon la Q-metru, se fixeaza frecventa specificata, se face acordul prin modificarea condensatorului Cv, se noteaza Cv0.
b) Se conecteaza, în continuare, condensatorul auxiliar cu dielectric, se reface acordul prin modoficarea condensatorului variabil, se noteaza Cv1 si factorul de calitate Q1.
c) Se scoate dielectricul dintre armaturi, fixând distanta între armaturi egala cu grosimea dielectricului scos. Se reface acordul, notând Cv2 si Q2.
Valorile mentionate se vor trece în Tabelul 2 care va fi completat cu valorile calculate.
Tabelul 2.
|
Materialul |
Teflon |
Sticlotextolit |
Pertinax |
Plexiglas |
||||
|
f [MHz] |
|
|
|
|
|
|
|
|
|
Cv0 [pF] |
|
|
|
|
|
|
|
|
|
Cv1 [pF] |
|
|
|
|
|
|
|
|
|
Q1 |
|
|
|
|
|
|
|
|
|
Cv2 [pF] |
|
|
|
|
|
|
|
|
|
Q2 |
|
|
|
|
|
|
|
|
|
|
|
|
|
|
|
|
|
|
|
|
|
|
|
|
|
|
|
|
|
tgd |
|
|
|
|
|
|
|
|
Se repeta masuratorile pentru fiecare material.
Observatie Prima masuratoare a este aceeasi pentru toate materialele la aceeasi frecventa, daca se pastraza aceeasi bobina.
B. Se masoara partea reala a permitivitatii complexe si tangenta unghiului de pierderi pentru urmatoarele folii dielectrice: polietilentereftalat (mylar), teflon si mica.
Masuratorile se efectueaza la frecventele specificate în Tabelul 3.
Modul de lucru este urmatorul:
1. Folosind o bobina etalon corespunzatoare se realizeaza acordul circuitului prin modificarea valorii capacitatii condensatorului variabil la frecventa indicata în Tabelul 3. Se noteaza Qo, Cv0.
2. Se conecteaza succesiv condensatoarele auxiliare (câte unul pentru fiecare material dielectric) si se reface acordul prin modificarea valorii capacitatii condensatorului variabil. Se noteaza Q1 si Cv1.
3. Valoarea condensatorului Cauxo se calculeaza functie de dimensiunile peliculei de dielectric, având aceeasi valoare pentru toate frecventele.
Rezultatele masuratorilor si ale calculelor se trec în Tabelul 3.
Tabelul 3
|
f [MHz] |
|
|
|
|
|
|
|
|
|
Bobina nr. |
|
|
|
|
|
|
|
|
|
Q0 |
|
|
|
|
|
|
|
|
|
Cv0 [pF] |
|
|
|
|
|
|
|
|
|
Mica g = 50 mm D = 15 mm |
Cv1 [pF] |
|
|
|
|
|
|
|
|
Q1 |
|
|
|
|
|
|
|
|
|
Ca0 |
|
|
|
|
|
|
|
|
|
|
|
|
|
|
|
|
|
|
|
|
|
|
|
|
|
|
|
|
|
tgd |
|
|
|
|
|
|
|
|
|
Policarbonat g = 80 mm D = 12 mm |
Cv1 [pF] |
|
|
|
|
|
|
|
|
Q1 |
|
|
|
|
|
|
|
|
|
Ca0 |
|
|
|
|
|
|
|
|
|
|
|
|
|
|
|
|
|
|
|
|
|
|
|
|
|
|
|
|
|
tgd |
|
|
|
|
|
|
|
|
|
Teflon g = 50 mm D = 12 mm |
Cv1 [pF] |
|
|
|
|
|
|
|
|
Q1 |
|
|
|
|
|
|
|
|
|
Ca0 |
|
|
|
|
|
|
|
|
|
|
|
|
|
|
|
|
|
|
|
|
|
|
|
|
|
|
|
|
|
tgd |
|
|
|
|
|
|
|
|
Continutul referatului
scopul lucrarii;
valorile masurate si valorile calculate (Tabelul 2 si Tabelul 3), formulele de calcul fiind date la punctul II.;
reprezentarea grafica
pentru materialele
masurate la punctul III.B.;
concluzii si observatii personale privind fenomenul fizic analizat.
Întrebari si probleme
Cum comentati comportarea materialelor masurate la punctul III.A. la cele 2 frecvente?
De ce credeti ca alura caracteristicii de frecventa pentru e , respectiv tgde pentru polietilentereftalat (mylar) ridicata în laborator difera de cea teoretica data în Figura 2
Sa se deduca formula de calcul a tangentei unghiului de pierderi echivalente a doua condensatoare legate în paralel si în serie când se cunoaste capacitatea si tangenta unghiului de pierderi pentru fiecare condensator.
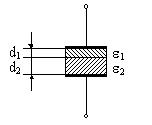
Sa se calculeze permitivitatea complexa echivalenta a unui dielectric format din doua straturi de materiale diferite, când se cunoaste permitivitatea complexa a fiecaruia (vezi Figura 6).
Figura 6.
Sa se calculeze rezistenta echivalenta de pierderi serie si paralel, pentru fiecare condensator auxiliar folosit la doua din frecventele pentru care s-au facut masuratorile.
|