UNIVERSITATEA DIN PITESTI
FACULTATEA DE MECANICA SI TEHNOLOGIE
INGINERIE ECONOMICA INDUSTRIALA
ORIENTAREA sI FIXAREA ÎN DISPOZITIVELE DE FABRICARE
- tema de casa -
Îndrumator, Student,
Obiectivul lucrarii
Lucrarea urmareste stabilirea variantei optime de orientare si fixare a pieselor în vederea proiectarii unui dispozitiv de fabricare, plecând de la desenul de executie al piesei.
Stabilirea variantei optime de orientare si fixare a pieselor în dispozitive de fabricare se face dupa o anumita succesiune, prezentata în continuare:
A.Stabilirea datelor necesare proiectarii dispozitivului
A.1 Proprietatile mecanice ale materialului piesei de prelucrat;
A.2 Stadiul de prelucrare a piesei pâna la operatia pent 757e41h ru care se proiecteaza dispozitivul;
A.3 Elementele operatiei pentru care se proiecteaza dispozitivul;
A.4 Forma si dimensiunile elemntelor de legatura ale masinii-unelte cu dispozitivul;
B. Stabilirea sistemului bazelor de orientare a piesei de prelucrat în dispozitiv
B.1 Schita operatiei;
B.2 Stabilirea cotelor de realizat pe piesa la prelucrare si a sistemului bazelor de cotare;
B.3 Stabilirea sistemului bazelor de orientare a piesei la prelucrare si a elementelor de orientare;
B.4 Calculul erorilor maxime admise la orientare;
B.5 Calculul erorilor de orientare a piesei la prelucrare;
B.6 Alegerea variantei optime de orientare;
C. Stabilirea fixarii piesei;
D. Varianta optima de orientare si fixare.
I.Stabilirea datelor necesare proiectarii dispozitivului
A.1 Proprietatiile mecanice ale materialului piesei de prelucrat
Proprietatile mecanice ale materialului sunt necesare pentru calculul regimului de aschiere si pentru calculul cmponentelor fortei de aschiere.
Materialul piesei este OLC45 si are urmatoarele caracateristici mecanice:
|
Starea |
Limita de curgere Rp 0,2 N/mm2 |
Rezistenta la tractiune Rm N/mm2 |
Alungirea la rupere A % |
Gatuirea la rupere Z [%] |
Duritatea Brinell HB Stare Stare laminata recoapta |
|
Normalizata |
|
|
|
|
|
|
Imbunatatita |
|
|
|
|
|
I.2 Stadiul de prelucrare a piesei pâna la operatia pent 757e41h ru care se proiecteaza dispozitivul
Piesa finala se obtine prin prelucrari în mai multe operatii. Pentru operatia la care se prelucreaza dispozitivul piesa este într-un anumit stadiu de prelucrare.
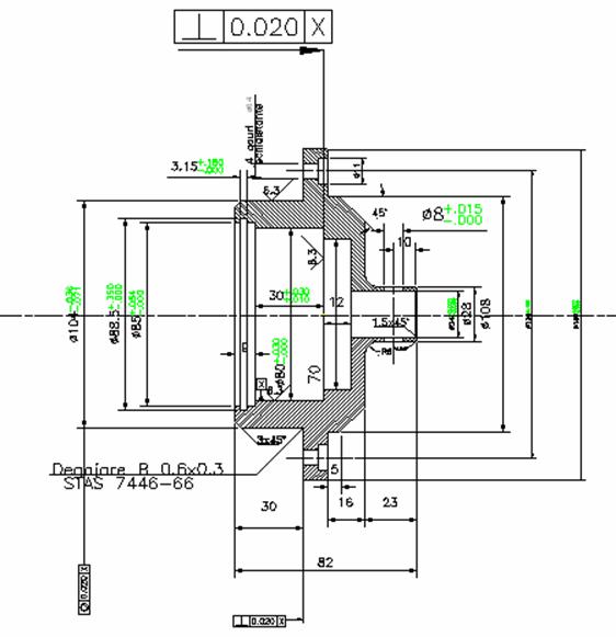
Piesa corespunzatoare operatiei de gaurire Φ6.4 mm se obtine prin adaugarea pe desenul piesei finale a adaosurilor neîndepartate pâna la aceasta operatie (figura anexa 2).
I.3 Elementele operatiei pentru care se proiecteaza dispozitivul
Elementele operatiei care trebuiesc cunoscute pentru proiectarea dispozitivului sunt: fazele operatiei, masina-unealta, sculele utilizate, regimul de aschiere, fortele de aschiere.
Fazele operatiei sunt:
Gaurirea la Φ6.4mm.
Operatia se realizeaza în patru faze.
Masina-unealta
Prelucrarea se realizeaza pe o masina de gaurit cu masa de pozitionare si cap revolver G25 cu urmatoarele caracteristici:
-cursa maxima a axului principal , mm.........224
distanta dintre axa burghiului si coloana, mm ...................315
-distanta maxima intre masa si
partea frontala a axului principal, mm.......... ..... ...... ..710
-distanta maxima intre placa de baza si
partea frontala a axului, mm.......... ..... ...... ..............1120
-suprafata mesei, mm.......... ..... ...... ...................425x530
-numarul de canale si dimensiunea acestora..
... 3 canale paralele T12 STAS 1385:1995
-suprafata placii de baza, mm.......... ..... ...... .......560x560
-numarul de canale pe placa....2 canale T18 STAS 1385:1995
-gama de turatii, rot/min...................40;56;80;112;160;224;315
-gama de avansuri, mm/rot.......................0.10;0.13;0.19;0.27;
-puterea motorului principal, kw.......... ..... ...... ................3
Scula utilizata
Pentru prelucrarea ceruta se poate utiliza un burghiu cu coada conica STAS 575:1993; Φ6.4 cu lungimea partii activa l= 63mm, lungimea totala L=144mm, realizat din otel rapid Rp3.
Parametrii geometrici principali ai partii aschietoare a burghiului elicoidal sunt: unghiul la varf 2 ; unghiul de asezare a=14 ; unghiul de degajare =30. Durabilitatea recomandata T=20mm.
Regimul de aschiere pentru fiecare faza a operatiei se alege din
Adancimea de aschiere la gaurire:
Avansul de aschiere:
S= Ks ∙ Cs ∙ D0,6 [ mm/ rot] ,
In care: KS- coeficient de corectie
S = 1 ∙ 0,047 ∙ 6.40.6 = 0,14 mm/ rot
Din gama de avansuri a masinii de gaurit G 25 se alege avansul:
S= 0,19 mm/rot.
Viteza de aschiere se determina cu ajutorul relatiei:

Se calculeaza turatia sculei:

Din gama de turatii a masinii-unelte se adopta turatia n= 450 rot/min si se calculeaza viteza reala.
Forta axiala, momentul si puterea de aschiere
Relatii de calcul si valoriile carespunzatoare sunt:
pentru forta axiala:
Fax=CF∙DXF∙sYF∙KF
KF=K1∙K2∙K3∙K4
K1=1(tab.6.35); K2=1.22 (tab.6.36); K3=1 (tab.6.37); K4=1 (tab.6.38)
KF=1∙1,22∙1∙1=1,22
Fax=74∙6.41∙0.140.7∙1.22≈144.44[daN]
pentru momentul de aschiere la gaurire :
Mas=CM∙DXM∙sYM∙Km
KM=K1∙K2=1.22
Mas=29.6∙6.41.9∙0.190.8∙1.22=319.41≈320[daNmm]
● pentru puterea necesara gauririi:
![]()
In care:
PME
PME - puterea motorului electric de antrenare a M.U
Este indeplinita conditia, deoarece PME = 3 KW; atunci avem:
P< PME
0.18 kw < 3 kw
A.4 Forma si dimensiunile elementelor de legatura ale masinii-unelte cu dispozitivul
B. Stabilirea sistemului bazelor de orientare a piesei in dispozitiv
B.1 Schita operatiei se obtine plecând de la desenul de executie având în vedere anumite aspecte
- pozitia piesei pe masina-unealta la prelucrare;
-pozitia muncitorului fata de masina-unealta in situatia in care acesta opereaza cu dispozitivul.
Avand in vedere ca burghiul la masina de gaurit lucreaza pe verticala, ca piesa se leaga de masa masinii si ca muncitorul in timpul lucrului sta in fata masinii de gaurit, piesa se vede din pozitia in care muncitorul lucreaza asa cum este reprezentata in anexa 3
B.2 Stabilirea cotelor de realizat pe piesa la prelucrare si a sistemului bazelor de cotare.
Pentru a stabili varianta optima de orientare trebuie sa se stabileasca cotele care determina pozitia suprafetei de prelucrat pe piesa si deci bazele de cotare corespunzatoare, precum si precizia care se cere acestor cote. Pentru a stabili mai usor aceste cote si bazele de cotare corespunzatoare se urmaresc in primul rand cotele care pleaca de la suprafata de prelucrat si au capatul opus pe o alta suprafata. Analizand desenul piesei rezulta ca alezajul ocupa o pozitie particulara pe piesa, care nu impune trecerea pe desen, este o abatere de la concentricitate si abaterea de la perpendicularitate.
Aceste doua cote de realizat determina complet pozitia suprafetei de prelucrat pe piesa.
In afara cotelor nominale care determina pozitia suprafetei de prelucrat pe piesa trebuie sa se stabileasca si abaterile impuse acestor cote pentru a sti ce precizii trebuie sa realizeze la prelucrare.
Abaterile pentru cotele de precizie mai ridicata sunt trecute pe desenul de executie si se extrag din acest desen. Pentru cotele libere ( netolerate pe desenul piesei ) abaterile se stabilesc dupa STAS 2300-88 ( SR EN 22768-1:1995 ).
Cotele care determina pozitia alezajului de prelucrat ( 6.4 ), bazele corespunzatoare, suprafetele care le determina si abaterile maxime admise la cotele respective sunt trecute in tabel.
|
Cote care determina pozitia alezajului pe piesa (cotele care trebuie realizate la prelucrare) |
Cotele trecute pe desen sau rezulta prin pozitia particulara a piesei |
Bazele de cotare |
Suprafetele care le determina |
Abaterile maxime admise la cote |
Abaterile sunt trecute pe desen sau sunt alese conform STAS |
||||||||||||||||||||||||||||||||||||||||||||||||||||||||||||||||||||||||||||||||||||||||
|
B.3 Stabilirea sistemului bazelor de orientare a piesei la prelucrare si a elementelor de orientare In sistemul bazelor de orientare se determina la prelucrare pozitia suprafetei de prelucrat. Acest sistem se materializeaza prin elemente de orientare care vin in contact cu suprafetele de orientareale semifabricatului. Daca pentru o operatie data sistemul bazelor de cotare este unic, sistemul bazelor de orientare poate fi ales in mai multe variante, prin aceea ca bazele de orientare pot sau nu sa coincida cu cele de cotare sau ca o baza de orientare poate fi materializata cu diverse elemente de orientare. Pentru operatia de gaurire, alegand bazele de orientare identice cu cele de cotare si utilizand elemente de orientare diferite rezulta doua variante de orientare: I[1;5]; II[2;5]. Ordinea de utilizare a bazelor a fost stabilita avand in vedere dimensiunile bazelor bazelor si precizia acestora. Elementele de orientare utilizate sunt trecute in tabelul de mai jos si reprezentate pe schita operatiei.
B.4 Calculul erorilor maxime admise la orientare Eroarea maxima admisa la orientarea unei piese in dispozitiv este data de relatia: Eroarea maxima admisa:
B.5. Erorile de orientare a semifabricatului in dispozitiv Erorile pentru varianta I ([1], [5]): j2 j2 = Dmax p - dmin b Erorile pentru varianta II ([2], [5]): ε(┴)= 0 = T(○)= 0.2 ε(○) = j = Dmax p - dmin b=0.059 db= Dmax p Erorile pentru varianta IV :[4],[3]: db=104 T=35 as=-12 ai=-47 Dmaxb=103.988 Dminp=103.929 J2= Dmax p - dmin b=0.072 db=dminp Dp=80 Dmaxp=80.03 T=30 db=80 dminb=79.958 ai=-42
B.6. Alegerea variantei optime de orientare Cel mai simplu dispozitiv rezulta folosind boltul cilindric [2] si reazemul pentru suprafata plana [1] . Astfel varianta optima de orientare este varianta I. A. Stabilirea fixarii semifabricatului în dispozitiv Calculul marimii fortei de fixare:
D. Varianta optima de orientare si fixare
Bibliografie Vlase A. s.a. - Tehnologii de prelucrare pe masini de frezat, 1993 Tache V. s.a. - Indrumar de proiectare a dispozitivelor, 1980 Document InfoAccesari: 7188 Apreciat: Comenteaza documentul:Nu esti inregistratTrebuie sa fii utilizator inregistrat pentru a putea comenta Creaza cont nou A fost util?Daca documentul a fost util si crezi ca meritasa adaugi un link catre el la tine in site in pagina web a site-ului tau.
Copyright © Contact (SCRIGROUP Int. 2025 ) | |||||||||||||||||||||||||||||||||||||||||||||||||||||||||||||||||||||||||||||||||||||||||||||