INSTALATII DE JOASA
TENSIUNE
1. Calculul de dimensionare al unei instalatii electrice de joasa
Retelele electrice de joasa tensiune realizeaza legatura la tabloul general de distributie de joasa tensiune pana la receptoarele de forta sau de lumina.Prima treapta a retelelor de joasa tensiune cuprinde alimentarea tablourilor de distributie,iar a doua treapta cuprinde alimentarea receptoa- relor de la tablouri prin circuite.
Schema retelei de distributie va fi radiala alimentand fiecare circuit printr-o linie separata.Acest tip de schema a fost ales avand in vedere tipul consumatorului ale carui receptoare sunt dispersate pe o suprafata relativ intinsa,tabloul de distributie fiind amplasat in centrul de sarcina al grupului de receptoare.
In cazul de fata este reprezentat printr-un atelier mecanic de intre-
tinere care este dotat cu utilajele prezentate in tabloul de mai jos:
Tabel nr.
|
Nr. Crt. |
Den. Utilaj |
Pn[Kw] |
In[A] |
cosφn |
ηn |
cosφc |
kc |
Pozitia utilajului |
|
|
x1(m) |
y1(m) |
||||||||
|
|
Strung |
|
|
|
|
|
|
|
|
|
|
Polizor Dublu |
|
|
|
|
|
|
|
|
|
|
Masinagaurit |
|
|
|
|
|
|
|
|
|
|
Trafo Sudare |
|
|
|
|
|
|
|
|
|
|
Masina Bobinat |
|
|
|
|
|
|
|
|
|
|
Ghilotina |
|
|
|
|
|
|
|
|
|
|
Ventilator |
|
|
|
|
|
|
|
|
|
|
Corp i- luminat |
|
|
|
|
|
|
Conf. PL NR 3 |
|
|
|
|||||||||
Dimensiunile atelierului : L=18m , l=18m , H=3.5m
Instalatia electrica este : 3x2220/230V
Masinile rotative sunt motoare asincrone cu tensiune trifazica.
![]()
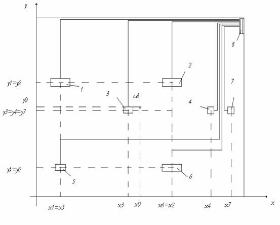
2.1 Determinarea coordonatelor centrului de sarcina al consumatorului.
ritoriul consumatorului.Coordonatele centrului de sarcina al consumato- rului se determina dupa legea momentelor statice,cunoscuta din mecanica ,unde fortele se inlocuiesc cu sarcinile electrice.
![]()
;
![]()
![]()
Puterea electrica ceruta se determina cu relatia : Pc= kc Pn/nm [Kw]
pentru care puterile cerute corespunzatoare utilajelor se prezinta in tabelul
urmator :
Tabel
nr. 2 : ![]()
|
Nr.crt. |
|
|
|
|
|
|
|
|
Pc.[KW] |
|
|
|
|
|
|
|
|
In urma calculului numeric avem xo=11.36m ; yo=9.58m
Pozitionarea tabloului de distributie va fi indicat la punctul 2.4. cand va fi necesara determinarea lungimii cablurilor receptoarelor.
2.2. Calculul puterii cerute si al factorului de putere cerut.
entului de cerere, rezultatele calculelor fiind grupate in urmatorul tabel :
Tabel nr. 3 :
|
Categoria receptoarelor |
Nr.crt. Receptor |
P1 [KW] (total) |
Puterea ceruta Pc=Kc*Pi |
Put.react.ceruta Qc=Pctgfc |
|
Motoare cu functie continua |
|
|
|
|
|
Motoare masini unelte |
|
|
|
|
Trafo. de sudare |
|
|
|
|
|
Iluminat fluorescent |
48xLFA40 |
|
|
|
Cu acesti parametri sau caracteristici s-au calculat principalii parametri ai instalatiei electrice analizate :
puterea instalata centrala a atelierului PI=42.404 KW
puterea activa ceruta Pc=13.52 KW
coeficientul global de cerere kc= Pc / PI = 0.318
puterea reactiva ceruta Qc = 15.02 Kvar
- factorul de putere
cerut (natural)
φ = 
![]()
Metoda coeficientilor de cerere a fost folosita datorita numarului relativ mare de receptori la care functionalitatea simultana a receptoarelor este scazuta, coeficientii de cerere si factori de putere ceruti avand valori relativ scazute.
2.3. Calculul curentilor ceruti de receptoare pe circuitul propriu de alimentare si pe coloana tabloului de distributie .
Curentii ceruti de receptoare sunt curenti nominali avand valorile din tabelul 1 si care s-au calculat cu ajutorul relatiei :
[A] unde :
Ci - coeficient de incarcare al motorului electric sau al receptorului rotativ si se defineste ca fiind raportul dintre puterea ceruta si puterea instalata Pn a receptoarelor in functiune simultana ( CI = 0.97-0.99 )
U1 - tensiunea fazica a retelei de alimentare sau tensiunea de linie = 380V
Curentul cerut pe coloana tabloului de distributie se poate calcula direct din puterea ceruta si factorul de putere stabilite la punctul anterior.

- curentul ce tine seama ca toate angrenajele nu functioneaza simultan.
Pentru curentul absorbit in cazul functionarii simultane a tuturor angrenajelor avem :
Acest curent se poate calcula si indirect insemnand valoarea curentilor ceruti la un moment dat de fiecare receptor.
.4 Dimensionarea sectiunilor conductoarelor circuitului de alimentare ale receptoarelor.
:temperatura mediului inconjurator, tipul conductorului, capacitatea de transfer a caldurii catre exterior, modul de amplasare al cablurilor, numa- rul de cabluri pozate, distanta intre ele si altele. La functionarea instalatiei
in conditii reale de functionare ( temperatura reala a mediului , mai multe conducte alaturate in functiune simultana cu regim de functionare continuu) se introduc coeficienti de corectie asa incat curentul admisibil de calcul care se foloseste in calcul va fi:
Ic=
K1,k2, .,kn -coeficienti ce tin seama de conditiile enumerate
Ima =akIma
a = 0.375/
-coeficient de corectie la regim
de functionare intermi-
tenta ce se aplica pentru S>10mm2 sau S>16mm2 Al (a=1) in cazul nostru.
k - coeficient ce tine seama de tipul conductei.
Pentru cazul de fata cu cabluri pozate in sapatura aceasta are valoarea produsului coeficienti :
- k1 = 0.56 pentru cabluri pozate alaturate in acelasi sant ;
- k2 = 1 pentru temperaturi maxime pe timpul verii la adancimea la care se pozeaza cablurile ;
- k3 = 1 pentru tipul terenului nisipos .
Sectiunile conductoarelor se aleg sau se verifica pe baza curen-
tului cerut Ic si a curentului maxim admisibil de calcul Ima>Ic.
Relatia de calcul pentru curentul maxim admisibil va fi deci :
Ic >
[A]
Valoarea in functie de care se alege si sectiunea conductoarelor.
Rezultatele se gasesc in tabelul 4.
B. Verificarea sectiunii la stabilitate termica in regim de scurta durata la pornirea motoarelor.
Curentul de pornire al unui motor electric este un multiplu al curentului nominal si depinde de tipul motorului electric si de modalitatea lui de pornire :
- motoarele asincrone care constituie in general elementul motor al agre-
gatelor mecanice folosite in atelierele mecanice cu : λ = Ipa/Ih =5.5 ÷ 7.5.
teaua de alimentare si socuri dinamice in elementele de transmisie meca-
nica. Pentru reducerea curentilor de pornire in limitele posibile daca gru-
pa de conexiune nominala a motorului este, atunci pornirea se poate reali-
za prin trecerea prin conexiunea Y si apoi dupa un anumit timp se trece prin conexiunea D cand cuplul mecanic creste de trei ori :
CD = CY ; U = ct.
Schema electrica manuala : 3×380 220
Motoarele de curent continuu se pornesc in mod obligatoriu cu ajuto-
rul reostatelor cu mai multe trepte de pornire. Pentru motoarele cu excita-tie independenta, excitatia independenta va fi inseriata cu un reostat, aces-
ta va fi cuplat la treapta minima incat curentul prin excitatie Iex < Imax ex
iar reostatul va fi cuplat la priza pentru care rezistenta este mare pentru infasurarea rotorica: Ip / Ia = 1.3
Curentii de pornire ai motoarelor electrice produc o incalzire supli-
Mentara de scurta durata a conductoarelor electrice. Pentru a nu se depasi o anumita temperatura limita de 200 C pentru Al si considerand durata de pornire a acestora mai mica de 40s se limiteaza densitatea de curent prin conductoare la valoarea admisibila :
Jpad = 20A / mm2 pt. Al
Verificarea sectiunii conductoarelor la pornire consta in calculul densitatii de curent real la pornire, care trebuie sa fie inferioara valorilor
admisibile : JR = Ip / S < Jadm A / mm2
In cazul in care nu se indeplinesc conditiile se majoreaza sectiu-
nile conductorului pana cand se indeplineste conditia de densitate admisi-
bila.
Rezultatele calculelor efectuate pana aici :
|
Nr.crt. Utilaj |
Ima (A) Valoare calculata |
Ima1 (A) Val.maj. Tabel |
Yp calculat |
Ip (A) |
Jp calculat A/mm2 |
CablulAles mm2 |
|
|
|
|
|
|
|
ACYY 4*10 |
|
|
|
|
|
|
|
ACYY 4*6 |
|
|
|
|
|
|
|
ACYY 4*4 |
|
|
|
|
|
|
|
ACYY 3*10 |
|
|
|
|
|
|
|
ACYY 4*10 |
|
|
|
|
|
|
|
ACYY 4*10 |
|
|
|
|
|
|
|
ACYY 4*4 |
|
|
|
|
|
|
|
4AFY 2.5 |
C.Verificarea sectiunii la pierderea de tensiune.
rite in scadere de la punctul de delimitare spre receptoare.
Pierderea de tensiune pe linie DV se defineste prin marimea :
DV0 DV0a + DV0r = R Ia Xx Ir
DU =
= P (2R 2X) / Un2 V
Q
= P tg fn = P
KVAR
R = ro*L W
X = x0* L W
Pentru circuitele trifazate simetrice nu avem cadere pe conductorul de nul deoarece punctul neutru este dat de suma curentilor I1+I2+I3 = 0
|
Nr. utilaj |
Q KVAR |
RW |
XW |
DU alim. Recept.(%) |
DU alim. Total(%) |
L(m) |
|
|
|
|
|
|
|
|
|
|
|
|
|
|
|
|
|
|
|
|
|
|
|
|
|
|
|
|
|
|
|
|
|
|
|
|
|
|
|
|
|
|
|
|
|
|
|
|
|
|
|
|
|
|
|
|
|
|
|
|
|
|
|
|
|
9 Alim. total |
|
|
|
|
|
|
Pe cele 7 circuite de alimentare pierderile de tensiune sunt mai mici decat DU = 5%.
D. Verificarea sectiunii in conditii de rezistenta mecanica
Asigurarea unei anumite rezistente mecanice a conductoarelor in timpul montajului si al exploatarii impune adaptarea unei sectiuni minime admise in functie de destinatia cablurilor. In cazul nostru pentru conducto
arele de aluminiu folosite in circuite de forta si iluminat fixe, sectiunea minima a conductorului are valoarea:
Sma = 2.5 mm2
tiunea aleasa verifica conditia de stabilitate termica, sunt mai mari decat Sma.
E. Verificarea sectiunii conductorului la stabilitatea termica si dinamica la scurtcircuit.
In instalatiile de joasa tensiune se poate folosi o metoda simplifi-
cata de verificare, considerandu-se indeplinita stabilitatea termica a con-
ductoarelor daca sectiunea verifica relatia:
S ³ Isc tsc/ c unde
Isc =
=
A
Unde U este tensiunea sursei de alimentare U = 380V
Iar impedanta de scurtcircuit Zsca circuitului de alimentare este determi-
nata de rezistenta totala si de reactanta inductiva totala Xsc de la punctul de alimentare cu energie electrica a retelei pana la locul defectului.
Si tsc s - timpul de intrerupere al circuitului ; c - coeficient ce depinde de tipul si materialul conductoarelor.
Calculul curentilor de scurtcircuit se face in diferite puncze ale re-
telei in acre se verifica sau se dimensioneaza elementele componente.
Verificarea sectiunii la stabilitate dinamica se face doar pentru bare, calculand efortul unitar de incercare Tef care trebuie sa fie mai mic decat cel admisibil : sef < sadm
2.5 Stabilirea sectiunii economice pentru conductoarele coloanei de alimentare a tabloului de distributie.
In reteaua de distribuire de curent alternativ se defineste sectiunea economica ca acea sectiune a conductorului activ pentru care se obtine regim de functionare optim economic ce conduce la cheltuieli totale minime pentru reteaua respectiva. In proiectarea retelei de distributie, sectiunea economica de calcul pentru conductoarele coloanei de alimentare a tabloului de alimentare si distributie se face cu relatia :
Sec c =
mm2
Imax este curentul cerut pe coloana tabloului de distributie ;
kc = 1 este coeficient de corectie functie de tona de combustibil marginal normat la momentul proiectarii ;
Jec = 0.41 A/mm2 este densitatea economica de curent, pentru linii elec-
trice cu conductoare din Al cu PVC la un timp al utilizarii, al puterii ma-
xime considerat T=4000 h/an.
In urma calculelor facute si inlocuirea cu valorile numerice se obtine valoarea : Sec = 88.5mm2.
2.6 Alegerea sigurantelor fuzibile pentru protectia circuitelor.
Siguranta fuzibila este un element electric de protectie care intra in constructia si exploatarea aparatelor electrice, care intrerupe circuitul in care ea este inseriata , atunci cand curentul electric depaseste un anumit timp, o valoare data prin topirea unuia sau mai multor elemente ale sigu-
rantei fuzibile , la trecerea unui curent electric mai mare decat cel prescris de siguranta.
Alegerea sigurantelor fuzibile consta in determinarea curentului nominal al elementului fuzibil si stabilirea curentului nominal al socului corespunzator, din datele de catalog.
Curentul nominal al elementului fuzibil rezulta din indeplinirea simultana a urmatoarelor conditii :
conditia de nefunctionalitate in regim normal de functionare al insta-
latiei electrice la sarcina de calcul :
³ Ic
- conditia de asigurare a protectiei conductoarelor retelei electrice la scurtcircuit :
Inf £ 3Ima , Ima =ak1k2k3Ima
conditia de nefunctionare la curentii de varf (de pornire a motoarelor ) :
Inf ³ Ip/c unde c=2.5 ,pentru porniri usoare, durata pornirii fiind mai mica de 4s.
In urma calculelor efectuate s-au trecut rezultatele in tabel :
Tabel nr. 6 :
|
Nr. crt. Utilaj |
Ic A |
Ima A |
Ip A |
Tipulsigurantei |
|
|
|
|
|
LFI 63/63 |
|
|
|
|
|
LFI 63/63 |
|
|
|
|
|
LFI 63/63 |
|
|
|
|
|
LFI 63/63 |
|
|
|
|
|
LFI 25/10 |
|
|
|
|
|
LFI 80/80 |
|
|
|
|
|
LFI 25/10 |
|
|
|
|
|
LFI 25/10 |
2.7Alegerea si reglarea contactelor cu relee termice pentru protectia motoarelor electrice ale masinilor unelte.
tie capabile sa inchida , sa suporte si sa intrerupa curentii de serviciu si de suprasarcina.
Contactorul asigura conditii ceruta de o anumita categorie de utilizare. Bobina contactorului face ca sa inchida sau sa deschida circuitul de alimentare al consumatorului atunci cand tensiunea scade sub 0.7Un , indeplinind functia unui releu de protectie la tensiune scazuta sub cea normala.
Releele termice sunt elemente bimetalice care la trecerea curentu-
lui electric prin elementul bimetalic fac ca acesta sa-si paraseasca starea netensionata si sa actioneze asupra unui contact reglabil. Acest curent poate sa fie chiar curentul ce trebuie protejat.
Releele termice pot fi reglate sa actioneze la deschiderea anumitor curenti de durata intr-o anumita gama de descrisa de fabricant. Reglarea se poate face printr-un buton de reglare. Curentul de reglaj Iz este curentul fata de care se evalueaza suprasarcina din circuit si pentru contactoarele cu relee termice este : Iz =k0(0.67 1)In k0 = 1 pentru temperaturi ale mediului ambiant intre +10ºC-35ºC,iar Ir este curentul releelor termice , curentul nominal al elementelor de protectie, inferior sau egal curentului nominal al aparatului : Ir £ In
Alegerea si reglarea contactoarelor cu relee termice consta in stabilirea curentului releelor termice Ir, a curentului de reglaj Iz care se alege egal cu curentul nominal al motorului protejat : Iz =In motor.
Curentii de scurtcircuit ce pot apare in punctele de amplasare a contactoarelor cu relee termice depasesc limite de stabilitate termica ale contactoarelor, astfel ca acestea s-ar distruge mai inainte de a reusi sa dea comanda de intrerupere a circuitului si de aceea in acest caz se necesita ca releele termice sa fie asociate cu sigurante fuzibile, care sa asigure protec-
tia de scurtcircuit , atat a circuitului electric cat si a contactorului respec-
tiv.
In cadrul acestui proiect de instalatie electrica se vor echipa cu contactoare cu relee termice numai acele receptoare care nu le au in schema proprie. Curentii nominali ai contactoarelor cu relee termice In si ai releelor termice Ir obtinuti in urma calculelor sunt trecuti in tabel :
Tabel nr. 7 :
|
Nr. utilaj |
In motor A |
Ir A |
In Ip |
|
|
Este prevazut de catre fabricant. |
||
|
|
|
|
|
|
|
|
|
|
|
|
|
|
|
|
|
|
|
|
|
|
|
|
|
|
|
|
|
|
2.8 Dimensionarea din punct de vedere fotometric al instalatiei de iluminat.
Iluminatul influenteaza in mod direct activitatea de productie si in acest sens sunt necesare asigurarea conditiilor optime de desfasurare a acesteia. Un iluminat de calitate permite ochiului o activitate de lunga durata, fara sa produca o oboseala a vederii , facand posibila obtinerea unei productivitati ridicate, reducerea rebuturilor , mentinerea capacitatii de munca.
Iluminarea locurilor de munca se face cu lampi electrice , montate in corpuri de iluminat, fluxul luminos emis de lampi fiind dirijat astfel incat sa se obtina efectele luminoase dorite.
Ansamblul corpurilor de iluminat - suprafata de lucru formeaza un sistem de iluminat. Datele necesare pentru dimensionarea sistemului de iluminat al atelierului mecanic sunt :
dimensiunile incaperii : L = 18m , l = 18m , H = 3.5m ;
inaltimea de suspendare : 2.5m ;
factorii de reflexie medii ai tavanului Qt = 0.7 si ai peretilor Qp = 0.5 ;
Nivelul de iluminare mediu pentru activitati ce se desfasoara in ateliere mecanice se considera Emed =101x. Se va adopta un sistem de iluminare general , direct , fluorescent realizat din corpuri de iluminat tip FIRA 01-240 echipate cu cate doua lampi fluorescente , realizat tip LFA 40/2.
Din catalogul de utilizare a corpului de iluminat ales se obtine coeficientul de utilizare U = 0.67 pentru un indice al incaperii
i = L l/n(L+l) =3.6.
Factorul de depreciere normat al incaperii industriale obisnuite , iluminatul cu lampi fluorescente este D = 1.5.
Fluxul luminos total al lampilor luminoase este :
Fti = Emed S D/U = 108806/m.
Pentru o lampa LFA 40/2 este Fz = 2520/m .Se poate determina numarul de lampi necesare instalatiei noastre :
NL = FtL / FL
Se alege un numar de 48 de lampi fluorescente intr-un punct P al
suprafetei de lucru , aflat exact intr-un punct central al suprafetei
delimitate de patru corpuri de iluminat asa cum se indica in figura de mai jos
:
Se calculeaza intai iluminarea provenind de la un singur corp fluorescent , avand in vedere ca acesta are lungimea L = 1.2m.Problema aceasta se clasifica in categoria surselor de lumina liniare.
Ep =
(sin2j jrad
F fluxul luminos total emis de
sursa de lumina liniara la lungimea L;
sin 2j = 2rL
/ (L2 + r2 ) ; j unghiul sub care se vede sursa de lumina din
punctul P ;
r - distanta normala de la punctul P pe linia in
prelungirea careia se afla sursa de lumina liniara ;In urma calculelor
efectuate s-au obtinut urmatoarele rezultate :
(Ep)L1 = 167.6 lx
(Ep)L2 = 126.3 lx
(EP)Lc = 41.3 lx
Iluminarea in punctul P datorata celor patru corpuri de
iluminat va fi :
(Ep)Lc = 165.2
lx
Valoarea este apropiata de valoarea medie calculata
anterior.
O parte importanta in utilizarea luminii
realizate de lampile fluorescente este calitatea luminii determinata prin
particularitatea pe care o dau aceste lampi - efectul stroboscopic.
Pentru a aduce la calitati de utilizare buna, grupul celor doua lampi
fluorescente vor fi in compensare , prin realizarea circuite-
lor lampilor , una inductiv si cealalta capacitiv.
ZB = R + jXB I1 = I2 = 0.43 ZB=ZC
ZC = -
I1
=![]()
C =
cosj
2.9 Dimensionarea prizei de pamant pentru instalatia de protectie
Legarea la pamant consta in racordarea elementelor conductoare care pot intra accidental sub tensiune,datorita unui defect,la o priza de pamant avand o dispersie a rezistentei atat de mica incat in cazul unui defect sa se stabileasca un curent suficient de mare pentru a determina in scurt timp o protectie maximala de curent montata inaintea echipamentului respectiv.
Priza de pamant este formata din electrozi ingropati in pamant,legati conductiv intre ei prin conductoare de legatura.
Cand este realizata
special pentru trecerea in pamant a curentului de defect este denumita
artificial si se executa de electrozide otel de diferite profile,fiind pozati
verticali sau orizontali . In cazul de fata se prevede ca masura de protectie
la nul,de protectie suplimentara prin legarea la pamant ,astfel ca rezistenta
de dispersie a instalatiei de legare la pamant este Rp
4W
Intrucat conductoarele de legare la pamantau o rezistenta aproxi-
Mativa Re W , priza de pamant trebuie sa aiba o rezistenta de Rp £ W. Se considera rezistenta solului r = 200mW corespunzatoare unui sol nisipos.
Se adopta o priza artificiala formata din electrozi verticali din teava de otel zincat F ² de L = 2m ingropati la adancimea q = 0.7m. Rezistenta de dispersie a prizei singulare se determina cu relatia :
Rpv = 0.366
lg![]()
=88.72 W
Se aproximeaza initial Rp = Rpv si se foloseste relatia : rpv = Rp nv:uv .
In ipoteza Uv = 1 rezulta :
nv =
=25.3
Se alege nv=26 electrozi verticali amplasati de jur imprejurul atelierului la o distanta maximala de 2.8m intre ei.In acest caz rezistenta de dispersie de pamant este Rpv = 3.5 W fiind deci inferioara celei prescrise de 3.5W
Schema radiala a retelei de alimentare care a fost dimensionata in cadrul acestei lucrari prezinta urmatoarele avantaje :
siguranta in alimentarea receptoarelor in sensul ca un defect de pe un circuit nu afecteaza restul retelei , deci functionarea celorlalte receptoare nu este afectata ;
elasticitatea retelei , extinderea ei pentru noi grupuri de receptoare se realizeaza cu usurinta prin coloane si tablouri de distributie supli-
mentare
Ca dezavantaje se mentioneaza investitii mari , consum ridicat de materi-
al conductor , numar mare de aparate in tablouri , dificultati in modifica-
rea retelei de cabluri la schimbarea
amplasamentului uti
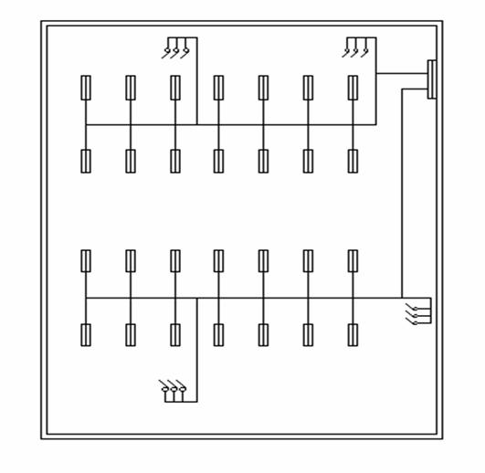
Legenda :
__________ cabluri montate in pardoseala
- - - - - - - instalatia nulului de protectie
O--------O priza de pamant.
|
|
TRANSF.DE SUDURA |
|
TABLOU DISTRIBUTIE |
|
|
MASINA DE GAURIT |
|
VENTILATOR |
|
|
POLIZOR DUBLU |
|
GHILOTINA |
|
|
STRUNG |
|
MASINA DE BOBINAT |
|
|
|
|
|
|
|
|
|
Planul instalatiei electrice de Forta a atelierului mecanic. |
Strung.
Polizor dublu.
Masina de gaurit.
Transformator de sudura.
Masina de bobinat.
Ghilotina.
Ventilator.
Tablou general de distributie a energiei.
|
|
|
|
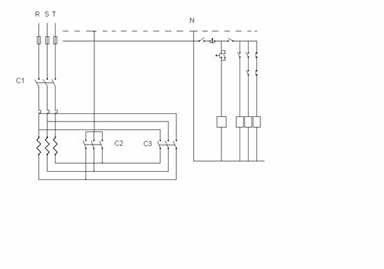
SCHEMA ELECTRICA MONOFILARA A INSTALATIEI ELECTRICE A ATELIERULUI MECANIC. |
|

|
|
|
|
PLANUL INSTALATIEI DE LUMINA AL UNUI ATELIER MECANIC. |
|
|