EXERCITIUL NR. 6: Piesa turnata

EXERCI|IUL NR 6:Pies[ turnat[
dim
linear =i aligned
diameter
continue =i baseline
angular
leader
radius
Cotarea unui cerc este in mod obi=nuit precedat[ de simbolul Ø insemn]nd ca dimensiunea urm[toare este aplicat[ pe un diametru. Acest caracter nu poate fi tiparit direct de la tastatura, dar AutoCAD furnizeaz[ o serie de fisiere shape ce pot fi invocate in linia de introducere a textului cotei. Pentru a ad[uga simbolul diametrului Ø unei cote tasta\i %%c unde "c" corespunde cotei circulare (pe diametru).
Alte caractere speciale pot fi ad[ugate folosind o sintax[ asem[n[toare:
%%d - simbolul gradului ("d" - degrees)
%%p - simbolul tolerantei ("p" - plus sau minus)
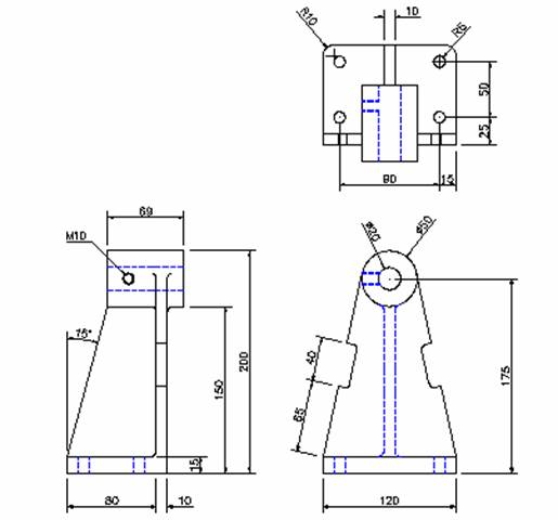
Se observ[ c[ pute\i regla textul dinamic. Plasa\i textul la aproximativ 30 mm distan\a fa\[ de limita piesei a=a cum este ar[tat in figura 4.
|
Figura 5 |
|
Figura 6 |
Figura 7
10. Reveni\i ]n meniul Dimension si selecta\i Continue. In linia de comand[ va apare cererea de selectare a celei de-a doua extremit[\i a liniei de cot[. Nu este nevoie s[ specifica\i prima extremitate a cotei deoarece aceasta este atribuit[ implicit de AutoCAD ultimului punct al cotei trasate anterior. Selecta\i col\ul din dreapta jos al piesei turnate.
11. Revenind la proiec\ia cotat[ initial, selecta\i Continue dup[ care selecta\i cota liniar[ de 40 mm. Alege\i a doua extremitate a cotei ]n punctul ]n care nervura inclinat[ int]lne=te baza piesei turnate, a=a cum este ilustrat in figura 8.
|
Figura 8 |
Folosirea optiunii Baseline
12. Trasa\i cota vertical[ de 15 mm (vezi figura 9) punct]nd col\ul din st`nga jos al piesei turnate ca prima extensie a liniei de cot[. Selecta\i pozi\ia liniei de cot[ la aproximativ 30 mm de corpul piesei turnate.
|
Figura 9 |
13. Selecta\i Baseline din meniul Dimension.
|
Figura 10 |
"Select second line extension". Selecta\i col\ul din dreapta jos al bosajului piesei turnate dup[ care selecta\i partea de sus, ca in figura 10. Selecta\i din nou baseline si alege\i al doilea punct in partea superioara a bosajului piesei (vezi figura 11).
|
Figura 11 |
15. Trasa\i cota orizontal[ de 69 mm ce reprezint[ lungimea bosajului ca in figura 12, folosind modul osnap intersection pentru selectarea precis[ a celor dou[ limite.
Trasarea cotelor unghiulare
16. Selecta\i optiunea Angular din meniul Dimension. La prima cerere din linia de comanda ap[sa\i tasta "Enter" pentru a putea specifica punctele necesare cotei unghiulare. La prima cerere a punctelor ce definesc unghiul selecta\i punctul in care nervura inclinat[ int]lne=te baza piesei turnate. Dac[ este necesar, urm[ri\i figura 6 pentru a identifica punctele ce trebuiesc selectate.
La cererea primei extremit[\i a unui bra\ al unghiului tasta\i coordonatele @90<75. Acest punct va fi plasat de-a lungul nervurii inclinate a piesei. Introduce\i extremitatea celui de-al doilea bra\ al unghiului tast]nd cooordonatele @0,23, determin]nd un punct pe verticala. Seta\i loca\ia arcului ce marcheaz[ cota tip[rind coordonatele 130,170 la urm[torul prompter si introduce\i coordonatele punctului de plasare a textului 130,160. Cota unghiular[ va fi trasat[ ca in figura 12.
|
Figura 12 |
Cotarea (leader)
17. Da\i comanda zoom window pentru a obtine vederea din figura 13.
|
Figura 13 |
18. Selecta\i optiunea Leader din meniul Dimension. Aceasta permite sa introduceti note despre anumite entit[\i din desen, indic]ndu-le printr-o sageat[.
Dezactiva\i modul snap (off) si la cererea "from point" selecta\i un punct de pe cercul exterior in pozi\ia corespunzatoare orei 10 de pe cadranul unui ceas folosind op\iunea nearest a modului osnap. Tasta\i coordonatele punctului de sf]r=it al liniei leader 130,290 dup[ care ap[sa\i tasta "Enter" pentru a completa detaliile liniei leader. La cererea textului introduceti "M10" pentru a specifica gaura filetat[ din figura 14, dupa care selecta\i butonul "OK".
|
Figura 14 |
19. Mari\i intregul desen cu comanda zoom all.
Cotarea razelor
20 Folosi\i zoom window pentru a crea o imagine similar[ celei din figura 15.
21. Selecta\i op\iunea Radius din meniul Dimension. Op\iunea radius lucreaz[ in acela=i mod cu diameter. La cererea arcului sau cercului ce trebuie dimensionat, selectati cercul din dreapta sus intr-un punct corespunzator orei 1 de pe cadranul unui ceas. Specificati dinamic locatia textului la aproximativ 30 mm in exteriorul piesei turnate, ca in figura 16.
figura 16 figura 15

22. Selecta\i din nou op\iunea radius si alege\i raza de rotunjire a col\ului din stanga sus a piesei turnate. Pozi\iona\i textul la aproximativ 30 mm ]n afara piesei (vezi figura 17). Se observ[ c[ se marcheaz[ automat centrele cercurilor si axele de simetrie.
Figura 17
24. Folositi comanda zoom all pentru a vedea intregul desen. Salva\i desenul si ie=i\i din editorul de desenare.
|