Documente online.
Zona de administrare documente. Fisierele tale
Am uitat parola x Creaza cont nou
 HomeExploreaza
upload
Upload




Realizarea unei sonde geotermale de mare adancime pentru extragerea caldurii prin intermediul unui circuit inchis

tehnica mecanica


Realizarea unei sonde geotermale de mare adâncime pentru extragerea caldurii prin intermediul unui circuit închis

Layout of a geothermal well at very profound depths for heat gaining by means of a closed circulation loop





Tisulescu Laurentiu, ing., absolvent al Facultatii de Instalatii, Universitatea Tehni 14414t1921o ca de Constructii Bucuresti (Technical University of Civil Engineering, Bucharest, Faculty of Building Services and Equipment) e-mail: [email protected]

Robert Gavriliuc, conf. dr. ing., Catedra de Termotehnica, Facultatea de Instalatii, Universitatea Tehni 14414t1921o ca de Constructii Bucuresti (Technical University of Civil Engineering, Bucharest, Faculty of Building Services and Equipment - Thermodynamics, Heat and Mass Transfer Department) e-mail: [email protected]

Adrian Gabriel Ghiaus, sef lucrari dr. ing., Catedra de Termotehnica, Facultatea de Instalatii, Universitatea Tehni 14414t1921o ca de Constructii Bucuresti (Technical University of Civil Engineering, Bucharest, Faculty of Building Services and Equipment - Thermodynamics, Heat and Mass Transfer Department) e-mail: [email protected]


Introducere


Universitatea Tehni 14414t1921o ca din Aachen va construi un nou sediu multifunctional destinat relatiei cu studentii. Se doreste ca aceasta constructie sa fie o punte între vechi si nou, între traditionalism si modernism.


Pentru asigurarea necesarului termic aceasta cladire va folosi energia geotermala. În paralel cu acest sistem va functiona si unul clasic cu scopul de a prelua vârfurile de consum de caldura. Profilul cladirii în forma de C, a fost astfel gândit încât sa asigure pe timpul verii o umbrire a fatadei sudice, iar pe timpul iernii - datorita pozitiei foarte joase a soarelui - aceasta sa fie încalzita de catre soare. Celulele fotoelectrice ce vor fi montate pe acoperis, vor asigura energia electrica necesara punerii în functiune a pompelor de vehiculare a agentului termic în schimbatorul de caldura geotermal


Energia geotermala


Pentru realizarea acestui proiect, înaintea lucrarilor efective de ridicare a cladirii, se va fora un put cu adâncimea de 2500 m, ce va servi pentru instalarea unui schimbator de caldura geotermal. Acest schimbator de caldura este de tipul teava în teava, printre tevi coborând returul pâna la adâncimea de 2500 m si preluând caldura de la sol, iar prin teava interioara se va întoarce apa încalzita. Temperatura în scoarta terestra creste cu aproximativ 28 pâna la 40 K/km, apa ajungând astfel la nivelul solului la o temperatura de aproximativ 700C. Pe perioada iernii, apa astfel încalzita va trece printr-un sistem de convectoare si încalzire prin pardoseala.

Introduction


The Technical University of Aachen will start the construction of a new multifunctional building, meant for the relation with the students. This building is intended to be a bridge between old and new, between traditionalism and modernism.

The heating and cooling demand of this building will be covered by geothermal energy. For covering the maximum demand, a classic energy system will be used in parallel with the geothermal system. The profile of the building in the shape of the letter C, was designed in such a way to shadow the south façade through the summer, and to heat it up during the winter due to the low position of the sun. Voltaic cells mounted on the roof will provide the electricity needed to run the pumps for the circulation of the heating agent within the geothermal heat exchanger.



Geothermal energy


For the achievement of this concept, before starting the construction of the building, a 2500 m deep well will be drilled, meant to be used for mounting a geothermal heat exchanger. This is a pipe-in-pipe type heat exchanger. In the space between the outer and the inner pipe, the thermal agent will flow down to 2500 m gaining heat from the rock, and then it will return trough the inner pipe. The temperature of the Earth crust rises by about 28 till 40 K/km, so that the thermal agent will reach the surface of the earth at about 700C temperature. During wintertime, the geothermal heated water will flow through a system of fan-coils and floor heating.

Pe perioada verii, capacitatea termica a schimbatorului de caldura geotermal (480 kW) va fi folosita pentru climatizarea cladirii cu ajutorul unei masini de racire prin adsorbtie. Dupa racirea apei, aceasta se reîntoarce în schimbatorul de caldura geotermal (circuit inchis), si ciclul se reia.

Energia geotermala este singura sursa de energie regenerativa ce poate fi folosita pe parcursul unui an întreg în întreaga Europa ca o alternativa la consumul de combustibili fosili. În Uniunea Europeana, 60% din emisiile de CO2 în atmosfera se datoreaza arderii combustibililor fosili pentru asigurarea necesarului termic al cladirilor. Unul din scopurile Uniunii Europene este acela de a micsora aceste emisii. Acest proiect demon-streaza avantajele economice si ecologice ale utilizarii energiei geotermale la cladirile mari, în cazul de fata realizându-se o reducere a emisiilor de 90%.


Date de simulare


Roca - are o conductivitate termica de 1.6 pâna la 2.1 W/m∙K si este formata din minereu argilos si nisipos. Temperatura creste cu 30 K/km pornind de la o temperatura la suprafata scoartei terestre de 9 °C.

Forajul - se va realiza în trepte, telescopic, dupa cum urmeaza:

Pâna la 20 m : 20" = 508 mm;

Pâna la 250 m: 17 ˝" = 444,5 mm,

Pâna la 1000 m: 14 ľ" = 374,7 mm;

Pâna la 2500 m: 8 ˝" = 215,9 mm;


Ţeava exterioara

Pentru protectia buzei superioare a forajului, pentru ghidarea ulterioara a agregatului de forare si pentru fixarea finala a schimbatorului de caldura, se vor introduce tevi de consolidare având urmatoarele diametre si adâncimi de asezare:

De la 0 la 20 m: 20" = 508 mm

De la 20 la 250 m: 16" = 406,4 mm

De la 250 la 1000 m: 13 3/8" = 339,7 mm

De la 1000 la 2500 m: 7 5/8 " = 193,7 mm

Spatiul dintre tevi si totodata cel dintre tevi si roca se va umple cu ciment. Pentru primii 750 m, între teava exterioara si roca se va turna un ciment cu o izolatie termica buna.

During summer time, the geothermal heat exchanger will provide about 480 kW for air conditioning by means of an adsorption-cooling machine. After the water cools down, it returns into the geothermal heat exchanger (closed loop), and the cycle is repeated.


The geothermal energy is the only source of regenerative energy that can be used in Europe throughout the whole year, as an alternative to the burning of fossil fuel. In the European Union, 60% of the CO2 emissions are caused by the fossil fuels burnt for insuring the thermal needs of buildings. One of the objectives of the European Union is to decrease these emissions. This project shows the ecological and economic advantages of geothermal energy for large buildings, the reduction of the emissions reaching 90%.




Simulation data


The rock - has a thermal conductivity between 1.6 and l 2.1 W/m∙K and is formed of clay and sandy minerals. The temperature rises by 30 K/km starting from a surface temperature of 9 °C.

The drill of the well - will be achieved step-wise, telescopic, as follows:

Until 20 m deep: 20" = 508 mm

Until 250 m deep: 17 ˝" = 444,5 mm

Until 1000 m deep: 14 ľ" = 374,7 mm

Until 2500 m deep: 8 ˝" = 215,9 mm


The outer pipe

For the protection of the superior margins of the well, for guiding the boring machine and for the final fixing of the heat exchanger, consolidation pipes with the following diameter and installations depths will be installed:

From 0 down to 20 m: 20" = 508 mm

From 20 down to 250 m: 16" = 406,4 mm

From 250 down to 1000 m: 13 3/8" = 339,7 mm

From 1000 down to 2500 m: 7 5/8 " = 193,7 mm

The space between the pipes and also between the pipes and the rock will be filled with concrete. For the first 750 m, an insulation concrete will be used between the outer pipe and the rock.

Se alege aceasta solutie cu scopul de a evita racirea apei care curge prin spatiul dintre tevi, apa având o temperatura de aproximativ 30°C, în timp ce temperatura scoartei terestre este mult mai scazuta. De la 750 m pâna la adâncimea finala de 2500 m se va utiliza un ciment bun conducator termic (conductivitatea termica fiind de aproximativ 2,1 W/m∙K).

Ţeava interioara - este alcatuita din fibra de sticla. La partea superioara se va folosi o teava cu pereti dubli la interior, având mici sfere de sticla si aer cu rolul de a izola termic si totodata de a asigura rezistenta la presiune. Aceasta se impune pentru a evita racirea apei din turul schimbatorului geotermal. La partea inferioara se va folosi teava din fibra de sticla neizolata. Adâncimea la care se recomanda schimbarea tevii interioare de la izolata la neizolata va fi rezultatul simularii. Caracteristicile tevii interioare sunt:

De la 0 la 1000 m

Diametrul exterior: 114,3 mm (4,5")

Diametrul interior 75,7 mm

Conductivitatea termica λ = 0,045 W/m K

Lungimea unei tevi: 4,25 m

De la 1000 m la 2500 m

Diametrul exterior: 88,9 mm (3,5")

Diametrul interior: 75,7 mm

Conductivitatea termica: λ= 0,3 W/m K

Lungimea unei tevi: 9 m


Agentul termic este apa, cu caracteristicile termice ale apei potabile si debitul cuprins între 0 si 10 m3/h. Apa patrunde în schimbatorul de caldura geotermal cu o temperatura cuprinsa între 30 si 35°C. Temperatura de iesire a apei din schimbator se preconizeaza sa fie de 55°C iarna si 70°C vara. Variatiile necesarului termic zilnic sa fie realizat prin intermediul debitului de apa.


Modelul sondei geotermale


Pentru rezolvarea sistemului de ecuatii diferentiale s-au facut anumite ipoteze, cum ar fi aceea ca temperatura Pamântului creste liniar cu adâncimea cu o valoare de 30 K/km:

This solution was chosen to avoid cooling the water flowing between the pipes, because the temperature of the rock is much smaller than the temperature of the thermal agent (30°C). From 750 m down to the final depth of 2500 m, concrete with good heat conductivity (about 2,1 W/m∙K) will be used.


The inner pipe is a fiber glass pipe. At the upper part, a double walled pipe filled with glass spheres and air will be used, having the purpose to insulate the water flowing downstream from the water flowing upstream, and also to ensure the needed pressure resistance, avoiding the water cooling.

At the lower part, the pipe is a non-insulated fiber glass pipe. The simulation will show the depth where the change from the insulated pipe to the simple pipe should be done. The characteristics of the inner pipe are:

From 0 down to 1000 m

Outer diameter: 114,3 mm (4,5")

Inner diameter: 75,7 mm

Heat conductivity: λ = 0,045 W/m K

Length of one piece: 4,25 m


From 1000 m down to 2500 m

Outer diameter: 88,9 mm (3,5")

Inner diameter: 75,7 mm

Heat conductivity: λ = 0,3 W/m K

Length of one piece: 9 m


The thermal agent is water, with the thermal properties corresponding to the drinking water and a flow rate in the range 0 to 10 m3/h. The water enters the geothermal heat exchanger at a temperature of 30 to 35°C. The needed temperature for the water exit is 55°C in winter time and 70°C in summer time. The variations of the daily heat demand should be controlled trough the water flow rate.


Model of the ground well


For solving the differential equations system, several assumptions were made: the first one is that the temperature of the ground has a linear rise with the depth by 30 K/k:


                      (1)

O a doua ipoteza simplificatoare este aceea ca între teava exterioara si scoarta terestra nu exista nici o rezistenta termica, deci s-a presupus ca în punctul de contact temperatura pamântului la o anumita adâncime este si temperatura pe fata exterioara a tevii exterioare la aceeasi adâncime.


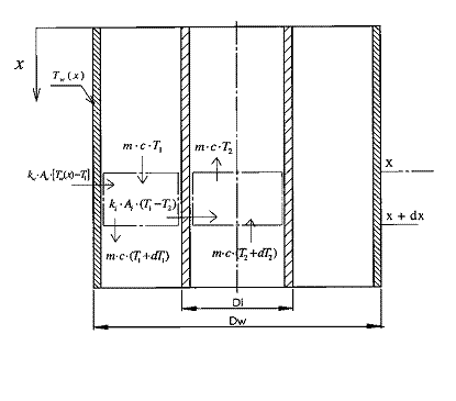
Ecuatiile de bilant energetic

Pentru zona inelara avem:

The second hypothesis is that in the contact point of the soil with the outer pipe there is no heat resistance, and so, the soil temperature at a certain depth is also the temperature of the outer wall of the pipe.




The equations for the heat balance

For the space between the pipes we have:


                       (2)


Pentru teava interioara:  For the inner pipe:


                                  (3)


unde Aw, Ai reprezinta suprafetele laterale exterioara a tevii exterioare, respectiv interioare; pentru o lungime elementara dx:

where Aw, Ai represent the lateral surface of the outer/inner pipe for an elementary length dx:



;       (4)


Modelul de calcul pentru sonda geotermala este prezentat în Figura 1.

The computational model for the geothermal well is presented in Figure 1.

Fig. 1 Modelul de calcul pentru sonda geotermala

The computational model for the geothermal well

 

Rezolvarea sistemului de ecuatii diferentiale conduce la urmatoarele ecuatii:

Ecuatia temperaturii pentru teava interioara (T2):

Solving of the differential equation system yields the following equations:

The equation of the temperature for the internal pipe (T2):


    (5)

Ecuatia temperaturii pentru spatiul dintre tevi (T1):

The equation of the temperature for the space between the pipes (T1):


+

     (6)


Ecuatiile finale

Pentru a simplifica ecuatiile, vom introduce urmatoarele modificari de notatii:

T1→T Temperatura în spatiul dintre tevi

T2→T'        Temperatura în teava interioara

C1→C; C2→C'       Constantele de integrare

Debitul de agent termic

Alte notatii utilizate sunt prezentate mai jos:

The final equations

For making this equation friendly we will introduce the following notation changes:

T1→T                Temperature between pipes

T2→T'               Temperature in the inner pipe

C1→C; C2→C' Integration constants

              Water flow rate

Other notations used are presented below:


(8)

(9)


ę reprezinta o marime adimensionala ce caracterizeaza transferul termic pentru o anumita sectiune.

ę represents an non-dimensional value which shows the heat transfer for a specified section.



Datorita faptului ca schimbatorul de caldura îsi schimba structura odata cu adâncimea, se impune împartirea acestuia în sase zone. Primii 20 de metri nu au fost tratati separat datorita faptului ca temperatura solului nu conduce la o

Due to the fact that the structure of the heat exchanger varies according to the depth, it should be divided into six zones. The first 20 m have not been treated separately because the temperature of the soil cannot lead to an

crestere a temperaturii agentului termic si totodata, în comparatie cu lungimea totala a schimbatorului de caldura, acesti 20 de metri sunt nesemnificativi. Totodata, de la 900 m pâna la 1000 de metri adâncime, exista o suprapunere a tevilor. Aceasta zona este calculata împreuna cu partea superioara a schimbatorului de caldura, întrucât rezistenta termica a treptei superioare suprapunerii este mai mare decât rezistenta termica a partii inferioare. Rezultatul îl constituie un numar de douasprezece ecuatii care reflecta evolutia temperaturii agentului termic în interiorul schimbatorului de caldura geotermal.

increase of the water temperature, and besides, this 20 m long section has no significance in comparison to the whole length of the heat exchanger. Also, from 900 m down to 1000 m, there is a pipe overlap, and this region was calculated together with the upper part of the heat exchanger, because the thermal resistance of the upper part is higher than the heat resistance of the lower part. The result is a number of twelve equations showing the evolution of the water temperature inside the geothermal heat exchanger.



                                 (12)

Pentru / For:     

   (13)

Pentru / For:     

Unde / Where:   j = 1 ÷ 6, L0 = 0

si / And:            L6 = L

Obtinem / We get:                               (14)

(15)


Stabilirea constantelor de integrare

Pentru primele 5 zone (j = 1 ÷ 5), constantele de integrare se obtin din conditiile initiale de cuplare a zonelor.



The integration constants

For the first 5 zones (j = 1 ÷ 5), the integration constants are calculated with the initial coupling conditions of the zones:


(16)

Conditia finala de determinare a constantelor de integrare este:

The final condition for determining the integration constants is:


                           (17)


Calculul constantelor de integrare permite determinarea legii de variatie a temperaturii în lungul zonelor schimbatorului de caldura geotermal.


Determinarea coeficientului de transfer termic în spatiul dintre tevi


Pentru determinarea coeficientului de transfer termic dintre fluidul ce strabate zona inelara si peretii tevilor, se foloseste diametrul hidraulic.

The calculation of the integration constants allows us to determine the temperature along the heat exchanger zones.



Calculation of the heat transfer coefficient in the space between the pipes


For the calculation of the heat transfer coefficient between the fluid and the walls, the hydraulic diameter will be used.


                           (18)


cu da s-a notat diametrul interior al tevii exterioare si cu di diametrul exterior al tevii interioare.

Rezulta criteriile Nusselt si Reynolds, dupa cum urmeaza:

where da represents the inner diameter of the outer pipe and di represents the outer diameter of the inner pipe.

The resulting Nusselt and Reynolds numbers are as follows:


  (19)


Proprietatile fizice ale apei se vor determina pentru valoarea medie a temperaturii acesteia.

Într-o zona inelara, se pot întâlni urmatoarele scenarii de transfer termic:

Transfer termic de la teava interioara catre fluid, teava exterioara fiind izolata termic;

Transfer termic de la teava exterioara catre fluid, teava interioara fiind izolata termic;

Transfer termic atât de la teava interioara, cât si de la cea exterioara, conditie în care se impune ca temperatura peretilor celor doua tevi sa fie egale JWi JWa

În Figura 2 sunt prezentate cele trei conditii la limita existente.

The physical properties of the water will be determined at its average temperature.

In a ring area, the following three possibilities of heat transfer can be met:

Heat transfer from the inner pipe to the fluid, the outer pipe being insulated;

Heat transfer from the outer pipe to the fluid, the inner pipe being insulated;

Heat transfer from both pipes to the fluid, on the condition that the temperatures of both pipes are the same JWi JWa


Figure 2 presents the three possible limit conditions.

Fig. 2 Conditiile la limita de transfer termic dintre peretii tevilor si fluid

The limit conditions for the heat transfer between the walls of the pipes and the fluid

În situatia de fata, se aplica conditiile la limita corespunzatoare celui de-al treilea caz, deoarece se realizeaza transfer termic catre fluid atât de la scoarta terestra, cât si de la teava interioara.

Se va utiliza urmatoarea lege curgere:

For the present situation, the limit conditions corresponding to the third case will be used, because the heat transfer to the fluid occurs both from the ground, and from the inner pipe.

The following flowing law will be used:


                            (20)


Determinarea coeficientului de transfer termic pentru zona inelara


Folosind marimile adimensionale Nu, Re si d/l în cazul curgerii turbulente, precum si diametrul hidraulic al zonei inelare, va rezulta pentru domeniul 0<di/da<l :

Calculation of the heat transfer coefficient for the ring zone


Using the non-dimensional numbers Nu, Re and d/l, and the hydraulic diameter of the ring zone, for the domain 0<di/da<l we will have:


                            (21)


Determinarea marimii adimensionale NuRohr se va face utilizând una din relatiile de mai jos, dupa cum urmeaza:

For the calculation of NuRohr , one of the equations below can be used, as follows:


Pentru / For: 0,5<Pr<1,5

                  (22)

Pentru / For:                  1,5<Pr<500

                   (23)

Domeniul de valabilitate al relatiilor (22) si (23) este:

The validity domain of the equations (22) and (23) is:


2300 <  ≤ 106

0,6 < Pr ≤ 1000 (24)

0 < dh / l ≤ 1


Determinarea coeficientului de transfer termic pentru teava interioara


În cazul curgerii turbulente pentru fluide, Gnielinski a definit urmatoarea ecuatie:

Calculation of the heat transfer coefficient for the inner pipe


Gnielinski defined the following equation for the turbulent fluid flow:


(25)


Cu / With:         (25)


Domeniul de valabilitate este: The validity domain is:


2300 <  ≤ 106 (26)

di/l < 1


În practica se folosesc foarte des urmatoarele ecuatii simplificate:

In practice, the following simplified equations are used:


Pentru / For: 0,5 < Pr < 1,5

                      (27)

Pentru / For: 1,5 < Pr < 500

                         (28)


În aceasta lucrare de fata s-au folosit pentru determinarea coeficientului de transfer de caldura ecuatiile (27) si (28). Atât pentru zona inelara, cât si pentru teava simpla, raportul Pr/Prw s-a considerat egal cu 1.


Determinarea coeficientului global de transfer termic


Pentru calculul coeficientului global de transfer termic k, în cazul unei tevi cu mai multe straturi, vom folosi urmatoarea relatie:

Equations (28) and (29) were used in this paper for the calculation of the heat transfer coefficient. The value of the term Pr/Prw was considered 1, for the ring zone and for the inner pipe as well.


Calculation of the overall heat transfer coefficient


In the case of a multi-layer pipe, the following equation for the calculation of the overall heat transfer coefficient k will be used:


      (29)


Rezultatele simularii


Obtinerea unei temperaturi a apei de 70°C la iesirea din schimbatorul de caldura geotermal, se poate realiza dupa mai multe scenarii, dar din punct de vedere economic si al puterii termice a schimbatorului, urmatoarea solutie este cea mai interesanta:

Se recomanda ca adâncimea putului sa fie de 2500 m. Un put mai adânc ar conduce la o investitie mai ridicata si la cheltuieli de exploatare mai mari datorita cresterii puterii de pompare.


Results of the simulation


A 70°C water temperature at the exit of the geothermal heat exchanger can be obtained according to several scenarios, but the following possibility is the best from the economic and heat gain point of view:


The depth of the well should be 2500 m. A deeper well would lead to bigger investment costs and to bigger running costs too, due to an increase of the pumping power.




Singura posibilitate ca apa sa atinga temperatura de 70°C la iesirea din schimbatorul de caldura geotermal cu lungimea de 2500 m, este de a mari lungimea de izolatie a tevii interioare de la 1000 m la 1700 m..

Reducerea diametrului tevii exterioare de la 7 5/8" la 5 ˝ ", respectiv marirea acestuia la         9 5/8 " nu are nici un sens, întrucât temperatura de iesire a apei din schimbatorul de caldura este în ambele cazuri sub cea dorita.

Simularea a demonstrat ca adâncimea de 750 m, la care se face schimbarea tipului de beton de la cel izolant la cel bun conducator de caldura, duce la rezultate satisfacatoare.

De asemenea, simularea a demonstrat ca, în zona inelara, pâna la adâncimea de 500 m, temperatura agentului termic scade de la 30 °C pâna la 22,8 °C. Pentru a evita acest neajuns s-a încercat folosirea unui ciment cu o conductivitate termica mult mai mica, de 0,5 W/m∙K, dar îmbunatatirile au fost nesemnificative.

Exista si alte variante pentru schimbatorul de caldura geotermal, dar acestea trebuiesc gândite atât din punct de vedere al posibilitatilor tehnice de realizare cât si din punct de vedere economic.


The only way to get a 70°C water temperature at the exit of the 2500 m long geothermal heat exchanger, is to increase the insulation length of the inner pipe from 1000 m to 1700 m.


The reduction of the diameter for the outer pipe from 7 5/8" to 5 ˝ " and its increase to 9 5/8" is useless, because in both cases the water exit temperature from the heat exchanger is smaller.


The simulation proved that the 750 m depth for changing the concrete type from the insulating to the conductive type, leads to pretty good results.

The simulation also showed that, for depths down to 500 m, the water temperature in the ring zone between the pipes drops from 30 °C to 22,8 °C. In order to avoid this shortcoming, a concrete with a much smaller heat conductivity (0,5 W/m∙K) was used, but the results did not improve significantly.

There are also other options for the geothermal heat exchanger, but these must be well thought over, both from a technical and an economic point of view.



Auslegung einer Erdsonde zur Wärmegewinnung über ein geschlossenes Zirkulationssystem aus sehr großen Tiefen


Zusammenfassung


Mitten im Aachener Hochschulviertel baut die RWTH Aachen ein zentrales Service-Center für Studierende. Die Energietechnik des Gebäudes basiert darauf, zunächst Umweltressourcen und natürliche Prozesse, und zwar Erdwärme zu nutzen. Der Artikel stellt die Modellierung eines geothermischen Wärmetauscher mit Hilfe des Programmes Matlab dar. Dabei wird die Auswirkung einzelner Parameteränderungen bei jeweils konstanten übrigen Parameters untersucht. Die Einflüsse der Isolierungslänge, des Innenrohrs, des Volumenstrommes und der Bohrtiefe werden betrachtet. Die Schlussfolgerungen zeigen daß auch andere mögliche Auffassungen studiert werden können, aber sie in Verbindung mit der Kosten-Nutzen-Analyse gedacht werden müssen.



Bibliografie

References


Zeller, M. - Wärme- und Stoffübertragung - Übungsaufgaben und Lösungen, WÜK 2002


Renz, U. - Wärme- und Stoffübertragung - Vorlesung, WÜK 2002


Renz, U. - Wärmeübertrager und Dampferzeuger - Vorlesung, WÜK 2003




L. Rybach, T. Megel, W.J. Eugster - How Renewable are Geothermal Resources? Geothermal Resources Council Transactions, Vol. 23, October 17-20, 1999


T. Kohl, R. Brenni, W.J. Eugster - System performance of a deep bore hole heat exchanger, Geothermics 31 (2002) 687-708


L. Rybach, M. Brunner, H. Gorhan - Swiss Geothermal Update 1995-2000, Proceedings World Geothermal Congress 2000, Kyushu-Tohoku, Japan, May 28 - June 10, 2000


H. Gorhan - Geothermie-Überblicksbericht zum Forschungsprogramm 2001, Programm Geothermie S.133-146


Toni Wimmer - Super C- das studienfunktionale Zentrum der RWTH Aachen, Pressestelle der RWTH Aachen 2002


*** VDI-Wärmeatlas - Berechnungsblätter für den Wärmeübergang, VDI Verlag: Düsseldorf 1994


*** VDI-Wärmeatlas - Thermische Nutzung des Untergrundes Erdgekoppelte Wärmepumpenanlagen, VDI Verlag: Düsseldorf 2001


*** Geologie in Aachen - Geothermie für das SuperC, Institut für Markscheidewesen 2003







Document Info


Accesari: 4412
Apreciat: hand-up

Comenteaza documentul:

Nu esti inregistrat
Trebuie sa fii utilizator inregistrat pentru a putea comenta


Creaza cont nou

A fost util?

Daca documentul a fost util si crezi ca merita
sa adaugi un link catre el la tine in site


in pagina web a site-ului tau.




eCoduri.com - coduri postale, contabile, CAEN sau bancare

Politica de confidentialitate | Termenii si conditii de utilizare




Copyright © Contact (SCRIGROUP Int. 2025 )