Seminar 4. Rezolvarea aproximativa a circuitelor cu diode functionând la semnal mare (continuare sem. 3)
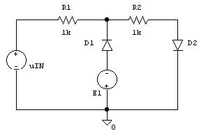
Problema 4.1
Pentru circuitul din figura 4.1a, stiind ca tensiunea de intrare uIN -10V, 10V si tensiunea E1=3V, sa se deduca expresia tensiunii uOUT si sa se reprezinte grafic. Care este valoare maxima a curentului prin dioda D1? Sa se reprezinte pe acelasi grafic uIN si uOUT daca uIN este un semnal sinusoidal cu amp 141x2315b litudinea de 10V si frecventa de 1kHz.Parametrii ce caracterizeaza diodele sunt: uD0 = 0,6V, rD = 0W si IS = 0A.

Figura 4.1a
Raspuns:
Expresia tensiunii de iesire uOUT este (vezi figura 4.1b):

Valoarea maxima a curentului iD1 se obtine pentru cazul când dioda D1 conduce, scriind Kirchhoff II pentru ochiul de circuit în care se afla D1 maximizând valoarea lui uIN (vezi figura 4.1c).
![]()

Pe baza variatiei tensiunii uOUT functie de variatia tensiunii uIN (vezi relatia pentru uOUT si figura 4.1b) se obtine o reprezentarea grafica pentru uOUT când uIN este semnal sinusoidal conform figurii 4.1d .
Figura 4.1b

Figura 4.1c
Figura 4.1d
Problema 4.2
Pentru circuitul din figura 4.2a, stiind ca tensiunea de intrare uIN -10V, 10V si tensiunea E1=3V, sa se deduca expresia tensiunii uOUT si sa se reprezinte grafic. Care este valoare maxima a curentului prin dioda D2? Sa se reprezinte pe acelasi grafic uIN si uOUT daca uIN este un semnal sinusoidal cu amp 141x2315b litudinea de 10V si frecventa de 1kHz.Parametrii ce caracterizeaza diodele sunt: uD0 = 0,6V, rD = 10W si IS = 0A.
iD2 uOUT
Raspuns:
Expresia tensiunii de iesire uOUT este (vezi figura 4.2b):
Valoarea maxima a curentului iD2 se obtine
pentru cazul când dioda D2 conduce, scriind
Kirchhoff II pentru ochiul de circuit în care se afla D2 maximizând
valoarea lui uIN (vezi figura 4.2c).
![]()

Pe baza variatiei tensiunii uOUT functie
de variatia tensiunii uIN (vezi relatia pentru uOUT
si figura 4.2b) se obtine o reprezentarea grafica pentru uOUT
când uIN este semnal sinusoidal conform figurii 4.2d .
Figura 4.2b

Figura 4.2 c
Figura 4.2 d
Problema 4.3
Pentru circuitul din figura 4.3a, stiind ca tensiunea de intrare uIN -10V, 10V si tensiunile E1=1V, E2=2V sa se deduca expresia tensiunii uOUT si sa se reprezinte grafic. Care este valoare maxima a curentului prin dioda D1? Sa se reprezinte pe acelasi grafic uIN si uOUT daca uIN este un semnal sinusoidal cu amplitudinea de 10V si frecventa de 1kHz.Parametrii ce caracterizeaza diodele sunt: uD0 = 0,6V, rD = 10W si IS = 0A.
iD1 uOUT
Raspuns:
Expresia tensiunii de iesire uOUT este (vezi figura 4.3b):
Valoarea maxima a curentului iD1 este 7,87mA
(vezi figura 4.3c).
Pe baza variatiei tensiunii uOUT functie de variatia tensiunii uIN (vezi relatia pentru uOUT si figura 4.3b) se obtine o reprezentarea grafica pentru uOUT când uIN este semnal sinusoidal conform figurii 4.3d .
Figura 4.3b
Figura 4.3c
Figura 4.3d
Problema 4.4
Pentru circuitul din figura 4.4a, stiind ca tensiunea de intrare uIN -10V, 10V si tensiunile E1=1V, E2=2V sa se deduca expresia tensiunii uOUT si sa se reprezinte grafic. Care este valoare maxima a curentului prin dioda D1? Sa se reprezinte pe acelasi grafic uIN si uOUT daca uIN este un semnal sinusoidal cu amplitudinea de 10V si frecventa de 1kHz.Parametrii ce caracterizeaza diodele sunt: uD0 = 0,6V, rD = 10W si IS = 0A.
iD1 uOUT
Raspuns:
Expresia tensiunii de iesire uOUT este (vezi figura 4.4b):
Valoarea maxima a curentului iD1 este 8.3mA
(vezi figura 4.4c).
Pe baza variatiei tensiunii uOUT functie de variatia tensiunii uIN (vezi relatia pentru uOUT si figura 4.4b) se obtine o reprezentarea grafica pentru uOUT când uIN este semnal sinusoidal conform figurii 4.4d .

Figura 4.4b
Figura 4.4c
Figura 4.4d
|