SCHEME ELECTRICE DE ACŢIONĂRI
Actionarea motoarelor asincrone
Actionarea manuala a motoarelor asincrone
Actionarea manuala a motoarelor electrice poate fi facu 646y245g ta cu ajutorul comutatoarelor cu came. Aparate care permit īnchiderea si deschiderea circuitului sub sarcina mica.
Comutatoarele cu came sunt construite īn variante cu unul, doua sau trei etaje, la curenti nominali de functionare īntre 20 si 100A, cu montaj pe usa tabloului sau pe sina omega, cu comutatie standard 0-I sau I-0-II.
Familia de elemente de comanda si semnalizare este compusa din butoane de comanda, lampi de semnalizare, butoane cu lampa inclusa, selectoare cu doua sau trei pozitii, cu sau fara revenire.
|
|
|
|
|
Figura. 3.1. Comutatoare cu came. Tipodimensiuni |
Comutatoarele cu came utilizate la pornirea si oprirea unui motor asincron trifazat de putere mica, este prevazut cu trei etaje. Conectarea celor trei faze se face la un capat al polului comutatorului, iar motorul va avea conectate intrarile la capatul omolog al polului (fig. 3.2.). Īn schema este utilizat un comutator care poate fi utilizat drept īntreruptor de sarcina si pentru instalatii de iluminat, īncalzit sau sarcini combinate.
|
Schema electrica pentru pornirea manuala |
|
|
|
Fig. 3.2. pornirea manuala a motoarelor asincrone |
||
Īntreruptoarele principale sunt conform normelor IEC/EN 60 204; VDE 0113 daca cele cu montaj spate au dispozitiv de interblocare a usii, posibilitate de īnchidere cu lacat, borne de alimentare protejate īmpotriva atingerii cu degetul, borne pentru conductoarele de nul (N) si de protectie (PE), māner cu maneta rosie (la cerere neagra), eticheta de avertizare. Daca apartenenta unui motor la un comutator principal nu este clara, atunci pentru fiecare motor este necesar un īntreruptor de īntretinere īn imediata apropiere a motorului.
Īntreruptoarele pentru īntretinere, reparatii se monteaza īn apropierea masinilor si echipamentelor pentru a permite īndeplinirea normelor de securitate a muncii īn cazul lucrarilor de īntretinere si reparatii. Prin montarea unui lacat pe dispozitivul de blocare cu lacate SVB, fiecare operator se poate proteja īmpotriva unei conectari neautorizate a echipamentului.
Actionarea automata a motoarelor asincrone
Eliminarea efortului fizic al operatorului, īn cazul īn care se solicita porniri repetate sau conditionate, se face utilizānd scheme de pornire automate.
Prin pornire automata īntelegānd efectuarea unor operatii controlate de catre operator prin scheme adecvate procesului tehnologic.
Cea mai simpla schema este cea care face posibila pornirea - oprirea alimentarii unui motor asincron. Pe scheletul acestei scheme pot fi realizate combinatii de scheme care sa faca posibila: pornirea, inversarea sensului de rotatie, pornirea conditionata, interblocarea, temporizarea unor operatii cerute de procesul tehnologic.
Pornirea īntr-un singur sens a motorului asincron trifazat
Competente:
elaborarea schemei electrice de forta si comanda pentru pornirea automata a motorului asincron trifazat cu rotorul īn scurtcircuit;
precizarea rolului aparatelor din schema;
realizarea montajului conform schemei electrice elaborate;
respectarea normelor de igiena si protectia muncii īn timpul executarii montajului.
Schema de lucru:
Figura 3.3. Schema electrica de forta si comanda pentru pornirea automata a motorului asincron trifazat cu rotorul īn scurtcircuit
Nomenclatorul aparatelor:
e1, e2, e3, e5, e6 - sigurante fuzibile;
e4 - bloc relee termice;
bp - buton pornire; bo - buton oprire.
Mod de lucru
Pornirea motorului se face
actionānd asupra butonului bp, din circuitul 3.
Īn acest moment bobina contactorului
contactele nd. din circuitul de forta (1) - motorul fiind alimentat la retea.
C.n.d. (4) - destinat automentinerii circuitului de comanda sub tensiune.
Oprirea motorului se face actionānd butonul de oprire, bo, din circuitul 3, moment īn care circuitul de alimentare este īntrerupt.
Rolul blocului de relee e4 (1) este de a īntrerupe alimentarea motorului daca acesta este supraīncarcat. Acest lucru este posibil prin deconectarea cnd (2), moment īn care circuitul de comanda nu va mai fi alimentat.
Montajul va fi executat pe un stand de probe (figura 3.4) cu ajutorul cordoanelor de legatura prevazute la capete cu borne speciale.
|
|
|
|
|
Figura 3.4. Stand probe: pozitionare aparate; vedere stand |
FIsĂ DE AUTOEVALUARE
Nr.
crt
PROBA
PUNCTAJ
NOTARE
OBSERVAŢII
Circuit de forta 4p
- sigurante fuzibile: 2p
- contactor 1C: 1p
- bloc relee termice TSA: 1p
Circuit de comanda 6p
Buton de pornire bp: 1p
Buton de oprire: 1p
CNI TSA (2): 1p
CND
Precizarea rolului aparatelor electrice
- e1, e2, e3 - 1p
- e5, e6 - 1p
- e4 - 1p
-
- CND
- bo - 1p
- bp - 1p
Realizarea montajului
estetica montajului 5p
realizarea interconexiunilor 25p
dezizolare conductor: 5p
ochiuri: 5p
sens de strāngere: 5p
fixare rigida a conductorului
īn contact: 5p
liniaritate si racord conductor: 5p
Respectarea normelor de igiena si
protectia muncii
Respectarea integritatii
aparatajului electric
TOTAL
Pornirea motorului asincron trifazat din mai multe puncte de lucru
Competente:
elaborarea schemei electrice de forta si comanda pentru pornirea automata a motorului asincron trifazat cu rotorul īn scurtcircuit din mai multe puncte de lucru;
precizarea rolului aparatelor din schema;
realizarea montajului conform schemei electrice elaborate;
respectarea normelor de igiena si protectia muncii īn timpul executarii montajului.
Nomenclatorul aparatelor:
e1, e2, e3, e5, e6 - sigurante fuzibile;
e4 - bloc relee termice;
bp1, bp2 . - butoane de pornire;
bo1, bo2 . - butoane de oprire.
Schema de lucru:


Figura 3.5. Schema electrica de forta si comanda pentru pornirea automata a motorului asincron trifazat cu rotorul īn scurtcircuit din mai multe puncte de lucru
Mod de lucru
Observatie: butoanele bp1, bp2 (si de la caz bp3, bp4.) se vor conecta īn paralel (circuitul 5 si de la caz la caz 6, 7 etc.). Butonul de oprire bo1 (3) se va conecta īn serie cu bo2, bo3 etc.
Pornirea motorului se face identic ca si īn schema 1.2.1. Se actioneaza butonul de pornire bp1 (3). Motorul va porni
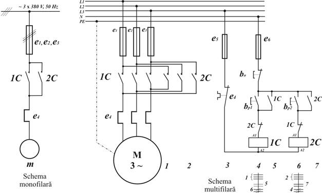
Pornirea si inversarea sensului de rotatie a motorului asincron cu rotorul īn scurtcircuit
Competente:
elaborarea schemei electrice de forta si comanda pentru pornirea si inversarea sensului de rotatie a unui motor asincron trifazat cu rotorul īn scurtcircuit;
precizarea rolului aparatelor din schema;
realizarea montajului conform schemei electrice elaborate;
respectarea normelor de igiena si protectia muncii īn timpul executarii montajului.
Nomenclatorul aparatelor:
e1, e2, e3, e5, e6 - sigurante fuzibile;
e4 - bloc relee termice;
bp1, bp2 - butoane de pornire;
bo - buton oprire.
Schema de lucru:
Figura 3.6. Schema electrica de forta si comanda pentru pornirea si inversarea sensului de rotatie a unui motor asincron trifazat cu rotorul īn scurtcircuit
Mod de lucru:
Schema electrica are 7 circuite, doua de forta ( si ) si cinci de comanda.
Pornirea īn sens direct. Se
actioneaza butonul bp1 (4). Prin alimentarea
bobinei contactorului
Oprirea se face actionānd butonul bo, buton aflat īn circuitul 4.
Pornirea īn sens invers. Se actioneaza butonul bp2
(6). Prin alimentarea bobinei contactorului
Pornirea si inversarea manuala a sensului de rotatie a motorului asincron cu rotorul īn scurtcircuit
Competente:
elaborarea schemei electrice de comanda manuala pentru pornirea si inversarea sensului de rotatie a unui motor asincron trifazat cu rotorul īn scurtcircuit;
precizarea rolului aparatelor din schema;
realizarea montajului conform schemei electrice elaborate;
respectarea normelor de igiena si protectia muncii īn timpul executarii montajului.
Schema de lucru:

Figura 3.7. Schema electrica de forta si comanda pentru pornirea si inversarea sensului de rotatie a unui motor asincron trifazat cu rotorul īn scurtcircuit cu ajutorului unui comutator
|
|
|
|
|
|
Figura 3.8. Inversoare de sens modulare |
|||
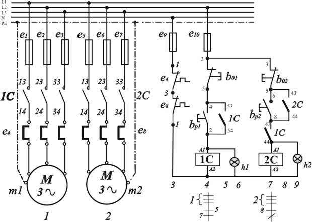
Pornirea interconditionata a doua motoare asincrone trifazate
Competente:
elaborarea schemei electrice de forta si comanda pentru pornirea interconditionata a doua motoare asincrone trifazate
precizarea rolului aparatelor din schema;
realizarea montajului conform schemei electrice elaborate;
respectarea normelor de igiena si protectia muncii īn timpul executarii montajului.
Schema de lucru:

Nomenclatorul aparatelor:
e1, e2, e3, e5, e6, e7, e9, e10 - sigurante fuzibile;
e4, e8 - blocuri de relee termice;
bp1, bp2 - butoane de pornire;
bo1, bo2 - butoane de oprire;
h h lampi de semnalizare.
Mod de lucru:
Schema electrica are 9 circuite, doua de forta ( si ) si sapte de comanda.
Pornirea motoarelor m1 si m2 se face īn
ordinea m1 si apoi m2. Se
actioneaza butonul bp1 (4). Prin alimentarea
bobine
|
|
|
Sistemul de forta al unei actionari electrice |
|