Documente online.
Zona de administrare documente. Fisierele tale
Am uitat parola x Creaza cont nou
 HomeExploreaza
upload
Upload




SISTEME DE TELEVIZIUNE DIGITALA SI DE INALTA DEFINITIE

tehnica mecanica


a sunt prezente ambele semnale: analogic si digital. De exemplu, semnalul analogic de la iesirea traductorului de emisie este trecut īn forma digitala prin intermediul conversiei analog-digitale īn scopul prelucrarii, conservarii si transmisiei prin canale de comunicatie de banda foarte mare, pentru ca apoi sa fie convertit īn forma analogica prin intermediul procesului de conversie digital-analogice, pentru a fi transmis prin statiile actuale catre receptoarele de televiziune īn care semnalul poate suferi, din nou, prelucrari analog - digital - analog.

a, transformarea directa a imaginilor in semnale digitale (succesiune de semnale zero si unu) si transformare inversa a semnalelor digitale īn imagini au loc chiar la nivelul traductoarelor lumina-semnal (la emisie) si semnal-lumina (la receptie), īn timp ce vehicularea informatiei īntre cele doua traductoare se realizeaza tot sub forma digitala.

tionala" la televiziunea digitala

si audio de calitate -, care poarta informatia catre publicul spectator, operator sau oricare alt beneficiar. Singura noutate pe care o implica televiziunea digitala consta din modul īn care mesajul ajunge, printr-o suita de procesari, dintr-o parte īn cealalta [WWTE].

a

a standard si de īnalta definitie




Fig. . Transmisia directa a semnalelor primare de culoare R, G, B de la

Aceasta metoda produce o imagine de īnalta calitate pe monitor, dar manipularea semnalelor pe trei canale separate presupune asigurarea ca fiecare canal sa prelucreze semnalul īn acelasi mod: cu acelasi cāstig, decalaj de curent continuu, temporizare si raspuns īn frecventa. Un cāstig inegal sau erori de decalaj īntre canalele video vor produce modificari subtile de culoare pe imaginea finala afisata pe monitor. Sistemul poate avea de asemenea de suferit din cauza erorilor de temporizare, care pot fi produse de diferite lungimi ale cablului sau a diferitelor metode de dirijare a semnalelor de la camera la monitor. Acestea pot produce desincronizari īntre canale de culoare, producānd īncetosarea imaginii, iar īn cazurile cele mai severe, imagini suprapuse. Datorita acestor efecte, care deterioreaza calitatea imaginii, se impune ca cele trei canale de culoare R, G, B sa fie manipulate ca unul singur (fig.1.2.).

Introducerea unui codor (decodor) NTSC sau PAL īn circuit nu simplifica complexitatea lantului de transmisie, īn schimb face manevrarea semnalului mai usoara pe un singur cablu coaxial (fig.1.2.). Latimea de banda a sistemului este, īn acest caz, sacrificata pentru a include energia celor trei semnale video īn banda de 4,2 MHz (pentru NTSC) sau de (5÷5,5) MHz (pentru PAL).




Fig. .2. Transmisia pe un singur cablu coaxial a semnal video codat pentru

sistemul NTSC sau PAL


Configuratia cu un singur conductor (cale) de legatura usureaza dirijarea semnalului video, dar raspunsul īn frecventa si temporizarea trebuiesc reconsiderate pentru cai de transmisie mai lungi. De asemenea, deoarece īn semnalul video complex, componenta de crominanta si de luminanta impart banda de frecventa de 4,2 MHz sau (5÷5,5) MHz, multiplele codari/decodari trebuiesc evitate deoarece acestea determina degenerarea semnalului.

Prin īnlocuirea circuitelor pentru codare si decodare digitala cu interfete seriale digitale (fig.1.3.), scade complexitatea sistemului si creste performanta.

Transferul de date pe cablul coaxial este de 270 Mb/s pentru semnale de televiziune digitala si de 1,485 Mb/s sau mai mare pentru televiziunea de

īnalta definitie.



Fig. .3. Transmisie digitala prin cablu coaxial a semnalului de televiziune


Semnalele cu definitie standard ar putea fi convertite īn sistem analogic NTSC sau PAL, spre a fi difuzate prin canalele de televiziune traditionale. Pentru transmisia finala īn limitele largimii de banda corespunzatoare canalelor NTSC sau PAL existente, semnalele de īnalta definitie trebuie sa fie comprimate.




3.5. Corectia gamma a semnalelor R, G, B

Un factor de natura analogica de care trebuie tinut cont īn manevrarea semnalelor video este gradul de acuratete cu care monitorul video reproduce luminozitatea fiecarui element al imaginii. Tubul catodic al monitorului este un dispozitiv neliniar, iar gradul de luminozitate a ecranului este o functie neliniara a tensiunii aplicate tubului catodic. Aceasta functie este numita exponentul gamma al dispozitivului, iar pentru a obtine un raspuns liniar, trebuie aplicat un factor de corectie. Din aceste motive semnalele video R, G, B de la camera video sunt corectate gamma cu functia inversa a tubului catodic, iar semnalele corectate gamma sunt notate cu R', G', B', fiind denumite si semnale primare de culoare si sunt deseori notate: E' R, E' G, E' B. Noile tehnologii pe care se bazeaza constructia display-urile cu cristale lichide si cu plasma sunt astazi preponderente, astfel ca s-ar putea crede ca, īn viitor, corectia gamma va devenii inutila. Raspunsul sistemului vizual uman la luminozitate este o functie de putere: aproximativ intensitatea ridicata la puterea 1/3. Pentru cea mai buna reprezentare a contrastului si a raportului semnal/zgomot, codarea video utilizeaza aceeasi functie de putere. Aceasta este numita codareconceptuala

Corectia gamma necesara pentru tubul catodic este aproape optimala pentru corectie conceptuala. Din acest motiv, trebuiesc luate masuri atunci cānd se evalueaza un sistem la care factorii de corectie au fost aplicati īn interiorul dispozitivului pentru corectia gamma.



3.6. Interfata video digitala

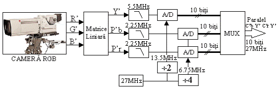
Procesul de prelucrare (convertire) a semnalelor de culoare R, G, B generate de camera TV īn componente video digitale este asigurat de interfata video digitala. Reprezentarile din figurile:1.5., 1.6., 1.7.si 1.8. descriu modul de manipulare a semnalelor video cu componente digitale de catre un system digital standard. Īn sistemele de televiziune de īnalta definitie, vitezele de esantionare si de transmisie sunt mai mari si se folosesc cu precadere bus-uri de 10 biti separate pentru fiecare componenta video, pentru reducerea numarului de circuite care functioneaza la viteze mari de transmisie a datelor.

Īn formatele de īnalta definitie, viteza de esantionare si de transfer a datelor vor fi mai mari. Semnalele R', G' ,B' corectate gamma (fig.1.5.) sunt convertite īn matricea liniara īn componenta de luminanta (Y') si doua componente de crominanta (P'r si P'b). Deoarece ochiul este mai sensibil la schimbarile de luminozitate (detalii) decāt la schimbarile de nuanta, semnalul de luminanta va fi transportat prin sistem pe un canal cu latime de banda mare (5,5 MHz pentru definitie standard).

Semnalele de luminanta si de crominanta sunt supuse unei filtrari trecejos pentru a elimina frecventele video īnalte care pot genera fenomenul de aliere īn procesul de conversie. Semnalul de luminanta filtrat este esantionat la o frecventa de 13,5 MHz īntr-un convertor analog-digital pentru a produce un flux de date pe 10 biti la 135 Mb/s. Cele doua canale de crominanta sunt filtrate si apoi esantionate cu o frecventa de 6,75 MHz īn convertoare analogdigitale pentru a produce doua fluxuri de date la 67,5 MB/s. Cele trei canale video sunt apoi multiplexate īntr-un singur flux de date de tip paralel pe 10 biti la 270 Mb/s si frecventa de 27 MHz.



Fig. .5. Procesul de digitizare a semnalelor analogice R', G' ,B' īn componente video digitale




Televizoare cu plasma sau cu cristale lichide?


Vechile televizoare cu tub catodic (CRT) sunt din ce in ce mai putin dorite, desi preturile lor sunt in continua scadere. Unii producatori de electronice au sistat livrarea pe piata a televizoarelor CRT, pentru a se concentra pe productia de receptoare cu plasma si cu cristale lichide (LCD).

Chiar si intre cele doua tipuri de aparate exista o concurenta importanta. Potrivit companiei DisplaySearch, citate de softpedia.com, preturile pentru televizoarele LCD se vor reduce semnificativ anul acesta, in functie de cat sunt dispusi sa scada producatorii in urma cheltuielilor pe materialele de baza.

In 2005, pretul pentru LCD-urile de 40 de inchi (100 de centimetri) diagonala a scazut cu 36%, mai mult decat cel pentru plasme (31%). DisplaySearch estimeaza ca preturile pentru LCD-uri, in cazul televizoarelor plate de 41-44 de inchi (104 - 111 cm), vor scadea cu 50% pana in 2009, fata de 5% in 2005, iar cele cu plasma vor scadea de la 71% la 49% in 2009.

Batalia tehnologiilor

In magazine, ecranele cu plasma arata la fel ca televizoarele cu cristale lichide, dar asemanarea se opreste la ecranul plat si grosimea mica a aparatelor. Ecranele cu plasma folosesc o retea de celule cu gaz incarcate cu energie electrica de voltaje exacte, care creeaza imaginea.

Monitoarele LCD sunt formate din cristale lichide presate intre doua geamuri. Imaginea se creeaza aplicand energie electrica cristalelor.
Fiecare dintre cele doua tehnologii are puncte tari si slabe. Oricum, ambele tipuri afiseaza o imagine foarte clara. Cu toate acestea, televizoarele cu plasma au un usor avantaj, deoarece ofera un negru mai fidel. Asta inseamna un contrast mai mare in cadrul scenelor colorate intens sau in filme.

Natura tehnologiei cu cristale lichide face ca acest contrast sa fie mai slab din cauza ca lumina "se scurge" intre pixeli. In plus, ecranele cu plasma au unghiuri de vizualizare mai bune. Mai concret, chiar daca stati pe o latura a televizorului, tot veti putea vedea imaginea la calitate buna.



Daca faceti acelasi lucru la un ecran LCD, veti observa cum se pierde putin din luminozitate si culoare. Exista maniaci ai imaginii care pot spune cu mana pe inima ca monitoarele cu cristale lichide au tendinta de a face mai neclare imaginile, mai ales in cazul scenelor cu multa miscare sau la transmisiunile sportive.

Sa nu credeti insa ca LCD-urile sunt produse doar de dragul de a le vinde. Si ele au avantaje fata de monitoarele cu plasma. De exemplu, televizoarele cu cristale lichide au o rezolutie nativa mai mare decat cele cu plasma. Mai multi pixeli pe ecran inseamna o imagine mai apropiata de cea din realitate. Pentru cei care se gandesc la economisirea curentului electric, este bine de stiut ca LCD-urile consuma mai putin decat plasmele (chiar cu pana la 30% mai putin). De asemenea, ecranele cu cristale lichide sunt mai usoare si se transporta mai ergonomic.

Ce sa alegem?

Comparand LCD-urile cu primele modele de televizoare cu plasma, primele aveau o viata mai indelungata. Astazi, noile generatii de plasme au garantate intre 30.000 si 60.000 de ore de vizionare (1.250- 2.500 de zile de functionare continua), iar LCD-urile - 60.000 de ore.

Asta inseamna ca, dupa acest timp, culorile incep sa paleasca si monitorul trebuie pur si simplu inlocuit, pentru ca nu exista o metoda de a repara niciunul dintre cele doua tipuri de monitoare. Modelele actuale de plasma nu mai produc efectul de "ardere a ecranului" de care se vorbea in urma cu cativa ani.

Defectiunea consta in faptul ca, daca o imagine persista prea mult pe ecran, acesta tindea sa pastreze acea imagine, care se afisa in spatele noii imagini. Televizoarele de astazi au screensavere incorporate, pentru a preveni instalarea acestor imagini "fantoma".

Un monitor cu plasma de 42 de inchi (106 cm) diagonala costa foarte mult si astazi, dar daca dispuneti de bani nu va sfiiti sa alegeti unul din magazin. Dar daca doriti un ecran modern, usor de transportat si destul de ieftin, alegeti un LCD de 36 de inchi (91 cm).

Oricum, este bine sa va ganditi inainte de a merge in magazine la modul in care veti folosi televizorul, cat de mult timp il veti folosi si la ce tip de programe. Pe langa specificatiile tehnice, si aceste lucruri trebuie luate in seama.


Putina istorie

Conceptul de display cu plasma a aparut prima data la Universitatea Illinois. Primele displayuri nu erau altceva decāt puncte luminoase create īn urma experiementelor de laborator. De atunci, tehnologia a evoluat suficient, spre sfārsitul anilor 60, pentru a permite oamenilor de stiinta crearea de forme geometrice, īnsa dezvoltarea a fost īncetinita de materialele disponibile la vremea accea. Primele ecrane erau mici, iar imaginea redata era foarte proasta. De abia īn urma progresului tehnologic din ultimii ani a fost posibila realizarea unor displayuri cu plasma full color. Ceea ce odata a fost doar o idee SF este acum o realitate. Televizoarele cu plasma sunt noul trend īn materiede aparatura video.
Principalul inconvenient este, desigur, pretul. Actualmente, televizoarele cu plasma au preturi care īncep de la 4000$ pentru cele cu un ecran de 42 inch si pot ajunge pāna la 21,000$ pentru cele de 62 inch. Desi sunt foarte scumpe, ele īncep sa devina alegerea predilecta īn SUA datorita culorilor deosebite, stralucirii imaginii sau flexibilitatii.

Aspecte tehnice
 
Primele monitoare/televizoare aveau un mic defect la prezentarea semnalului primit de la o sursa mai slaba. Astfel imaginea prezenta deformari la miscari, din aceasta cauza, distanta de vizionare recomandata la astfel de televizoare este de 3-4 metri pentru ecranele de 42 inci si 4-5 metri pentru cele de la 50 inci īn sus. Modelele mai recente au redus aceste neplaceri, astfel īncāt imaginea poate fi vizionata īn conditii bune chiar de la cca 3 metri.
Rata imaginii TV transmisa īn mod obisnuit este de 4:3, de aici aspectul aproape patrat al televizoarelor obisnuite. Īnsa, noile semnale de tip HDTV sau SDTV (televiziunea digitala), transmit semnalul la o rata de 16:9, tip wide-screen, asemanatoare celei cu care sunt redate filmele la cinematograf. Majoritatea televizoarelor cu plasma sunt fabricate cu aceasta rata, ceea ce le face perfecte pentru vizionarea de filme pe suport DVD.
Majoritatea televizoarelor accepta toate formatele video (NTSC, PAL, SECAM). Atentie mare īnsa la aparatele cumparate din SUA, fiindca este posibil ca ele sa nu redea bine semnalul codificat īn sistem European.
Majoritatea aparatelor video pot accepta doua tipuri de semnale: compozit si S-video. Majoritatea televizoarelor cu plasma accepta fara probleme primele doua sisteme. Īn ultima vreme a aparut un nou tip de semnal video, numit "component video". El este utilizat de playerele DVD mai noi si de unele receptoare satelit. Aparatele care accepta acest tip de semnal reusesc sa emita un semnal video superior calitativ celorlalte. Astfel, trebuie verificat daca televizorul cu plasma pe care doriti sa-l achizitionati suporta si acest tip de semnal.
Īn ceea ce priveste redarea audio, exista un singur fabricant care īncorporeaza boxe īn televizor, si anume Philips. Majoritatea fabricantilor ofera boxe care pot fi atasate, separat de televizor. Semnalul video este amplificat īn medie pāna la 7-8 wati, ceea ce este mai mult decāt suficient pentru o incinta de 40-50 mp. De asemenea, multe televizoare permit "colaborarea" cu sistemul audio classic.
Televiziunea digitala (SDTV si HDTV) reprezinta noul standard, ce permite o īmbunatatire radicala atāt a semnalului video cāt si a celui audio. Televiziunea digitala are deja doua tipuri de formate: definitie analogica standard (SDTV) si īnalta definitie (HDTV).
 





Comparatie


Tipul de transmisie

Analog

Digital

Digital

Digital

Digital



PAL/SECAM

Standard

Standard

Īnalta definitie

Īnalta definitie


Rezolutie maxima

480i

480i

480p

720p

1080i


Aspect Ratio



4:3 or 16:9




Canale







Descriere



Formatul TV standard

DVD sau DBS

Exceptionala, depinde de sursa

Ceam mai buna

Cea mai buna






DTV Detalii


Linii

Rata de scanare

Pixelare

Frame Rate

Aspect Ratio

Formate


SDTV

525 total
480 active

15.75 kHz (60i)

480 x 640

24p, 30p, 60p or 60i fps





525 total
480 active

31.5 kHz (60p)

480 x 704

24p, 30p, 60p or 60i fps

4:3 or 16:9

8 (4x2)


HDTV

750 total
720 active

45 kHz
(60p)

720 x 1080

24p, 30p, 60p





1125 total
1080 active

33.75 kHz
(60i)

1080 x 1920

24p, 30p, 60i





Cum functioneaza?
 
Spre deosebire de celelalte tehnologii, cele trei culori de baza, rosu, albastru si verde, sunt create īn fiecare pixel, reducāndu-se astfel spatiul. Electrozii īncarcati interactioneaza cu mici "baloane" de gaz inert care trec īn starea de plasma. Acest proces declanseaza raze ultraviolete care reactioneaza cu pixelii de fosfor si produc lumina. Tot spre deosebre de sistemele clasice, unde imaginea era "scanata" de-a latul ecranului, aici toti pixeli sunt "luminati" dintr-o data. Neavānd electroni, luminare din spate sau vreo polarizare a luminii, imaginea este mult mai clara si mai stralucitoare.
 
Ce este plasma īntr-un televizor cu plasma?
 
Plasma este o substanta neutra din punct de vedere electric, puternic ionizata, compusa din ioni, electroni si particule neutre. Contine un numar aproximativ egal de ioni si electroni liberi. Astfel, plasma este un foarte bun conducator de electricitate. Atunci cānd se aplica o temperatura suficienta, electronii se separa de nucleul lor.

Merita
 
Merita banii?
 
Din punct de vedere al calitatii, sigur ca da. Receptoarele cu plasma se comporta excelent indiferent de conditiile ambientale. Lumina prea puternica nu afecteaza imaginea. Atunci cānd este utilizat pentru proiectarea de imagini īn cadrul prezentarilor sau videoconferintelor nu este nevoie sa stingeti lumina īn sala, astfel īncāt participantii pot vedea atāt imaginile īn cele mai bune conditii, dar si sa-si noteze. O alta caracteristica demna de mentionat o constituie unghiul extraordinar de vizionare īn bune conditii, care este de 160°, cel mai mare posibil. Īn plus, fata de displayuri de dimensiuni similare, greutatea celor cu plasma este mult redusa. Nici un alt dispozitiv nu poate concura cu ele atunci cānd este vorba de dimensiuni (acestea fiind extrem de subtiri), ceea ce le face usor de pozitionat oriunde. Sunt unele displayuri care are nu au mai mult de 3,5 inchi latime.
Spre deosebire de televizoarele clasice, ele nu sunt afectate de cāmpurile magnetic.
 

Plasma vs LCD

 
Principalul dezavantaj al televizoarelor cu plasma īl reprezinta deocamdata longevitatea. Bazāndu-se pe gaze rare (precum argon, xenon, neon), durata lor de viata este cea a gazelor respective, adica 25,000-30,000 ore de functionare. Spre deosebire, displayurile LCD au o durata de viata aproape dubla si īn plus, ele pot fi "revitalizate", ceea ce īn cazul displayurilor cu plasma nu este cazul.

Acuratetea culorilor. Plasma are, datorita tehnologiei, un avantaj net. Culorile sunt mult mai clare si mai stralucitoare, iar contrastul superior īn comparatie cu displayurile LCD. Unghiul de vizualizare. Din nou plasma are un avantaj urias, unghiul de 160° fiind greu de atins de displayurile LCD.

Redare video. Tot plasma cāstiga si aici, calitatea imaginilor fiind de departe superioara celei LCD. Pe de alta parte, pentru redarea imaginilor computerelor, LCD este mult mai util.

Cāstigator este LCD, cu un consum mult mai mic decāt plasma.

Marimea si pretul. Cāstigator este din nou plasma. Displayurile de plasma de 50 inci au devenit o obisnuinta, īn vreme ce la LCD media este de 30, abia acum lansāndu-se īn productie modelul de 37. Īn ceea ce priveste costul, ambele tehnologii au costuri īn scadere, ceea ce se reflecta si asupra pretului platit de catre utilizatori.






Document Info


Accesari: 7872
Apreciat: hand-up

Comenteaza documentul:

Nu esti inregistrat
Trebuie sa fii utilizator inregistrat pentru a putea comenta


Creaza cont nou

A fost util?

Daca documentul a fost util si crezi ca merita
sa adaugi un link catre el la tine in site


in pagina web a site-ului tau.




eCoduri.com - coduri postale, contabile, CAEN sau bancare

Politica de confidentialitate | Termenii si conditii de utilizare




Copyright © Contact (SCRIGROUP Int. 2025 )