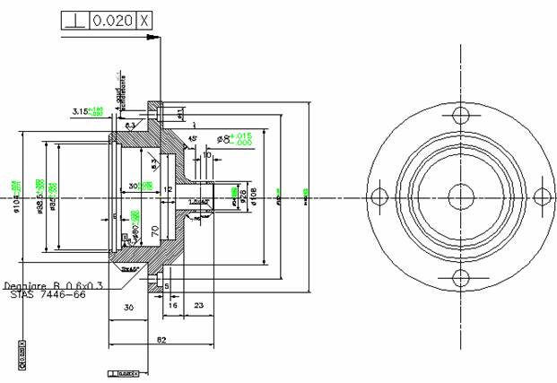
Sa se faca analiza tehnologicitatii produsului "Inel exterior" al carui desen de executie este prezentat in figura de mai jos avand urmatoarele date initiale:
-tipul productiei: serie mica→mijlocie;
-resurse de productie: nelimitate (cele dorite de proiectant);
-termene de realizare: libere(neimpuse)
Rolul functional al piesei

Reperul "Inel exterior"este o carcasa dintr-o bucata in care sunt montate o parte din piesele produsului.
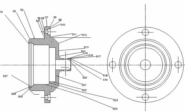
Suprafetele cu rol functional sunt: S1,S3,S4,S5,S6,S7, ,S10,S11,S13,S15,S16,S18,S20,S21.S22,S23,S24,S25,S26,S27.
Suprafetele cu rol tehnologic S9sunt: S2,S8,S12,S14,S17,S19.

|
S |
Forma suprafetei |
Dimensiunile caracteristice principale |
Rugozitatea Ra [ m] |
Treapta (clasa) |
Tolerante de forma [mm] |
Pozitia reciproca |
Alte conditii |
|
S1 |
Plan- frontal 15115j921p a |
|
|
IT13 |
|
|
|
|
S5 |
Plan- frontal 15115j921p |
|
|
IT13 |
|
|
|
|
S9 |
Plan- frontal 15115j921p |
|
|
IT13 |
|
|
|
|
S11 |
Plan- frontal 15115j921p |
|
|
IT13 |
|
|
|
|
S13 |
Plan- frontal 15115j921p |
|
|
IT13 |
|
|
|
|
S18 |
Plan- frontal 15115j921p |
|
|
IT13 |
|
|
|
|
S21 |
Plan- frontal 15115j921p |
|
|
IT13 |
|
|
|
|
S23 |
Plan- frontal 15115j921p a |
|
|
IT13 |
|
|
|
|
S2 |
Conica ( tesitura) |
3x45º |
|
IT13 |
|
|
|
|
S4 |
Degajare |
0.6x0.3 |
|
IT13 |
|
|
|
|
S8 |
Conica ( tesitura) |
1x45º |
|
IT13 |
|
|
|
|
S12 |
Conica ( tesitura) |
11x45º |
|
IT13 |
|
|
|
|
S14 |
Degajare |
R6 |
|
IT13 |
|
|
|
|
S17 |
Conica ( tesitura) |
1.5x45º |
|
IT13 |
|
|
|
|
S19 |
Conica ( tesitura) |
1.5x45º |
|
IT13 |
|
|
|
|
S3 |
Cilindrica exterioara |
|
|
IT13 |
|
|
|
|
S7 |
Cilindrica exterioara |
|
|
IT13 |
|
|
|
|
S16 |
Cilindrica exterioara |
|
|
IT13 |
|
|
|
|
S6 |
Cilindrica interioara |
|
|
IT13 |
|
|
|
|
S10 |
Cilindrica interioara |
|
|
IT13 |
|
|
|
|
S15 |
Cilindrica interioara |
|
|
IT13 |
|
|
|
|
S20 |
Cilindrica interioara IT13 |
|
|
IT13 |
|
|
|
|
S22 |
Cilindrica interioara |
|
|
IT13 |
|
|
|
|
S24 |
Cilindrica interioara |
|
|
IT13 |
|
|
|
|
S25 |
Cilindrica interioara |
|
|
IT13 |
|
|
|
|
S26 |
Cilindrica interioara |
|
|
IT13 |
|
|
|
|
S27 |
Cilindrica interioara |
|
|
IT13 |
|
|
|
Caracteristicile prescrise materialului
Materialul piesei "Inel esterior"este OLC45 STAS880-80.
Otelurile carbon de calitate sunt oteluri nealiate, obtinute printr-o elaborare ingrijita si cu un grad de purificare chimica ridicat. La aceste oteluri se garanteaza atat compozitia chimica cat si caracteristicile mecanice. Ele se folosesc in mod obisnuit tratate termic prin cementaresau imbunatatire, in constructii mecanice supuse la solicitari mari
Compozitia chimica
|
C[%] |
Mn[%] |
Si[%] |
P[%] |
S[%] |
Cr[%] |
Ni[%] |
Cu[%] |
As[%] |
|
|
|
|
Max0.04 |
Max0.04 |
Max0.03 |
Max0.03 |
Max0.03 |
Max0.03 |
Caracteristici mecanice
|
starea |
Limita de curgere б2[kgf/mm2] |
Rezistenta la tractiune бr[kgf/mm2] |
Alungirea la rupere |
Gatuirea la rupere Z[%] |
Duritaeta Brinell [max HB] |
|
|
Normalizata |
|
|
|
|
|
|
|
Imbunatatita |
|
|
|
|
|
|
Tratamente termice si termochimice
|
Forjare [ºC] |
Recoacere de inmuiere |
Normalizare |
Revenire |
|||
|
[ºC] |
Raciere |
[ºC] |
Raciere |
[ºC] |
Apa/ulei |
|
|
|
|
cuptor |
|
aer |
|
aer |
Tehnologia constructiei piesei
Volumul cilindrului :I(S3) r=52 ;h=30 ;V=254716.8mm2
Volumul cilindrului :II(S7) r=75 ;h=11 ;V=1194287.5mm2
Volumul cilindrului :III(S16) r=14 ;h=23 ;V=14155.12mm2
Volumul cilindrului :IV(S20) r=12 ;h=15 ;V=7008.48mm2
Volumul cilindrului :V(S22) r=35 ;h=12 ;V=46158mm2
Volumul cilindrului :VI(S24) r=40 ;h=30 ;V=150720mm2
Volumul cilindrului :VII(S25) r=42.5 ;h=3.35 ;V=18999.94mm2
Volumul cilindrului :VIII(S26) r=44.25 ;h=3.15 ;V=19367.19mm2
Volumul cilindrului :IX(S27) r=42.5 ;h=4.5 ;V=25522.31mm2
Masa piesei finite m=0.650Kg
Gradul de unificare a elementelor constructive
Gauri: et=9; etd=7; λe=0.22%
Raze de racordare et=2; etd=0; λe=0%
Tesituri et=10 etd=5; λe=50%
Concordant formei constructive cu posibilitatile de realizare
Din punct de vedere al concordantei formei constructive a produsului cu particularitatiile diferitelor metode si procedee de fabricare se poate mentiona:
-profilul exterior si interior se poate realize usor prin strunjire
-gaurile nu prezinta o dificultate ridicata
-rectificarile profilului esterior si interior se pot executa usor.
Dolofan Cristian IEI311
|